
Installation and operating Instructions
Introduction
Congratulations on purchasing your high-efficiency solar module from Meyer Burger Industries (MBI). Meyer Burger solar modules generate energy in a very sustainable and environmentally friendly way because energy generated in solar cells does not produce any greenhouse gases. MBI wants the manufacture of photovoltaic modules to be sustainable as well.
This is why MBI focused from the outset on high-quality materials, resource-efficient production processes, utmost recyclability within the closed circle economy, reliable and transparent supply chains, as well as optimized transportation routes, for example by rail. MBI’s solar modules let you transformthe sun’s power into electrical energy in an environmentally friendly way, directly and without limitations, for several decades.Please read these instructions carefully and follow them to ensure that you get the most out of your MBI solar modules. Not following the instructions could lead to personal injury and property damage. These installation instructions describe how to install the MBI solar modules safely.
General information
- Before installing the solar system, consult the applicable directives and licensing requirements from the competent local authorities and utility companies. You can only be sure of economic success once you have taken these requirements into consideration.
- Please follow all the necessary applicable safety instructions during setup and installation. The installer who sets up the system bears the responsibility.
- Keep the assembly instructions for the entire service life of the solar modules.
- Make sure that these assembly instructions are accessible to the operator at any time.
- Pass on these assembly instructions to any future owner or user of the solar panels.
- Pay attention to any other applicable documents.
- Remove the adhesive tape on the back that protects the cables and connectors before assembly.
- For more information, see our website: www.meyerburger.com
Proper use
This manual is valid in Africa, Asia, Europe, Latin America as well as North and South America. The instructions provide information about safety when handling MBI’s crystalline, high-performance solar modules and about their installation, assembly, wiring, maintenance and recycling.
NOTE The module warranty will be voided if the installation instructions are not followed or there are changes made to the module.
Planning
Field of application
The modules are suitable for the following fields of application:
- Operating temperature -40°C to +45°C.
- Module operating temperature -40°C to +85°C.
- Max. push loads of 6,000 Pa and max. pull loads of 4,000 Pa (test loads)*.
- Assembly is on a racking for solar modules.

- The modules are tested and approved in accordance with IEC 61215-2016, IEC 61730-2016, UL61730-1 and UL61730-2.
- All country-specific electrical and construction safety standards must be strictly observed during installation.
- Do not point concentrated light onto the modules.
*depending on mounting type and configuration. Design loads shall be calculated from test loads with an additional safety factor of 1.5 (see chapter “Installation types”).
Technical data
For technical data, please refer the module data sheets for Meyer Burger Black, White or Glass*, version Q2_2022_V3_en.
For more detailed information about the corresponding modules, please visit: https://www.meyerburger.com
| Module Line | Meyer Burger Black | Meyer Burger White | Meyer Burger Glass* |
| Solar cell type | 120 half-cells, mono n-Si, HJT with SWCTTM cell technology | 120 half-cells, mono n-Si, HJT with SWCTIm cell technology | 120 half-cells, mono n-Si, HJT with SWCIrm bifacial cell technology |
| Front glass | Tempered solar glass, 3.2 mm, with anti-reflective surface | Tempered solar glass, 3.2 mm, with anti-reflective surface | Tempered solar glass, 2.0 mm, with anti-reflective surface |
| Rear cover | Black water-barrier backsheet | White water-barrier backsheet | Solar glass, 2.0 mm |
| Dimensions H x W x D [mm] | 1,767 x 1,041 x 35 | 1,767 x 1,041 x 35 | 1,722 x 1,041 x 35 |
| Area [m2] | 2. | 2. | 2. |
| Weight [kg] | 20. | 20. | 24. |
| Max. design load +/- (incl. a safety factor of 1.5) [Pa] | 4,000/2,666 | 4,000/2,666 | 4,000/2,666 |
| Safety factor | 1.5 | 1.5 | 1.5 |
| Max. test load +/– [Pa] | 6,000/4,000 | 6,000/4,000 | 6,000/4,000 |
| Permissible module temperature [°C] | -40 – +85 | -40 – +85 | -40 – +85 |
| Permissible ambient temperature [°C] | -40 – +45 | -40 – +45 | -40 – +45 |
| Maximum system voltage [V] | 1,000 | 1,000 | 1,500 |
| Maximum reverse current [A] | 20 | 20 | 25 |
| Junction box protection class | 3 diodes, IP68 rated accordance with IEC 62790 | 3 diodes, IP68 ratedin accordance with IEC 62790 | 3 diodes, IP68 rated in accordance with IEC 62790 |
| Cable | PV cable 4 mm², 1.2 m long,in in accordance with EN 50618 | PV cable 4 mm², 1.2 m long,in accordance with EN 50618 | PV cable 4 mm², 1.2 m long,in accordance with EN 50618 |
| Connector
| 1: MC4; 2: MC4-Evo2; 3: UKT Energy PV-CO02-1A; 4: TE Connectivity PV4-S1 In accordance with IEC 62852, IP68 rated only when connected | 1: MC4; 2: MC4-Evo2; 3: UKT Energy PV-CO02-1A; 4: TE Connectivity PV4-S1 In accordance with IEC 62852, IP68 rated only when connected | 1: n.a.; 2: MC4-Evo2; 3: UKT Energy PV-CO02-1A; 4: TE Connectivity PV4-S1 In accordance with IEC 62852, IP68 rated only when connected |
| Fire performance class (according to UL 61730) | Type 5 | Type 4 | Type 29 |
| Safety class | II | II | II |
Electrical configuration
- The key electrical data for the MBI modules is provided in the product data sheets at: https://www.meyerburger.com/.
- Meyer Burger modules have three pre-installed bypass diodes (non-exchangeable) that guarantee protection and improved performance in case of shade.
- Only modules from the same line and performance class can be interconnected.
- Under normal conditions, all Meyer Burger solar modules are likely to produce higher current and/or voltage than reported at standard test conditions.
. A safety factor of at least 1.25 for the electrical values (Voc, Isc) shall be used for determining component voltage ratings, conductor current ratings, and size of controls connected to the PV output. - Meyer Burger Glass* modules are bifacial solar modules with a bifaciality factor as specified in the module data sheet (www.meyerburger.com).
Dependent from the specific conditions of the installation site (e.g. reflectivity of the ground or roof surface) Meyer Burger Glass* modules additionally collect energy from the received rear irradiation. Therefor all components of the electrical system must be correctly dimensioned by a qualified person in accordance with the relevant regulations and site-specific conditions. - We recommend using UV-resistant PV cables. They must have a cross-section of at least 4 mm2 (12 AWG) and be heat-resistant at least up to 90°C (194°F).
- Choose identical connectors (same manufacturer, same connector family) for extension and connection cables and for module to module connection. Meyer Burger modules use different connector types. Those types are marked with a number on the module lables. The identification of the numbers can be found on the data sheet and in the installation manual on page 4.
- Avoid shade to achieve optimal solar irradiation and thus maximize yield.
- The individual system components (modules, fuses, inverters…) must be matched according to their data sheets.
- Observe the local, regional and national regulations on the installation of electrical systems.
Series connection
- The modules can be connected in series for the desired total voltage.
- The current (IrriPP ) of modules connected in series should be the same because the maximum current is determined by the module with the lowest current.

- The maximum system voltage must be observed and can be found in the table in the “Technical Data” chapter under “Maximum system voltage” or the data sheet for the corresponding module.
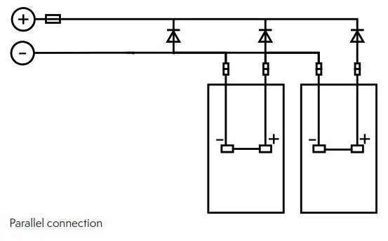
Parallel connection
- The modules can be connected in parallel for the desired total current.
- The voltage (Vmpp ) of the modules connected in parallel should be the same.
- Install overcurrent protection devices (OCPD) in accordance with the relevant standards and national codes. Please follow the guidelines in Article 690-8 and 690-9 of the NEC accordingly.
- Additional reverse-current protection (e.g. blocking diodes or fuses) must be installed in each module string if the possible reverse current exceeds the overcurrent protection rating of the modules.

- The overcurrent protection rating can be found in the module data sheet. The string fuse rating shall not exceed the overcurrent protection rating of the module.
- The cable cross-section of the extension cable must be matched to the maximum current of the connection.
- The modules can also be connected in combination.
- All components must be matched and the individual connection instructions for series and parallel connectiontaken into consideration.
- Connect the same number of modules in a series string (same string voltage).
- Additional safety precautions are needed to protect the cables and modules from overcurrent.
Installation
Safety and transport
Handling the modules
- When handling the modules, always wear clean gloves and hold them by the module frame.
- When unpacking the modules, the front side must be protected against scratches, etc.
- Do not short-circuit (couple) the solar module cables under any circumstances.
- Do not move or carry the modules by grabbing the cables.
- Do not step on the modules.
- Do not place heavy objects on the modules (e.g. tools or tool boxes).
- The modules must not be installed:
- in closed spaces.
- over 2,000 m above sea level *.
- on water surfaces*.
- inplaceswherewatermayaccumulate (e.g.duetofloods).
- neareasilyflammablegasesorvapors (e.g.gastanksorgasstations).
- atsiteswherecontactbetweenchemicalsubstances (e.g.oilandsolvent)andpartsofthemoduleispossible.
- inthedirectproximityofventilationandairconditioning systems.
- Themodulesmustnotbeusedasasubstituteforroofing or facades.
- Ifinstallinglessthan500mfromthesea,specialprecautions regardinggrounding,maintenance,andcleaningare necessary.
Module orientation- The modules can be installed in portrait or landscape direction.
- Make sure that there is no backwater. Rain and melted snowand ice water must be able to drain freely.
- Do not cover or seal off the water drains in the module frame.
- The minimal tilt angle is 5°.
- Observe the local regulations for the maximum tilt angle.
- A tilt angle of more than 20° has a positive impact on the module’s self-cleaning capacity.
Shading
Optimal solar irradiation leads to a maximum energy yield:
- Install the modules facing the sun.
- Avoid shade and partial shade (e.g. from trees, chimneys, buildings, dirt, snow, power lines, etc.).
- Avoid harsh shading on the back of the Meyer Burger Glass** modules trough racking system parts and unnatural high irradations trough concentrated reflections of the surroundings.
Racking
Racking requirements:
- The racking must meet the necessary structural requirements in accordance with the local snow and wind loads.
- Meyer Burger solar modules can be mounted in combination with UL 2730 certified mounting systems if listed.
- Uneven snow loads (e.g. snow cornice, snow drifts) that lead to much higher local loads must be eliminated or prevented through technical measures.
- In addition to the wind and snow loads, no other forces must impact the module through the racking.
- The racking must be mounted on the roof or ground properly.
*Assembly at altitudes of over 2,000 meters above sea level or on water surfaces can be planned in consultation with the manufacturer.
** UL certification pending - The forcesactingonthemodulemustbetransferredtothe racking.
- There may be no objects (air outlets, aerials, etc.) on the rear of the module that produce pressure concentrations during module deflection.
- The racking must ensure adequate cooling through rear ventilation of the module.
- The mount should be free of tension to enable changes in length due to temperature.
- Additional tensions and torques at the assembly points are not permitted.
- Make sure that the clamps or slide-in profiles, etc. do not touch the glass, even in loading conditions.
- Make sure that there is a distance of at least 50 mm under the junction box to the racking and other hard structures.
- Make sure that the cables cannot become jammed between the laminate and the mounting rails under a high pressure load. We recommend laying the cable along the module frame.
- Avoid contact between different metallic materials (contact corrosion; refer to the electrochemical series).
- Use corrosion-resistant screws and washers for mounting.
- The fastening screws and washers should have the same material properties.
| Manufacturer | Mounting Systems | K2 Systems |
| Type end clamp | MEC FH 35mm steel | Universal OneEnd |
| Type mid clamp | No mid clamp was used | Universal OneMid |
| Tightening torque | 15 Nm / 133 inch Pounds | 15 Nm / 133 inch Pounds |
| Width of clamp | 40 mm | 65 mm |
| Depth of clamp | 9 mm (over module frame) | 7 mm (over module frame) |
| Heigth of clamp | 37.8 mm (designed for 35 mm module frame) | 30-42 mm |
| Clamp min thickness | 2.5 mm | |
| Clamp material | Steel (coated: 7430 according to EN 10346) | Aluminium EN AW 6063 T66 |
Clamp system
Use clamps which meet the following requirements:
- Clamp width: 40 mm.
- Clamp height for 35 mm module height.
- Clamp depth: 9 mm.
- The clamps must not touch the front glass.
- No cells must be shaded as a result of the clamps.
- The clamps must not damage or deform the module frame.
- The clamps must meet the necessary structural requirements at the installation site.
- The clamps must be fastened firmly in the assembly system.
- Use clamps which guarantee long-term stability and secure attachment of the modules to the racking.
- The clamps must be installed in accordance with the manufacturer’s instructions, including any specific hardware and torque requirements. A tightening torque of 15 Nm (133 lbs-in) need to be used.
Installation types
| Module type | Assembly option | Clamping range [mm] | Test load (contains safety factor 1.5) push/pull [Pa] |
| Meyer Burger White/Black | CP1/MP1 | L = 320 | 6.000/4.000 |
| (GB) | CP1/CL1 | L = 200-450 | 5.400/2.400 |
| MP2 | L = 320 | 5.400/2.400 | |
| IP1 | 5.400/2.400 | ||
| CP1’/CL1** | L = 0-200 & 450-550 | 2.400/2.400 | |
| CP2*/CL2 | B = 0-300 | 2.400/2.400 | |
| IP2 | 2.400/2.400 |
* Mounting type CP2: Continuous mounting rails under the module are not permitted.
** Both clamping ranges can be used at the same time (4 clamps needed, each within 0-550 from each module corner).
Suitable alternative attachment options can be developed in consultation with Meyer Burger for non-specified mounting methods or higher loads.
Key: CP: Clamp point, CL: Clamp line, MP: Mounting point, IP: Installation profile
Installation with clamps
Point mounting

Line mounting

Point mounting
Installation using the mounting holes in the frame

Installation with slide-in rails
Line mounting

Electrical connection
Safety
Always follow the safety instructions:
- Only qualified experts may perform the work.
- The applicable safety instructions and regulations must be observed.
- Open-circuit voltage (VOC ) is present even in poor light.
- Do not touch the solar modules with bare hands.
- Do not wear any metal jewelry when working with the modules.
- Use dry and insulated tools and wear insulated gloves.
- Do not modify the modules.
- Never connect or disconnect the modules under load.
There is a risk of electric arc. - To achieve maximum yields, only interconnect modules with similar electrical properties (same module class).
- The modules and tools must be dry during installation.
- Pay attention to the cable and connector polarities during connection.
- Check the modules, junction boxes, cables and connectors for damages and dirt and only install intact components.
- Please refer to the corresponding module data sheet for the maximum number of modules that can be connected, considering the maximum system voltage that may not be exceeded.
- We recommend using UV-resistant PV cables. They must have a cross-section of at least 4 mm2 (12 AWG) and be heat-resistant at least up to 90°C (194°F).
- The minimum cable bending radius and its strain relief must be taken into account.
- The cables must not be run over sharp edges without protection.
- Protect the cables from direct sunlight, the effects of weather, and animals.
- Always connect the cable with a suitable equal connector, do not pinch it and protect it from mechanical loads.
- Do not connect different modules or modules with different orientations and tilts to the same string.
- Connect the module string to an inverter suitable for the configuration.
- Connect the PV system to the local lightning protection system.
Grounding
- In order to ensure electrical and fire safety, Meyer Burger solar modules must be grounded in accordance with the national, regional and local regulations.
- Article 250 of the U.S. National Electrical Code (NEC) covers the grounding and bonding of electrical systems within the US. Follow the rules of the NEC accordingly.
Meyer Burger modules are equipped with pre-drilled grounding holes along the frame as specified in the module data sheets (www.meyerburger.com). Grounding holes are marked with the following symbol:- Do not use different holes for grounding purposes and do not drill any additional holes inside the module frame.
- The frames of Meyer Burger modules are made of aluminum and coated with an anodized layer to protect against corrosion. Penetration of the anodized layer is necessary for proper grounding and/or bonding. Use special technical means (e.g. star washer, toothed washer) to penetrate the anodized layer.
- Meyer Burger only recommends using UL listed and certified methods as shown below:
Method 1: Use a certified grounding mean
- We require the installation of the certified equipment from ILSCO Corp. in the displayed order of installation in the picture.
- Use a stainless steel bolt and nut, a star washer and a spring washer.
- The tightening torque of the grounding lug to the module frame shall be 20 lbs-in (2.3 Nm).
- The tightening torque of the in-field grounding wire (12 AWG) shall be 20 lbs-in (2.3 Nm).

Method 2: Use a mounting system integrated grounding
- Electrically bond Meyer Burger solar modules to UL2703 certified integrated grounding methods of a mounting system.
- To ensure system safety, the entire mounting system must be grounded according to the manufacturer’s installation instructions.
- Meyer Burger modules must be listed on the system certificate.
- Strictly follow the installation instructions of the system manufacturer.
- Examples of this grounding method are the use of pin clamps or special washers within a certified system for proper bonding of the solar module.
Maintenance and cleaning
Maintenance:
- Have an installer check the system regularly (annually).
- Check the glass surface, the frames and the connections for any damage.
- Check the electrical components to ensure that they are free from corrosion and have a good contact.
- If a module needs to be replaced, follow the instructions for disassembly and assembly. In addition, use a module with the same electrical properties.
- After an unusual weather event (storm, hail, heavy snow, etc.), have an installer check the module for damage.
Cleaning:
- Do not use abrasive cleaning agents such as abrasive powder, steel wool, or scrapers.
- Do not use any cleaning devices made of steel or chemical cleaning agents.
- Strictly avoid using acids, alkalis, bleaching powder or strong bases.
- Do not use high-pressure cleaners for cleaning.
- Take care when cleaning sand or heavy soil to avoid scratches.
- Cleaning products should be checked for ingredients before use.
- Never touch the glass with your bare hands because you could leave fingerprints.
- Only clean the modules once they have cooled down.
- Remove leaves, snow, ice or other impurities carefully using a broom.
- Use cleaners containing alcohol (ethanol, isopropyl alcohol) for manual cleaning or hand washing. Do not use cleaners that are very acidic or alkaline, cleaners with hydrofluoric acid (1-IF) and pure alcohol or pure acetone. The modules can also be cleaned using a soap and water solution. Please make sure to remove any traces of cleaning agent from the glass surface. Use diluted alcohol or diluted acetone. Generous amounts of deionized (DI) water can be used for cleaning.
- Remove heavy soiling using plenty of water before wiping the glass surface. Leave stubborn dirt to soak where necessary.
Troubleshooting
In case of a disruption, contact the installer or MBI’s technical support.
Disassembly/Recycling
Consult the data sheets of the system components as well for system disassembly:
- Only qualified experts may perform the work.
- Switch off the inverter and wait until it disconnects.
- Disconnect the module from the inverter.
- Check the components for damage.
- Only disconnect the connectors using an appropriate tool.
- Disassemble the modules and racking using an appropriate tool.
- Pack the modules and other components for safe transport.
- Observe the local regulations for recycling or disposal.
- Collection and return of the modules is taken care of by our partner take-e-away. For more information, visit: https://kundenportal.take-e-way.de/
Meyer Burger (Industries) GmbH
Carl-Schiffner-Str. 17
09599 Freiberg
Germany
www.meyerburger.com.
WEEE Reg. No. DE 18170271
As of: June 2022 – Version 1.0.4_UL
























