Ecoflow Smart Home Panel

DISCLAIMER
Read all safety tips, warning messages, terms of use, and disclaimers carefully. Refer to the terms of use and disclaimers at https://ecoflow.com/pages/terms-of-use and the stickers on the product before use. Users take full responsibility for all usage and operations. Familiarize yourself with the related regulations in your area. You are solely responsible for being aware of all relevant regulations and using EcoFlow products in a way that is compliant.
INTRODUCTION
The EcoFlow Smart Home Panel(hereinafter referred to as SHP) is a smart load side transfer switch, it can be used as a fast-charging docking station for the DELTA Pro in the grid mode and can switch 10 downstream load circuits between the grid and the backup generator when the power grid goes down. It also enables the app control so that you can monitor and control these circuits anywhere, anytime.
The EcoFlow SHP meets the criteria of National Electrical Code Article 702.6 for Optional Standby Systems.
This manual describes the physical installation steps of the Smart Home Panel hardware. SHP registration and commissioning needs to be performed via our EcoFlow app. Additional information explaining how this product can be installed and used can be found on our website at www.ecoflow. com
Safety Instructions
- The product must be installed by a licensed electrician and verified by local AHJ.
- The SHP defaults to grid mode when without power. Please make sure the energization of load circuits is safe. Do not access the load circuit when there is an internal fault.
- This product is not intended to be used as a disconnect. To completely de-energize the product, the user MUST open the upstream breakers as well as unplug all DELTA Pros.
- Unplugging the relay module while the SHP is still energized may cause damage to the components.
- This product does not provide an AFCI (Arc Fault Circuit Interrupter) function.
- All upstream breakers should be non-GFCI/AFCI. GFCI and AFCI protection should be downstream of the SHP using GFCI/AFCI breakers or outlets.
- Do not use the product near a heat source, such as a fire or a furnace.
- If there is a loud noise in the relay module, there may be a ground fault downstream of the SHP. The user should clear the fault and replace the relay module before resetting the SHP for normal use.
- Do not use the SHP if the Short-Circuit Current Rating (SCCR) at the entrance to your house is above 10kA.
- Do not install or operate the product outdoors or in damp/wet conditions.
- Do not install or operate the product in extreme temperatures.
- Do not use the product if it is damaged or appears to be damaged.
- Do not connect the channels to circuit breakers higher than their current rating.
- The split-phase mode should be used for multi-branch circuits (circuits sharing a balanced neutral), and the circuits split across the two phases appropriately.
- Adhere to all local and national safety regulations for installation and use.
- Once a ground fault (breaker tripped) occurs, the corresponding relay module must be replaced to ensure safe operation in the future.
- This product is designed for residential use only.
- Upstream circuit breakers protect the SHP only in grid mode. Only use circuit breakers with a fault current interruption capability more or equal to 10kA, 4ms or 5kA, 8ms.
- The maximum total current for all input circuits under the grid mode is 160A.
The SHP MUST be completely de-energized before being serviced Complete the following to de-energize the SHP
- Open all connected upstream circuit breakers and make sure the Grid Power Indicators are off.
- Disconnect both DELTA Pros from the SHP and ensure the DELTA Pro Power Indicators are off.
- While opening the front panel, the alarm buzzer stays off.
DANGER
- Multiple sources power this equipment.
- Electrical equipment should be serviced by authorized personnel only.
- This equipment is not intended to be used as a service disconnect breaker.
- Upon losing power, this product automatically switches back to grid mode.
- This equipment and downstream load can only be de-energized by opening all upstream breakers and physically unplugging all power stations.
SPECIFICATION

Product Details
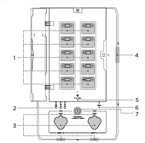
External Features
- Load Circuit Control Board
The SHP can be setup to control a total of 10 load circuits, circuits 1, 3, 5, 7, 9 on the left and 2, 4, 6, 8, 10 to the right. There is a button allowing users to manually reset each circuit relay if there has been an overcurrent on the circuit. There is also a light on the button, which turns red if there is a fault in that circuit.
There is also a lightning indicator for each load circuit, which turns on if that load circuit is energized through one of the sources. - Grid Indicator and Infinity Port Indicator
There are three energization indicators on the SHP, one for the grid, two for the DELTA Pros. If any of these lights are on, that means SHP is energized from that source, therefore, can not be opened to be serviced. - Infinity Port and Enable Button
There are two infinity ports on the SHP, which can be either on the bottom of the SHP (default), or the front. They connect DELTA Pros to the SHP through the Infinity Cable. Once plugged in, SHP and DELTA Pro will try to establish connection through communication. Users need to press the enable button to make DELTA Pro ready for output. - Panel Open Alarm System
When the DELTA Pro load circuits are energized, an alarm buzzer will go off if the front panel is opened. To de-energize the product, all upstream breakers must be opened and the DELTA Pros must be unplugged. - IOT Reset Button and Indicator
This button can be used to turn on the Bluetooth hotspot for 5 minutes for the user to connect. If held down for 5 seconds, it will reset the Bluetooth and IOT connection. - Error Indicator
This light is normally off if no fault is present inside the SHP. It will turn red if there is any fault in the product. Users can go to the app for a fault diagnostic report and reach out to the customer support representative for help.
Note
For a relay module fault, only the faulted channel will be defaulted back to grid mode. For other types of faults, all channels may be defaulted to grid mode. - Power Station Pause/Resume Button
The pause button will physically isolate the 10 load circuits and lock the DELTA Pro. A signal will tell the DELTA Pros to stop output power.
Internal Features

- Output Wire Connectors
These are the wire connectors for output hot wires going to the load. - Communication Ports connecting to the key panel
- Relay Modules
The relay modules come in different current ratings, 6A, 13A, 16A, 20A and 30A. These modules contain two relays for each circuit as well as the overcurrent protection fuse. Each module can be individually replaced without affecting other circuits. - DELTA Pro Wire Connectors
These are the wire connectors for DELTA Pro. There is one hot wire and one neutral wire required for each DELTA Pro operation. At least one neutral wire has to be connected to the main panel even if no DELTA Pro is used. - Infinity Ports
The Infinity ports can be installed either on the front or the bottom of the product. Users can choose to switch the position of the Infinity ports. - Cooling Fan
The cooling fan is activated under extreme operating conditions to reduce the temperature inside the casing. - Ground Bus Bar
This is the ground bus bar, which should be connected to the ground bus bar in the main electrical panel. The panel casing is connected to this ground. - Input Wire Connectors
These are the wire connectors for hot wires coming from the circuit breakers. - Switching Connector for Single/Split Phase Operation
For split phase operation (only available in North America and Japan), this connector should be removed permanently from the product.
What’s in the Box

System Setup
Single Phase Setup (220V-240V)
Below illustrates a typical single-phase setup. SHP can be connected to the load center to provide backup power to ten 230V load circuits. All input wires should be routed through the bottom conduit into the SHP and output wires through the upper conduit. The whole system is single point grounded at the main load center.

Installation Steps
Preparation
Main purpose for the SHP is for users to be able to integrate DELTA Pro into the home for backup.
Some typical loads, which we recommend you to back up includes:
- Refrigerator
- Wall outlets in essential areas
- Lights in the living areas
- Wifi router or other essential communication devices
- Garage door opener
- Sump pump
- Essential entertainment devices
- Any other circuit that could make your life safer and more comfortable
Once you have determined the load circuits that you want to back up, you can fill out the table below. The numbering arrangement is the same as your SHP.
| Circuit | Original Phase | Name | Circuit | Original Phase | Name |
| 1 | 1 | 2 | 1 | ||
| 2 | 2 | ||||
| 3 | 1 | 4 | 1 | ||
| 2 | 2 | ||||
| 5 | 1 | 6 | 1 | ||
| 2 | 2 | ||||
| 7 | 1 | 8 | 1 | ||
| 2 | 2 | ||||
| 9 | 1 | 10 | 1 | ||
| 2 | 2 |
Load Calculation Example
The total DELTA Pro wattage (3600W for single Pro or 7200W for two Pros) should be greater than the total continuous running wattage of all backed up loads plus the largest start-up wattage.
| Circuit | Name | Wattage | Circuit | Name | Wattage |
| 1 | Refrigerator | 700W running | 2 | Bedroom Light | 500W |
| 2000W startup | 0W | ||||
| 3 | Kitchen Light | 200W | 4 | Living Room Light | 400W |
| 0W | 0W | ||||
| 5 | Kitchen Plug | 1400W | 6 | Bathroom Light | 300W |
| 1000W | 0W | ||||
| 7 | Bedroom Plug | 800W | 8 | Living Room Light | 1200W |
| 0W | 0W | ||||
| 9 | Sump Pump Plug | 700W | 10 | Furnace | 700W |
| 1000W | 1000W |
Total Running Load : 6900 W
Largest Estimated Simultaneous Running Load (LESRL) :2300 W
Largest Startup Wattage (LSW): 2000 W
Minimum Backup Power Needed = LESRL + LSW :4300 W (Two DELTA Pros)
Tools and Items Needed for Installation
Tools required
- Level
- Phillips head screwdriver, Torx T20 screwdriver and 7mm socket screwdriver
- Pliers
- Wire cutters
- Wire nuts
- Drill
- Conduit (1,1/4 inch and 1 inch), Conduit whip
- Wire harness
- Tape measure
- Multimeter
- Voltage detector
- Purchase a new double pole 30A circuit breaker or two single pole 30A circuit breaker
WARNING
Installation of this product involves high voltage. Please hire a licensed electrician to perform the installation work.
Installation
De-energize the system: When you are ready to start the installation work, turn off the main breaker as well as each branch circuit breaker intended to be connected. Use a voltage detector to make sure the system is completely de-energized before proceeding to the installation work.
NOTE
Before starting the installation work, the user should verify all wires inside the main unit, which come connected, are still firmly attached.
Installing the Relay Module
The relay modules come separate from the main unit. These modules include two switching relays and a fuse. The fuse is for load circuit protection in the backup mode only and therefore should match the current rating for the circuit breaker upstream of that load circuit. There are five standard ratings for the modules, 6A, 13A, 16A, 20A and 30A. Users should install these modules at the position corresponding to the load circuits that they plan to use it for according to the diagram below. The diagram below shows the module position corresponding to the circuit number.
There are 10 module mounting spaces inside the SHP as shown below. 4 out of the 10 channels
(channel 1-4) have a maximum of 30A current rating, the rest have a maximum 20A current rating. No load circuit larger than the maximum current rating for a channel should be connected. Once placed into position, two screws are used to secure the module into place.
It’s easier if the user knocks out the knockoffs on the side they want to use while it’s not yet installed onto the wall.
NOTE
The actual continuous current rating for the relay module is 80% of module rating. For example, for the 20A relay module, the continuous current rating is 20A × 0.8 = 16A
Relay Module Position

Install Relay Module

- Open the panel cover using the T20 screwdriver.
- Slide out the screw cover on top.
- Release the four screws one by one.

- Put the relay module in.
- Secure the relay module by tightening the two screws.
- Close the front panel, and secure the four screws.
- The Relay Module installation is complete.
Mounting
After you have placed the relay module inside and fastened the screws, attach both top and bottom mounting brackets to the SHP as shown below.
- Position the SHP center to center to your main panel. Please follow the local safe electrical clearance distance.

- Attach the top mounting bracket along the top edge of the mark on the wall. Make sure you also check the length of the flexible conduit.
- Hang the SHP up on the wall bracket.
- Secure the bottom mounting bracket to the wall.

Wiring
Wiring inside the Smart Home Panel
All wires come labeled in the box, 12 input wires, labeled “#1 in – #10 in” “Pro1 in, Pro2 in” connected to the circuit breakers, 10 output wires, labeled “#1 out – #10 out” connecting to the load hot wires, two neutral wires connecting to the neutral bus bar in the main panel and ground wire connecting to the ground bus bar in the main panel. Users should connect all input, output, neutral and grounds wire to their designated connectors inside the SHP.
NOTE
Two neutral wires and the ground wire must be connected to the main panel in order for the SHP to operate correctly and safely.
The maximum current for channels 1-4 is 30A. Maximum current for channels 5-10 is 20A. The current rating for each channel should not be exceeded. Please plan the load circuits appropriately. If a non-metallic conduit is used to connect between the main panel and SHP, a ground wire needs to be present inside each conduit. Additional ground wires can be connected between the ground bar inside the main panel and the SHP.
Wiring in the Load Center
- Turn off the main breaker as well as the 10 branch circuit breakers intended to be connected in the main panel and use a voltage detector to make sure the system is fully de-energized.
- Remove the front cover of the main panel. Keep in mind that the grid side of the main panel is still energized.
- Remove the knockouts that you want to use on both the SHP and the main load center.
- Attach both top and bottom conduit to the SHP and main load center.
- Pull all wires (Input, output, neutral and ground) from the SHP to the main load center.
- Connect the two neutral wires and the ground wire to the neutral and ground bus respectively. Cut them to the appropriate length before connecting.
- Remove the hot wire from the circuit breaker. Connect each load hot wire to the corresponding output wire from the SHP using wire nuts (for example, the output wire labeled “#1 out” means it’s the output for channel #1). Make sure it’s connected to the right number as planned.
- Connect the input wire, with the same number (for example, if you used “#1 out”, now you should find the red wire labeled “#1 in”), to the circuit breaker planned. Make sure you cut them to the appropriate length before connecting.
- Repeat step 7 & 8 for all 10 load circuits.
- Each charging circuit for DELTA Pro needs to feed off a single 30A breaker from the main panel to enable the fast charge function. If not available, 30A circuit breakers need to be purchased and installed. The wires corresponding to the PRO charging wires are labeled “PRO1 in” and “PRO2 in”. If the 30A breaker is not used, the correct current rating should be inputted into the app later on to prevent circuit breaker tripping from charging current.

System Commissioning and App Setup
After you have connected all wires accordingly, clean up all the wires and tie them using a wire harness. Close the front panel and tighten the screws to secure the door. Label the channel names accordingly on the SHP.
- Download the EcoFlow app from the App Store, Google Play Store or EcoFlow official site. Set up the account and sign in.
- Connect a DELTA Pro to the SHP without pressing the enable button.
- Press the IOT button to enable bluetooth connection. When the indicator light is flashing, it’s ready to pair with the EcoFlow App.
- Open the EcoFlow App and add the device from the “+” icon on the top right. Find the SHP and click the icon to pair. After bluetooth connection, you will be asked to choose the Wi-Fi and enter Wi-Fi password to finish Internet connection.
- For first time users, the app will lead through a commissioning process to setup the SHP. Simply follow the steps to complete the process. Once you have finished the commissioning process on the app, you are ready to energize the SHP.
- Press the enable button for the connected DELTA Pro, the power indicator should turn green. Watch for any abnormal sign and fault indication.
- If there is no sign of fault, turn the main breaker back on and then turn each branch circuit breaker back on one by one and watch for any fault indication.
- If the self-check reports any error, or if there is any error, please resolve the issue following the message shown on the App or contact our customer support from the Help Center in the App. You can leave your SHP as long as there is no indication of electrical or other type of sign for a fault. The default mode for SHP is grid power so it will not affect your use of power.
- If there is no sign of error, congratulations! You are ready to go!
WARNING
The SHP defaults to grid mode when without power, which means the load is automatically connected to the grid power if no power is supplied to the SHP or it’s started for the first time. Please make sure energization of load circuits do not endanger any person or incur any property damage before closing the main breaker.
APP
Control and monitor EcoFlow portable power stations and the SHP remotely. Download the EcoFlow app from the App Store or Google Play Store and set up the account.
Read the EcoFlow App user guide and access the download link here: https://ecoflow.com/pages/ecoflow-app
Privacy Policy
By using EcoFlow Products, Applications, and Services, you consent to the EcoFlow Terms of Use and Privacy Policy, which you can access via the “About” section of the “User” page on the EcoFlow App or the official EcoFlow website at https://ecoflow.com/pages/terms-of-use and https://ecoflow.com/pages/privacy-policy.
FAQ
- Can the SHP connect to a roof solar system, if yes, how?
There are a couple ways to do this. The SHP can work with an AC coupled roof solar panel system without any modification. For DC coupled solar panel system, currently, only portable solar panels with the correct output parameters can be connected to the system. - What’s the maximum number of DELTA Pros and extra batteries that can be connected to the SHP?
A maximum of 2 DELTA Pros and 4 extra batteries can be connected, with a total of 7200W output power and 21.6kWh of energy. - Can multiple smart panels be used at the same time in one house?
Yes. - Can I manually switch between grid power and backup power?
Yes. Through the use of the EcoFlow App. - How many circuits can SHP manage?
A maximum of 10 single phase circuits or 5 split phase circuits. - Is there any protection function in the SHP?
Yes. There is a relay based overcurrent protection system in both the grid and backup
mode. There is also a fuse for fault protection in the backup mode only. - Is there an AFCI function provided by the SHP?
No, an additional accessory needs to be purchased to house an AFCI breaker























