Autonics TCD220054AA AT8PMN Series Power Off Delay Analog Timers Instruction Manual
Thank you for choosing our Autonics product. Read and understand the instruction manual and manual thoroughly before using the product. For your safety, read and follow the below safety considerations before using. For your safety, read and follow the considerations written in the instruction manual, other manuals and Autonics website. Keep this instruction manual in a place where you can find easily. The specifications, dimensions, etc. are subject to change without notice for product improvement. Some models may be discontinued without notice. Follow Autonics website for the latest information.
Safety Considerations
- Observe all ‘Safety Considerations’ for safe and proper operation to avoid hazar
- symbol indicates caution due to special circumstances in which hazards may occur.
Warning Failure to follow instructions may result in serious injury or death.
- Fail-safe device must be installed when using the unit with machinery that may cause serious injury or substantial economic loss. (e.g. nuclear power control, medical equipment, ships, vehicles, railways, aircraft, combustion apparatus, safety equipment, crime/disaster prevention devices, etc.) Failure to follow this instruction may result in personal injury, economic loss or fire.
- Do not use the unit in the place where flammable/explosive/corrosive gas, high humidity, direct sunlight, radiant heat, vibration, impact or salinity may be present. Failure to follow this instruction may result in explosion or fire.
- Install on a device panel to use. Failure to follow this instruction may result in fire or electric shock.
- Do not connect, repair, or inspect the unit while connected to a power source. Failure to follow this instruction may result in fire or electric shock.
- Check ‘Connections’ before wiring. Failure to follow this instruction may result in fire.
- Do not disassemble or modify the unit Failure to follow this instruction may result in fire or electric shock.
Caution Failure to follow instructions may result in injury or product damage.
- Use the unit within the rated specifications. Failure to follow this instruction may result in fire or product damage.
- Use a dry cloth to clean the unit, and do not use water or organic solvent Failure to follow this instruction may result in fire or electric shock.
- Keep the product away from metal chip, dust, and wire residue which flow into the unit. Failure to follow this instruction may result in fire or product damage.
Cautions during Use
- Follow instructions in ‘Cautions during Use’. Otherwise, it may cause unexpected accidents.
- Power supply should be insulated and limited voltage/current or Class2, SELV power supply device.
- The time of min. power supply is 0.1 sec for SEC unit model, and 2 sec for MIN unit model. The operation of timer begins after turning off the power.
- When supplying or turning off the power, use a switch or etc. to avoid chattering.
- Install a power switch or circuit breaker in the easily accessible place for supplying or disconnecting the power.
- After turning off the power, change the time range, etc.
- Keep away from high voltage lines or power lines to prevent inductive noise. In case installing power line and input signal line closely, use line filter or varistor at power line and shielded wire at input signal line. Do not use near the equipment which generates strong magnetic force or high frequency noise.
- This unit may be used in the following environments.
- Indoors (in the environment condition rated in ‘Specifications’)
- Altitude max. 2,000 m
- Pollution degree 2
- Installation category II
Ordering Information
This is only for reference. For selecting the specified model, follow the Autonics website.![]()
- Time unit SN: SEC MN: MIN
- Power supply No mark: 200 – 240 VAC— 50 / 60 Hz 2:24 VAC— 50 / 60 Hz, 24 VDC= 6: 100 -120 VAC— 50 / 60 Hz 7: 100 / 110 VDC=
Product Components
Product (+ bracket)
Sold Separately
8-pin socket: PG-08, PS-08(N)
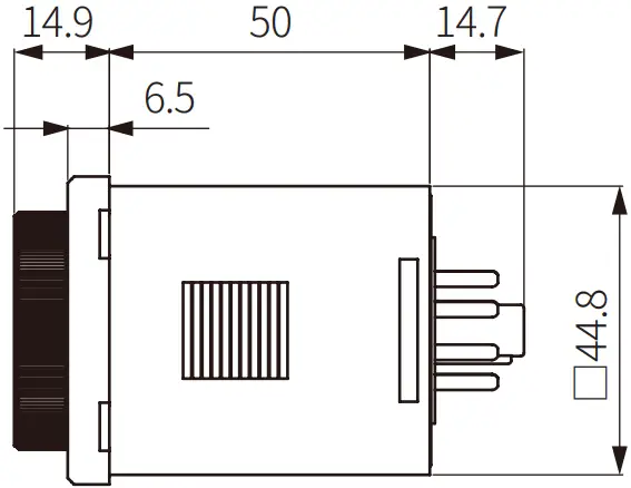
Dimensions
Unit: mm, For the detailed drawings, follow the Autonics website


BRACKET


PANEL CUT-OUT

UNIT DESCRIPTIONS

| No. | Name |
| 1 | Power indicator |
| 2 | Output return indicator |
| 3 | Time range display part |
| 4 | Time range setting switch |
| 5 | Time unit display part |
| 6 | Dial for the time setting |
CONNECTIONS

OPERATION TIMING CHART
A contact will be ON simultaneously when supplying the power. The a contact will be OFF after T is passed. Memory retention function: Even though the setting time is changed after turning off the power, the time limit a contact will be OFF after the previous setting time.

SPECIFICATIONS
| Model | AT8P□ | AT8P□-2 | AT8P□-6 | AT8P□-7 |
| Function | Power OFF Delay | |||
| Time operation | Power OFF Start | |||
| Control output | Relay | |||
| Contact type | Time limit DPDT (2c) | |||
| Contact capacity | 250 VACᜠ 3 A, 30 VDCᜡ 3 A resistive load | |||
Error | Repeat: ≤ ± 0.2% ± 10 ms SET: ≤ ± 5% ± 50 msVoltage: ≤ ± 0.5% Temp.: ≤ ± 2% | |||
| Approval | ᜢ ᜧ ᜫ | |||
| Unit weight | ≈ 100 g | |||
| Power supply | 200 – 240 VACᜠ± 10%,50 / 60 Hz | 24VACᜠ±10%50/60Hz,24VDCᜡ±10% | 100 – 120 VACᜠ± 10%,50 / 60 Hz | 100 / 110 VDCᜡ± 10% |
| Power consumption | AC: ≤ 1.5 VA | AC: ≤ 0.2 VA DC: ≤ 0.2 W | AC: ≤ 1.5 VA | DC: ≤ 0.8 W |
| Insulation resistive | ≥ 100 MΩ (500 VDCᜡ megger) | |||
| Dielectric strength | 2,000 VACᜠ at 50 / 60 Hz for 1 min | |||
| Noise immunity | ± 2 kV square-wave noise by noise simulator (pulse width 1 ㎲) | |||
| Vibration | 0.75 mm double amplitude at frequency of 10 to 55 Hz (for 1 min) in each X, Y, Z direction for 1 hour | |||
| Vibration (malfunction) | 0.5 mm double amplitude at frequency of 10 to 55 Hz (for 1 min) in each X, Y, Z direction for 10 min | |||
| Shock | 300 m/s2(≈ 30 G) in each X, Y, Z direction for 3 times | |||
| Shock (malfunction) | 100 m/s2(≈ 10 G) In each X, Y, Z direction for 3 times | |||
| Relay life cycle | Mechanical: ≥ 10,000,000 operations Electrical: ≥ 100,000 operations (250 VACᜠ 3 A resistive load) | |||
| Ambient temperature | -10 to 55 ℃, storage: -25 to 65 ℃ (no freezing or condensation) | |||
| Ambient humidity | 35 to 85%RH, storage: 35 to 85%RH (no freezing or condensation) | |||

















