H-4122 36 x 16″ SHORT/EXTRA NARROW PALLET TRUCK
1-800-295-5510
uline.com

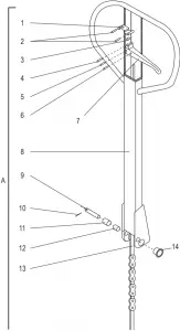
FRAME DIAGRAM

FRAME DIAGRAM PARTS LIST
| # | DESCRIPTION | QTY. | ULINE PART NO. | MFG. PART NO. |
| 1 | Handle | 1 | H-1043-SHC | B1 |
| 2 | Pump | 1 | H-4122-B2 | BFZ2000/406X900MMPUMP |
| 3 | Bolt | 1 | H-1365-B3 | B3 |
| 4 | Bearing | 1 | H-1365-B4 | B4 |
| 5 | Supporting Base | 1 | H-4122-B5 | BFZ SUPPORTING BASE |
| 6 | Spring Pin | 2 | H-1365-B6 | B6 |
| 7 | Retaining Ring for Axle | 1 | H-1043-B7 | B7 |
| 8 | Big (Steering) Wheel with Bearings | 2 | H-4122-STEER | 8&9BFZ2000/406X900MMSPU |
| 9 | Bearing | 8 | H-1043-B9 | B9 |
| 10 | Big (Steering) Wheel Hardware Kit Includes: • Half Cirque (4) • Bowl Washer (2) • Retaining Ring for Axle (2) • Dust Cover (2) 1 | 1 | H-6017 | B10-B13 |
| 14 | Pin | 2 | H-1043-B14 | B14 |
| 15 | Spring Pin | 2 | H-1483-B16 | B16 |
| 16 | Joint | 2 | H-1483-B17 | B17 |
| 17 | Pin | 2 | H-1043-B18 | B18 |
| 18 | Straight Tappet | 2 | H-4122-B19 | BFZ-B19 |
| 19 | Long Shaft | 1 | ——- | BFZ-B20 |
| 20 | Retaining Ring for Hole | 2 | H-1043-B21 | B21 |
| 21 | Oiler | 4 | H-1043-B22 | B22 |
| 22 | Spring Pin | 8 | H-5632 | BF2500-B24X8 |
| 23 | Shaft | 2 | H-1043-25 | B25 |
| 24 | Shaft | 2 | ——- | BFZ-B26 |
| 25 | Spring Pin | 8 | H-5631 | BF2500-B27X8 |
| 26 | Shaft | 2 | H-1483-B29 | B29 |
| 27 | Frame of Fork (load) Wheel | 2 | ——- | BFZ-B40 |
| 28 | Fork (Load) Wheel | 2 | H-4122-WHEEL | 35BFZ2000/406X900MMSPU |
| 29 | Fork Frame | 1 | ——- | BFZ-B40 |
| 30 | Spring Lock Washer | 1 | H-1043-B41 | B41 |
| 31 | Bolt | 1 | H-1043-B42 | B42 |
| 32 | Rocker Arm | 1 | ——- | BFZ-B43 |
| 33 | Nut | 1 | H-1366-B44 | B44 |
| 34 | Big Spring | 1 | H-1483-B149 | B149 |
| 35 | Spring Pin | 1 | H-1043-B117 | B117 |
| 36 | Shaft | 1 | H-1043-B118 | B118 |
| 37 | Big (Steering) Wheel Shaft | 1 | H-1366-B2 | B2 |
| Pallet Truck Pump Seal Kit (Not Shown) | 1 | H-4182 | ——- | |
| Pump Compression Spring (Not Shown) | 1 | H-1043PCS | ——- | |
| Weight Label (Not Shown) | 1 | H-5696 | ——- |
HANDLE DIAGRAM

HANDLE DIAGRAM PARTS LIST
| # | DESCRIPTION | QTY. | ULINE PART NO. | MFG. PART NO. |
| A | Handle Assembly | 1 | H-1043-SHC | B1 |
| 1 | Blade Spring | 1 | H-1366-B101 | B101 |
| 2 | Spring Pin | 2 | H-2721-B102 | B102 |
| 3 | Roller | 1 | H-2721-B103 | B103 |
| 4 | Spring Pin | 1 | H-2721-B104 | B104 |
| 5 | Spring Pin | 1 | H-2721-B105 | B105 |
| 6 | Spring Pin | 1 | H-2721-B106 | B106 |
| 7 | Handle | 1 | ———- | B107 |
| 8 | Handle Tube | 1 | ———- | B108 |
| 9 | Shaft | 1 | H-1043-109 | B109 |
| 10 | Spring Pin | 1 | H-1043-B110 | B110 |
| 11 | Pressure Roller | 1 | H-1043-B111 | B111 |
| 12 | Bushing | 1 | H-1043-B112 | B112 |
| 13 | Pull Pole Assembly | 1 | H-1043-B113 | H-1043-B113+B115+B116ASSEMBLY |
| 14 | Bushing | 2 | H-1043-B114 | B114 |
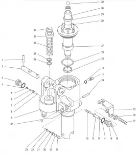
PUMP DIAGRAM

PUMP DIAGRAM PARTS LIST
| # | DESCRIPTION | QTY. | ULINE PART NO. | MFG. PART NO. |
| 1 | Spring Pin | 2 | H-1043-B117 | B117 |
| 2 | Shaft | 1 | H-1043-B118 | B118 |
| 3 | Plug | 1 | H-1483-B119 | B119 |
| 4 | Copper Washer | 1 | H-1043-120 | B120 |
| 5 | Spring | 1 | H-1483-B121 | B121 |
| 6 | Spindle of Damping Valve | 1 | H-1193-B122 | B122 |
| 7 | Seat of Damping Valve | 1 | H-1193-B123 | B123 |
| 8 | Steel Ball | 1 | H-2721-B124 | B124 |
| 9 | Base | 1 | ——— | B125 |
| 10 | Copper Washer | 2 | H-1043-B126 | B126 |
| 11 | Bolt | 2 | H-1043-B127 | B127 |
| 12 | Spring | 1 | H-1193-B128 | B128 |
| 13 | Strike Pin | 1 | H-1193-B129 | B129 |
| 14 | O-Ring | 1 | H-1193-B130 | B130 |
| 15 | Axle Sleeve | 1 | H-1043-B131 | B131 |
| 16 | O-Ring | 1 | ——— | B132 |
| 17 | Bolt (Setting Screw) | 1 | H-1043-B133 | B133 |
| 18 | Nut (Setting Screw Nut) | 1 | H-1043-B134 | B134 |
| 19 | Lever | 1 | H-1043-B135 | B135 |
| 20 | Bolt | 1 | H-1043-B136 | B136 |
| 21 | Spring | 1 | H-2721-B137 | B137 |
| 22 | Ball Base | 1 | H-1782-B138 | B138 |
| 23 | Steel Ball | 1 | H-1782-B139 | B139 |
| 24 | Pin | 1 | H-1043-B140 | B140 |
| 25 | Y-Ring | 1 | H-1043-B141 | B141 |
| 26 | O-Ring | 1 | H-1043-B142 | B142 |
| 27 | Cylinder Cap | 1 | H-1043-B143 | B143 |
| 28 | O-Ring | 1 | H-1043-B144 | B144 |
| 29 | Dust Ring | 1 | H-1043-B145 | B145 |
| 30 | Steel Ball | 1 | H-1043-B146N | B146 |
| 31 | Pump Plunger | 1 | H-1366-B147 | B147 |
| 32 | Washer | 1 | ——— | B148 |
| 33 | Big Spring | 1 | H-1483-B149 | B149 |
| 34 | Dust Ring | 1 | H-1043-B150 | B150 |
| 35 | Y-Ring | 1 | H-1043-B151 | B151 |
| 36 | Piston Rod | 1 | H-1043-B152 | B152 |
| 37 | Retaining Ring for Axle | 1 | ——— | B153 |
0721 PH-4122



















