HWP30N Forced Circulation Heater
User Manual

HWP30N/HWP40N FORCED CIRCULATION HEATER
USER MANUAL
SmartGen — make your generator smart
SmartGen Technology Co., Ltd.
No.28 Jinsuo Road, Zhengzhou, Henan Province, China
Tel: +86-371-67988888/67981888/67992951
+86-371-67981000(overseas)
Fax: +86-371-67992952
Web: www.smartgen.com.cn/
www.smartgen.cn/
Email: [email protected]
All rights reserved. No part of this publication may be reproduced in any material form (including photocopying or storing in any medium by electronic means or other) without the written permission of the copyright holder.
Applications for the copyright holder’s written permission to reproduce any part of this publication should be addressed to SmartGen Technology at the address above.
Any reference to trademarked product names used within this publication is owned by their respective companies.
SmartGen reserves the right to change the contents of this document without prior notice.
Table 1 Software Version
Date | Version | Note |
| 2019-09-07 | 1.0 | Original release. |
| 2020-08-07 | 1.1 | Modify the product appearance figure. |
| 2020-12-11 | 1.2 | 1. Add the power on manual and auto modes, save the work mode before power off; add the indicator introductions of temperature, voltage, running time, and power consumption; optimize the words and punctuations; 2. Modify the product weight. |
| 2021-01-26 | 1.3 | 1. Add the model HWP30N; 2. Modify the figure of the pagoda header. |
| 2021-04-26 | 1.4 | 1. Change the water drain valve; 2. Change the water drain valve drawing. |
| 2021-09-16 | 1.5 | Optimize the figures of the Installation Logic Diagram, Installation Side Schematic and Overall Dimensions. |
| 2022-08-05 | 1.6 | Change wiring way, cover picture, installation logic diagram, installation position diagram, operation panel diagram, wiring diagram, case dimensions, and add maintenance description. |
OVERVIEW
HWP30N/HWP40N is a smart forced circulation water heater of an engine. When engine operation temperature is below 4ºC, engine liquid coolant/lubricating oil may be coagulated to a solid state in starting phase and lose lubrication or cooling effects, so that it may damage the engine. Therefore, a heater shall be installed for the engine to ensure normal starting and running.
It has a lamp indication function, which can indicate all kinds of heater statuses. The heating temperature can be set by users, and dry burning prevention and overheating protection are fitted.
This product is suitable for various engines with (15~30)L displacement.
PERFORMANCE AND CHARACTERISTICS
- Microprocessor design is applied for the control part, and precise temperature sampling and heating temperature can be set from the control panel.
- A 4-bit digital tube display is applied, which can display current coolant temperature, user-defined temperature, accumulated running time, accumulated energy consumption, current-voltage parameters, etc.
- The water flow sensor is fitted, which can quickly detect shortage of water, pipe gas gathering, pipe clog, in order to prevent the heater from dry burning, gas gathering, etc. unhealthy phenomenon.
- The circulation pump and heater are controlled separately; the water pump is firstly started before heating, and then the heater starts after a delay of 5s; when it reaches pre-set temperature point, the heater power is disconnected immediately; then the water pump power is cut off after delaying for the 60s; this is to prevent heat gathering so that it can prolong pump life.
- A manual test function is fitted, which can check whether the heating body and water pump are able to operate normally through the panel button.
- Fine cast aluminum material is used for the heater shell. Stainless steel inner heating pipes. A water drain valve is fitted at the bottom of the heater, which can be used on demand.
- This product can work normally at -40ºC temperature.
SPECIFICATION
Table 2 Parameter Specification
| Type | HWP30N | HWP40N |
| Rated Power | 3000W | 4000W |
| Rated Voltage | AC 240V | |
| Rated Current | 12.5A | 16.7A |
| Phase | Single phase | |
| Engine Displacement | 13~20L | 20~30L |
| Thermostat Range | Off: (5~70)ºC On: (0~65)ºC | |
| Default Thermostat Range | Off: (40±2)ºC On: (25±2)ºC | |
| Overheating Thermostat Range | Off: (95±3)ºC On: Manual | |
| Insulating Resistance | ≥50MΩ | |
| Electrical Strength | AC 1.5kV 1min | |
| Inlet/Outlet Size | G 3/4 Internal thread (Selectable Ф19.5mm Pagoda header or G 3/4 External thread) | |
| Max. Water Pressure | 0.5MPa | |
| Pump Flow Velocity | 40L/min (1.5m of lift) | |
| Protection Level | IP44 | |
| Vibration Resistance | (5~8)Hz Amplitude±7.5mm Triaxial (8~500)Hza=2g Triaxial | |
| Shock Resistance | Half-sine Wave; apeak=50g; Triaxial | |
| Working Temperature | -40ºC~+70ºC | |
| Storage Temperature | -40ºC~+80ºC | |
| Case Dimensions | 414mm×175mm×116mm | |
| Weight (include accessories) | 5.3kg | |
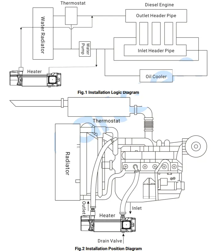
HEATER INSTALLATION
Please install the heater vertically according to the diagram before use. Pay attention to the direction of the heater inlet and outlet, and ensure that the heater position is below the lowest water level of the engine and that all the air is exhausted out of the heater. Perfuse the heater with coolant.

Fig.3 Incorrect Pipe Connection Methods
NOTE: If there is a W-shaped bend or reverse U-shaped bend during pipe connection, the air accumulated in the pipe cannot be discharged normally, resulting in the liquid cannot be circulated properly. The air dissolved in the liquid will be precipitated during heating and retained in the bend, so on the condition of an unsmoothed pipeline, even if by the manual exhaust, it will repeat in the next heating process of air collection. To ensure that smooth liquid circulation, the hosepipe with an inner diameter of more than 20mm and pipe joints with an inner diameter of more than 15mm should be selected.
OPERATING INSTRUCTIONS
5.1 BUTTON DESCRIPTION
Table 3 Button Descriptions
Button | Definition | Description |
| Heating | Press and if the coolant temperature is below the set cut-off temperature, the heater will transfer to auto status; If the coolant temperature is above the set cut-off temperature, the heater works for 15s and enters auto status after commissioning. | |
| Stop | Press and heater will stop. | |
| Set | Press and enter the parameter setting menu. | |
| Up | Display the last digital cube content and do value adjustments. | |
| Down | Display the next digital cube content and do value adjustments. |
5.2 INDICATOR DESCRIPTION
Sign | Definition | Description |
| Alarm | Alarm indicator | When the lamp is illuminated, heater fault occurs, and please decide fault type according to the fault code of the digital cube. |
| Auto/Heat | Auto/Heating | The heater is in the auto state when it is flashing; it is in the heating state when the lamp is always illuminated. |
| Stop | Stop indicator | The heater is in a stop state when the lamp is illuminated. |
| ºC | Temp. indicator | They are used to indicate the type of value displayed on the main interface; after entering the password on the display interface, press the up button or down button, and the running time indicator or power consumption indicator is illuminated; when the parameter value interface, the calibration serial number interface, the software version interface, and the enter password interface, the four indicators flash 0.5s once. |
| V | Volt. Indicator | |
| 10xHour | Running time indicator | |
| 10xkWh | Power consumption indicator |
5.3 DISPLAY ILLUSTRATION
Table 5 Display Illustration
Sign | Definition | Description |
| Cut-off Temperature | The set value of target temperature. | |
| Reset Temperature | The set value of reset temperature. | |
| Current Voltage Value | It is current power voltage when V indicator is light on. | |
| Accumulated Running Time | It is total running time when the 10×Hour indicator is light on; the unit is an hour, detailed hours are the displayed number x10; e.g. displayed number is 1234, and the actual hours are 12340. | |
| Accumulated Energy Consumption | It is total energy consumption when the 10×kWh indicator is light on; unit is kWh; detailed kWh is the displayed number x10; e.g. displayed number is 456.7, and the actual kWh is 4567. | |
| Dry Burning Temperature Sensor Enable | 00: Disable; 01: Enable. | |
| Voltage Protection Enable | 00: Disable;01: Enable. | |
| Start Mode | 00: Power on manual start mode; 01: Power on auto start mode; 02: Keep the work mode before power off. |
5.4 FAULT CODE Sign
Table 6 – Fault Code
Sign | Definition | Description |
| Fault Code 1 | Dry burning/water shortage protection. | |
| Fault Code 2 | Water temperature sensor open circuit. | |
| Fault Code 3 | Dry burning temperature sensor open circuit. | |
| Over Voltage | Enters standby status when the input voltage is over 264V. | |
| Under Voltage | Enters standby status when the input voltage is over 200V. |
5.5 OPERATION PANEL
5.6 OPERATION DESCRIPTION
5.6.1 PARAMETER CHECK
Press
and
to switches over the digital cube display and do value adjustment.
5.6.2 COMMISSIONING
If water temperature is above pre-set reset temperature, press
and heater will enter commissioning status, and it will transfer to auto status after heating for 10s.
5.6.3 PARAMETER SETTING
Press
and enter the parameter setting menu, and it will display
(H means the set temperature is a cut-off temperature value, 40ºC is only an example). Press again
to enter the setting,
and
adjust values by and . Press
again to move or confirm. Press
and it will go back to the main menu. It will also return back to the first page if there is no operation within 1 minute.
USE AND MAINTENANCE
- After it is connected with power, the heater is at a stop state. Press Auto/Heat and make the heater enter working status.
- When it needs to be checked/fixed or change pipe or some part, press Stop and make the heater enter stop status.
- Before starting please confirm whether the heater is fully filled with coolant and make gas in the pipe exhausted by the vent valve.
- It is strongly suggested to use antifreeze with a corresponding mark number.
- If ordinary water is used, users must drain the water after stopping when the environment temperature is below 0ºC, in order to prevent the water in the heater from getting frozen and resulting in heater fracture.
- GND wire must be earth connected.
- Drain valve: Can be opened or closed using a hexagonal wrench, adjustable wrench, or a cross screwdriver.

Common Faults and Solutions:
- Overheat protection:
a. Check the valve to assure whether it is opened and whether the heater is full of water;
b. Check whether the hosepipe has an obvious W-shaped or reverse U-shaped trend and whether there is an obvious hot and cold alternating area. Solutions: Shorten the hosepipe length and optimize the hosepipe trend. - High water outlet temperature: It occurs when the hosepipe is too long, both the inner diameter of the hosepipe and the inner diameter of the fitting joints are too small, as well as the water flow is not smooth so the heat cannot be transferred properly. Solutions: Shorten the hosepipe length, using the hose with an inner diameter of more than 20mm, and the connectors with an inner diameter of more than 15mm.
- Cannot reach the preheating temperature:
a. The heater power is not enough;
b. The cable of the power supply is too long and results in the dividing resistance of the cable.
Solutions:
- Replace the heater whose power matches the engine;
- Shorten the power cable as possible and increase the cable diameter.
CASE DIMENSIONS

NOTE: All the inlets/outlet connectors are internal thread G 3/4.
PACKING LIST
Table 7 Pack List
| No. | Name/Model | Number for one unit |
| 1 | Product | 1 |
| 2 | Stand | 2 |
| 3 | Flat Gasket GB/T 95 8 | 8 |
| 4 | Spring Washer GB/T 93 8 | 8 |
| 5 | Hexagon Nut GB/T 41 M8 | 8 |
| 6 | Hexagon Slot GB/T 5783 M8×40 | 8 |
| 7 | User Manual | 1 |
Table 8 Water Gate Accessories
| No. | Name/Model | Number for one unit |
| 1 | Ф19.5mm Pagoda Joint | 2 |
| 2 | G 3/4 Stainless Steel Nipple | 2 |
| 3 | ED Sealing Gasket | 2 |

HWP30N/HWP40N Forced Circulation Heater
User Manual


















