SmartGen HT05M Engine Water Heater

Chinese trademark
English trademark
SmartGen — make your generator smart
SmartGen Technology Co., Ltd.
No.28 Jinsuo Road, Zhengzhou, Henan Province, China
Tel: +86-371-67988888/67981888/67992951
+86-371-67981000(overseas)
Fax: +86-371-67992952
Email: [email protected]
Web: www.smartgen.com.cn / www.smartgen.cn
All rights reserved. No part of this publication may be reproduced in any material form (including photocopying or storing in any medium by electronic means or other) without the written permission of the copyright holder.
Applications for the copyright holder’s written permission to reproduce any part of this publication should be addressed to Smartgen Technology at the address above.
Any reference to trademarked product names used within this publication is owned by their respective companies.
SmartGen Technology reserves the right to change the contents of this document without prior notice.
| Date | Version | Note |
| 2018-03-23 | 1.0 | Original release. |
| 2018-05-31 | 1.1 | Combined installation instruction and overall dimensions into one drawing; modified technical parameters table; modified front foil drawing. |
| 2020-03-21 | 1.2 | Fixed temperature unit. |
| 2020-08-20 | 1.4 | Added product model HT05M, modified the technical parameter “Off/Reset Temperature” of HT10M-2, HT22M-2. |
| 2020-12-03 | 1.5 | Modified the product weight. |
| 2021-04-26 | 1.6 |
|
| 2021-09-16 | 1.7 | Optimize the Heater Operating Schematic Diagram and the Heater Position Diagram. |
| 2022-04-18 | 1.8 | Added the description of precautions for pipeline installation. |
OVERVIEW
HT Series Water Heater enjoys wide application on various engine coolant preheaters. It has fine cast aluminum enclosure and self-extinguishing engineering plastics end closure, multiple installation ways and easy and convenient use.
If during cranking the outside temperature is lower than 4℃ engine coolant and lubricant may condense into solid state and lose their lubricating and cooling properties, which can damage the engine.
Engine heater should be installed to ensure normal starting and running of the engine when the outside temperature is lower than 4℃.
HT Series Water Heater combines the following features: cast stainless steel inner pipes and end closure with high corrosion resistance; power, heating and overheat protection light indicators; 3 kinds of heaters with different heating temperature are optional (Standard heater: 40℃; 50℃ and 60℃ heaters are needed to be customized).
This product is suitable for various engine with (0~13)L displacement.
Please login our company’s official website (www.smartgen.com.cn) to select heaters.
PERFORMANCE AND CHARACTERISTICS
- Fine cast aluminum enclosure and special surface treatment with high corrosion resistance and high/low temperature capability;
- Stainless steel inner pipes and end closure with high corrosion resistance;
- Coolant temperature is controlled by thermostat which is installed within the heater. It has simple connections and high reliability;
- Power, heating and overheat protection light indicators make it easy to observe the heater status;
- There is a water drain valve with seal ring on the bottom of the heater so as to be used when needed;
- Users can press “Test” button to test-run the machine in the extremely high ambient temperature;
- Overheating thermostat provides the protection of dry heating and overheating;
- Multiple installation ways apply to different installation situations;
- This product can work normally at -25℃ temperature.
TECHNICAL PARAMETERS
Table 2 – Technical Parameters
| Items | Description | ||||||
| Model | HT05M | HT10M | HT22M | HT10M-1 | HT22M-1 | HT10M-2 | HT22M-2 |
| Rated Power | 595W (220V 500W) | 1190W (220V 1000W) | 2200W (220V 1850W) | 1190W (220V 1000W) | 2200W (220V 1850W) | 1190W (220V 1000W) | 2200W (220V 1850W) |
| Rated Voltage | AC240V | ||||||
| Rated Current | 2.5A | 5A | 9.2A | 5A | 9.2A | 5A | 9.2A |
| Engine Displacement (L) | 0~2.5 | 2.5~7 | 7~13 | 2.5~7 | 7~13 | 2.5~7 | 7~13 |
| Thermostat Set Point | (40±3 )℃ | (50±3 )℃ | (60±3 )℃ | ||||
| Thermostat Range | Off: (40±3)℃ Reset: (25±6)℃ | Off: (50±3)℃ Reset: (35±6)℃ | Off: (60±3)℃ Reset: (45±6)℃ | ||||
| Overheating Thermostat Range | Off: (110±3)℃ Reset: Manual (≤95℃) | ||||||
| Insulating Resistance | ≥50MΩ | ||||||
| Electrical Strength | AC 1.5kV 1min | ||||||
| Inlet/Outlet Size | 3/4″(Ф19mm) | ||||||
| Max. Water Pressure | 0.5MPa | ||||||
| Protection Level | IP54 | ||||||
| Vibration Resistance | (5~8)Hz Amplitude±7.5mm Triaxial (8~500)Hz a=2g Triaxial | ||||||
| Shock Resistance | Half-sine Wave; apeak=50g; Triaxial | ||||||
| Working Temperature | -25℃~+70℃ | ||||||
| Storage Temperature | -30℃~+70℃ | ||||||
| Case Dimensions | 208mm×150mm×177mm | ||||||
| Weight(include accessories) | 1.9kg | ||||||
INDICATOR

OPERATION
TEST RUNNING
If the heater is not heating and the overheat protection light is not on, users can press “Test” button to perform the test-run operation.
RESET OVERHEAT PROTECTION
When overheat alarm indicator is on, heater will enter into overheat protection status and stop heating. If heater temperature falls below the reset temperature limit of overheat protection thermostat (95℃), users need to press reset button and heater enters into auto mode again.
WIRE CONNECTION
The supplied power cable is 1.2 m long. Please follow the back cover application diagram when wiring; earth line must be soundly connected to earth.
In the above diagram: L–Phase line (Red), N-Neutral line (Green), E-Earth line (Yellow).
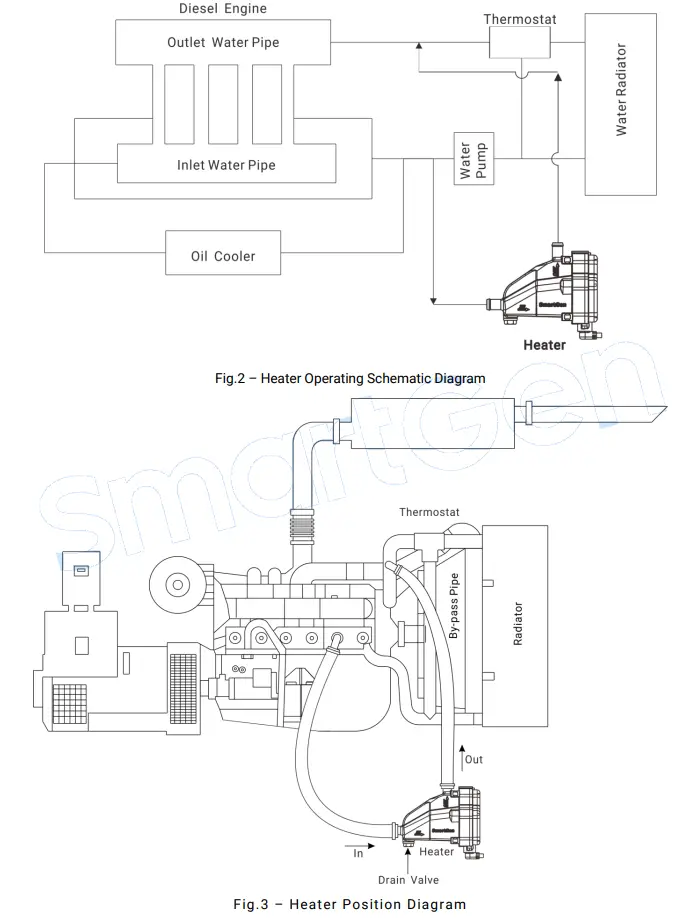
HEATER CONNECTION
Please install the heater vertically according to the diagram before use. Paying attention to direction of heater inlet and outlet, and ensure that the heater position is below the lowest water lever of the engine and that all the air is exhausted out of the heater and it is topped off with coolant.



INSTALLATION AND OVERALL DIMENSIONS

CAUTION
Before starting the machine, ensure that all the air is exhausted out of the heater and it is topped off with coolant. If water is used, please drain it off when engine is stopped to avoid internal corrosion.
Otherwise, the remaining water freezes when temperature is lower than 0℃, which can damage the enclosure. Using tap water or river water will scale the surface of heating pipe and shorten the using life of the heater.
Corresponding antifreeze is strongly recommended.
Earth line must be soundly connected to earth.
Drain valve: Can be opened or closed using hexagonal wrench, adjustable wrench, or a crossscrewdriver.

Common Faults and Solutions:
- Overheat protection:
a. Check the valve to assure whether it is opened and whether the heater is full of water;
b. Check whether the hosepipe has an obvious W-shaped or reverse U-shaped trend, and whether there is an obvious hot and cold alternating area;
Solutions: Shorten the hosepipe length and optimize the hosepipe trend; - High water outlet temperature: under normal circumstances, the outlet temperature is about 70℃. It occurs when the hosepipe is too long, both the inner diameter of the hosepipe and the inner diameter of the fitting joints are too small, as well as the water flow is not smooth so that the heat cannot be transferred properly.
Solutions: Shorten the hosepipe length, using the hose with an inner diameter of more than 20mm, and the connectors with an inner diameter of more than 15mm. - Unable to reach the preheating temperature:
a. The heater power is not enough;
b. The cable of the power supply is too long and result in dividing resistance of the cable;
Solutions:
- Replace the heater whose power matches the engine;
- Shorten the power cable as possible and increase the cable diameter.
HEATER PACKING LIST
Table 3 – Packing List
| No. | Name | Number | Remarks |
| 1 | Heater | 1 | |
| 2 | Bracket | 1 | |
| 3 | Flat gasket | 4 | GB/T 95 6 |
| 4 | Spring washer | 4 | GB/T 93 6 |
| 5 | Hexagon nut | 4 | GB/T 6170 M6 |
| 6 | Hexagon screws | 4 | GB/T 5783 M6×25 |
| 7 | Hose clamps | 4 | Φ 18 – Φ33 |
| 8 | User Manual | 1 |



















