HT310/HT322
ENGINE WATER HEATER
USER MANUAL
SMART GUN(ZHENGZHOU) TECHNOLOGY CO., LTD
All rights reserved. No part of this publication may be reproduced in any material form (including photocopying or storing in any medium by electronic means or other) without the written permission of the copyright holder.
Applications for the copyright holder’s written permission to reproduce any part of this publication should be addressed to SmartGen Technology at the address above.
Any reference to trademarked product names used within this publication is owned by their respective companies.
SmartGen Technology reserves the right to change the contents of this document without prior notice.
Table 1 – Software Version
| Date | Version | Note |
| 2021-02-28 | 1.0 | Original release. |
| 2021-05-31 | 1.1 | Remove nuts, screws, flat gasket, and spring washer, and change the hose clamps number from 4 to 2 in the packing list. |
| 2022-08-31 | 1.1 | Update company logo and manual format. |
OVERVIEW
HT310/HT322 Engine Water Heater is applied to various engine coolant preheating for its fine cast aluminum enclosure, flame-retardant engineering plastics end closure, and multiple installation methods, which is easy and convenient to use.
If the outside temperature is lower than 4ºC, the engine coolant and lubricant may condense into a solid state, losing their lubrication and cooling properties during cranking, which will damage the engine.
Thereby, an engine heater should be installed to ensure normal starting and running of the engine when the outside temperature is lower than 4ºC. This product is suitable for various engines with (0~13)L displacement.
Please login in and visit our company’s official website (www.smartgen.com.cn) to select heaters.
PERFORMANCE AND CHARACTERISTICS
- Fine cast aluminum enclosure and special surface treatment with high corrosion resistance and high/low-temperature capability;
- Stainless steel inner heating pipes with high corrosion resistance;
- Coolant temperature is controlled by a thermostat which is installed within the heater. It has simple connections and high reliability;
- There is a water drain valve with a seal ring on the bottom of the heater so as to be used when needed;
- Auger-type heating pipe design, larger surface area, and longer service life;
- This product can work normally at -40ºC temperature.
TECHNICAL PARAMETERS
Table 2 – Technical Parameters
| Model | HT310 | HT322 |
| Rated Power | 1190W(220V 1000W) | 2200W(220V 1850W) |
| Rated Voltage | 240V | |
| Rated Current | 5A | 9.2A |
| Engine Displacement (L) | (0-7)L | (7-13)L |
| Thermostat Set Point | (40±3)°C | |
| Thermostat Range | Off: (40±3)°C Reset: (25±6)°C | |
| Insulating Resistance | ?50M0 | |
| Electrical Strength | AC 1.5kV min | |
| Inlet/Outlet Size | 3/4″((p19mm) | |
| Max. Water Pressure | 0.5MPa | |
| Protection Level | IP67 | |
| Vibration Resistance | (5-8)Hz Amplitude±7.5mm Triaxial (8-500)Hz a=2g Triaxial | |
| Shock Resistance | Half-sine Wave; apeak=50g; Triaxial | |
| Working Temperature | -40°C—+70°C | |
| Storage Temperature | -40°C—+80°C | |
| Case Dimensions | 238mmx135mmx133mm | |
| Weight (including accessories) | 0.95kg | |
SCHEMATIC DIAGRAM

WIRE CONNECTION
This product does not provide a power line, please refer to the wiring diagram in figure 2 and connect L, N, and E (ground wire), the ground wire must be well grounded.

The wiring steps:
- Twist off the screw ①, turn the back shell ② clockwise, and then pull up the back shell ③;
- Unscrew the back cap of waterproof wiring head ①, make the power line (cable outer diameter φ6mm~φ11mm, 3×2.5mm² copper cable is recommended) go through the back cover ②, respectively pressed on the flag terminal ③;
- The flag terminals on the power line are connected to the L, N, and E of the heater respectively;
- Press down the back shell ①, turn counterclockwise to the place ②, lock the screw ③, and tighten the waterproof connector ④.
HEATER CONNECTION
Please install the heater vertically as shown in the diagram before use. Pay attention to the direction of the heater inlet and outlet, and ensure that the heater position is below the lowest water lever of the engine and that all the air is exhausted out of the heater and it is topped off with water. The connection between the heater and engine is shown in the following figures:
Unit: mm
![]() | ![]() |
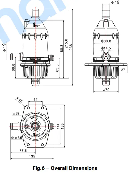
INSTALLATION AND OVERALL DIMENSIONS
The heater is designed for screw mounting, please fasten it with two M6X25mm screws during installation.
![]() | ![]() |
CAUTION
Please ensure that all the air is exhausted out of the heater and it is topped off with coolant before starting the machine. If water is used, please drain it off to avoid the heater rupture due to the remaining water freezes when the outside temperature is below 0ºC.
It is strongly recommended to use the corresponding label of antifreeze.
The earth wire must be grounded.
Drainage valve: Use a hexagonal wrench, adjustable wrench, or cross screwdriver to open or close.
Unit: mm 
HEATER PACKING LIST
Table 3 – Packing List
| No. | Name | Number | Remarks |
| 1 | Heater | 1 | |
| 2 | Flag Terminal | 4 | XB-2.5FLDNY2-250 |
| 3 | Hose clamps | 2 | Φ18~Φ32 |
| 4 | User Manual | 1 |
SmartGen — make your generator smart
No.28 Jinsuo Road, Zhengzhou, Henan Province, China
Tel: +86-371-67988888/67981888/67992951
+86-371-67981000(overseas)
Fax: +86-371-67992952
Web: www.smartgen.com.cn/
www.smartgen.cn/
Email: [email protected]






















