LIVINOX MB2 WH T-Series Water Heater

Before operating this appliance, please read these instruction completely.
PARTS IDENTIFICATION
- Front Cover
- LED Indicators
- Test & Reset Button
- Pump Knob*
- Temperature Control Knob
- Stop Valve
- Rail Support/Wall Bracket
- Handshower
- Adjustable Shower Holder
- Slider Rail
- PVC Hose
- 3-Way Diverter Valve
- Heater Base
- Thermostat
- Heater Tank
- PCB Board (Test & Reset)
- Terminal Block
- Main PCB Board
- Water Outlet Connection
- TRIAC
- Water Inlet Connection
- Reed Switch Assy
- Mesh Filter
- Rain Shower Head
- SMPS PCB Board*
- DC Pump*
- Heat Illuminator (MB2 Only)
- Pump VR*

FEATURES
- Stepless Power Control
Provides user the ability to adjust the water temperature precisely based on their own preferences. - Built-in Residual Current Device (RCD)
In the event of current leakage, Livinox’s highly sensitive built-in RCD will cut o both live and neutral power supply - Inverter DC Booster Pump
In places where water pressure is inherently low, Livinox’s state of the art DC pump can help boost water pressure with low noise operation and low energy consumption. - Double Thermal Anti-Scalding System
Our safety system cuts off power whenever the water temperature rises to 55°C (Anti-scalding) and 90°C (Abnormal overheat). - IP25 Splash Proof
Livinox’s MB2 water heater comes with internationally recognised rating of IP25 protection. This means you can be rest assured that the internal electronics are always protected against dust and water. - Smart Self-Check Safety Indication
Livinox MB2 water heater comes with an intelligent self-check safety feature that informs the safety status of the heater before and during usage.
Self-checking function is indicated by power and RCD LED light running in sequence, after which, one of the following three scenarios may occur:
a. Earth/RCD green light indicates that RCD is functioning normally and heater safe to use.
b. Earth/RCD green light continuous blinking indicates that there is poor or no earth connection. User is advised to contact professional technician.
c. Earth/RCD red light blinking indicates that current leakage is detected, and RCD has tripped. User is advised to contact professional technician. - Water Temperature Heat Illuminator*
Water temperature indication is illuminated around the temperature knob area, with orange light indicating minimum temperature and red light indicating maximum temperature.
(*) This feature is applicable only for certain models which includes LWH-TS-E-MB, LWH-TS-DC-MB, LWH-TS-DC-RMB, LWH-TS-E-WH, LWH-TS-DC-WH and LWH-TS-DC-RWH.
IMPORTANT SAFETY INFORMATION
WARNING !
- Products manufactured by us are safe provided they are installed, used and
maintained in good working order in accordance with our instructions and
recommendations. Always refer to this manual if you have any doubt. - The appliance must be earthed. Improper grounding could cause electric shock.
- If any of the following conditions occur, immediately switch off the mains and contact the sales agent for repair. Never attempt to repair the unit yourself.
- If the heater begins to make an odd noise, smell or smoke.
- RCD and heater lamp does not light up.
- Water temperature can not be controlled.
- If the heater shows signs of a distinct change in performance.
- If found water leakage from inside.
- For pump model, it is highly recommended to connect the water inlet connection to tank storage supply otherwise it may cause damage to the pump motor.
- The appliance is not intended for use by person (including children) with reduced physical, sensory or mental capabilities, or lack of experience and knowledge, unless they have been given supervision responsible for their safety. Children should be supervised to ensure that they do not play with the appliance. User is advised to test and adjust the water temperature before showering.
- In time of lightning/thunder, switch “off” the electric supply to the shower unit in advance to protect the shower unit against possible damage.
- Metallic/chrome hose and conductive control valve shall not be used. (Malaysia only)
Note: When removing the unit from package, small amount of water may be found inside. This is normal as the unit is tested during manufacturing process.
CAUTION !
- Installation must be carried out by a qualified personnel and in compliance to the local authority regulations.
- This heater must be permanently connected to the direct main current supply. The use of a plug and socket is not recommended.
- For the correct size of wire conductor corresponding to different electrical loading, please refer to Table 1.
- This heater operates at a minimum water flow rate of 2.0ltr/min and maximum working pressure of 6 bars. For direct connection to the water tank, the heater must have a minimum distance of 1.0m below the water tank.
- This heater will not function if there is insuffcient water flow (min 2.0ltr/min) to trigger the flow switch.
- The built-in ELCB will automatically cut off the power supply in case there is a current leakage of at least 15mA.
- The thermostat will automatically cut off the power supply if it has sensed an abnormal rise in water outlet temperature.
DIAGRAM FOR HEATER UNIT INSTALLATION
- Select a suitable position in the bathroom.
- Pull out the Temperature Control Knob and then remove the screw (A) at the bottom of the unit.
- Remove the Front Cover from the bottom and then lift up the front cover.
- Mark 3 Screw points of the Heater Base on the wall. The Heater position shouldbe 1.5m above the bathroom floor.
- Use 6mm diameter drill and make the wall plug holes in depth of 34mm.
- Insert the wall plugs and mount the Heater firmly in position with the screws provided.

SHOWER BRACKET INSTALLATION
- Mark 2 screw points of the Shower Bracket beside the Instant Hot Shower. It is recommended that the top of the portion is in level with the top of Instant Hot Shower.
- Use 6mm diameter drill and make the wall plug holes in depth of 34mm.
- Screw the bracket to position.

NORMAL ACCESSORIES INSTALLATION
- Mark 2 screw points of the Shower Holder beside the Instant Hot Shower. It is recommended that the top of the portion is in level with the top of Instant Hot Shower.
- Use 6mm diameter drill and make the wall plug holes in depth of 34mm.
- Remove the cap from the Upper Rail Support, screw the bracket to position. Replace the cap.
- Insert the Shower Holder and Lower Rail Support into the Slider Rail. Put it into the Upper Rail Support.
- Remove the cap from the Lower Rail Support, screw the bracket to position. Replace the cap.

RAIN SHOWER SET INSTALLATION PROCEDURES
- Do marking for the location of the lower and upper bracket.
- Assemble the upper tube with rain shower and lower tube with divider.
- Hook the assembled divider to the mounted bracket.
- Tighten the screws and make sure all joints are completely connected to avoid leakage.

IMPORTANT:
3-Way Diverter Valve
A) Rainshower Water Outlet
B) Hand Shower Water Outlet
C) Water Inlet

PLUMBING PROCEDURE
CAUTION!
This Electric Instant Water Heater is a single point system and the “Water Outlet” can only be fitted to the PVC Hose and Handshower set provided. NO CONTROL VALVE OR FITTING CAN BE FITTED TO THE WATER OUTLET.
- Connect the Stop Valve to the Water Inlet with washer. Use correct tools to tighten the
connection and be careful not to over tighten and damage the plastic nut. - Connect the incoming water piping to the Stop Valve (1/2” BSP). Make sure to put the Mesh Filter between Stop Valve and incoming water piping.
- If in any case, the Stop Valve is not used or omitted, make sure to put the Mesh Filter between the heater unit inlet pipe and incoming water pipe.
IMPORTANT - Turn on the water mains to drain out all plumbing dirts, at the same time fill up the
heater tank. THE HEATER TANK MUST BE FILLED UP WITH WATER BEFORE TURNING ON THE ELECTRICITY SUPPLY TO PREVENT ANY DRY BURNT DAMAGE TO THE HEATING ELEMENT. - Connect the PVC Hose and Handshower to the outlet of Heater, be sure to put in the Washer
- Hook the Handshower to the Sliding Rail Shower Holder and adjust to your ideal position.
- Check if any water leakage.
- Do not use white tape during piping installation.
WARNING !
- THE WATER INLET AND OUTLET MUST BE INSTALLED CORRECTLY , OTHERWISE IT MAY CAUSE A DAMAGE TO THE HEATING ELEMENT.
- DO NOT APPLY PLUMBING CEMENT ON CONNECTION. WHENEVER NECESSARY, USE ONLY THREAD OR SEALING TAPE.
- THE WATER INLET OF THIS APPLIANCE SHALL NOT BE CONNECTED TO THE INLET WATER OBTAINED FROM ANY OTHER WATER HEATING SYSTEM.
ELECTRICAL INSTALLATION
WARNING !
- This appliance must be EARTHED. Improper grounding could cause electrical shock.
- Remember to SWITCH OFF at mains before carrying out any electrical work.
- Refer to the previous TABLE 1 for the correct cable size.
- Use double coated flexible cable having nominal cross-sectional area between 2.5mm².
- Lead the power cable from the MCB to a “ON/OFF” double pole linked switch having a contact separation of at least 3mm in all poles outside the bathroom, then lead a cable connected to terminal block inside the unit. (Fig.4)
PROCEDURE:
- Insert the cable through ‘A’ for side entry or ‘B’ for wall embedded cable by cutting
a hole through the source cord rubber holder. (Fig.5) - Connect the cable to Terminal Block and fully tighten them as follow
BROWN or RED — LIVE (L)
BLUE or BLACK — NEUTRAL (N)
GREEN or GREEN/YELLOW — EARTH (
) - When replace back the Front Cover, please take note the below procedure:
– To ensure the correct position, turn the Temperature VR Knob insert to OFF position as shown in Fig A. (at the Heater Base)
– To install the Front Cover, turn the Temperature Control Knob to OFF position to align with the VR Knob Insert as shown in Fig B. (at the Front Cover) - Fix back the screw ‘A’.

METHOD OF ALIGNMENT WHEN FIXING FRONT COVER

TABLE 1 – ELECTRICAL LOADING TABLE
| Volt age (AC) | Power (kW) | Current (A) | Minimum Conduct or Size (csa) | On/Off Switc h (A) | Fuse / MCB (A) | ||
| mm2 | Conduit Cab le | Flexible Cable | |||||
| 240~ 50/ 60Hz | 2.5 | 10.4 | 2.5 | 710.67mm | 50/0.25 mm | 20 | 20 |
| 3.3 | 13.8 | 2.5 | 7 /0.67 mm | 50/0.25 mm | 20 | 20 | |
| 3.6 | 15.0 | 2.5 | 7 /0.67 mm | 50/0.25 mm | 20 | 20 | |
| 4.0 | 16.7 | 2.5 | 7 /0.67 mm | 5610.25mm | 20 | 20 | |
| 5.0 | 20.8 | 4.0 | 7 /0.85 mm | 5610.30mm | 32 | 32 | |
| (Malaysia Modal) 3.6 | 15.0 | 4.0 | 7 / 0.85 mm | 56/ 0.30 mm | 20 | 20 | |
| 3.8 | 15.8 | 4.0 | 7 /0.85 mm | 56/ 0.30 mm | 20 | 20 | |
| 4.5 | 18.8 | 4.0 | 7 / 0.85 mm | 56/ 0.30 mm | 32 | 32 | |
| 4.8 | 20.0 | 4.0 | 7 /0.85 mm | 56/ 0.30 mm | 32 | 32 | |
| 230~ 50/60Hz | 2.4 | 10.4 | 2.5 | 710.67mm | 50/0.25 mm | 20 | 20 |
| 3.0 3.3 4.0 | 13.0 14.4 17.4 | 2.5 2.5 2.5 | 7 / 0.67 mm 7 /0.67 mm 7 /0.67 mm | 50/0.25 mm 50/0.25 mm 56/0.25 mm | 20 20 20 | 20 20 20 | |
| 5.0 | 21.8 | 4.0 | 7 /0.85 mm | 5610.30mm | 32 | 32 | |
| 220~ 50/60Hz | 2.4 3.5 4.5 5.5 6.0 | 10.9 15.9 20.5 25.0 27.3 | 2.5 2.5 2.5 4.0 4.0 | 7 / 0.67 mm 7 /0.67 mm 7 /0.67 mm 7 /0.85 mm 7 / 0.85 mm | 50/0.25 mm 56/0.25 mm 56/0.25 mm 5610.30mm 56/0.30 mm | 20 20 32 32 32 | 20 20 32 32 32 |
TEST RUN
- Turn on the water supply and Stop Valve, the water will ow through the Handshower.
- Switch on the electrical supply.
- Turn the Temperature Control Knob to ‘ON’, the Yellow Indicator light (Power) will turn on, hot water will flow out within a few seconds. The more Temperature Control Knob being turned in clockwise direction, the hotter the shower is.
- The shower might not be hot enough even at ‘MAX’ position if incoming water supply from the mains is too cold or pressure water is too high. In this case, you may adjust the Stop Valve to reduce the water in flow in order to get the desired showering temperature.
- Check the Built-in ELCB as following:
– Press the “TEST” button, the Built-in RCD should trip and cut off the power supply, the Earth/RCD LED indicator should blink red.
– Press the “RESET” button, the heater unit should resume normal function. All LED indicators should light up.
If procedures stated above prevailed, the ELCB is functioning in normal condition. - Switch OFF the electricity supply after shower.
- For Pump Models: Turn the Pump Knob to test on Pump’s functionality. If the shower is not hot enough, you may adjust the stop valve until the desired shower temperature is obtained.

HANDSHOWER SPRAY ACTION
This innovative adjustable Handshower actions are described as follows.

Clean the Handshower Head holes by using the soft brush from time to time. (Recommended once a week) Note: Take care not to damage the holes of the Handshower Head during cleaning.
MAINTENANCE
Read the section ‘IMPORTANT SAFETY INFORMATION’ first.
- TEST THE ‘RCD’ REGULARLY
(This procedure is highly recommended to test at least once a month) Turn on the electricity and water supply, all LED indicators will light up. If the Temperature Control Knob is in “ON” position, the power LED will light up also. Press the RCD button, the RCD/Earth lamp should turn RED and start blinking. Press the Reset button to resume back the electricity supply.
WARNING !
If the RCD or HEATER lamp does not go off when you press the RCD Test button, SWITCH OFF the mains supply and contact your sales agent for repair. Special skill is required for repair. NEVER try to repair the unit by yourself. - CLEANING PRECAUTION!
Do not use thinner, alcohol, petrol or any other organic solution to clean the set, use
only a damp cloth with mild detergent. - CLEAN THE FILTER REGULARLY (Fig. 9 & Fig. 10)
There are two filter located at the stop valve, one is Mesh Filter (installed at the incoming
water supply), another one is the built-in filter as shown in Fig. 10).
Clean the Mesh Filter regularly to prevent blockage. Remove the built-in filter by turn it anti-clockwise as shown in Fig. 9. Take out the Filter and flush it with water to remove any trapped sendiments. (as shown in Fig. 10)
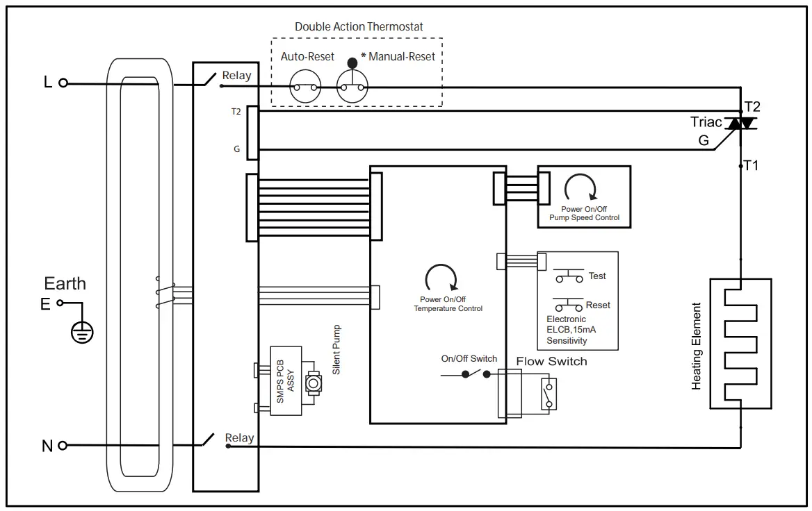
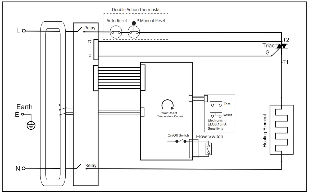
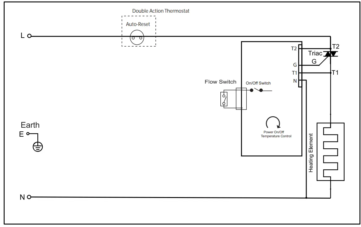
WIRING DIAGRAM
WIRING DIAGRAM – DC PUMP MODEL
* Manual Reset (90 C Thermostat)
For Models rated 4.5kW and below, thermostat is manually resetable

WIRING DIAGRAM – NO PUMP DPDT MODEL
* Manual Reset (90 C Thermostat)
For Models rated 4.5kW and below, thermostat is manually resetable.

WIRING DIAGRAM – NO PUMP NO ELCB MODEL
* Manual Reset (90 C Thermostat)
For Models rated 4.5kW and below, thermostat is manually resetable.

ELECTRICAL SPECIFICATION
| TYPE | ELECTRONIC POWER CONTROL |
| ELECTRICAL LOADING | 2.4kWTO 6.0kW 220/ 230/240Va.c. 50/60Hz |
| Min. WATER FLOW RATE | 2 Liter/ min. |
| Min. INLET WATER PRESSURE | 0.1 Bar (1 0kPa) |
| Max. INLET WATER PRESSURE | 6 Bar (0.6MPa) |
| WATER CONNECTION | 1/2″ BSP SINGLEPOINTSYSTEM |
| DIMENSIONS | 365 x 204 x 103 (mm) |
| NETT WEIGHT | 1.4kg (No Pump) 1.8kg (DC Pump) |
Note: The specification, actual product’s cosmetic design and accessories parts shown are correct at the time of printing and may be subjected to change without prior notice.

























