DURA HEAT EWH5500 Electric Forced Air Heater

IMPORTANT INSTRUCTIONS
PLEASE READ AND SAVE THESE IMPORTANT SAFETY INSTRUCTIONS
WHEN USING ELECTRIC APPLIANCES, BASIC PRECAUTIONS SHOULD ALWAYS BE FOLLOWED TO REDUCE THE RISK OF FIRE, ELECTRIC SHOCK, AND INJURY TO PERSONS, INCLUDING THE FOLLOWING:
- Read all instructions before using this heater.
- This heater is hot when in use. To avoid burns, do not let bare skin touch hot surfaces. If provided, use handles when moving this heater. Keep combustible materials, such as furniture, pillows, bedding, papers, clothes and curtains at least 3 feet (0.9m) from the heater.
- Extreme caution is necessary when any heater is used by or near children, pets or invalids and whenever the heater is left operating unattended.
- Do not operate any heater with a damaged cord or plug or after the heater malfunctions, has been dropped or damaged in any manner. Disconnect power at service panel and have heater inspected
SPECIFICATIONS (All Specifications -5%/-10% tolerance)and or repaired by a qualified service person. - Do not use outdoor.
- Under no circumstances should this appliance be modified. Parts having to be removed for servicing must be replaced prior to operating this appliance again.
- This heater is intended for comfort heating applications and not intended for use in special environments. Do not use in damp or wet locations such as marine or greenhouse or in areas where corrosive or chemical agents are present.
- To disconnect heater, first turn controls to off, and turn off power to heater circuit at main disconnect panel.
- Do not insert or allow foreign objects to enter any ventilation or exhaust opening as this may cause an electrical shock or fire, or damage the heater.
- To prevent a possible fire, do not block air intakes or exhaust in any manner. Do not use on soft surfaces, like a bed, where openings may become blocked.
- This appliance has hot and arcing or sparking parts inside. Do not use it in areas where gasoline, paint or flammable liquids are used or stored.
- Use this heater only as described in this manual. Any other use not recommended by the manufacturer may cause fire, electric shock, or injury to persons.
- This heater is not to be used as a portable unit and or have a cord and plug installed. (HARD WIRED ONLY)
- This heater is provided with automatic resetting thermal limit and an alarm beeper to alert user if heater has overheated. If the alarm has activated, immediately turn off the heater and inspect and remove any objects around heater that may have blocked the airflow or otherwise caused the heater to overheat. Do not continue to use heater if it repeatedly overheats and activates the alarm. DO NOT OPERATE THE HEATER WITH THE ALARM SOUNDING (FLASHING).
CAUTION – Once heater has cycled off on the thermal limit, the heater will not return to operation until the user restarts and reprograms the control. Therefore, this unit is not recommended for freeze protection applications. - When installing, see INSTALLATION INSTRUCTIONS for additional warnings and precautions
- For safe and efficient operation, and to extend the life of your heater, keep your heater clean – See MAINTENANCE INSTRUCTIONS.
SPECIFICATIONS
(All Specifications -5%/-10% tolerance)
| Model No | Volts/Hertz | Amps | Watts | BTU/HR | Phase | Minimum Circut |
| EWH5500 | 240V/60HZ | 21 | 5000 | 17060 | 1 | 30 |
| EWH9600 | 240V/60HZ | 42 | 10000 | 34120 | 1 | 50 |
warning
To prevent a possible fire, injury to persons or damage to the heater, adhere to the following:
- Disconnect all power coming to heater at main service panel before wiring or servicing.
- All wiring procedures and connections must be in accordance with the National and Local Codes having jurisdiction and the heater must be grounded.
- Verify the power supply voltage coming to heater matches the ratings as shown on the heater nameplate.
CAUTION: ENERGIZING THE HEATER AT A VOLTAGE GREATER THAN THE VOLTAGE PRINTED ON THE NAMEPLATE WILL DAMAGE THE HEATER AND VOID THE WARRANTY AND COULD CAUSE A FIRE. - CAUTION: High temperature, risk of fire, keep electrical cords, drapery, furnishings, and other combustibles at least 3 feet (0.9 m) from front of heater. Do not install heater behind doors, below towel racks, or in an area where it is subject to being blocked by furniture, curtains or storage materials. Hot air from the heater may damage certain fabrics and plastics.
- To reduce the risk of fire do not store or use gasoline or other flammable vapors and liquids in the vicinity of the heater.
- When heater is to be wall or ceiling mounted, the anchoring provision must be sufficient strength to support the total weight of the heater plus the weight of the mounting provisions. Failure to properly secure the supporting members of the building structure could allow the heater to fall.
- The following minimum clearances must be maintained: 30° Tilted, Bottom of Heater to Floor: 6’ (1.8 M) minimum, 11’ (3.3 M) recommended maximum Horizontal Airflow, Bottom of Heater to Floor: 6’ (1.8 M) minimum, 8’ (2.4 M) recommended maximum Side of heater to adjacent wall: 6” (13 mm)
- Do not use this heater for drying out paint, plaster, sawdust and drywall sanding dust as this will permanently damage the heater and must be kept out of the heater. Unpacking Your New Heater: Remove heater from box, locate parts bag in packing material, and inspect to make sure heater is not damaged or missing parts. If damaged or parts are missing, call our Technical Service Hotline at 1-800-776-9425 for assistance. Do not return to store where purchased until you first call the above number for assistance.
HARDWARE INCLUDED: Figure 1

INSTALLATION INSTRUCTIONS
TOOLS NEEDED:
- Phillips head screwdriver
- Power Drill
- The remote control is powered by 2 AAA batteries. Batteries are NOT included
- 5/32 in. or 4 mm drill bit
- Stud Finder
HARDWARE REQUIRED FOR WIRING HEATER:
- Adequate gauge and length of copper wire (2 power conductors plus ground) suitable for application to route electrical panel to heater
- Suitable Junction Box and connectors as required for application
- Appropriate size wire nuts for connection branch circuit wires to pigtails.
- A length of flexible conduit (or as required by the NEC and local codes) to route power to heater.
NOTE: Hardware supplied is intended for installation into wood framing only. If installation into other type of construction, additional hardware will be required for correct installation.
CONNECTORS, CABLE AND HARDWARE USED TO WIRE THE HEATER: Figure 2
LOCATING THE HEATER: Figure 3
The heater should be installed out of traffic areas and at least 6′ off the floor. (8” above the floor in Canada) The direction of airflow should not be restricted (ie: by columns or machinery) and the air flow should wipe exposed walls, rather than blow directly at them. When more than one heater is used in an area, the heaters should be arranged so that the air discharge of each heater supports the air flow of the others to provide best circulation of warm air, as indicated in the Figure below.
MOUNTING: Figure 4

DETAILED BRACKET ASSEMBLY ILLUSTRATION
MINIMUM CLEARANCES: Figure 6
WARNING: Fall Hazard – Heater must be attached to a joist with 3 screws (two at keyhole slots and third safety screw at center hole) to prevent heater from possibly falling. The screws provided with heater are intended for installing in wood framing only and not intended for metal joists or other types of construction. If installation into other type of construction, additional hardware will be required for correct installation. All hardware must be tightened securely.
HEATER MOUNTING:
- Locate the wood stud or joist in ceiling and mark line in location for heater to be installed. NOTE: The wall/ceiling mounting bracket allows installation onto a wall or ceiling using the specific mounting holes and minimum clearances as shown in Fig 4, 5, 6 and 7.
- Determine the desired location for mounting making sure the minimum clearances as noted in this manual are maintained and using the bracket as a template, mark the two keyhole locations on the wall or ceiling for drilling.
- Use the 5/32 in. (4 mm) drill bit to pre-drill two holes for screws at the locations marked in step 2.

- Install two 2.5” (65 mm) screws into the holes leaving approximately 1/8” of the screw offset from the wall. Ensure that both screws are inserted at least 1.5” into the stud or joist.
- Hook the mounting bracket onto the wall (or ceiling) by fitting the two keyholes on the bracket over the two screws and pushing the bracket down into place. Mark the location of the center (3rd safety) hole onto the wall or ceiling
- Use the 5/32 in. (4 mm) drill bit to pre-drill a hole for the 3rd safety screw.
- Attach the heater handle bracket to the heater using the two screws and washers preassembled to the top of the heater making sure the smaller hole in bracket faces the rear of heater. Remove the screws and then attach bracket making sure both screws are tight.
- Attach the wall/ceiling bracket to the heater using the larger 20 mm (.8”) bolt, two flat washers and lock nuts as shown in Fig. 5. To prevent rotation, a small M10 mm bolt and nut are provided in the parts bag. Assemble this smaller screw into the small hole through wall bracket and heater bracket as shown in Fig. 5. and securely tighten both bolts
- Attach the heater and mounting bracket assembly to the wall (or ceiling):
Hook bracket onto the two screws (installed at Step 4) by fitting heater and wall/ceiling bracket on the two screws through the keyholes on the bracket and pushing the bracket into place.
Insert the third 2.5” (65 mm) safety screw through the center hole on the bracket and into the pre-drilled hole (Step 6) in the wall or ceiling.
Tighten all three screws to secure the mounting bracket and heater assembly to the wall.
WIRING SUPPLEMENT FOR 220/240V
After heater has been properly mounted to the building structure and the appropriate branch circuit wiring has been routed to the heater location in accordance w ith the National Electrical Code and local codes, the heater is now ready for the heater to be connected to the branch circuit.
warning
Risk of Electric Shock or Fire Make sure electric power is disconnected at the main electrical panel before attempting to connect the heater to the branch circuit. Verify branch circuit voltage is same as noted on the heater nameplate. Connecting the heater to a voltage greater than the heater nameplate rating could damage the heater and cause a fire.
The heater is provided with a 28.3mm hole into the wiring compartment for routing of branch circuit conductors. Appropriate conduit and fittings must be provided for correct and safe installation.
- Remove the field wiring cover located on the bottom of the heater by removing two screws. See Figure 8 for reference.
- Bring branch circuit conductors to the heater and into the heater box. Install appropriate cable clamp on the heater as shown in Figure 9.
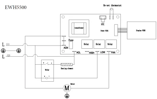
- Following the wiring diagrams in Figure 10 connect the supply wiring to the power block inside the wiring compartment.
Green pigtail – connect to earth ground
Black pigtail – connect to branch circuit L (1)
White pigtail – connect to branch circuit L (2) - Replace wiring box cover with two screws previously removed.
- Adjust louvers to the desired position; louvers are designed so that they cannot be completely closed. Do not attempt to defeat this safety feature.

Wiring diagram for 5KW and 10KW


OPERATING INSTRUCTIONS
Heater Control Panel:![DURA HEAT EWH5500 Electric Forced Air Heater fig 14]](https://static-data1.manualsee.com/1/img/111/2081299/2022/02/DURA-HEAT-EWH5500-Electric-Forced-Air-Heater-fig-14-550x151.png)
- Heater must be properly installed and correctly wired before operation.
- Turn power supply to heater “ON” at main switch panel.
- Once the heater has power, the red POWER light will be on.
- Pushing the red POWER button will turn the heater ON and OFF. When this button is pressed, the heater and fan will immediately come on and the digital display will flash approximately 5 seconds.
If the room temperature is lower than 65°F, the heater will continue to run until the room the temperature reaches 65°F and the heater will then cycle on and off to maintain approximately this room temperature.
If the room temperature is higher than 65°F, the display window will show 65 and flash 5 times and the heater and fan will stop. - Adjusting Power Level: While the unit is ON, push the green mode button once. This will activate the power selection mode and the red light over the “Fan” or “Heat” will be flashing to show the current setting. To change from Heat to Fan or Fan to Heat, use the UP or DOWN Arrow buttons. After approximately 5 seconds the control will then be programmed for the selected output. (For model EWH5500)
Adjusting Power Level: While the unit is ON, push the green mode button once. This will activate the power selection mode and the red light over the “L” or “H” will be flashing to show the current setting. To change from High to Low or Low to High, use the UP or DOWN Arrow buttons. After approximately 5 seconds the control will then be programmed for the selected output. Note: To save energy, the heater will automatically adjust the power output to low power when room temperature is 2°F below the set point temperature. (For model EWH9600) - Adjusting temperature: While the heater is ON, push the green mode button twice. This will activate the temperature selection mode and the digital display will flash with the current setting. To adjust, use the UP or DOWN button until the desired temperature shows on the display. After 5 seconds the display will change back to displaying the room temperature.
- Setting Time On Feature: Note: If this feature is not selected, the heater will continue to operate to maintain the desired temperature. This feature allows the heater to operate for only a predetermined time. While the heater is ON, push the green mode button three times. This will activate the timer mode and the display will flash with “0H”. By pressing the UP or DOWN Arrow buttons, the display will show the number of hours the timer will allow the heater to remain on (1H-9H where 1H = 1 hour, and 9H = 9 hours). After 5 seconds, the controller will lock in the setting.
- Once the controller has been programmed, the heater will cycle on and off to maintain the desired room temperature. To help extend the life of the heater, after the heater has reached the desired temperature and the controller turns off the heating element, the fan will continue to operate for approximately 3 minutes to cool down the heater. This fan delay off feature also occurs when the heater POWER button is pushed to turn off the heater while it is heating. The fan will continue to run to cool down the heater.
- To turn off the heater, push the red POWER button. If the heater is operating, the heater will turn off, but the fan will continue running for approximately 3 minutes to allow the heater to cool.
OPERATING INSTRUCTIONS
NOTE: The first time you operate the unit, it may smoke slightly. This is due to the residual cleaning agents used to clean the element when the heater is manufactured. This is normal and does not indicate a problem with the unit. This condition will stop after the heater has been in operation for a few minutes.
Automatic Thermal Limit: This heater is equipped with a thermal limit that will automatically shut off the heater in the event of overheating. Should the thermal limit activate an ALARM will be activated. The alarm will be a beeping sound; the display will show “E3” and the red “POWER” light will flash. The cause of the overheating should be determined before further operation. As the heater cools, the thermal limit will automatically reset the display will show “E3” indicating the heater is non-operational. Should the unit overheat and activate the thermal limit, to return heater to operating mode will require the user to press the power button on the remote or heater after allowing the heater to cool for 15-20 minutes user must reset control to desired wattage output and room temperature. Do not continue to use the heater if it repeatedly overheats to cycle the safety thermal limit as this could lead to permanent damage to heater or a fire.
Automatic Fan Delay: The heater is provided with an automatic fan-off delay. As the room ambient reaches the preset temperature level of the heater control will de-energize the heating element within the heater while the fan continues to run for approximately 3 minutes to allow the heater to cool.
MAINTENANCE
USER CLEANING INSTRUCTION:
- Turn off power to the heater
- After the heater has cooled, a vacuum cleaner with brush attachment may be used to remove dust and lint from exterior surfaces of the heater including the grille opening. Compressed air may also be used to blow out dust from the inside the heater.
- With a damp cloth, wipe dust and lint from grille and exterior surfaces. Be careful not to let the water enter the inside of appliance.
- To protect the enclosure, don’t splash water onto the heater, and never use solvents to clean the heater.
- Return power to the heater and check to make sure it is operating properly.
Maintenance Cleaning Instructions:
(To be performed only by Qualified Service Personnel)
At least annually, the heater should be cleaned and serviced by a qualified service person to assure safe and efficient operation. After completing the cleaning and servicing, the heater should be checked for proper operation.
The remote control is powered by 2 AAA batteries. These should be replaced periodically or at least annually.
TROUBLESHOOTING & WARRANTY
| PROBLEM | CAUSE | SOLUTION |
| Fan stays on when heat shuts off. | 1. Fan delay cycles On/Off until elements are cool | 1. Heater is operating correctly. |
| Heating element does not glow red | 1. Heating element is made of stainless steel and will not glow red to produce heat. | 1. Heater is operating correctly. |
| Do not feel heat or air flow | 1. No Power to heater 2. Desired room temperature reached. 3. Heater does not heat area in front of heater; it will disperse heat throughout room and heat entire space. | 1. Check power connections / connect heater to power supply. 2. Thermostat will shut off once desired room temperature is reached. Heater is operating correctly. 3. Heater is operating correctly. |
PORTABLE ELECTRIC HEATER WARRANTY
LIMITED WARRANTY:
A limited warranty is extended to the original purchaser of this heater and warrants against malfunction due to manufacturing defects for a period of (1) one year from the date of retail purchase. Please read and follow all details noted below.
CLAIMS HANDLED AS FOLLOWS:
- WITHIN 30 DAYS OF PURCHASE:
Return to the place of purchase. - AFTER 30 DAYS AND WITHIN THE 1 YEAR WARRANTY PERIOD:
Contact our Customer Service Department at 1-800-776-9425.
You must have the model number, serial number, and date of purchase. They will provide you with further instructions, which will include repair or replacement at our option.
CALL 1-800-776-9425 FOR SERVICE (9AM-5PM MON.-FRI.)
or EMAIL US AT [email protected]
DUTIES OF THE OWNER:
This heating appliance must be operated in accordance with the written instructions furnished with this heater. This warranty shall not excuse the owner from properly maintaining this heater in accordance with the written instructions furnished with this heater. A bill of sale, canceled check or payment record must be kept to verify the purchase date and establish warranty period. Original carton should be kept in case of warranty return of the unit.
WHAT IS NOT COVERED:
- Damage caused by misuse or use contrary to the owner’s manual and safety guidelines.
- Damage caused by a lack of normal maintenance.
- Repair by an unauthorized person.
- Damage caused by connection to an improper voltage.
- Damaged caused by use outdoors.
LIMITATIONS:
This warranty does not imply or assume any responsibility for consequential damages that may result from the use, misuse, or the lack of routine maintenance of this heating appliance. A cleaning fee and the cost of parts may be charged for appliance failures resulting from lack of maintenance. This warranty does not cover claims, which do not involve defective workmanship or materials. FAILURE TO PERFORM GENERAL MAINTENANCE (INCLUDING CLEANING) WILL VOID THIS WARRANTY.
THIS LIMITED WARRANTY IS GIVEN TO THE PURCHASER IN LIEU OF ALL OTHER WARRANTIES, EXPRESSED OR IMPLIED, INCLUDING BUT NOT LIMITED TO THE WARRANTIES OF MERCHANTABILITY OF FITNESS FOR A PARTICULAR PURPOSE. THE REMEDY PROVIDED IN THIS WARRANTY IS EXCLUSIVE AND IS GRANTED IN LIEU OF ALL OTHER REMEDIES. IN NO EVENT WILL WORLD MARKETING OF AMERICA BE LIABLE FOR INCIDENTAL OR CONSEQUENTIAL DAMAGES.
Some states do not allow limitations on how long an implied warranty lasts, so the above limitation may not apply to you. Some states do not allow the exclusion or limitation of incidental or consequential damages so the above limitation or exclusion may not apply to you.
WARNING! IF THE INFORMATION IN THIS MANUAL IS NOT FOLLOWED EXACTLY, A FIRE MAY RESULT CAUSING PROPERTY DAMAGE, PERSONAL INJURY OR LOSS OF LIFE.
Comfort Home Products, Inc. 12256 William Penn Hwy, Ste A Huntingdon, PA 16652
DURA HEAT PHONE NUMBER: (800) 776-9425 http://www.worldmkting.com
FOR YOUR SAFETY
DO NOT STORE OR USE GASOLINE OR OTHER FLAMMABLE VAPORS OR LIQUIDS IN THE VICINITY OF THIS OR ANY OTHER APPLIANCE
This heater should be installed by qualified persons only and in accordance with the National Electric Code (Canadian Electrical Code in Canada) and all applicable local codes. Supply wiring must be copper and suitable for at least 75° C.
EWH5500- minimum 10 gauge SJO or SJTO copper type wiring required
EWH9600- minimum 6 gauge SJO or SJTO copper type wiring required.
CALIFORNIA RESIDENTS ONLY-WARNING:
This product contains chemicals including di(2-Ethylhexyl)phthalate (DEHP), which is known to the State of California to cause cancer and reproductive harm. For more information, go to: www.P65Warnings.ca.gov




















