MASTER MH-45-KFA Kerosene Forced Air Heater

OVERVIEW
DANGER
GENERAL HAZARD WARNING: READ AND UNDERSTAND ALL OF THE INSTRUCTIONS IN THIS MANUAL BEFORE ASSEMBLING, STARTING, OR SERVICING THE HEATER.
Be sure to comply with the instructions and warnings provided with this heater. Failure to comply can result in fire or explosion that can cause property loss, bodily injury, or loss of life. Only persons who can follow and understand these instructions should operate or service this heater. If you need heater info; such as an operating manual, labels, etcetera, contact Pinnacle Climate Technologies at 800-641-6996.
DANGER NOT FOR USE IN RESIDENTIAL LIVING AREAS OR IN ENCLOSED SPACES WITHOUT ADEQUATE VENTILATION. THIS HEATER S SUITABLE FOR OUTDOOR USE, AND INDOOR USE ONLY N WELL-VENTILATED AREAS. INDOOR USE IS PERMITTED ONLY FOR: THE TEMPORARY HEATING OF ADEQUATELY VENTILATED BUILDINGS OR STRUCTURES UNDER CONSTRUCTION, ALTERATION, OR REPAIR.
This is an unvented portable heater that uses air (Oxygen) from within the area in which it is used. Failure to provide adequate combustion and ventilation air will result in asphyxiation, carbon monoxide poisoning, bodily injury or death. Refer to “Ventilation” on .
SAFETY INFORMATION
WARNING
FIRE, BURN, INHALATION, AND EXPLOSION HAZARD. Keep com- bustles such as; building materials, paper, or cardboard a safe dis- tance away from the heater as recommended by these instructions.
Never use the heater in spaces that contain products such as; gasoline, solvents, paint thinners, dust particles, volatile or airborne combustibles, or any unknown chemicals. This is an unvented portable heater. It uses air (Oxygen) from the area in which it is used. Adequate combustion and ventilation air must be provided. Refer to “Ventilation” on page 6. Bulk fuel storage should be a minimum of 25 feet (7.6 m) from the heater.
WARNING: THOROUGHLY UNDERSTAND THIS SAFETY AND OPERATING INSTRUCTIONS
Failure to comply with the precautions and instructions provided with this heater can result in death, serious bodily injury, property loss or damage from the hazards of fire, soot production, explosions, burns, asphyxiation or carbon monoxide poisoning. Only persons who can read and understand these instructions should use or service this heater.
WARNING DOES NOT START THE HEATER WHEN EXCESS OIL HAS ACCUMULATED.
WARNING : DO NOT START THE HEATER WHEN THE CHAMBER IS HOT.
WARNING: This product can expose you to chemicals including lead, which is known to the State of California to cause cancer and birth defects or other reproductive harm. For more information go to www.P65Warnings.ca.gov.
MASSACHUSETTS RESIDENTS: Massachusetts state law prohibits the use of this heater in any building which is used in whole or in part for human habitation. Use of this heating device in Massachusetts requires local fire department permit (M.G.L.C. 148, Section 10A).
NEW YORK CITY RESIDENTS: The New York City Fire Code prohibits the storage, handling, and use of kerosene-fueled heaters for space heating. Any person violating that provision may be punished by a fine up to $10,000 and a term of imprisonment of up to 6 months.
THE INSTALLATION OF THE EQUIPMENT SHALL BE IN ACCORDANCE WITH THE REGULATION OF AUTHORITIES HAVING JURISDICTION AND CSA STANDARD B139.
Look for this icon throughout the manual for helpful tips on how to assemble, use and clean your KFA Heater.
WARNING
AIR POLLUTION! The products described in this manual are kerosene direct-fired, forced air heaters. Kerosene forced air heaters are primarily intended for use for temporary heating of buildings under construction, alteration or repair. Direct-fired means that all of the combustion products of the heater enter the heated space. This appliance is rated at 98% combustion efficiency but does produce small amounts of carbon monoxide.
DANGER
CARBON MONOXIDE POISONING MAY LEAD TO DEATH!
Carbon monoxide is toxic. Humans can tolerate only small amounts of carbon monoxide and so precautions should be taken to provide proper ventilation. Failure to provide proper ventilation in accordance with the instructions in this
manual can result in death. People with breathing problems should consult a physician before using this heater. Early signs of carbon monoxide poisoning resemble the flu. Symptoms of improper ventilation/carbon monoxide poisoning are:
Headache • Dizziness • Nausea • Dry Mouth Sore Throat • Burning of Nose and Eyes
If you experience any of these symptoms:
GET FRESH AIR AT ONCE! Have your heater serviced and check for proper ventilation. Some people are more affected by carbon monoxide than others. These include pregnant women, those with heart or lung problems, anemia, or those under the influence of alcohol or at high altitudes.
FOR OUTDOOR USE. INDOOR USE PERMITTED ONLY FOR: The temporary heating of adequately ventilated buildings or structures under construction, alteration or repair. Provide at least a three-square-foot (2,800 sq cm) opening of outside air for every 100,000 Btu/Hr (29 kW) heater rating. Refer to “Ventilation” on page 6 for further instructions.
WARNING SHOCK!
- ALWAYS use only the electrical power (voltage and frequency) specified on the model plate of the heater. ALWAYS use only a three-prong, grounded outlet and extension cord.
- ALWAYS use only 14 AWG or better extension cords.
- ALWAYS unplug the heater when not in use.
- ALWAYS install the heater so that it is not directly exposed to water spray, rain, dripping water, or wind.
- NEVER use fuels such as gasoline, benzene, paint thinners, or other oil compounds in this heater.
- NEVER refill the heater’s fuel tank while the heater is operating or still hot. This heater is EXTREMELY HOT while in operation.
- NEVER block air inlet (rear) or air outlet (front).
- NEVER use ductwork in front or rear of the heater.
- NEVER move or handle the heater while still hot.
WARNING
RISK OF BURNS, FIRE, AND EXPLOSION!
- NEVER transport heater with fuel in the tank.
- NEVER use an external fuel tank.
- Keep all combustible materials away from this heater.
| Minimum Clearance From Combustibles | ||
| 45-190T-KFA | 215T-KFA | |
| Top | 4 ft. (122 cm) | 4 ft. (122 cm) |
| Sides | 4 ft. (122 cm) | 4 ft. (122 cm) |
| Front | 8 ft. (244 cm) | 10 ft. (305 cm) |
ALWAYS locate the heater on a stable and level surface.
If your heater is equipped with a thermostat, once it is plugged in, it can start at any time in accordance with the thermostat setting.
WARNING
CAUTION ON WHILE IN OPERATION. DO NOT TOUCH. KEEP CHILDREN, ANIMALS, CLOTHING, AND COMBUSTIBLES AWAY FROM THE HEATER.
WHAT’S IN THE BOX (45-KFA / 80T-KFA)

- Tip: Be sure to remove the axle from the side of the Styrofoam packaging.
- Tip: Use a power screwdriver and locking wrench for easier assembly.
Tools Needed:
- Phillips Head Screw Driver
- 8 mm open-end wrench
- 19 mm open-end wrench

- Remove the heater and all packaging materials from the shipping carton
- Note: Save the box and packaging materials for future storage.
SPECIFICATIONS
| Model # | 45-KFA | 80T-KFA | 140T-KFA | 190T-KFA | 215T-KFA |
| Rating: Btu/Hr / kW | 45,000 / 13.19 | 80,000 / 23.4 | 140,000 / 41 | 190,000 / 55.68 | 215,000 / 63.01 |
| Fuel Consumption: Gal/Hr / L/Hr | 0.35 / 1.32 | 0.63 / 2.38 | 1.1 / 4.16 | 1.42 / 5.38 | 1.63 / 6.17 |
| Fuel Tank Capacity: Gallons / Liters | 5 / 19 | 5 / 19 | 10 / 38 | 13 / 49 | 13 / 49 |
| Pump Pressure: psi / BAR | 3.0 / 0.21 | 4.2 / 0.29 | 6.6 / 0.46 | 8.5 / 0.59 | 9.0 / 0.62 |
| Volts: AC/Hz | 120VAC / 60Hz | 120VAC / 60Hz | 120VAC / 60Hz | 120VAC / 60Hz | 120VAC / 60Hz |
| Amps | 1.4 | 1.5 | 2.4 | 2.7 | 2.8 |
| Phase | Single | Single | Single | Single | Single |
FEATURES

ASSEMBLY INSTRUCTIONS
- Insert axle through holes in wheel support.
- Slide spacer onto the axle.
- Slide the wheel onto axle and axle nuts hold in place with the

- Place heater on wheel support and line up holes on the fuel tank lip.
- Attach the front handle with (2) long screws (50 mm) and (2) nuts through the second hole from the front on both sides of the tank lip and wheel support frame and tighten firmly.
- Insert (2) short screws (30 mm) through the first hole from the front in the tank lip and tighten firmly. Make certain all (4) screws are secure.
- Attach rear handle with (2) long screws (50 mm) and (2) nuts through the second hole from the rear of the heater on either side (see Figure 2).
- Tilt the heater up gently so it is resting on the front handle.
- NOTE: DO NOT do this if there is fuel in the tank.
- Remove the wheels to secure the second set of screws through the rear handle.
- Secure the rear handle with (2) short screws (30 mm) and (2) nuts and tighten firmly.
- Replace wheels and tighten with the wheel nuts.
- Tilt the heater back down onto wheels and check all screws and nuts to ensure they are secure.

OPERATION
Fueling The Heater:
Kerosene (K-1)
For optimal performance of this heater, it is strongly suggested that K-1 kerosene be used, especially in temperatures lower than 26°F
(-3°C). K-1 kerosene has been refined to virtually eliminate contaminants, such as sulfur, which can cause a rotten egg odor during the operation of the heater. Using diesel fuel can cause excess soot production. Do not use Bio-Diesel as this fuel will damage your heater’s seals and filter.
CSA certified for use with K-1 kerosene, no. 1 & no. 2 diesel, JP8/Jet A Fuel, no. 1 and no. 2 fuel oil.
DANGER: NEVE RREFEUL THE HEATER WHILE IT IS HOT OR OPERATING. FIRE OR EXPLOSION COULD RESULT.
CAUTION: NEVER FILL THE ILL THE TANK OUTDOORS. BE SURE THAT THE HEATER IS ON LEVEL GROUND WHEN FUELING, AND NEVER OVERFILL THE TANK.
WARNING: DO NOT USE GAS-OLINE OR CRANK-CASE DRAININGS.
- DO NOT use any fuel that is not approved above.
- NEVER use fuel such as, benzene, alcohol, white gas, camp stove fuel, paint thinners, or other oil compounds in this heater. THESE ARE VOLATILE FUELS THAT CAN CAUSE A FIRE OR EXPLOSION.
- NEVER store kerosene in the living space. Kerosene should be stored in a well-ventilated area outside the living area.
- NEVER store kerosene in direct sunlight or near a source of heat.
- NEVER use kerosene that has been stored from one season to the next. Kerosene deteriorates over time. OLD KEROSENE WILL NOT BURN PROPERLY IN THIS HEATER.
NOTE: Kerosene should only be stored in a blue container that is clearly marked “Kerosene.” Never store kerosene in a red container. Red is associated with gasoline.
Ventilation:
DANGER: CARBON MONOXIDE POISONING MAY LEAD TO DEATH!
- Risk of indoor air pollution and Carbon Monoxide Poisoning. Use heater only in well-ventilated areas.
- Refer to Safety Information on page 3 for information about Carbon Monoxide Poisoning.
- ALWAYS provide a fresh air opening in the heated space of at least three square feet (2,800 sq. cm) for each 100,000 Btu / Hr. (29 kW) of heater output. Provide a larger opening if more heaters are being used.
| Minimum Ventilation Opening Needed | ||
| 45-KFA | 80T-KFA | 140T-KFA |
| 1.4 ft.² | 2.4 ft.² | 4.2 ft.² |
| 1250 cm² | 2230 cm² | 3902 cm² |
| Minimum Ventilation Opening Needed | |
| 190T-KFA | 215T-KFA |
| 5.7 ft.² | 6.5 ft.² |
| 5290 cm² | 5990 cm² |
Starting the Heater: (Ignition)
- Fill the tank with kerosene or other approved fuel until the needle on the fuel gauge points to “F”.
- Replace the fuel cap and tighten firmly.
- Connect the heater to a three-prong (grounded) power source. You must use a three-prong (grounded) extension cord that is at least 6 feet long and is a minimum of 14 AWG rating.
Model 45-KFA:
- Complete steps 1-3 above.
- Move power switch to “On” position. The power indicator light will illuminate and the heater will ignite.
Stopping / Restarting Heater:
- To stop the heater, move the power switch to the “Off” position and unplug the power cord.
- To restart the heater; wait 10 seconds and follow ignition steps.
TIP: If the heater does not ignite; move switch to “Off” position, check steps 1-3 above and then move switch to “On” position.
- Complete “starting heater ignition” steps 1-3 above
- Turn the thermostat control knob to the desired temperature setting. The thermostat set range is from 40 ºF to 110 ºF.
- Move power switch to “On” position. The power indicator light and room temperature display will illuminate and the heater will ignite.
NOTE: 45-80T-KFA models do not have a room temperature display feature.
The room temperature display will indicate the following:
- When the temperature is less than 0 ºF the display says “LO”.
- When the temperature is more than 99 ºF the display says “HI”.
- Between 0 °F and 99 °F, the display shows actual temperature.
Stopping / Restarting Heater:
- To stop the heater, move the power switch to the “Off” position and unplug the power cord.
- To restart the heater; wait 10 seconds and follow ignition steps.
TIP: If the heater does not ignite, the thermostat may be set too low. Turn the control knob to a higher setting until the heater ignites. If the heater does not ignite; move switch to “Off” position, check steps 1-3 above and then move the switch to the “On” position.
Long Term Storage: Models 45-KFA – 80T-KFA:
- Use an approved siphon to drain fuel through the fuel cap opening.
Models 140T-KFA – 215T-KFA:
- Drain fuel through the drain bolt in the bottom of the fuel tank.
- To remove the drain bolt, unscrew counterclockwise.
- Using a small amount of kerosene, rinse and swirl the kerosene inside of the fuel tank, empty the tank fully.
- To replace the drain bolt; push the drain head fully into the drain hole and screw clockwise.
IMPORTANT: Never store leftover kerosene between seasons, using old fuel can damage the heater.
MAINTENANCE
Service:
DO NOT TAMPER WITH THE UNIT. HAVE A COMPETENT SERVICEMAN MAKE ANY NECESSARY ADJUSTMENTS OR REPAIRS.
Use only original equipment parts. The use of alternate or third party components can cause unsafe operating conditions and will void your warranty.
We suggest following a maintenance schedule as follows:
FUEL / FUEL TANK:
Flush tank every 200 hours of operation or as needed. DO NOT flush with water; use fresh K-1 kerosene only.
AIR FILTERS:
The air intake filter should be replaced or washed with soap and water and dried thoroughly every 500 hours of operation or less depending on conditions.
The output and lint filters should be replaced every 500 hours of operation or less depending on conditions. (See Figure 4)
NOTE: Use of diesel fuel may require additional maintenance
FAN BLADES:
Blades should be cleaned at least once per heating season, depending on conditions. Remove all accumulated dust and dirt with a damp cloth, taking care not to bend any of the fan blades. Be sure the blades are dry before re-starting the heater.
FUEL FILTER:
The fuel filter should be cleaned at least twice per heating season. Clean the filter by rinsing it in clean K-1 Kerosene. Contaminated fuel could make cleaning the fuel filter necessary immediately.
NOTE: To remove the filter from models 45 – 80T-KFA turn filter 90º clockwise. To remove the
filter from models 140T – 215T-KFA turn filter 90º counter-clockwise. See Figure 3.
THERMISTER PLACEMENT:
Ensure the thermister wire is in the proper place. The wire should be lying on the bottom shell inside the heater with the plastic end placed under the motor support/motor and away from the fan blade.
ROTOR:
The rotor with carbon vanes should be evaluated every heating season. The rotor is behind the air filters. The vanes should be inspected for damage or wear. The rotor should be inspected for damage, chips, wear, cracks.
Check rotor gap: Remove the rear cover. Loosen the two pump ring screws. Lift the pump ring upwards. Insert a 0.1 mm feeler gauge and
apply slight downward pressure, enough to offer resistance when attempting to remove gauge. Hand-tighten the two pump ring screws. Re-install the End Pump Cover and the plastic End Filter Cover. Start the heater and adjust to the proper pump pressure.
WARNING
Never service the heater while it is plugged in or hot!

Service (Continued):
SPARK PLUG:
Clean and re-gap every 600 hours of operation, or replace as needed. After removing the spark plug, clean the terminals with a wire brush. Re-gap the terminals to 0.140” (3.5mm).

PHOTOCELL:
The photocell should be cleaned using a cotton swab dipped in alcohol or water at least once per heating season, or more depending on conditions.

PUMP PRESSURE:
While heater is operating, turn adjusting screw clockwise to increase, counter-clockwise to decrease pressure. Correct pump pressure is as follows:
| Model Number | Pump Pressure |
| 45-KFA | 3.0 PSI (0.21 BAR) |
| 80T-KFA | 4.2 PSI (0.29 BAR) |
| 140T-KFA | 6.6 PSI (0.46 BAR) |
| 190T-KFA | 8.5 PSI (0.59 BAR) |
| 215T-KFA | 9.0 PSI (0.62 BAR) |

NOZZLES:
Nozzles should be cleaned or replaced at least once per heating season. Contaminated fuel could make this necessary immediately. To clean dirt from the nozzle, blow compressed air through the nozzle front. It may be necessary to soak the nozzle in K-1 kerosene to loosen any dirt particles.

WIRING DIAGRAMS

80T – 215T-KFA

TROUBLESHOOTING GUIDE
| Problem | Possible Cause | Solution |
| Heater Ignites, but main PCB shuts off after a short period of time. Lamp flickers and LED display shows “E1”. | 1. Incorrect pump pressure. 2. Dirty input, output or lint filter. 3. Dirty fuel filter. 4. Nozzle is dirty. 5. Photocell lens is dirty. 6. Photocell not installed properly. 7. Photocell is defective. 8. Improper electrical connection between main PCB and photocell. 9. Improper location of thermister sensor (does not apply to 45-KFA model) 10. Improper electrical connection within the temperature limit switch | 1. Adjust pump pressure. 2. Clean / replace air or lint filter. 3. Clean / replace fuel filter. 4. Clean / replace Nozzle. 5. Clean / replace photocell. 6. Adjust photocell position 7. Replace photocell 8. Check wiring connections (see wiring diagrams on page 10). 9. Check thermister placement 10. Replace temperature limit switch |
| Heater will not operate or motor runs for a short time. Lamp flickers and LED display shows “E1”. | 1. No kerosene in the fuel tank. 2. Incorrect pump pressure. 3. Corroded spark plug or incorrect plug gap. 4. Dirty fuel filter. 5. Dirty nozzle. 6. Moisture in fuel tank. 7. Improper electrical connection between transformer and circuit board. 8. Ignitor wire not connected to spark plug. 9. Defective ignitor. 10. Improper spacing with rotor | 1. Fill tank with fresh kerosene. 2. Adjust pump pressure. 3. Clean / replace spark plug. 4. Clean / replace fuel filter. 5. Clean / replace nozzle. 6. Rinse fuel tank with clean, fresh kerosene. 7. Inspect all electrical connections (see wiring diagrams on page 10). 8. Re-attach ignitor wire to spark plug. 9. Replace ignitor. 10. Adjust rotor |
| Fan does not operate when heater is plugged in and power switch is in the “ON” position. The lamp is flickering or and LED display shows “E1” or “E2”. | 1. Thermostat is set too low (does not apply to 45-KFA model). 2. Broken electrical connection between main PCB and motor. | 1. Rotate thermostat to a higher setting 2. Inspect all electrical connections (see wiring diagrams on page 10). |
| Lamp is flickering and LED display shows “E3”. | 1. Thermostat switch has failed. | 1. Replace thermostat switch (see Wiring diagrams on page 10). |
| Poor combustion and / or excess soot production. | 1. Dirty input, output or lint filter. 2. Dirty fuel filter. 3. Poor quality of fuel. 4. PSI is too high or too low. 5. Dirty nozzle | 1. Clean / replace air or lint filter. 2. Clean / replace fuel filter. 3. Flush fuel tank and refuel heater. 4. Use proper pressure. 5. Clean / replace nozzle |
| Heater does not turn on and the lamp is not lit. | 1. Temperature limit sensor has overheated. 2. No electrical power.
3. Fuse is blown. 4. Improper electrical connection between temperature limit sensor and circuit board. | 1. Push power switch to “OFF and allow heater to cool for 10 minutes. Restart heater. 2. Check power cords for proper connection and test the power supply. 3. Check / replace the fuse. 4. Inspect all electrical connections (see wiring diagrams on page 10). |
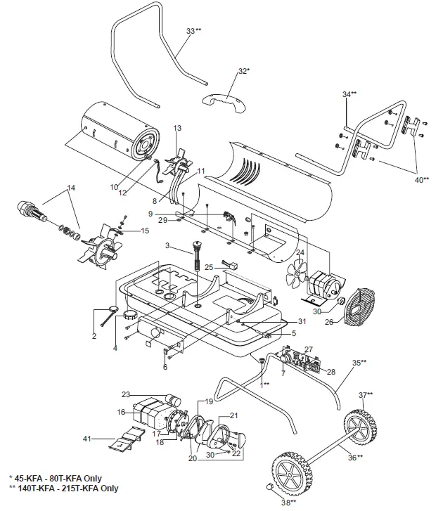
EXPLODED VIEW

PARTS LIST
| # | Description | 45-KFA | 80T-KFA | 140T-KFA | 190T-KFA | 215T-KFA |
| 1 | Drain Bolt | – | – | 70-002-0115 | 70-002-0115 | 70-002-0115 |
| 2 | Fuel Gauge | 70-007-0110 | 70-007-0110 | 70-007-0215 | 70-007-0215 | 70-007-0215 |
| 3 | Fuel Filter | 70-003-0100 | 70-003-0100 | 70-003-0200 | 70-003-0200 | 70-003-0200 |
| 4 | Fuel Cap – Large Plastic | 70-006-0140 | 70-006-0140 | 70-006-0140 | 70-006-0140 | 70-006-0140 |
| 5 | Power Cord | 70-034-0100 | 70-034-0100 | 70-034-0205 | 70-034-0205 | 70-034-0205 |
| 6 | Power Switch | 70-038-0100 | 70-038-0100 | 70-038-0100 | 70-038-0100 | 70-038-0100 |
| 7 | Thermostat Control Knob | – | 70-031-0100 | 70-031-0100 | 70-031-0100 | 70-031-0100 |
| 8 | Air Line | 70-035-0100 | 70-035-0200 | 70-035-0300 | 70-035-0400 | 70-035-0500 |
| 9 | Thermostat Limit Control | 70-019-0100 | 70-019-0100 | 70-019-0100 | 70-019-0100 | 70-019-0200 |
| 10 | Photocell Bracket | 70-010-0101 | 70-010-0101 | 70-010-0101 | 70-010-0101 | 70-010-0101 |
| 11 | Fuel Line | 70-036-1010 | 70-036-1010 | 70-036-1020 | 70-036-1030 | 70-036-1040 |
| 12 | Photocell | 70-016-0100 | 70-016-0100 | 70-016-0100 | 70-016-0100 | 70-016-0100 |
| 13 | Burner Head Assembly | 70-014-0101 | 70-014-0101 | 70-014-0301 | 70-014-0301 | 70-014-0301 |
| 14 | Nozzle Kit | 70-015-0100 | 70-015-0205 | 70-015-0310 | 70-015-0410 | 70-015-0500 |
| 15 | Spark Plug Kit | 70-052-0100 | 70-052-0100 | 70-052-0200 | 70-052-0200 | 70-052-0200 |
| 16 | Motor | 70-021-0500 | 70-021-0500 | 70-021-0510 | 70-021-0520 | 70-021-0520 |
| 17 | Pump Body | 70-020-0101 | 70-020-0101 | 70-020-0101 | 70-020-0401 | 70-020-0401 |
| 18 | Rotor Kit | 70-022-0100 | 70-022-0100 | 70-022-0100 | 70-022-0200 | 70-022-0200 |
| 19 | End Pump Cover | 70-020-0102 | 70-020-0102 | 70-020-0102 | 70-020-0102 | 70-020-0102 |
| 20 | Filter Kit | 70-054-0100 | 70-054-0100 | 70-054-0100 | 70-054-0100 | 70-054-0100 |
| 21 | End Filter Cover | 70-020-0103 | 70-020-0103 | 70-020-0103 | 70-020-0103 | 70-020-0103 |
| 22 | Pump Adjustment Kit | 70-055-0100 | 70-055-0100 | 70-055-0100 | 70-055-0100 | 70-055-0100 |
| 23 | Capacitor | 70-020-0125 | 70-020-0125 | 70-020-0200 | 70-020-0201 | 70-020-0201 |
| 24 | Fan | 70-024-0100 | 70-024-0200 | 70-024-0300 | 70-024-0400 | 70-024-0400 |
| 25 | Ignitor | 70-037-0350 | 70-037-0350 | 70-037-0350 | 70-037-0350 | 70-037-0350 |
| 26 | Fan Guard | 70-016-0700 | 70-016-0700 | 70-016-0200 | 70-016-0200 | 70-016-0200 |
| 27 | Main PCB Assembly | 70-027-0100 | 70-027-0200 | 70-027-0300 | 70-027-0300 | 70-027-0300 |
| 28 | Fuse | 70-027-0101 | 70-027-0101 | 70-027-0101 | 70-027-0101 | 70-027-0101 |
| 29 | Clip Nut | 70-001-0106 | 70-001-0106 | 70-001-0106 | 70-001-0106 | 70-001-0106 |
| 30 | Air Pressure Gauge | – | 70-025-0100 | 70-025-0100 | 70-025-0100 | 70-025-0100 |
| 31 | Cord Bushing | 70-033-0100 | 70-033-0100 | 70-033-0200 | 70-033-0200 | 70-033-0200 |
| 32 | Handle | 70-001-0103 | 70-001-0103 | – | – | – |
| 33 | Front Handle | – | – | 70-042-0100 | 70-042-0250 | 70-042-0250 |
| 34 | Rear Handle | – | – | 70-043-0105 | 70-043-0205 | 70-043-0205 |
| 35 | Wheel Support Frame | – | – | 70-041-0700 | 70-041-0710 | 70-041-0710 |
| 36 | Wheel Axle | – | – | 70-041-0115 | 70-041-0205 | 70-041-0205 |
| 37 | Wheel | – | – | 70-041-1400 | 70-041-1400 | 70-041-1400 |
| 38 | Wheel Nut | – | – | 70-041-0550 | 70-041-0550 | 70-041-0550 |
| 39 | Hardware Kit (not pictured) | 70-056-0100 | 70-056-0100 | 70-056-0210 | 70-056-0210 | 70-056-0210 |
| 40 | Cord Wrap | 70-032-0100 | 70-032-0100 | 70-032-0200 | 70-032-0200 | 70-032-0200 |
| 41 | Motor Supporter | 70-020-0600 | 70-020-0600 | 70-020-0610 | 70-020-0610 | 70-020-0610 |
LIMITED WARRANTY
Pinnacle Climate Technologies, Inc. warrants this heater to the original retail purchaser only, to be free from defects in material and workmanship for a period of one (1) year from the date of initial purchase. This product must be properly installed, maintained and operated in accordance with the instructions provided.
Pinnacle Climate Technologies, Inc. requires reasonable proof of your date of purchase from an authorized retailer or distributor. Therefore, you should keep your sales slip, invoice or canceled check from the original purchase. This Limited Warranty shall be limited to the repair or replacement of parts, which prove defective under normal use and service within the warranty period, and which Pinnacle Climate Technologies, Inc. shall determine at its reasonable discretion.
This warranty does not apply to products purchased for rental use. This Limited Warranty does not cover any failures or operating difficulties due to normal wear and tear, accident, abuse, misuse, alteration, misapplication, improper installation, or improper maintenance and service by you or any third party. Failure to perform normal and routine maintenance on the heater, shipping damage, damage related to insects, birds or animals of any kind, and damage due to weather conditions are also not covered. In addition, the Limited Warranty does not cover damage to the finish, such as scratches, dents, discoloration, rust or other weather damage, after purchase. All transportation costs for the return of damaged products or parts will be the responsibility of the purchaser. Upon receipt of the damaged item, Pinnacle Climate Technologies, Inc. will examine the item and determine if defective. Pinnacle Climate Technologies, Inc. will repair or replace and return the item, freight pre-paid.
If Pinnacle Climate Technologies, Inc. finds the item to be in normal operating condition, or not defective the item will be returned freight collect. This Limited Warranty is in lieu of all other express warranties. Pinnacle Climate Technologies, Inc. disclaims all warranties for products that are purchased from sellers other than authorized dealers or distributors. AFTER THE PERIOD OF THE ONE (1) YEAR EXPRESS WARRANTY EXPIRES, Pinnacle Climate Technologies, Inc. DISCLAIMS ANY AND ALL IMPLIED WARRANTIES, INCLUDING WITHOUT LIMITATION THE IMPLIED WARRANTIES OF MERCHANTABILITY AND FITNESS FOR A PARTICULAR APPLICATION. FURTHER, Pinnacle Climate Technologies, Inc. SHALL HAVE NO LIABILITY WHATSOEVER TO PURCHASER OR ANY THIRD PARTY FOR ANY SPECIAL, INDIRECT, PUNITIVE INCIDENTAL, OR CONSEQUENTIAL DAMAGES. Pinnacle Climate Technologies, Inc. assumes no responsibility for any defects caused by third parties. This Limited Warranty gives the purchaser specific legal rights; a purchaser may have other rights depending upon where he or she lives. Some states do not allow the exclusion or limitation of special, incidental or consequential damages, or limitations on how long a warranty lasts, so the above exclusion and limitations may not apply to you. Pinnacle Climate Technologies, Inc. does not authorize any person or company to assume for it any other obligation or liability in connection with the sale, installation, use, removal, return or replacement of its equipment, and no such representations are binding on Pinnacle Climate Technologies, Inc. Always be sure to specify the model number and serial number when making any claim with Pinnacle Climate Technologies, Inc. For your convenience, use the space provided below to list this information.
Locating Your Serial Number:
Your serial number can be found on a white label on the right side cover of your heater. It will be a series of 9 digits. For Example 131234956. Have your Serial Number ready before calling customer service at 800-641-6996.
Model #:________________________________
Serial #:________________________________
Date of Purchase: ________________________




















