DEWALT Kerosene Forced-air Heater

DEWALT Kerosene Forced-air Heater
NEVER LEAVE THE HEATER UNATTENDED WHILE BURNING!
If you have questions or comments, contact us.
Pour toute question ou tout commentaire, nous contacter.
- 855-805-5745
- www.DEWALT.com
DXH80KTHC, DXH140KTHC, DXH210KTHCX
SAVE THESE INSTRUCTIONS
WARNING: READ INSTRUCTIONS CAREFULLY: Read and follow all instructions. Place instructions in a safe place for future reference. Do not allow anyone who has not read these instructions to assemble, adjust or operate the heater.
Definitions: Safety Guidelines
The definitions below describe the level of severity for each signal word. Please read the manual and pay attention to these symbols.
DANGER: Indicates an imminently hazardous situation that, if not avoided, will result in death or serious injury.
WARNING: Indicates a potentially hazardous situation that, if not avoided, could result in death or serious injury.
CAUTION: Indicates a potentially hazardous situation that, if not avoided, may result in minor or moderate injury.
NOTICE: Indicates a practice not related to personal injury which, if not avoided, may result in property damage.
WARNING: FIRE BURN, INHALATION, AND EXPLOSION HAZARD. KEEP SOLID COMBUSTIBLES, SUCH AS BUILDING MATERIALS, PAPER, OR CARDBOARD, A SAFE DISTANCE AWAY FROM THE HEATER AS RECOMMENDED BY THE INSTRUCTIONS. NEVER USE THE HEATER IN SPACES THAT DO OR MAY CONTAIN VOLATILE OR AIRBORNE COMBUSTIBLES, OR PRODUCTS SUCH AS GASOLINE, SOLVENTS, PAINT THINNER, DUST PARTICLES OR UNKNOWN CHEMICALS.
WARNING: GENERAL HAZARDS
FAILURE TO COMPLY WITH THE PRECAUTIONS AND INSTRUCTIONS PROVIDED WITH THIS HEATER, CAN RESULT IN DEATH, SERIOUS BODILY INJURY AND PROPERTY LOSS OR DAMAGE FROM HAZARDS OF FIRE, EXPLOSION, BURN, ASPHYXIATION, CARBON MONOXIDE POISONING, AND/OR ELECTRICAL SHOCK. ONLY PERSONS WHO CAN UNDERSTAND AND FOLLOW THE INSTRUCTIONS SHOULD USE OR SERVICE THIS HEATER. IF YOU NEED ASSISTANCE OR HEATER INFORMATION SUCH AS AN INSTRUCTIONS MANUAL, LABELS, ETC., CONTACT THE MANUFACTURER. SAVE THESE INSTRUCTIONS FOR FUTURE REFERENCE.
WARNING: Fuels used in liquefied propane gas appliances, and the products of combustion of such fuel, can expose you to chemicals including benzene, which is known to the State of California to cause cancer and cause birth defects or other reproductive harm. For more information visit www.P65Warnings.ca.gov.
WARNING: This product can expose you to chemicals including lead and lead compounds, which are known to the State of California to cause cancer and birth defects or other reproductive harm. Wash your hands after handling this product. For more information visit www.P65Warnings.ca.gov.
WARNING: CARBON MONOXIDE CAN KILL YOU USING A PORTABLE HEATER IN AN ENCLOSED AREA CAN PRODUCE DEADLY CARBON MONOXIDE.
WARNING: NOT FOR HOME OR RECREATIONAL VEHICLE USE.
This is an unvented gas-fired portable heater. It uses air (oxygen) from the area in which it is used. Adequate combustion and ventilation air must be provided. Refer to page 4.
WARNING:
- DO NOT USE GASOLINE, NAPHTHA, OR VOLATILE FUELS.
- STOP THE HEATER AND ALLOW IT TO COOL BEFORE ADDING FUELS.
- ALWAYS FILL OUTDOORS AWAY FROM OPEN FLAME.
- DO NOT USE EXTERNAL FUEL SOURCES.
- DO NOT OPERATE A HEATER WHERE FLAMMABLE LIQUIDS OR VAPORS MAY BE PRESENT.
- DO NOT START THE HEATER WHEN THE CHAMBER IS HOT.
- DO NOT START THE HEATER WHEN EXCESS FUEL HAS ACCUMULATED IN THE CHAMBER.
- DO NOT PLACE COOKING UTENSILS ON TOP OF THE HEATER.
- PLUG THE ELECTRICAL CORD INTO A PROPERLY GROUNDED THREE-PRONG RECEPTACLE.
WARNING: For Model DXH80KTHC
Not suitable for use on wood floors or other combustible materials. When used the heater should rest on a suitable insulating material at least 1 inch thick and extending 3 feet or more beyond the heater in all directions.
Heater Specifications
CAUTION: CSA certified for use with only No. 1-K kerosene fuel. Factory Tested: Kerosene, Diesel #1 and #2, Fuel Oil #1 and #2, JP8 (Jet A Fuel)
| Model | DXH80KTHC | DXH140KTHC | DXH210KTHCX |
| Burn Rate | 80,000 BTU/hr (23.4 kW) | 140,000 BTU/hr (41.2 kW) | 210,000 BTU/hr (61.5 kW) |
| Fuel Rate | .59 gal/hr (3.9 L/hr) | 1.0 gal/hr (3.9 L/hr) | 1.6 gal/hr (6.0 L/hr) |
| Electrical Input | 115 V, 60 HZ, 1 Ø, 4.0 A | 115 V, 60 HZ, 1 Ø, 5.5 A | 115 V, 60 HZ, 1 Ø, 5.5 A |
| Line Protection | 10 A | 10 A | 10 A |
| Min. operating voltage | 110 V | 110 V | 110 V |
| Pressure Setting | 4.2 PSIG (29 kPa) | 6.8 PSIG (47 kPa) | 8.4 PSIG (58 kPa) |
| Max. Outlet Temp. | 1300 °F (704 °C) | 1300 °F (704 °C) | 1300 °F (704 °C) |
| Fuel Tank Capacity | 6 gallons (22.7 L) | 10 gallons (37.9 L) | 15 gallons (56.8 L) |
| Ignition | Direct Spark, Continuous | Direct Spark, Continuous | Direct Spark, Continuous |
| Spark Generator | Igniter, 12 kV, 0.36 A | Igniter, 12 kV, 0.36 A | Igniter, 12 kV, 0.36 A |
| Primary Safety Control | Solid-State Control | Solid-State Control | Solid-State Control |
|
Certification | ![]() | ![]() | ![]() |
WARNING: If the information in this manual is not followed exactly, a fire or explosion may result causing injury or loss of life.
- Do not store or use gasoline or other flammable vapors and liquids in the vicinity of this or any other appliance.
- Service must be performed by a qualified service agency.
CONTENTS | |
| WARNINGS | 2 |
| HEATER SPECIFICATIONS | 3 |
| OPERATING & SAFETY PRECAUTIONS | 4 |
| LIGHTING/OPERATING INSTRUCTIONS | 5 |
| MAINTENANCE | 5 |
| EXPLODED VIEW AND PARTS LIST | 8 |
| WIRING DIAGRAM | 11 |
Minimum Clearances: Outlet: 8 feet (250 cm) / Sides, Top, Rear: 3 feet (91.4 cm)
WARNING: Operating Precautions
This is a kerosene, direct-fired, forced air heater. It’s intended use is primarily temporary heating of buildings under construction, alteration or repair. Direct-Fired means that all of the combustion products enter the heated space. Even though this heater operates very close to 100 percent combustion efficiency, it still produces small amounts of carbon monoxide. Carbon monoxide (called CO) is toxic. CO can build up in a heated space and failure to provide adequate ventilation could result in death. The symptoms of inadequate ventilation are:
- headache
- dizziness
- burning eyes and nose
- nausea
- dry mouth or sore throat
Be sure to follow advice about ventilation in the Safety Precautions section. Forced Air means that a blower or fan pushes the air through the heater. Proper combustion depends upon this airflow; therefore, the heater must not be revised, modified, or operated with parts removed or missing. Likewise, safety systems must not be circumvented or modified in order to operate the heater. When the heater is to be operated in the presence of other people the user is responsible for properly acquainting those present with the safety precautions instructions, and of hazards involved.
WARNING: Safety Precautions
THIS IS A HEATING APPLIANCE. DO NOT ATTEMPT TO WARM OR COOK FOOD ON THIS HEATER.
- Recommended for use with No.1-K kerosene fuel. Factory tested for use with No.2-K kerosene, No.1 or No.2 Diesel, No.1 or No.2 fuel oil, or JP8 Jet A fuel, and these fuels may be used as well. Never use gasoline, biodiesel, oil drained from crankcases, naphtha, paint thinners, alcohol, or any other highly flammable fuels.
- Check the heater thoroughly for damage. DO NOT operate a damaged heater.
- DO NOT modify the heater or operate a heater that has been modified from its original condition.
- Suitable for either outdoor or indoor use where adequate ventilation is provided. Never use in areas normally for habitation. Not for use where exposed to the weather.
- Use in well-ventilated areas, provide at least 2 sq. ft. (0.19 sq. m.) of opening near the floor and 2 sq. ft. (0.19 sq. m.) near the ceiling directly to outdoors. Increase air openings as marked for each additional heater.
- Always keep combustibles, like paper and wood at least 8 ft. (250 cm) from the heater outlet and 3 ft. (91.4 cm) from the top, sides, and inlet. Locate 10 ft. (3.0 m) from canvas or plastic coverings and secure them to prevent flapping movement.
- Caution: Due to the high surface and exhaust temperatures, adults and children must observe clearances to avoid burns or clothing ignition. Do Not Touch. Keep children, clothing, and combustible away.
- Install the heater such that it is not directly exposed to water spray, rain, and/or water.
- Never use in areas normally for habitation and/or where children may be present.
- Operate only on a stable, level surface.
- Do not use ductwork. Do not restrict inlet or exit.
- Use only with electrical power specified. The electrical connection and grounding must comply with National Electrical Code – ANSI/NFPA 70 (USA) and CSA C22.1 Canadian Electrical Code, Part 1 (Canada).
- Use only a properly grounded 3-prong receptacle or extension cord.
- Do not move, handle, or service while hot or in operation.
- Use only in accordance with local, state (provincial) or national requirements, ordinances, and codes.
Operating Instructions
UNPACKING
- Remove the heater from the carton.
- Remove all protective material that may have been applied to the heater for shipment.
- Check the heater for possible shipping damage. If any damage is found immediately contact the manufacturer at 855-805-5745.
OPTIONAL CARD CADDY
Each heater comes with an optional cord caddy kit including screws, nuts, and instructions.
WHEEL AND HANDLE ASSEMBLY
Wheels and handles are found in the shipping carton along with mounting hardware. The wheels, axle, and mounting hardware are in a package.
- Handles come pre-assembled on the tank. The transport handle and support foot simply snap into place.
- To assemble the wheels, first Install one of the large lock nuts onto the end of the axle.
- Slide one wheel onto the axle next to the nut, then one spacer.
- Slide the partially assembled axle through the wheel support frame.
- Slide the spacer onto the axle next to the wheel support.
- Slide the wheel, then large last large lock nut onto the axle. Using two adjustable wrenches hold both nuts and tighten. DO NOT OVERTIGHTEN
- Install the caps over the lock nuts to finish the wheel assembly.
PREPARATION FOR OPERATION
- Check the heater for possible shipping damage. If any is found, immediately
contact the manufacturer at 855-805-5745. - Follow all WARNINGS and Precautions found in this manual.
- Fill the fuel tank with clean kerosene. In extremely cold weather, condensation may develop in the tank and it is recommended that a tablespoon of de-icer be added for each gallon (4 liters) of fuel in the tank. When filling the heater, use at least 2 gallons (8 liters) of fuel. Be sure the heater is level and do not overfill. Use a funnel or can with a long fill spout.
- Locate the heater at a safe distance from combustible materials.
IMPORTANT: Before filling the fuel tank the first time or after extended storage periods, drain the fuel
tank of any moisture or condensation.
HEATER STARTUP
- Turn the thermostat to the lowest setting and make sure the “On/Off” switch is “Off”.
- Plug the heater into a grounded 115V, 60 Hz, 1 Ø outlet.
- Start heater by pushing toggle switch to “On” position (light signifies switch is in “On” position.)
- Adjust the thermostat to the desired setting. The heater will cycle on/off as heat is required.
- In cold weather (below 10 °F [-12.2 °C] ) starting may be improved by holding a finger over the vent hole of the pump adjustment screw cap until the heater starts.
- This unit is equipped with an interrupt circuit. The reset is integrated into the “On/Off” switch. If the unit does not start, toggle the switch to “Off”, wait 5 min, and toggle the switch to “On”
- EXTENSION CORD REQUIREMENTS: Up to 100’ (30.5 M) use 16 AWG conductor. 101’ – 200’ (30.5 – 61.0 m) use 14 AWG conductor.
HEATER SHUT DOWN
Push “On/Off” switch to “Off” position. For extended shutdown, unplug the heater from the power source. HEATER RESTART AFTER SAFETY SHUTDOWN
- Toggle switch to “OFF” position
- Wait 5 minutes
- Restart
Maintenance and Storage
WARNING: To prevent personal injury, unplug the heater from the wall outlet before servicing. For maximum efficiency and trouble-free service, make the following periodic maintenance, cleaning, and inspections.
ADJUSTING PUMP PRESSURE
Due to varying fuel viscosities and normal component wear the pump pressure on this heater may need to be adjusted.
ADJUSTMENT PROCEDURE
- Fill fuel tank.
- Start heater.
- Locate the pressure adjustment screw, located on the back of the power pack assembly and accessible by the handle of the heater.
- Remove the rubber cap over the fuel pressure adjustment screw.
- Using a flat-bladed screwdriver, turn the pump pressure adjustment screw:
• clockwise
to increase pump pressure
• counter-clockwise
decrease pump pressure By using the installed pressure gauge (if equipped) you may quantitatively calibrate the pressure. The manufacturer’s recommended pump pressures are in the specifications chart on page 3. - The desired qualitative burner characteristics are that the nose cone in the combustion chamber should be cherry red with no dark spots and the flame should not extend beyond the nose cone.
IMPROPER PRESSURE ADJUSTMENT
Problem:
The heater does not have a strong consistent flame. Heater smokes and spits raw fuel.
The nose cone does not get cherry red.
Adjustment:
Pump pressure is too low. Turn the adjustment screw clockwise to increase pump pressure
Problem:
Flame extends beyond the end of the heater.
Adjustment:
Pump pressure is too high. Turn adjustment screw counterclockwise to decrease pump pressure.
Daily Maintenance Schedule
- GENERAL. Make a general visual inspection of the heater for loose or damaged parts. Check nuts and bolts to ensure against looseness caused by vibration or rough handling. Damaged parts should be repaired or replaced before using the heater again. Check heater operation to be sure it is operating normally (See “Servicing” section for a description of normal operation).
2. FILTERS. Dirty air or fuel filters will cause an imbalance in the air-fuel mixture. The best indication that this condition exists is an increase in odors or difficulty getting your heater to ignite. This heater should never be operated without the filters in place. If required, clean filters as described under “500 Hours” and “Annual
Schedules”.
500 Hour Maintenance Schedule
- AIR INTAKE FILTER. Remove and wash the filter element with a mild detergent, dry thoroughly and replace. Do not oil the filter element. If your heater is used where there is considerable dust or dirt, clean as often as necessary(approximately every 50 hrs.).
- REMOVE DUST. Clean heater twice a season (more often under dusty conditions). Remove accumulated dust from the transformer, burner, motor, and fan blades with compressed air. Wipe area clean with a clean dry cloth. Inspect the area to insure all foreign materials are removed, especially around the burner and combustion area. Safety glasses should be worn when using compressed air.
- CAD CELL. Clean the glass portion of the cad cell with a soft dry cloth.
- NOZZLE. Accumulation of dirt from fuel and carbon from the compressor vanes will eventually fill up the passages in the nozzle, resulting in a reduction of fuel and airflow. Pressure will gradually increase giving improper fuel-air mixture and excess odor and smoke. If this occurs, replace the fuel nozzle.
- FUEL TANK. Clean twice a season (during frequently used periods, clean twice a month). Drain and flush the fuel tank with clean fuel oil. Make sure to dispose of waste fuel properly.
Annual Maintenance Schedule
- AIR OUTPUT FILTER. Remove the air output filter and tap the contaminated side gently on a solid object to remove contaminates. Compressed air or liquids should not be used to clean this filter. Reinstall cleaned filter in filter body in the same position as it was when removed. If the filter appears extremely dirty, replace it with a new filter of the same type. When replacing the filter cover, be sure the gasket is firmly in place and the screws in the filter cover are tight to prevent air leaks.
- FUEL FILTER. Remove the fuel filter from fuel line and direct compressed air through the filter in the opposite direction of fuel flow. Safety glasses should be worn when using compressed air.
- AIR AND FUEL LINES. If the air or fuel lines are removed during cleaning, be sure all connections are tight before operating the unit.
Storage
Store the heater in a dry location free from fumes or dust. At the end of each heating season, clean the heater as described in the MAINTENANCE section. Drain and flush the fuel tank with clean fuel. The manufacturer recommends completely filling the tank with fuel for extended storage to minimize condensation inside the tank. It is recommended to only store kerosene in containers that are marked “KEROSENE”.
Servicing
WARNING: A hazardous condition may result if a heater is used that has been modified or is not functioning properly. When the heater is working normally:
- The flame is contained within the heater.
- The flame is essentially yellow.
- There is no strong disagreeable odor, eye burning, or another physical discomfort.
- There is no smoke or soot internal or external to the heater.
- There are no unplanned or unexplained shutdowns of the heater.
Troubleshooting
High limit switch open circuit
- Make sure the heater is cooled off, toggle switch to “OFF” position, wait 5 minutes and retry.
Sparks, calling for flame, but no or slow motor operation
- Check wiring to the motor (per wiring schematic in manual)
- Make sure that the pressure gauge is in place and not damaged
- Adjust pressure for proper heater operation per manual
- With heater disconnected from AC source, rotate fan clockwise to verify motor is free
- Remove air filter housing from the motor and inspect the pump rotor for damage. If damaged, replace rotor assembly.
- If wiring is correct, the pump rotor is okay, and the motor is not rotating freely, replace the motor or power-pack assembly.
- If the problem persists, replace the oil flame control assembly.
- Check for spark arcing from the electrode assembly, to the combustion cylinder.
- Check the cad cell for continuity.
No Spark
- Check length and gauge of extension cord for the proper amp. draw (check page 5)
- Check wiring to igniter (per wiring schematic in manual)
- Check gap between electrode probes (2.3 – 3mm)
- Still, no spark, replace igniter assembly
- Replace oil flame control assembly
Abnormal Motor Operation – Motor overheats or Stops
- Motor speed too low (Motor should operate at 3450 rpm) – Replace motor
- With heater disconnected from AC source, rotate fan clockwise to verify motor is free
- Remove air filter housing from the motor and inspect the pump rotor for damage. If damaged, replace rotor assembly
- If wiring is correct, pump rotor is okay, and the motor is not rotating freely, replace the motor or power-pack assembly
- Replace oil flame control assembly
Unable to Detect Flame
- Check wiring to cad cell (per wiring schematic in manual)
- Clean cad cell photocell
a) Slide cad cell out of cad cell holder
b) Push the photocell out of the black rubber cad cell housing by pushing on the 2 purple wires
c) Clean the photocell with a soft cloth and rubbing alcohol
d) Pull the photocell back into the cad cell housing and reinstall it into the holder
e) Test heater - If the heater still does not operate, replace cad cell
- Replace oil flame control assembly
Flame Control Failure
- Check the wiring in the heater (per wiring schematic in manual).
- Replace oil flame control assembly.

REPLACEMENT PARTS LIST
# | 80K | 140K | 210K | Description |
| 1 | 27175 | 27225 | 27226 | Fuel Tank |
| 2 | 27176 | 27176 | 27176 | Fuel Filter Rubber Grommet |
| 3 | 27177 | 27177 | 27177 | Fuel Gauge |
| 4 | 26959 | 26959 | 26959 | Fuel Tank Cap |
| 5 | n/a | n/a | n/a | Rear Saddle Bracket |
| 6 | n/a | n/a | n/a | Front Saddle Mount |
| 7 | 27210 | 27211 | 27212 | Lower Barrel |
| 8 | 27179 | 27179 | 27179 | Grommet |
| 9 | 27180 | 27180 | 27180 | High Limit Switch Bracket |
| 10 | 27181 | 27181 | 27181 | High Limit Switch |
| 11 | F226865 | F226865 | F226865 | Photo Cell Assembly |
| 12 | n/a | n/a | n/a | Photo Cell Sensor (see # 11) |
| 13 | 27182 | 27182 | 27182 | Igniter Electrode |
| 14 | 27183 | 27183 | 27183 | Nozzle Adapter |
| 15 | 27185 | 27231 | 27231 | Rubber Air Tube |
| 16 | 27184 | 27233 | 27233 | Rubber Fuel Tube |
| 17 | n/a | n/a | n/a | Fuel Line Clamp (source at your local hardware store) |
| 18 | 27186 | 27235 | 27236 | Nozzle |
| 19 | 27213 | 27214 | 27215 | Front Cover |
| 20 | 27288 | 27217 | 27218 | Rear Cover |
| 21 | 27189 | 27237 | 27237 | Inlet Grill |
| 22 | n/a | n/a | n/a | Strain Relief |
| 23 | n/a | n/a | n/a | Power Cord |
| 24 | 27289 | 27283 | 27286 | Control Side Left Saddle |
| 25 | 27191 | 27191 | 27191 | Transformer |
| 26 | 27290 | 27284 | 27287 | Right Saddle |
| 27 | n/a | n/a | n/a | Oil Filter (see # 75) |
| 28 | n/a | 27239 | 27240 | Wheel Axle |
| 29 | n/a | 27241 | 27242 | Wheel |
| 30 | 27291 | 27274 | 27274 | Transport Handle |
| 31 | n/a | 27243 | 27243 | Left Lift Handle |
| 32 | n/a | 27245 | 27245 | Right Lift Handle |
| 33 | n/a | 27247 | 27248 | Front Lift Handle |
| 34 | n/a | 27249 | 27249 | Lower Foot Adapter Tube |
| 35 | n/a | 27251 | 27251 | Foot |
| 36 | n/a | n/a | n/a | Motor (see # 72) |
| 37 | 27193 | 27253 | 27253 | Motor Bracket |

# | 80K | 140K | 210K | Description |
| 38 | 27194 | 27255 | 27256 | Fan Blade |
| 39 | 27195 | 27195 | 271 | Capacitor |
| 40 | n/a | n/a | n/a | Pump Plate (see # 72) |
| 41 | n/a | n/a | n/a | Pump Ring (see # 72) |
| 42 | n/a | n/a | n/a | Rotor (see # m and 73) |
| 43 | n/a | n/a | n/a | Plastic Pump Drive Key (see # 72 or 73) |
| 44 | n/a | n/a | n/a | Vanes (see # 72 or 73) |
| 45 | n/a | n/a | n/a | Plastic Inlet Housing (see # 72) |
| 46 | n/a | n/a | n/a | Inlet Housing Gasket (see # 75) |
| 47 | n/a | n/a | n/a | Filter (see # 75) |
| 49 | n/a | 27197 | n/a | Small Foam Filter (see # 75) |
| 50 | n/a | n/a | n/a | Steel Ball Bearing (see # 74) |
| 51 | n/a | n/a | n/a | Adjustment Spring (see # 74) |
| 52 | n/a | 27273 | 27273 | Pressure Gauge |
| 53 | n/a | n/a | n/a | Pump Adjustment Screw (see # 74) |
| 54 | n/a | n/a | n/a | Large Dustproof Sponge (see # 75) |
| 55 | 27198 | 27257 | 27258 | Combustion Chamber Assembly* |
| 56 | n/a | n/a | n/a | Air Deflector Assembly (see # 55)* |
| 57 | 27199 | 27199 | 27199 | Circuit Board |
| 58 | 27200 | 27200 | 27200 | Single Pole Switch |
| 59 | 27292 | 27282 | 27282 | Thermostat Knob |
| 60 | n/a | 27260 | 27260 | Handle Tube Plug |
| 62 | n/a | 27262 | 27262 | Drain Plug with Gasket |
| 63 | 27202 | 27202 | 27202 | Photo Cell Bracket |
| 64 | n/a | n/a | n/a | Brass Barb Elbow |
| 66 | 27203 | 27203 | 27203 | Circuit Board Bracket |
| 67 | n/a | 27263 | 27264 | Cord Wrap |
| 68 | n/a | 27265 | 27266 | Metal Standoff |
| 69 | 27293 | 27281 | 27281 | Thermostat Board |
| 70 | n/a | n/a | n/a | Spring Clip (210K Only) |
| 71 | n/a | 27269 | 27269 | Wheel Hardware Kit (not pictured) |
| 72 | 27205 | 27271 | 27272 | Power Pack |
| 73 | F226831 | F226831 | F226831 | Rotor Kit |
| 74 | F266842 | F266842 | F266842 | Adjustment Kit |
| 75 | F221887 | F221887 | F221887 | Filter Kit |
∗140K Shown
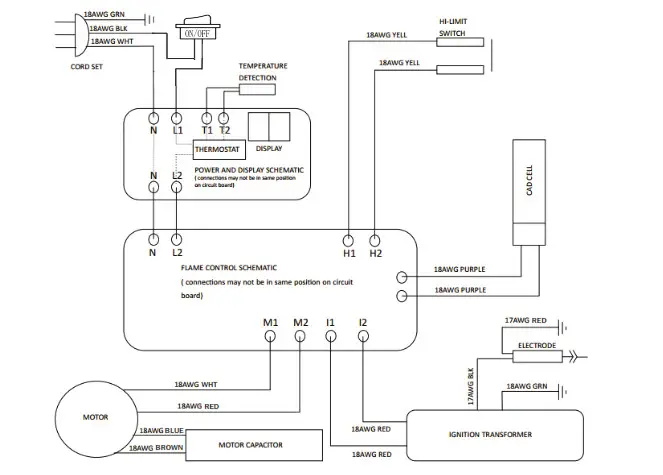
WIRING DIAGRAM

CAUTION: The parts lists and wiring diagram show the heater as it was constructed. Do not use a heater that is different from that shown. Heater performance is affected by air pressure setting. If there is any uncertainty about the air pressure setting, have it checked. A heater which is not working right must be repaired, but only by a trained, experienced service person.
INSTRUCTION MANUAL
Kerosene Forced Air Heater DXH80KTHC,DXH140KTHC,DXH210KTHCX

Warning
USE ONLY THE MANUFACTURER’S REPLACEMENT PARTS. USE OF ANY OTHER PARTS COULD CAUSE INJURY OR DEATH. REPLACEMENT PARTS ARE ONLY AVAILABLE DIRECT FROM THE FACTORY AND MUST BE INSTALLED BY A QUALIFIED SERVICE AGENCY.
PARTS ORDERING INFORMATION:
PURCHASING: Accessories may be purchased at any DeWALT® local dealer or direct from the factory
FOR INFORMATION REGARDING SERVICE:
Please call Toll-Free 855-805-5745 www.DEWALT.com
Our office hours are 8:00 AM – 5:00 PM, EST, Monday through Friday.
Please include the model number, date of purchase, and description of the problem in all communication.
LIMITED WARRANTY
DeWALT® warrants its heaters and accessories to be free from defects in material and workmanship for a period of 2 years from date of purchase. DeWALT® will repair or replace this product free of charge if it has been prove to be defective within the 2 years period, and is returned at customer expense with proof of purchase to DeWALT® within the warranty period.
DeWALT®, GUARANTEED TOUGH® and the yellow and black color scheme are trademarks of the DeWALT Industrial Tool Co., used under license. ©2020 DeWALT. EGI/Enerco Group Inc. Under license from DeWALT Industrial Tool Co
UL733, CSA B140.8, CSA B140.9.3
If you have questions or comments, contact us.
Pour toute question ou tout commentaire, nous contacter.
INSTRUCTION MANUAL GUIDE DE’UTILISATION MANUAL DE INSTRUCCIONES
DXH80KTHC, DXH140KTHC, DXH210KTHCX
SAVE THESE INSTRUCTIONS CONSERVEZ CES INSTRUCTIONS GUARDE ESTAS INSTRUCCIONES
WARNING: READ INSTRUCTIONS CAREFULLY: Read and follow all instructions. Place instructions in a safe place for future reference. Do not allow anyone who has not read these instructions to assemble, adjust or operate the heater.
DOWNLOAD RESOURCES
- DEWALT Kerosene Forced-air Heater [pdf] Instruction Manual Kerosene Forced-air Heater, DXH80KTHC, DXH140KTHC, DXH210KTHCX
- Read more: https://#manualsee.com/dewalt/kerosene-forced-air-heater-manual#ixzz7oh8TPHro
FAQ’S
The DXH185KT thermostatically controlled forced air kerosene heater burns at 185,000 BTU/HR and can be used with kerosene diesel, fuel oil or JP-8 fuels.
It will go through a full tank of kerosene in about 10 hours. So, a 5 gallon kerosene can will only last you about 25 hours.
Asphyxiation. Kerosene heaters consume oxygen as they burn. If they are operated in a small room or in an inadequately ventilated area, oxygen in the air could be reduced to a dangerous level.
The wick draws kerosene from the tank via capillary action. Once lit, the wick heats the Kerosene until it turns into a gas (gasification) and this gas is then burnt which heats air via convection or nearby objects via radiation. The burner is designed to properly oxygenate and distribute the flames.
Provide adequate ventilation
Adequate ventilation is necessary for safe operation of the kerosene heater. Burning kerosene consumes oxygen and produces carbon dioxide, sulfur dioxide, nitrogen dioxide, carbon monoxide and other gases.
The only fuel approved for DEWALT kerosene heaters is K-1 kerosene. K-1 kerosene is most commonly found at local convenience stores and service stations. Only buy kerosene that is rated K-1. Lesser quality fuels will produce odor and may cause other problems.
The DEWALT Kerosene Forced-air heater’s wick needs at least 60 minutes to soak up enough fuel to burn properly. It is important to WAIT 60 minutes ANYTIME the heater has completely burnt the fuel tank “dry”.
If your kerosene heater won’t light:
Make sure your heater is filled with quality K-2 grade kerosene, and that the wick has been soaked for at least an hour before attempting to light it. When you push the “ignite” button, the igniter should move into position above the wick surface and glow a bright orange.
Button all the way down that turns on the gas. And you’re going to light it. And you’re going to hold that down for a few seconds about 10 until the entire honeycomb is lit.
Drain the fuel tank and remove the wick assembly. Replace the wick and wick assembly and refill the fuel tank with kerosene.
Light the kerosene heater with little kerosene in the fuel tank. Allow it to burn dry until the flame starts to go out. …
Wait one hour, relight the wick with a match and let it burn out again.
Either way, restarting a furnace is a relatively simple task that takes no longer than 10 minutes to complete. Follow these steps to reset your gas furnace: Turn the circuit breaker off and switch the furnace power button off too. Never touch the breaker with wet hands and use only one hand to do it.
Never use a space heater overnight in the room where you are sleeping. Dangerous levels of carbon monoxide could accumulate from fuel-fired heaters, or uncontrolled burning could cause a fire. Never use or store flammable liquids (such as gasoline) around a space heater.
Kerosene vapours may be mildly irritating to the respiratory system and spray applications of kerosene may provoke signs of pulmonary irritation such as coughing and dyspnoea. Kerosene aspiration leads to inflammation and loss of surfactant.
https://www.dewalt.com/




















