DEWALT DXH40FA Forced Air Propane Construction Heater Instruction Manual
Forced Air Propane Construction Heater DXH40FA
READ INSTRUCTIONS CAREFULLY: Read and follow all instructions. Place instructions in a safe place for future reference. Do not allow anyone who has not read these instructions to assemble, adjust or operate the heater.
Definitions: Safety Guidelines
The definitions below describe the level of severity for each signal word. Please read the manual and pay attention to these symbols.
DANGER: Indicates an imminently hazardous situation which, if not avoided, will result in death or serious injury.
WARNING: Indicates a potentially hazardous situation which, if not avoided, could result in death or serious injury.
CAUTION: Indicates a potentially hazardous situation which, if not avoided, may result in minor or moderate injury.
NOTICE: Indicates a practice not related to personal injury which, if not avoided, may result in property damage.
WARNING: DO NOT OPERATE THIS HEATER UNTIL YOU READ AND UNDERSTAND THIS INSTRUCTION MANUAL FOR SAFETY, OPERATION, AND MAINTENANCE INSTUCTIONS.
WARNING:
Failure to comply with the precautions and instructions provided with this heater, can result in death, serious bodily injury and property loss or damage from hazards of fire, explosion, burn, asphyxiation, carbon monoxide poisoning, and/or electrical shock.
Only persons who can understand and follow the instructions should use or service this heater.
DANGER:
CARBON MONOXIDE CAN KILL YOU
This heater produces carbon monoxide. Do not use in occupied spaces. Ventilate building, room or other enclosed spaces where heater has been used before entering. Never use in a vehicle, camper or tent
WARNING:
Not for home or recreational vehicle use. Do not use to cook or warm food.
WARNING:
Fire, burn, inhalation, and explosion hazard. Keep solid combustibles, such as building materials, paper or cardboard, a safe distance away from the heater as recommended by the instructions. Never use the heater in spaces which do or may contain volatile or airborne combustibles, or products such as gasoline, solvents, paint thinner, dust particles or unknown chemicals
WARNING: IF THE INFORMATION IN THIS MANUAL IS NOT FOLLOWED EXACTLY, A FIRE OR EXPLOSION MAY RESULT CAUSING PROPERTY DAMAGE, PERSONAL INJURY OR LOSS OF LIFE.
- Do not use gasoline or other flammable vapors or liquids in the vicinity of this or any other applicance.
- An LP cylinder not connected for use shall not be stored in the vicinity of this or any other appliance.
- WHAT TO DO IF YOU SMELL GAS:
- Do not try to light appliance.
- Extinguish any open flame.
- Shut off gas to appliance.
- Service must be performed by a qualified service agency.
WARNING:
Combustion byproducts produced when using this product contains carbon monoxide, a chemical known to the State of California to cause cancer and birth defects (or other reproductive harm).
This product contains chemicals known to the State of California to cause cancer and birth defects or other reproductive harm.
WARNING: RISK OF ELECTRICAL SHOCK
- Plug power cord into a properly grounded 3-wire receptacle.
- Do not operate in wet or damp conditions.
WARNING: RISK OF FIRE OR EXPLOSION
- Do not store or use gasoline or other flammable vapors and liquids in the vicinity of this or any other appliance.
- WHAT TO DO IF YOU SMELL GAS:
- Open windows.
- DO NOT try to light any appliance.
- DO NOT operate any electrical switches.
- DO NOT use any telephone in building. Immediately call the local gas supplier from an outside telephone. Follow the gas supplier’s instructions.
- DO NOT touch any electrical switch; do not use any phone in your building.
- If you cannot reach your gas supplier, call the Fire Department.
VENTILATION: Minimum openings required
Heater
- Forced air (DXH40FA
Opening near floor
- .0.5 ft
Opening near ceiling
- 0.5 ft2
MINIMUM CLEARANCE: From normal combustible material
Clearance
- From floor
- From outle
- From sides
- From top
DXH40FA
- 0 ft
- .6 ft
- 2 ft.
- 6 ft.
Locate 10 ft. from canvas or plastic tarpaulins or similar coverings
and secure them to prevent flapping or movement due to wind
action.
SPECIFICATIONS
- Type of Gas: For use with Propane Only
Gas Supply Pressure - to regulator: Max: 200 psi (1380 kPa)
Min: 20 psi (137.9 kPa) - regulator out 20 psi (137.9 kPa)
- Electrical Input: 115V, 60 Hz, 1Ø, 2a
- Minimum Operating Voltage: 100V
- Ignition: Manual, piezo igntion
- Primary Flame Control: Thermo-Electric Safety Valve
- Model: 40FA
- Rating: 40,000 BTU/hr
(10.25 kW) - Fuel Consumption: 1.85 #/hr (.84 kg/hr)
- Fuel Orifice Port Size: 84mm
Operating Precautions
WARNING
This is a propane, direct-fired, forced air heater. It’s intended use is primarily temporary heating of buildings under construction, alteration or repair. Propane is heavier than air. If propane leaks from a connection or fitting, it sinks to the floor, collecting there with the surrounding air, forming a potentially explosive mixture. Obviously, propane leaks should be avoided, so set up the propane supply with utmost care. Read enclosed Odor Fade and Propane Sheet for additional information about detecting propane leaks. Leak check new connections or reconnections with a soap and water solution and follow all connection instructions herein. Also, ask your propane dealer for advice on the propane application and supply installation and ask him to check it if there are any questions.
This heater was designed and certified for use as a construction heater in accordance with ANSI Standard Z83.7/CGA 2.14. Check with your local fire safety authority if you have any questions about your applications. Other standards govern the use of fuel gases and heat producting products in specific applications. Your local authority can advise you about these. Direct-Fired means that all of the combustion products enter the heated space. Even though this heater operates very close to 100 percent combustion efficiency, it still produces small amounts of carbon monoxide. Carbon monoxide (called CO) is toxic. We can tolerate small amounts but not a lot. CO can build up in a heated space and failure to provide adequate ventilation could result in death. The symptoms of inadequate ventilation are:
- headache
- burning eyes and nose
- dry mouth or sore throat
- dizziness
- nausea
So, be sure to follow advice about ventilation in these operating instructions. Forced Air means that a blower or fan pushes the air through the heater. Proper combustion depends upon this air flow; therefore, the heater must not be revised, modified or operated with parts removed or missing. Likewise, safety systems must not be circumvented or modified in order to operate the heater. When the heater is to be operated in the presence of other people the user is responsible for properly acquainting those present with the safety precautions and instructions, and of the hazards involved.
Safety Precautions
WARNING
- Check the heater thoroughly for damage. DO NOT operate a damaged heater.
- DO NOT modify the heater or operate a heater which has been modified from its original condition.
- Use only propane gas.
- Use only VAPOR WITHDRAWAL propane supply. If there is any question about vapor withdrawal, ask your propane dealer.
- Mount the propane cylinders vertically (shutoff valve up). Secure them from falling or being knocked over and protect them from damage.
- Locate propane containers at least (USA) 7 ft. (2.13m), (Canada) 10 ft. (3m) from the heater and do not direct exhaust toward containers.
- IMPORTANT Use only the hose and regulator assembly provided with the heater. Match the color stripe on the hang tag attached to the hose assembly with the color on the label located near the propane inlet fitting on the heater. Inspect hose assembly before each use of the heater. If there is excessive abrasion or wear, or hose is cut, replace with hose assembly listed on parts list before using heater.
- For indoor use only. Area must be well ventilated. Provide minimum openings of 1/2 sq. ft. (.046 m²) near the floor and 1/2 sq. ft. (.046 m²) near the ceiling (also see “Operating Precautions”).
- If at any time gas odor is detected, IMMEDIATELY DISCONTINUE operation until the source of gas has been located and corrected. Read enclosed Odor fade and Propane Sheet for additional information about detecting propane leaks.
- Install the heater such that is is not directly exposed to water spray, rain and/or dripping water.
- Maintain minimum clearance from normal combustible material (like paper) as follows: floor-0 ft. (0 m); outlet-6 ft. (1.83m); sides-2 ft. (.61m); top-6 ft. (1.83m). Locate 10 ft. (3m) from canvas or plastic tarpaulins or similar coverings and secure them to prevent flapping or movement due to wind action.
- Due to the high surface and exhaust temperatures, adults and children must observe clearances to avoid burns or clothing ignition.
- Operate only on a stable, level surface.
- Do not use with duct work. Do not restrict inlet or exit
- Use only the electrical power specified. The electrical connection and grounding must comply with National Electrical Code – ANSI/NFPA 70 (USA) and CSA C22.1 Canadian Electrical Code, Part 1 (Canada).
- Use only a properly grounded 3-prong receptacle or extension cord (6 ft
(1.83m) in length minimum). - Do not move, handle or service while hot or burning.
- Use only in accordance with local codes or, in the absence of local codes, with the Standard for the Storage and Handling of Liquefied Petroleum Gases ANSI/ NFPA 58 and CSA B149.1, Natural Gas and Propane Installation Code.
Fuel Gas Odor—Fuel Leaks
WARNING
LP gas and natural gas have man-made odorants added specifically for detection of fuel gas leaks. If a gas leak occurs you should be able to smell the fuel gas. Since Propane (LP) is heavier than air you should smell for the gas odor low to the floor. ANY GAS ODOR IS YOUR SIGNAL TO TAKE IMMEDIATE ACTION!
WARNING: RISK OF ASPHYXIATION
- Do not use in unventilated areas.
- The flow of combustion and ventilation air must not be obstructed.
- Proper ventilation air must be provided to support the combustion air requirements of the heater being used.
- Refer to the specification section of the heater’s manual, heater dataplate, or contact the factory to determine combustion air ventilation requirements of the heater.
- Lack of proper ventilation air will lead to improper combustion.
- Improper combustion can lead to carbon monoxide poisoning leading to serious injury or death. Symptoms of carbon monoxide poisoning
Odor Fade Warning
- Do not take any action that could ignite the fuel gas. Do not operate any electrical switches. Do not plug in or disconnect any power supply or extension cords. Do not light matches or any other source of flame. Do not use your telephone.
- Get everyone out of the building and away from the area immediately.
- Close all propane (LP) gas tank or cylinder fuel supply valves, or the main fuel supply valve located at the meter if you use natural gas.
- Propane (LP) gas is heavier than air and may settle in low areas. When you have reason to suspect a propane leak, keep out of all low areas.
- Use your neighbor’s phone and call your fuel gas supplier and your fire department. Do not re-enter the building or area.
- Stay out of the building and away from the area until declared safe by the firefighters and your fuel gas supplier.
- FINALLY, let the fuel gas service person and the firefighters check for escaped gas. Have them air out the building and area before you return. Properly trained service people must repair any leaks, check for further leakages, and then relight the appliance for you.
Odor Fading—No Odor Detected
- Some people cannot smell the odor of the man-made chemical added to propane (LP) or natural gas. You must determine if you can smell the odorant in these fuel gases.
- Learn to recognize the odor of propane (LP) gas and natural gas. Local propane (LP) gas dealers will be more than happy to give you a scratch and sniff pamphlet. Use it to become familiar with the fuel gas odor.
- Smoking can decrease your ability to smell. Being around an odor for a period of time can affect your sensitivity to that particular odor. Odors present in animal confinement buildings can mask fuel gas odor.
- The odorant in propane (LP) gas and natural gas is colorless and the intensity of its odor can fade under some circumstances.
- If there is an underground leak, the movement of gas through the soil can filter out the odorant.
- Propane (LP) gas odor may differ in intensity at different levels. Since Propane (LP) gas is heavier than air, there may be more odor at lower levels.
- Always be sensitive to the slightest gas odor. If you continue to detect any gas odor, no matter how small, treat it as a serious leak. Immediately go into action as discussed previousl
- A periodic sniff test around the heater or at the heater’s joints; i.e. hose, connections, etc., is a good safety practice under any conditions. If you smell even a small amount of gas, CONTACT YOUR FUEL GAS SUPPLIER IMMEDIATELY.
Attention—Critical Points to Remember!
- Propane (LP) gas has a distinctive odor. Learn to recognize these odors. (Reference Fuel Gas Odor and Odor Fading sections above.
- Even If you are not properly trained in the service and repair of the heater, ALWAYS be consciously aware of the odors of propane (LP) gas and natural gas.
- If you have not been properly trained in repair and service of propane (LP) gas then do not attempt to light heater, perform service or repairs, or make any adjustments to the heater on the propane (LP) gas fuel system.
Operating Instructions
PREPARING FOR OPERATION
- Check the heater for possible shipping damage. If any is found, immediately notify the factory.
- Follow all of the “Precautions”.
- Connect the POL fitting of hose and regulator assembly to the propane cylinder by rotating the POL nut counterclockwise into the propane cylinder’s valve outlet and securely tighten with a wrench.
- Connect the hose to the heater by rotating the hose fitting clockwise.
- Securely tighten all gas connections.
- Open the cylinder’s gas valve and check all gas connections with a soap and water solution. DO NOT USE A FLAME.
- Connect power cord to well-grounded 115V, 60 Hz, 1Ø source of power.
- When using an extension cord, make certain that it is a 3-wire (grounded) cord of proper wire size, minimum length of 6 ft (1.83m).
START
- THE HEATER POWER CORD MUST BE CONNECTED TO A
GROUNDED 115V, 60HZ, 1Ø POWER SOURCE BEFORE HEATER IGNITION and always allow heater fan (blower) to run for 20 seconds to purge fuel. - Open propane supply valve on propane tank slowly. Note: If not opened slowly, excess-flow check valve on propane tank will stop gas flow. If this happens, close propane supply valve and open again slowly. Wait 15 seconds before Step 3.
- Slowly depress the gas valve control knob. You wil hear the Piezo ignitor click. Repeat until burner lights.
- After the burner lights, keep the gas valve button depressed for 30 seconds then release and the heater will continue to operate.
WARNING: Be sure motor and fan are running before pushing in automatic control valve button. Flames could flash outside heater or internal damage to heater may result if motor and fan are not running.
STOP
- Securely close valve on the propane cylinder.
- Continue to operate heater until all fuel in the hose has burned.
- Unplug the power cord.
CAUTION: Always shut off fuel supply before disconnecting electrical power.
RESTART AFTER SAFETY SHUTDOWN
- Securely close valve at propane cylinder. Unplug power cord.
- Wait 5 minutes.
- Restart following “START” procedure.
MAINTENANCE AND STORAGE
- The heater should be inspected before each use, and at least annually by a
qualified person. - Before each use, check the soft “O” ring seat at the bullnose of the POL fitting. If the “O” ring is cut, scuffed, or otherwise damaged, replace it with part number 73786.
- Turn off the gas at the LP-gas supply cylinder(s) when the heater is not in use.
- When the heater is to be stored indoors, the connection between the LP-gas supply cylinder(s) and the heater must be disconnected and the cylinder(s) removed from the heater and stored out of doors and in accordance with Chapter 5 of the standard for Storage and Handling of Liquefied Petroleum
Gases ANSI/NFPA 58 and CSA B149.1, Natural Gas and PropaneInstallation Code.
Servicing
A hazardous condition may result if a heater is used that has been modified or is not functioning properly. When the heater is working properly:
- The flame is contained within the heater.
- The flame is essentially blue with perhaps some yellow tipping.
- There is no strong disagreeable odor, eye burning or other physical discomfort.
- There is no smoke or soot internal or external to the heater.
- There are no unplanned or unexplained shut downs of the heater.
The parts lists and exploded view show the heater as it was constructed. Do not use a heater which is different from that shown. In this regard, use only the hose, regulator and cylinder connection fitting (called a POL fitting) supplied with the heater.
IMPORTANT Match the color stripe on the hangtag attached to the hose assembly with the color on the label located near the propane inlet fitting on the heater. Do not use alternates. For this heater, the regulator must be set as shown in “specifications”. If there is any uncertainty about the regulator setting, have it checked. A heater which is not working right must be repaired, but only by a trained, experienced service person.
In-warranty products will be repaired with no charge for either parts or labor. Please include a brief statement indicating date, place of purchase, the nature of the problem and proof of purchase.
Out-of-warrranty products will be repaired with a charge for parts and labor
Size and Capacity of Propane Cylinders Required
The charts on the following page show the approximate size of the cylinder required for these heaters. To use the chart:
- Select the lowest air temperature expected (at the bottom of the chart).
- Move straight up to time of operation desired (left side of chart).
- Read the cylinder size required.
All heaters should have:
Full cylinders good air circulation no frost on cylinders


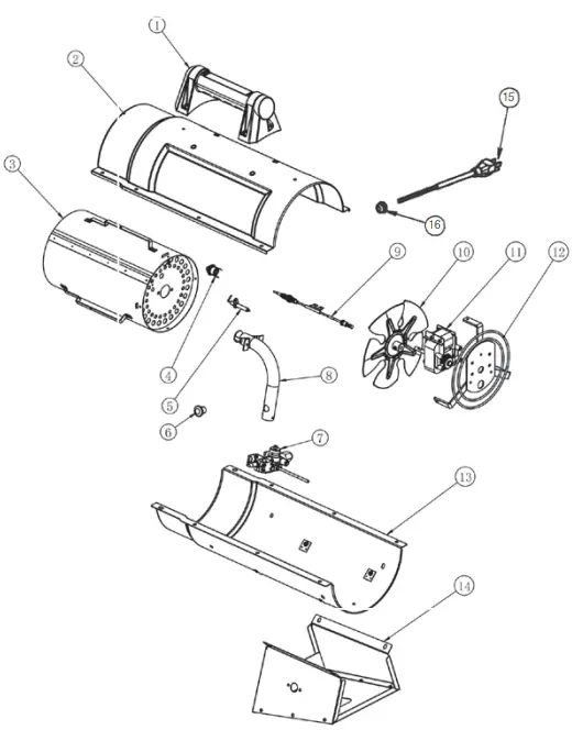
Parts List DXH40FA
| REF# | ITEM# | DESCRIPTION |
| 1 | 40801 | handle |
| 2 | 40860 | barrel, upper, assy |
| 3 | 40888 | radiation, shield, assy |
| 4 | 27951 | electrode, ignition |
| 5 | 27440 | burner, assy |
| 6 | 40667 | knob, valve |
| 7 | 40889 | valve, gas, main |
| 8 | 27440 | burner, assy |
| 9 | 28082 | knob, valve |
| 10 | 28077 | valve, gas, main |
| 11 | 28076 | burner, assy |
| 12 | 40865 | thermocouple |
| 13 | 26223 | fan blade, 6.75*0.75 pitch |
| 14 | 21036 | motor 0.74 A |
| 15 | N/A | guard, rear, assy |
| 16 | .40864 | strain relief bushing |
| 17 | 27494M | .power cord |
| not shown on exploded view | ||

Warning
Use only manufacturer’s replacement parts. Use of any other parts could cause injury or death. Replacement parts are only available direct from the factory and must be installed by a qualified service agency
PARTS ORDERING INFORMATION:
Use only manufacturer’s replacement parts. Use of any other parts could cause injury or death. Replacement parts are only available direct from the factory and must be installed by a qualified service agency.
Forced Air Propane Construction Heater DXH40FA

Warning:
PURCHASING: Accessories may be purchased at any DeWalt® local dealer or direct from the factory
FOR INFORMATION REGARDING SERVICE:
Please call Toll-Free 855-805-5745
www.dewalt.com
LIMITED WARRANTY:
DeWalt® warrants its heaters and accessories to be free from defects in material and workmanship for a period of 1 year from date of purchase. DeWalt® will repair or replace this product free of charge if it has been proven to be defective within the 1-year period, and is returned at customer expense with proof of purchase to DeWalt® within the warranty period.
DEWALT®, GUARANTEED TOUGH® and the yellow and black color scheme are trademarks of the DEWALT Industrial Tool Co., used under license. ©2013 DEWALT. EGI/Enerco Group Inc. Under license from Dewalt Industrial Tool Co.




















