MASTER MH-40-GFA Forced Air Heater User Manual

Locating Your Serial Number:
Your serial number can be found on a white label on the right side cover of your heater. It will begin with the letter “G” followed by 9 digits. For Example: G123456789. Have your Serial Number ready before calling customer service at 800-641-6996.
GENERAL HAZARD WARNING:
FAILURE TO COMPLY WITH THE PRECAUTIONS AND INSTRUCTIONS PROVIDED WITH THIS HEATER, CAN RESULT IN DEATH, SERIOUS BODILY INJURY AND PROPERTY LOSS OR DAMAGE FROM HAZARDS OF FIRE, EXPLOSION, BURN. ASPHYXIATION, CARBON MONOXIDE POISONING AND / OR ELECTRIC SHOCK.
ONLY PERSONS WHO CAN UNDERSTAND AND FOLLOW THE INSTRUCTIONS SHOULD USE OR SERVICE THIS HEATER. IF YOU NEED ASSISTANCE OR HEATER INFORMATION SUCH AS AN INSTRUCTIONS MANUAL, LABEL, ETC. CONTACT THE MANUFACTURER.

\FIRE, BURN, INHALATION, AND EXPLOSION HAZARD. KEEP SOLID COMBUSTIBLES, SUCH AS BUILDING MATERIALS, PAPER OR CARDBOARD, A SAFE DISTANCE AWAY FROM THE HEATER AS RECOMMENDED BY THESE INSTRUCTIONS. NEVER USE THE HEATER IN SPACES WHICH DO OR MAY CONTAIN VOLATILE OR AIRBORNE COMBUSTIBLES, OR PRODUCTS SUCH AS GASOLINE, SOLVENTS, PAINT THINNERS, DUST PARTICLES OR UNKNOWN CHEMICALS.

SAFETY INFORMATION
![]()
Carbon Monoxide Hazard This heater produces carbon monoxide, which has no odor. Burning the heater in an enclosed space can kill you. Never use the heater in enclosed spaces such as a tent, a camper, any vehicle or recreational vehicle (RV), enclosed shelter, or any other enclosed areas.
![]()
If the information in this manual is not followed exactly, a fire or explosion may result causing property damage, personal injury or loss of life.
![]()
Not for use in residential living areas or in non-adequately ventilated enclosed spaces. Never bring or store a propane cylinder indoors.

NOT FOR HOME OR RECREATIONAL VEHICLE USE.

DO NOT OPERATE THIS HEATER UNTIL YOU HAVE READ AND THOROUGHLY UNDERSTAND THESE SAFETY AND OPERATING INSTRUCTIONS.
Failure to comply with the precautions and instructions provided with this heater can result in death, serious bodily injury, property loss or damage from the hazards of fire, explosions, burns, asphyxiation
or carbon monoxide poisoning. Only persons who can read and understand these instructions should use or service this heater.

This is an unvented portable heater. It uses air (oxygen) from the area in which it is used. Adequate combustion and ventilation air must be provided. Refer to VENTILATION on Page 8.
![]()
This product contains chemicals, including lead, which are known to the State of California to cause cancer and birth defects or other reproductive harm. For more information go to www.P65Warnings.ca.gov.
This heater is designed and approved for use as a construction heater in accordance with Standard ANSI Z83.7-2011/CSA 2.14-2011. CHECK WITH YOUR LOCAL FIRE SAFETY AUTHORITY IF YOU HAVE ANY QUESTIONS ABOUT APPLICATIONS. Other standards govern the use of fuel gasses and heating products for specific uses. Your local authority can advise you about these.
SAFETY INFORMATION (CONT.)
RISK OF INDOOR WARNING AIR POLLUTION!
The products described in this manual are propane direct-fired, forced air heaters. Propane forced air heaters are primarily intended for use for temporary heating of buildings under construction,
alteration or repair. Direct-fired means that all of the combustion products of the heater enter the heated space. This appliance is rated at 98% combustion efficiency, but does produce small amounts of carbon monoxide.
![]()
Carbon monoxide is toxic. Humans can tolerate only small amounts of carbon monoxide and so precautions should be taken to provide proper ventilation. Failure to provide proper ventilation in accordance with the instructions in this manual can result in death. People with breathing problems should consult a physician before using this heater. Early signs of carbon monoxide poisoning resemble the flu.
Symptoms of improper ventilation / carbon monoxide poisoning are: Headache • Dizziness • Nausea • Dry Mouth Sore
Throat • Burning of Nose and Eyes If you experience any of these symptoms:
GET FRESH AIR AT ONCE!
Have your heater serviced and check for proper ventilation. Some people are more affected by carbon monoxide than others. These include: pregnant women, those with heart or lung problems, anemia or those under the influence of alcohol or at high altitudes.
FOR OUTDOOR USE. INDOOR USE PERMITTED ONLY FOR:
The temporary heating of adequately ventilated buildings or structures under construction, alteration or repair! Provide at least a three square foot (2,800 sq. cm) opening of outside air for every 100,000 Btu / Hr (29 kW) heater rating. Refer to “Ventilation” on page 8 for further instructions.
PROPANE IS AN
WHAT TO DO IF THE SMELL OF GAS IS PRESENT:
–– DO NOT attempt to light the heater.
–– Extinguish any open flame.
–– Shut off gas to heater.
–– If odor continues, contact your local gas supplier or fire department.
–– DO NOT touch or use any electric switch or any electric device that can cause a spark.
–– Immediately call your gas supplier from a neighbors phone. Follow the gas suppliers instructions.
–– If you can not reach your gas supplier, call the fire department.
–– Service must be done by a qualified service agency.
RISK OF BURNS, FIRE AND EXPLOSION!
NEVER store or use gasoline or other flammable vapors and liquids in the vicinity of this heater.
NEVER store a propane (LP) cylinder not connected to this heater in the vicinity of this heater.
NEVER connect heater to an unregulated gas supply.
NEVER obstruct the flow of combustion and ventilation air. (The front and rear of heater).
NEVER use duct work in front or rear of heater.
NEVER modify this heater or operate a heater that has been modified.
NEVER service, move or handle heater while still hot or operating Keep all combustible materials away from this heater.
| Minimum Clearance From Combustibles | |||
| Sides | Top | Front | Rear |
| 24 in. | 36 in. | 72 in. | 24 in. |
| 61 cm | 92 cm | 183 cm | 61 cm |
ALWAYS use the electrical power (voltage and fre- quency) specified on the model plate of the heater. ALWAYS use only 14 AWG or better extension cord. ALWAYS unplug the heater when not in use
ALWAYS install the heater so that it is not directly exposed to water spray, rain, dripping water, or wind.
- Use heater in accordance with all local In the absence of local codes, refer to The National Fuel Code, ANSI A223.1/NFPA 54.
- This heater is shipped from the factory for use with propane (LP) gas only. Do not convert to any other gas. Installation must conform to local codes, or in their absence, with the standard for the Storage and Handling of Liquefied Petroleum Gases ANSI/NFPA 58 and the Natural Gas and Propane Installation Code CSA 1.
Gas supply connections should be checked by using a 50/50 soap and water Never use a flame to check for gas leaks.
Locate LP cylinder at least 6 ft. (183 cm) (10 ft./305 cm in Canada) from the heater, and do not direct heater discharge towards the LP cylinder unless it is at least 20 feet (610 cm) from the heater.
- Use only the regulator and hose assembly provided with this heater. Inspect the regulator/hose assembly prior to each use of the If there is excessive abrasion or wear, or if the hose is cut, replace it with the proper assembly shown in the parts list, prior to using the heater
| Manifold, Minimum, and Maximum Inlet Pressure | ||||
| 40-GFA | 60V-GFA | 125V-GFA | 150V-GFA | |
| Man. | 11″ (279 mm) W.C. | 11″ (279 mm) W.C. | 8.3″ (211 mm) W.C. | 8″ (203 mm) W.C. |
| Min. | 5 PSI (34.5 kPa) | |||
| Max. | Bottle Pressure | |||

RISK OF FIRE! DO NOT POSITION HEATER IN A DOWNWARD ANGLE. ALWAYS LOCATE HEATER ON A STABLE AND LEVEL SURFACE (SEE FIGURE 1)!

UNPACKING
- Remove all packing items applied to heater for shipment. Keep plastic cover caps attached to inlet connector and hose / regulator assembly for storage.
- Remove all items from carton
- Check all items for shipping damage. If the heater is damaged, promptly inform dealer where you purchased the heater..
SPECIFICATIONS
| Model # | 40-GFA | 60V-GFA | 125V-GFA | 150V-GFA |
| BTU | 40,000 | 40 / 50 / 60,000 | 95 / 110 / 125,000 | 120 / 135 / 150,000 |
| Fuel Consumption – Lb./hr (kg/hr) | 1.9 (0.9) | 1.9 / 2.3 / 2.8 (0.9 / 1.04 / 1.27) | 4.4 / 5.1 / 5.8 (2.00 / 2.31 / 2.63) | 5.5 / 6.2 / 6.9 (2.50 / 2.81 / 3.13) |
| Maximum Operating Hours | 11 | 10.5 | 22 | 18 |
| Required Cylinder – Lb. (kg) | 20 (9) | 20 (9) | 100 (45) | 100 (45) |
| Fuel Type | Propane | Propane | Propane | Propane |
| Heating Area – Ft.2 (m2) | 1000 (93) | 1500 (139) | 3125 (290) | 3800 (353) |
| Air Flow (CFM) | 300 | 300 | 400 | 400 |
| Max Outlet Temp – ºF (ºC) | 477 (247) | 491 (255) | 500 (260) | 622 (328) |
| Volts: AC/Hz | 120V / 60Hz | 120V / 60Hz | 120V / 60Hz | 120V / 60Hz |
| Amps | 0.6 A | 0.6 A | 1.02 A | 1.02 A |
FEATURES

WHAT’S IN THE BOX

OPERATION
Propane Supply / Information:
Propane (LP)
This heater is not supplied with a propane cylinder.
Use only an approved propane cylinder.
LP Characteristics
–– Flammable, explosive under pressure, heavier than air and pools in low areas.
–– In its natural state, propane has no odor, but for your safety an odor that smells like rotten cabbage has been added.
–– Contact of propane (LP) gas with the skin can cause freeze burns.
–– Heater is manufactured for use with propane gas only. DO NOT attempt to convert to any other gas. Such modifications are dangerous and will void the warranty.
–– When heater is not in use, LP Cylinder must be turned OFF.
–– Be sure that the LP Cylinder is located on a level and stable surface.
–– DO NOT use this heater in a basement or below ground level. Propane is heavier than air and will always seek the lowest level. If you suspect a leak, shut off the valve at the LP Cylinder
immediately.
The Propane (LP) cylinder must also be equipped with the following:
–– A collar to protect the gas valve.
–– A shut-off valve terminating a LP cylinder valve outlet as specified in the American National Standard for Compressed Gas Cylinder Valve Outlets and Inlets Connections.
–– A safety relief valve having direct communications with the vapor space of the LP cylinder.
–– The heater must operate on vapor withdrawal from the operating cylinder.
The amount of Propane (LP) used with this heater varies. Both factors are:
–– The amount of gas in the cylinder of LP.
–– The temperature of the LP tank and its surroundings.
| Minimum Number of LP Cylinders | ||||
| Average Temp (ºF / ºC) | 40-GFA 100 lb. (45 kg) cylinder | 60V-GFA 100 lb. (45 kg) cylinder | 125V-GFA 100 lb. (45 kg) cylinder | 150V-GFA 100 lb. (45 kg) cylinder |
| 32º / 0º | 1 | 1 | 2 | 2 |
| 20º / -7º | 1 | 1 | 2 | 2 |
| 10º / -12º | 1 | 1 | 3 | 3 |
| 0º / -18º | 1 | 1 | 3 | 3 |
| -10º / -23º | 2 | 2 | Use Larger Tank | Use Larger Tank |
| -20º / -29º | 2 | 2 | Use Larger Tank | Use Larger Tank |
The table above shows the minimum number of 100 lb. (45 kg) LP cylinders required in cold weather. Your local LP dealer will help you select the proper LP supply system.
–– Always keep LP cylinder fastened and upright.
–– Avoid tipping the LP cylinder on its side when connected to a regulator, since this may cause damage to diaphragm in the regulator.
–– Handle valves with care.
–– Never connect an unregulated LP cylinder to a construction heater.
–– DO NOT subject LP cylinder to excessive heat.
–– Tightly close the gas shutoff valve on the LP cylinder after each use.
–– All fittings must be protected when disconnected from the LP cylinder.
OPERATION (CONT.)
–– Never store an LP cylinder inside a building or in the vicinity of an gas burning appliances.
The disconnected tank must never be stored in a building, garage or any other enclosed area.
Pre-Lighting Instructions:
WARNING
Purging and filling of the LP cylinders must be performed by personnel who have been thoroughly trained in accepted LP gas industry procedures. Failure to follow these
instructions may result in explosion, fire, severe personal injury or death.
Connecting the LP Cylinder
ALL NEW LP CYLINDERS MUST BE PURGED BEFORE THE FIRST FILLING.
–– Turn heater gas valve knob and LP cylinder valve to OFF position.
–– LP cylinder valve equipped with old style fitting has LEFT HANDED THREADS. Turn fitting CLOCKWISE to loosen. Protect this fitting when disconnected from LP cylinder.
–– Have your LP cylinder filled by your local propane gas supplier.
–– Some LP cylinders have a bleed-OFF valve. This valve should be inspected for leaks after each filling of the LP cylinder. Turn the valve clockwise to close.
–– Fasten full propane tank and connect proper fitting to LP cylinder valve by turning COUNTERCLOCKWISE (See Figure 2 & 3).
–– With heater gas valve knob still in OFF position turn ON the LP cylinder valve and check for leaks with soap solution.
Checking For Leaks
–– To check for leaks, make up a 50/50 solution of dish soap and water. Apply this solution to all gas connections. If bubbles appear, there is a leak. If a leak is found, turn off the gas supply, and reconnect
the leaking connection. If the leak persists after several tries, contact Pinnacle Customer Service at 800-641-6996.
–– The installation of this heater must meet all local codes and/or gas utility requirements. In the absence of local codes, the National Fuel Code ANSI Z223.1/NFPA 54 should be followed.
–– The minimum clearances to any combustible construction materials must be maintained at all times (See Page 3).
–– Inspect the heater before each use, and at least annually by a qualified service person.
–– To check for leaks, make up a 50/50 solution of dish soap and water. Apply this solution to all gas connections. If bubbles appear, there is a leak. If a leak is found, turn off the gas supply, and reconnect
the leaking connection. If the leak persists after several tries, contact Pinnacle Customer Service at 800-641-6996.
–– The installation of this heater must meet all local codes and/or gas utility requirements. In the absence of local codes, the National Fuel Code ANSI Z223.1/NFPA 54 should be followed.
–– The minimum clearances to any combustible construction materials must be maintained at all times (See Page 3).
–– Inspect the heater before each use, and at least annually by a qualified service person.
OPERATION (CONT.)
Lighting Instructions: Starting the Heater (Ignition)
- Connect the heater to a three prong (grounded) power source. You must use a three prong (grounded) extension cord that is at least 6 feet long is a minimum of 14 AWG rating.
- Connect heater to a proper LP cylinder.
- Turn gas control knob CLOCKWISE to off position.
- Wait five (5) minutes for any gas to clear. Smell for gas, if you do not smell gas, go to step 5.
- Turn gas supply ON by turning the LP cylinder valve COUNTERCLOCKWISE to OPEN.
- Push in and turn gas control knob COUNTERCLOCKWISE to 1 position. This will light the burner. If needed, keep pressing control knob until the burner lights, and keep pressing and turning from
“O” (OFF) to 1 on Piezo electric spark models (40- GFA) (See Figure 4). - Keep the gas control knob depressed for at least 30 seconds after lighting the burner. After 30 seconds, release the control knob.
- If the burner doesn’t stay lit, repeat lighting procedures.

–– Risk of indoor air pollution and Carbon Monoxide Poisoning. Use heater only in well ventilated areas.
–– Refer to Safety Information on pages 2-3 for information about Carbon Monoxide Poisoning.
–– ALWAYS provide a fresh air opening in the heated space of at least three square feet 2,800 sq. cm) for each 100,000 BTU / Hr (29 kW). of heater output. Provide a larger opening if more heaters are being used. - When burner stays lit, turn gas control knob COUNTERCLOCKWISE to desired setting (all models except 40-GFA).
Shutdown Instructions
To Shut Off the Heater:
- Turn gas control knob CLOCKWISE to “O” (OFF) position (See Figure 4).
- Turn gas supply OFF by turning the LP cylinder valve CLOCKWISE to close.
- Disconnect the power cord.
Test Firing the Heater
Test fire your construction heater following the lighting instructions applicable to the gas control system employed.
Leak test all gas connections with 50/50 soap and water solution prior to start-up. Soap bubbles indicate a gas leak. DO NOT use a match or flame to test for gas leaks.
NOTE: Heater surface temperature must be cold before initiating service, cleaning or storage.
| Minimum Ventilation Opening Needed | |||
| 40-GFA | 60V-GFA | 125V-GFA | 150V-GFA |
| 1.2 ft.2 | 1.8 ft.2 | 3.8 ft.2 | 4.5 ft.2 |
| 1110 cm2 | 1670 cm2 | 3530 cm2 | 4180 cm2 |
STORAGE / MAINTENANCE
Always disconnect the heater from the LP cylinder before putting the heater into storage. If for any reason the heater is to be stored indoors, the tank MUST be disconnected from the LP cylinder, and the cylinder stored outdoors in a well-ventilated area, out of the reach of children, and in accor- dance with the Standard for Storage and Handling of Petroleum Gases, ANSI/NFPA 58 – latest edition and Natural Gas and Propane Installation Code, CSA B149.1. The plastic valve plug or valve cover supplied with the cylinder must be re-installed on the valve to protect the fitting from damage
NOTE: Installation and repair of this heater should be done by a qualified service person.
ALWAYS be sure to follow proper maintenance procedures. This should include cleaning the in- side of the heater once a month and checking the spark gap at least once a heating season. Re-gap the terminals to 0.160” (4mm)
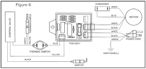
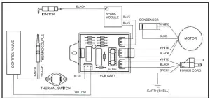
WIRING DIAGRAMS

60V-GFA / 125V-GFA / 150V-GFA
TROUBLESHOOTING GUIDE
| Problem | Possible Cause(s) | Solution |
|
Fan does not turn when electricity is connected. | 1. No electric power to heater.
2. Blades of fan in contact with heater housing.
3. Fan blades bent. 4. Fan motor defective. | 1. Check current at outlet. If voltage is correct, inspect extension and power cords for cuts, frays or breaks 2. Check housing for damage. Be sure there are no dents in the housing obstructing the fan. 3. Straighten all fan blades. 4. Replace motor assembly. |
|
Heater will not fire (ignite). | 1. No spark at module.
2. Incorrect spark gap. 3. Corroded electrode. | 1. Inspect module wire. Re-attach or tighten if loose. Inspect spark module and replace if necessary. Inspect all other electrical components. 2. Set plug gap to 0.16” (4 mm). 3. Replace spark plug (multi-bracket assembly). |
|
Heater stops running by itself. | 1. Temperature inside heater is too high, causing thermal switch to shut down operation.
2. Damaged control valve. 3. Dust or debris accumulated in heater. | 1. If the heater input or output is restricted, the inside temperature can become too hot. Keep the areas in front and behind heater clear of obstructions. 2. Replace control valve. 3. Clean inside of heater. |
EXPLODED VIEW

PARTS LIST
| Item # | Description | 40-GFA | 60V-GFA | 125V-GFA | 150V-GFA |
| 1 | Base | 22-501-0003 | 22-501-0003 | 22-501-0004 | 22-501-0004 |
| 2 | Height Controller | 22-512-0006 | 22-512-0006 | 22-512-0008 | 22-512-0008 |
| 3 | Base Cover | 22-508-0003 | 22-508-0003 | 22-508-0004 | 22-508-0004 |
| 4 | Inner Shell Cap | 22-505-0006 | 22-505-0010 | 22-505-0011 | 22-505-0008 |
| 5 | Multi Bracket Assembly | 22-504-0002 | 22-504-0002 | 22-504-0002 | 22-504-0002 |
| 6 | Tubing Assembly | 22-605-0001 | 22-605-0001 | 22-605-0002 | 22-605-0007 |
| 7 | Nozzle | 22-081-0007 | 22-081-0014 | 22-081-0015 | 22-081-0004 |
| 8 | Nozzle Nut | 22-518-0001 | 22-518-0001 | 22-518-0002 | 22-518-0002 |
| 9 | Handle | 70-001-0103 | 70-001-0103 | 70-001-0103 | 70-001-0103 |
| 10 | Flange Hex Nut | 22-518-0003 | 22-518-0003 | 22-518-0003 | 22-518-0003 |
| 11 | Fan | 22-514-0001 | 22-514-0001 | 22-514-0002 | 22-514-0002 |
| 12 | Cushion Pad | 22-509-0001 | 22-509-0001 | 22-509-0001 | 22-509-0001 |
| 13 | Motor | 22-061-0015 | 22-061-0015 | 22-061-0016 | 22-061-0016 |
| 14 | Rear Guard | 22-101-0003 | 22-101-0003 | 22-101-0004 | 22-101-0004 |
| 15 | Round Bolt | 22-503-0002 | 22-503-0002 | 22-503-0002 | 22-503-0002 |
| 16 | Valve Assembly | 22-011-0005 | 22-011-0017 | 22-011-0018 | 22-011-0008 |
| 17 | Inlet Connector | 22-507-0003 | 22-507-0003 | 22-507-0003 | 22-507-0003 |
| 18 | Spark Module | – | 22-604-0005 | 22-604-0005 | 22-604-0005 |
| 19 | PCB Assembly | 22-521-0001 | 22-521-0002 | 22-521-0002 | 22-521-0002 |
| 20 | PCB Case | 22-506-0001 | 22-506-0001 | 22-506-0001 | 22-506-0001 |
| 21 | Valve Knob | 22-516-0001 | 22-516-0001 | 22-516-0001 | 22-516-0001 |
| 22 | Power Cord | 22-131-0001 | 22-131-0001 | 22-131-0001 | 22-131-0001 |
| 23 | Regulator Assembly | 22-041-0004 | 22-041-0004 | 22-041-0005 | 22-041-0005 |
LIMITED WARRANTY
Pinnacle Climate Technologies, Inc. warrants this heater to the original retail purchaser only, to be free from defects in material and workmanship for a period of one (1) year from the date of initial purchase. This product must be properly installed, maintained and operated in accordance with the instructions provided.
Pinnacle Climate Technologies, Inc. requires reasonable proof of your date of purchase from an authorized retailer or distributor. Therefore, you should keep your sales slip, invoice or cancelled check from the original purchase.
This Limited Warranty shall be limited to the repair or replacement of parts, which prove defective under normal use and service within the warranty period, and which Pinnacle Climate Technologies, Inc. shall determine at its reasonable discretion. This warranty does not apply to products purchased for rental use.
This Limited Warranty does not cover any failures or operating difficulties due to normal wear and tear, accident, abuse, misuse, alteration, misapplication, improper installation or improper maintenance and service by you or any third party. Failure to perform normal and routine maintenance on the heater, shipping damage, damage related to insects, birds or animals of any kind, and damage due to weather conditions are also not covered.
In addition, the Limited Warranty does not cover damage to the finish, such as scratches, dents, discoloration, rust or other weather damage, after purchase.
All transportation costs for the return of damaged product or parts will be the responsibility of the purchaser. Upon receipt of damaged item, Pinnacle Climate Technologies, Inc. will examine the item and determine if defective.
Pinnacle Climate Technologies, Inc. will repair or replace and return the item, freight pre-paid.
If Pinnacle Climate Technologies, Inc. finds the item to be in normal operating condition, or not defective the item will be returned freight collect. This Limited Warranty is in lieu of all other express warranties. Pinnacle Climate Technologies, Inc. disclaims al warranties for products that are purchased from sellers other than authorized dealers or distributors.
AFTER THE PERIOD OF THE ONE (1) YEAR EXPRESS
WARRANTY EXPIRES, Pinnacle Climate Technologies, Inc. DISCLAIMS ANY AND ALL IMPLIED WARRANTIES, INCLUDING WITHOUT LIMITATION THE IMPLIED WARRANTIES OF MERCHANTABILITY AND FITNESS FOR A PARTICULAR APPLICATION. FURTHER, Pinnacle
Climate Technologies, Inc. SHALL HAVE NO LIABILITY WHATSOEVER TO PURCHASER OR ANY THIRD PARTY FOR ANY SPECIAL, INDIRECT, PUNITIVE INCIDENTAL,
OR CONSEQUENTIAL DAMAGES. Pinnacle Climate Technologies, Inc. assumes no responsibility for any defects caused by third parties. This Limited Warranty gives the purchaser specific legal rights; a purchaser may have other rights depending upon where he or she lives. Some states do not allow the exclusion or limitation of special, incidental or consequential damages, or limitations on how long a warranty lasts, so the above exclusion and limitations may not apply to you.
Pinnacle Climate Technologies, Inc. does not authorize any person or company to assume for it any other obligation or liability in connection with the sale, installation, use, removal, return or replacement of its equipment, and no such representations are binding on Pinnacle Climate Technologies, Inc.
Always be sure to specify the model number and serial number when making any claim with Pinnacle Climate Technologies, Inc. For your convenience, use the space provided below to list this information.
Locating Your Serial Number:
Your serial number can be found on a white label on the right side cover of your heater. It will begin with the letter “G” followed by 9 digits. For Example: G123456789. Have your Serial Number ready be- fore calling customer service at 800-641-6996.


GENERAL HAZARD WARNING:






















