MASTER MH-150NGT-GFA-A Natural Gas Forced Air Heater 
Locating Your Serial Number:
Your serial number can be found on a white label on the right side cover of your heater. It will begin with the letters “G” followed by 9 digits. For Example: G181200001. Have your Serial Number ready before calling customer service at 800-641-6996.
DANGER: FAILURE TO COMPLY WITH THE PRECAUTIONS AND INSTRUCTIONS PROVIDED WITH THIS HEATER, CAN RESULT IN DEATH, SERIOUS BODILY INJURY, AND PROPERTY LOSS OR DAMAGE FROM HAZARDS OF FIRE, EXPLOSION, BURN. ASPHYXIATION, CARBON MONOXIDE POISONING AND / OR ELECTRIC SHOCK.
ONLY PERSONS WHO CAN UNDERSTAND AND FOLLOW THE INSTRUCTIONS SHOULD USE OR SERVICE THIS HEATER. IF YOU NEED ASSISTANCE OR HEATER INFORMATION SUCH AS AN INSTRUCTIONS MANUAL, LABEL, ETC. CONTACT THE MANUFACTURER.
warning: EXPLOSION HAZARD. KEEP SOLID EXPLOSION HAZARD. KEEP SOLID COMBUSTIBLES, SUCH AS BUILDING MATERIALS, PAPER OR CARDBOARD,
A SAFE DISTANCE AWAY FROM THE HEATER AS RECOMMENDED BY THESE INSTRUCTIONS. NEVER USE THE HEATER IN SPACES WHICH DO OR MAY CONTAIN VOLATILE OR AIRBORNE COMBUSTIBLES, OR PRODUCTS SUCH AS GASOLINE, SOLVENTS, PAINT THINNERS, DUST PARTICLES OR UNKNOWN CHEMICALS.
DANGER:
- Carbon Monoxide Hazard This heater produces carbon monoxide, which has no odor. Burning the heater in an enclosed space can kill you. Never use the heater in enclosed spaces such as a tent, a camper, any vehicle or recreational vehicle (RV), enclosed shelter, or any other enclosed areas.
- If the information in this manual is not followed exactly, a fire or explosion may result causing property damage, personal injury or loss of life.
- Not for use in residential living areas or in non-adequately ventilated enclosed spaces.,
WARNING:
- NOT FOR HOME OR RECREATIONAL VEHICLE USE.
- WARNING DO NOT OPERATE THIS HEATER UNTIL YOU HAVE READ AND THOROUGHLY UNDERSTAND THIS SAFETY AND OPERATING INSTRUCTIONS.
- Failure to comply with the precautions and instructions provided with this heater can result in death, serious bodily injury, property loss, or damage from the hazards of fire, explosions, burns, asphyxiation, or carbon monoxide poisoning. Only persons who can read and understand these instructions should use or service this heater.
- This is an unvented portable heater. It uses air (oxygen) from the area in which it is used. Adequate combustion and ventilation air must be provided. Refer to VENTILATION.
- This product can expose you to chemicals, including lead, which is known to the State of California to cause cancer and birth defects, or other reproductive harm. For more information go to www.P65Warnings.ca.gov.}
This heater is designed and approved for use as a construction heater in accordance with the standard for Gas-Fired Construction Heaters ANS Z83.7 * CSA 2.14-2017. CHECK WITH YOUR LOCAL FIRE SAFETY AUTHORITY IF YOU HAVE ANY QUESTIONS ABOUT APPLICATIONS. Other standards govern the use of fuel gasses and heating products for specific uses. Your local authority can advise you about these. - The products described in this manual are natural gas direct-fired, forced air heaters. Natural gas forced air heaters are primarily intended for use for temporary heating of buildings under construction, alteration, or repair. Direct-fired means that all of the combustion products of the heater enter the heated space. This appliance is rated at 98% combustion efficiency, but does produce small amounts of carbon monoxide.
DANGER
Carbon monoxide is toxic. Humans can tolerate only small amounts of carbon monoxide and so precautions should be taken to provide proper ventilation. Failure to provide proper ventilation in accordance with the instructions in this manual can result in death.
People with breathing problems should consult a physician before using this heater.
Early signs of carbon monoxide poisoning resemble the flu. Symptoms of improper ventilation/carbon monoxide poisoning are:
- Headache
- Dizziness
- Nausea
- Dry Mouth Sore Throat
- Burning of Nose and Eyes
If you experience any of these symptoms:
GET FRESH AIR AT ONCE: Have your heater serviced and check for proper ventilation. Some people are more affected by carbon monoxide than others. These include pregnant women, those with heart or lung problems, anemia, or those under the influence of alcohol or at high altitudes.
FOR OUTDOOR USE. INDOOR USE PERMITTED ONLY FOR: The temporary heating of adequately ventilated buildings or structures under construction, alteration or repair! Provide at least a three square foot (2,800 sq cm) opening of outside air for every 100,000 Btu / Hr heater rating. Refer to “Ventilation” on page 9 for further instructions.
WHAT TO DO IF THE SMELL OF GAS IS PRESENT
- DO NOT attempt to light the heater.
- Extinguish any open flame.
- Shut off gas to the heater.
- If odor continues, contact your local gas supplier or fire department.
- DO NOT touch or use any electric switch or any electric device that can cause a spark.
- Immediately call your gas supplier from a neighbors phone. Follow the gas suppliers instructions.
- If you can not reach your gas supplier, call the fire department.
- – Service must be done by a qualified service agency.
WARNING: RISK OF BURNS, FIRE, AND EX-WARNING PLOSION
NEVER store or use gasoline or other flammable vapors and liquids in the vicinity of this heater. NEVER attempt to operate on Propane (LP) gas. NEVER connect heater to an unregulated gas supply.
NEVER obstruct the flow of combustion and ventilation air. (The front and rear of heater).
NEVER use duct work in front or rear of heater. NEVER modify this heater or operate a heater that has been modified.
NEVER service, move or handle heater while still hot or operating
Keep all combustible materials away from this heater. The appliance are be kept clear and free from combustible materials, gasoline and other flammable vapors and liquid.
| Minimum Clearance From Combustibles | |||
| Sides | Top | Front | Rear |
| 24 in. | 36 in. | 72 in. | 24 in. |
| 61 cm | 92 cm | 183 cm | 61 cm |
- ALWAYS use the electrical power (voltage and frequency)
specified on the model plate of the heater. - ALWAYS use only 14 AWG or better extension cords.
- ALWAYS unplug the heater when not in use.
AIR QUALITY HAZARD
- Do not use this heater for heating human living quarters
- The use of direct-fired heaters in the construction environment can result in exposure to levels of CO, CO₂, and NO₂ considered to be hazardous to health and potentially life threatening
- Do not use in unventilated areas
- Know the signs of CO and CO₂ poisoning
- Headaches, stinging eyes
- Dizziness, disorientation
- Difficulty breathing feels of being suffocated
- Proper ventilation air exchange (OSHA 29 CFR 1926.57) to support combustions and maintain acceptable air quality shall be provided in accordance with OSHA 29 CFR Part 1926.154, ANSI A10.10 Safety Requirements for Temporary and Portable Space Heating Devices and Equipment used in the Construction Industry or the Natural Gas and Propane Installation Codes CSA B149.1
- Periodically monitor levels of CO, CO₂, and NO₂ existing at the construction site – at the minimum at the start of the shift and after 4 hours.
- Provide ventilation air exchange, either natural or mechanical, as required to maintain acceptable indoor air quality
- Ensure that the flow of combustion and ventilation air exchanges cannot become obstructed
- As the building “tightens up” during the construction phase ventilation may need to be increased
USA 8-Hr Time-weighted average (OSHA 29 CFR 1926.55 App A)
CO:50 ppm
CO₂: 5000 ppm
NO₂
The USA – Ceiling Limit (Short Term Exposure Limit = 15 minutes)
CO
CO₂
NO₂:5 ppm
Canada 8-hr time-weighted average WorkSafe BC OHS Guidelines Part 5.1 and Ontario Workplaces Reg 833
25 ppm
5000 ppm
3 ppm(Reg 833)
Canada STEL (15 minutes Reg 833/1 hour WSBC) WorkSafe BC OHS Guidelines Part 5.1 and Ontario Workplaces Reg 833
100 ppm
15000 ppm (WSBC)
30000 ppm (Reg 833)
1.0 ppm (WorkSafeBC)
5.0 ppm (Reg 833)
Electrical grounding instructions: This appliance is equipped with a three-prong (grounding) plug for your protection against shock hazard and should be plugged directly into a properly grounded three-prong receptacle.
ALWAYS use the electrical power (voltage and frequency) specified on the model plate of the heater.
ALWAYS use only 14 AWG or a better extension cords.
ALWAYS unplug the heater when not in use.
ALWAYS install the heater so that it is not directly exposed to water spray, rain, dripping water, or wind.
WARNING:
- Use the heater in accordance with all local codes. In the absence of local codes, refer to The National Fuel Code, ANSI Z223.1.
- This heater is shipped from the factory for use with Natural Gas (NG) only. Do not convert to any other gas. Installation shall conform with local codes or, in the absence of local codes, with National Fuel Gas Code ANSI Z223.1/
- The hose assembly shall be protectedfromtraffic,buildingmaterialandcontactwithhotsurfacesbothduringuseandwhileinstorage.
NFPA 54 and the National Gas and Propane Installation Code, CSA B149.1. - Gas supply connections should be checked by using a 50/50 soap and water solution. Never use a flame to check for gas leaks.
- Locate NG source at least 6 feet (10 ft. in Canada) from the heater, and do not direct heater discharge towards the NG source unless it is at least 20 feet from the heater.
- Use only the regulator and hose assembly provided with this heater. Inspect the regulator/hose assembly prior to each use of the heater. If there is excessive abrasion or wear, or if the hose is cut, replace it with the proper assembly shown in the parts list, prior to using the heater.
| Manifold, Minimum and Maximum Inlet Pressure | |
| MH-150NGT-GFA-A | |
| Man. | 3.0 in. W.C. |
| Min. | 5.0 in. W.C. |
| Max. | 14.0 in. W.C. |
RISK OF FIRE! DO NOT POSITION THE HEATER AT A DOWNWARD ANGLE. ALWAYS LOCATE HEATER ON A STABLE AND LEVEL SURFACE (SEE FIGURE 1)
- Remove all packing items applied to the heater for shipment. Keep plastic cover caps attached to inlet connector and hose/regulator assembly for storage.
- Remove all items from carton
- Check all items for shipping damage. If the heater is damaged, promptly inform the dealer where you purchased the heater.
CAUTION: The Natural Gas (NG) pressure regulator supplied with the heater must be used without alteration.
SPECIFICATIONS
| Model # | MH-150NGT-GFA-A |
| BTU | 150,000 |
| Fuel Consumption (ft3./hr) | 146 |
| Fuel Type | Natural Gas (NG) |
| Heating Area (ft.2) | 3800 |
| Air Flow (CFM) | 400 |
| Max Outlet Temp (ºF) | 622 |
| Volts: AC/Hz | 120V~60Hz |
| Amps | 1.02 |
FEATURES
WHAT’S IN THE BOX
ASSEMBLY
- Attach the handle to the heater using the provided screws.
OPERATION
- Natural Gas is lighter than air.
- In its natural state, Natural Gas has no odor, but for your safety, an odor that smells like rotten cabbage has been added.
- The user of this heater must provide the Natural Gas supply and all fittings to properly install the heater.
- The Natural gas supply should be able to provide a minimum of 150 cubic feet of gas per hour for each heater being used.
- Consult with your Natural Gas supplier for the proper sizing of all gas lines.
- You must regulate the Natural Gas supply down from a minimum of 5 inches of water column to a maximum of 13.8 inches of water column.
Checking For Leaks
- To check for leaks, make up a 50/50 solution of dish soap and water. Apply this solution to all gas connections. If bubbles appear, there is a leak. If a leak is found, turn off the gas supply, and re-connect the leaking connection. If the leak persists after several tries, contact Pinnacle Customer Service at 800-641-6996.
- The installation of this heater must meet all local codes and/or gas utility requirements. In the absence of local codes, the National Fuel Code ANSI Z223.1 should be followed.
- The minimum clearances to any combustible construction materials must be maintained at all times (see Page 3).
- Inspect the heater before each use, and at least annually by a qualified service person.
Connecting Heater To Gas Supply
NOTE: Heater is manufactured for use with Natural Gas (NG) only. DO NOT attempt to convert to any other gas. Such modifications are dangerous and will void the warranty.
- Provide the Natural Gas supply system (See Gas Supply Information Above).
- Connect all plumbing and fittings to the low-pressure Natural Gas sources.
- This source must be regulated to a maximum of 13.8 W.C.
- The piping must be a 3/4 inch inside diameter minimum and not be over 10 feet in length.
- Line up the female threaded end of the hose with the inlet connector on the heater base and tighten (see Figure 2).
- Slowly open valve at Natural Gas supply.
- Check for leaks at all connections
CAUTION: Natural Gas (NG) is safe to use when properly handled. Careless handling of NG could result in a fire and or an explosion.
Installation of this appliance at altitudes above 2000 ft (610 m) shall be in accordance with local codes, or in the absence of local codes, the National Fuel Gas Code, ANSI Z223.1/NFPA 54, or National Standard of Canada, Natural Gas and Propane Installation Code, CSA B149.1.
Lighting Instructions: Starting the Heater (Ignition)
- Connect the heater to a three-prong (grounded) power source. You must use a three-prong (grounded) extension cord that is at least 6 feet long and is a minimum of 14 AWG rating.
- Connect heater to the proper Natural Gas (NG) supply.
- Open gas valve slowly.
- Press power switch to “ON” position.
- Turn the thermostat control knob to desired temperature setting (Figure 3).
Shutdown Instructions:
To Shut Off the Heater:
- Turn the power switch to the “OFF” position.
- Turn the knob at the supply cylinder clockwise to the CLOSED position.
- Disconnect the heater from the power supply.
TIP: If the heater does not ignite, the thermostat may be set too low. Turn the control knob to a higher setting until the heater ignites. If the heater does not ignite; move switch to “Off” position, check steps 1-3 above and then move the switch to the “On” position.
Test Firing the Heater
Test fire your construction heater following the lighting instructions applicable to the gas control system employed.
Leak test all gas connections with 50/50 soap and water solution prior to start-up. Soap bubbles indicate a gas leak. DO NOT use a match or flame to test for gas leaks.
NOTE: Heater surface temperature must be cold before initiating service, cleaning or storage.
CAUTION: This heater is equipped with a thermostat, once it is plugged in, it can start at anytime in accordance with the thermostat setting.
VENTILATION
- Risk of indoor air pollution and Carbon Monoxide Poisoning. Use heater only in well-ventilated areas.
- Refer to Safety Information on pages 2-3 for information about Carbon Monoxide Poisoning.
- ALWAYS provide a fresh air opening in the heated space of at least three square feet (2,800 sq. cm) for each 100,000 BTU / Hr. of heater output. Provide a larger opening if more heaters are being used.
Minimum Ventilation Opening Needed MH-150NGT-GFA-A 4.5 ft.2 4180 cm2
DANGER: Not for use in residential living areas or in non-adequately ventilated enclosed spaces.
STORAGE / MAINTENANCE
Always disconnect the heater from the Natural Gas (NG) supply before putting the heater into storage. The Natural Gas (NG) supply should be handled with care and in accordance with the Standard for Storage and Handling of Petroleum Gases, ANSI/NFPA 58 – latest edition and Natural Gas and Propane Installation Code, CSA B149.1. The plastic valve plug or valve cover supplied with the supply line must be re-installed on the valve to protect the fitting from damage.
NOTE: Installation and repair of this heater should be done by a qualified service person.
ALWAYS be sure to follow proper maintenance procedures. This should include cleaning the inside of the heater once a month and checking the spark gap at least once a heating season. Re-gap the terminals to 0.16” (4mm)
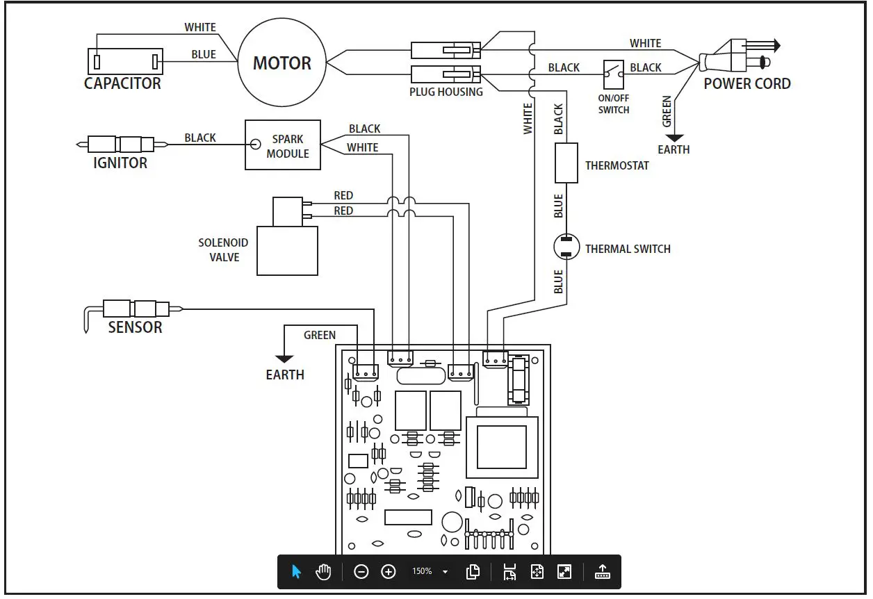
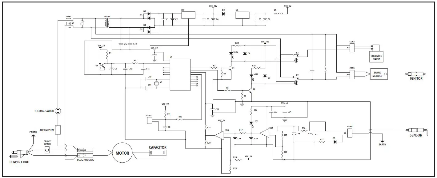
WIRING/SCHEMATIC DIAGRAMS

TROUBLESHOOTING
Locating Your Serial Number: Your serial number can be found on a white label on the right side cover of your heater. It will begin with the letter “G” followed by 9 digits. For Example: G181200001. Have your Serial Number ready before calling customer service at 800-641-6996.
| Problem | Possible Cause(s) | Solution |
|
Fan does not turn when electricity is connected. | 1. No electric power to the heater.
2.Blades of fan in contact with heater housing.
3. Fan blades bent. 4. Fan motor defective. | 1.Check current at outlet. If voltage is correct, inspect extension and power cords for cuts, frays or breaks 2. Check housing for damage. Be sure there are no dents in the housing obstructing the fan. 3. Straighten all fan blades. 4. Replace motor assembly. |
|
Heater will not fire (ignite). | 1. No spark at module.
2. Incorrect spark gap. 3. Corroded electrode. | 1. Inspect module wire. Re-attach or tighten if loose. Inspect spark module and replace if necessary. Inspect all other electrical components. 2. Set plug gap to 0.16” (4 mm). 3. Replace spark plug (multi-bracket assembly). |
|
Heater stops running by itself. | 1. Temperature inside the heater is too high, causing thermal switch to shut down the operation.
2. Damaged control valve. 3.Dust or Debris accumulated in heater. | 1. If the heater input or output is restricted, the inside temperature can become too hot. Keep the areas in front and behind heater clear of obstructions. 2.Replace control valve. 3.Clean inside of heater. |

LIMITED WARRANTY
- Pinnacle Climate Technologies, Inc. warrants this heater to the original retail purchaser only, to be free from defects in material and workmanship for a period of one (1) year from the date of initial purchase. This product must be properly installed, maintained and operated in accordance with the instructions provided.
- Pinnacle Climate Technologies, Inc. requires reasonable proof of your date of purchase from an authorized retailer or distributor. Therefore, you should keep your sales slip, invoice or cancelled check from the original purchase. This Limited Warranty shall be limited to the repair or replacement of parts, which prove defective under normal use and service within the warranty period, and which
- Pinnacle Climate Technologies, Inc. shall determine at its reasonable discretion. This warranty does not apply to products purchased for rental use.
This Limited Warranty does not cover any failures or operating difficulties due to normal wear and tear, accident, abuse, misuse, alteration, misapplication, improper installation or improper maintenance and service by you or any third party. Failure to perform normal and routine maintenance on the heater, shipping damage, damage related to insects, birds or animals of any kind, and damage due to weather conditions are also not covered. In addition, the Limited Warranty does not cover damage to the finish, such as scratches, dents, discoloration, rust or other weather damage, after purchase.
All transportation costs for the return of damaged product or parts will be the responsibility of the purchaser. Upon receipt of damaged item, Pinnacle Climate Technologies, Inc. will examine the item and determine if defective. Pinnacle Climate Technologies, Inc. will repair or replace and return the item, freight pre-paid. - If Pinnacle Climate Technologies, Inc. finds the item to be in normal operating condition, or not defective the item will be returned freight collect. This Limited Warranty is
in lieu of all other express warranties. Pinnacle Climate - Technologies, Inc. disclaims al warranties for products that are purchased from sellers other than authorized dealers or distributors.
AFTER THE PERIOD OF THE ONE (1) YEAR EXPRESS WARRANTY EXPIRES, Pinnacle Climate Technologies, Inc. DISCLAIMS ANY AND ALL IMPLIED WARRANTIES, INCLUDING WITHOUT LIMITATION THE IMPLIED WARRANTIES OF MERCHANTABILITY AND FITNESS FOR A PARTICULAR APPLICATION. FURTHER, Pinnacle Climate - Technologies, Inc. SHALL HAVE NO LIABILITY WHATSOEVER TO PURCHASER OR ANY THIRD PARTY FOR ANY SPECIAL, INDIRECT, PUNITIVE INCIDENTAL, OR CONSEQUENTIAL DAMAGES.
- Pinnacle Climate Technologies, Inc. assumes no responsibility for any defects caused by third parties. This Limited Warranty gives the purchaser specific legal rights; a purchaser may have other rights depending upon where he or she lives. Some states do not allow the exclusion or limitation of special, incidental or consequential damages, or limitations on how long a warranty lasts, so the above exclusion and limitations may not apply to you.
- Pinnacle Climate Technologies, Inc. does not authorize any person or company to assume for it any other obligation or liability in connection with the sale, installation, use, removal, return or replacement of its equipment, and no such representations are binding on Pinnacle Climate Technologies, Inc.
Always be sure to specify the model number and serial number when making any claim with Pinnacle Climate Technologies, Inc. For your convenience, use the space provided below to list this information.
Locating Your Serial Number: Your serial number can be found on a white label on the right side cover of your heater. It will begin with the letters “G” followed by 9 digits. For Example: G181200001. Have your Serial Number ready before calling customer service at 800-641-6996.
Sauk Rapids, MN 56379 USA
Llamada sin costo (800) 641-6996
Fax: 320-251-2922
Sitio web: www.masterindustrialproducts.com
Correo electrónico: info @pinnacleclimate.com
MASTER MH-150NGT-GFA-A Natural Gas Forced Air Heater 
WHAT’S IN THE BOX





















