Gude GD 30 TI Diesel Air Heater

Original Information

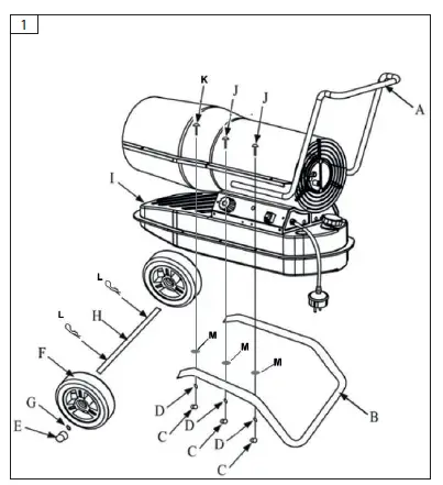
Assembly

Operation



Cleaning / Maintenance


Technical data
- GD 30 TI ……………………………………………………………………………………………………………………………………………….
- Art. No ……………………………………………………………………………………………………………………………………………………………………………..85116
- Service connection ……………………………………………………………………………………………………………………………………………….230V/50Hz
- Motor output ……………………………………………………………………………………………………………………………………………………………. 250 Watt
- Heating output ……………………………………………………………………………………………………………………………………. 30 kW/25.800 kcal./h
- Fan output …………………………………………………………………………………………………………………………………………………………………850 m3/h
- Tank capacity ………………………………………………………………………………………………………………………………………………………………………17 l
- Fuel consumption ……………………………………………………………………………………………………………………………………………………ca. 2,5 l/h
- Gas type ……………………………………………………………………………………………………………………………………………………………………………….. Oil
- Feeder cable length ………………………………………………………………………………………………………………………………………………………..1,2 m
- Weight ……………………………………………………………………………………………………………………………………………………………………………16,6 kg
Read and understand the operating instructions before using the appliance. Familiarise with the control elements and how to use the appliance properly.Abide by all the safety measures stated in the service manual. Act responsibly toward third parties. The operator is responsible for accidents or risks to third parties. In case of any doubts about connection and operation refer please to our customer center
Within the continuous product development, we reserve the right to make technical changes to improve it.
This document represents original Operating Instructions.
General safety instructions
Please read and follow all instructions before putting the appliance into operation. Keep the safety instructions for future reference!
Safe working
- Keep the place of your work clean!
- Mess in the place of your work can result in injuries.
- Take into account the environmental effects
- Do not expose the appliance to rain. Do not use the appliance in a moist or wet environment. Ensure appropriate lighting. Do not use the appliance near flammable liquids or gases.
- Keep other persons in a safe distance!
- Do not let other persons, especially children, touch the cable. Keep them in a sufficient distance from the place of your work.
- Store the appliance properly
- An appliance that is not used should be stored in a dry, locked place out of reach of children..
- Do not overload your appliance!
- You will work better and safer at output for which the appliance has been designed.
- Use the right appliance
- Do not use the appliance for purposes for which it has not been designed.
- Care for your tools!
- Follow the maintenance regulations and instructions
- Check regularly the appliance cable and have it replaced by an authorized professional if damaged. Check regularly the extension cable and replace it if damaged.
- Do not use the cable for pulling the plug out of socket; protect it against excess temperatures and sharp edges.
- Be careful
- APay attention to what you are doing. Use common sense when working. Do not use the appliance when you are tired.
- Your appliance should be repaired by an electrician only!
- This appliance meets the appropriate safety provisions. Repairs may only be executed by an electrician and original spare parts must be used, otherwise the user may face a risk of injury
CAUTION!
Use of any other accessories may pose a risk of injury.
Appliance-specific safety instructions
IMPORTANT:
Please read carefully the complete Operating Instructions before assembling, handling and maintaining this heating unit. Any unauthorized use of this heating unit may result in serious injuries or death as a result of burn, fire, explosion, electric shock and carbon monoxide poisoning.
CAUTION
Carbon monoxide poisoning may be fatal! Carbon monoxide poisoning: Early symptoms of carbon monoxide poisoning are similar to those experienced at flu, i.e. headache, giddiness and/or indisposition. If such symptoms are experienced, it may be possible your heating body is not working properly. Get out immediately! Have your heating unit inspected. Some persons are more sensitive to carbon monoxide than other ones, e.g. pregnant women, persons with cardiac or pulmonary diseases or anaemia, persons under the influence of alcohol and persons at heights. Make sure you have read all the maintenance instructions and have understood them. Keep these Operating Instructions for future reference. They are your guide for safe and profession-al handling of this heating unit.
Use only oil to prevent fire and risk of explosion. Pet-rol, crude oil, paint thinners, alcohol and other highly flammable fuels must not be used in any case.
Fuel
Staff providing refuelling must be trained and fully familiarised with the manufacturer‘s instructions and applicable directives for safe refuelling of heating units.
Only oil may be used for refuelling.
Any flame including the pilot flame must be blown out to allow the heating unit to cool down before refuelling.
Fuel lines and connections must be checked for leaking when refuelling takes place. Any leaking must be repaired before putting the heating unit back into operation.
The maximum fuel daily dose should only be stored in buildings near the heating unit. Large fuel reserves to be stored outside the building.
All fuel storages must be at least 7 m from heating units, burners, welders and similar inflammable sources (exception being a fuel tank integrated in the heating unit).
If applicable, fuel storage should only be limited to spaces where the flooring design prevents leaked fuel accumulation and the fuel cannot catch fire as
a result of deeply stored inflammable sources. Fuel must be stored in accordance with the local official regulations.
General information:
- Never use the heating unit near petrol, paint thinners or other easily combustible fumes.
- Follow all local provisions and regulations when using this heating unit.
- Heating units used near reinforcement grids, canvases or other coverings must be placed in a safe distance from these materials. The recommended minimum distance is 3,5 m. Moreover, using fireproof coverings is recommended. Fireproof coverings must be safely attached to be protected against catching fire and prevent heating unit being touched and turned over due to wind gust.
- To be used in well ventilated spaces only. Before put-ting the appliance into operation, make sure air vent of at least 2,800 cm² for fresh external air is provided for heating output of 100,000 BTU per hour.
- To be used in spaces with no flammable vapours or high dust levels only.
- To be used at voltage and frequency specified on the type label only.
- A properly earthed extension cable with a three-pin plug to be used at all times.
- To prevent a risk of fire, the hot heating unit or heating unit just being operated must be placed on a safe and level surface.
- The heating unit must be transferred or stored in a horizontal position to prevent fuel leaking.
- Keep children and pets in a sufficient distance from the heating unit.
- Unplug the heating unit if not being operated.
- Never use the heating unit in residential rooms and sleeping rooms.
- Never block the air inlet (rear side) and air outlet (front side) of the heating unit.
- Never block the air inlet (rear side) and air outlet (front side) of the heating unit.
- Do not fit any piping on the front and rear side of the heating unit.
Caution!
Oil to be used only to prevent fire or explosion.
Using the appliance as a heat source for events and parties or operating the appliance in stables is strictly prohibited!
Use as designated
GD-series oil driven fan heaters are to be exclusively used for indirect heating and drying out in well-venti-lated rooms or in dry outdoor areas, in a safe distance from flammable materials and persons and animals. A stable and horizontal surface must be provided for operation. Oil only is allowed as fuel.
(As far as safety, functionality and service life are con-cerned, the GD series follows the latest criteria: the safety equipment guarantees appropriate working of the appliance; operating noise have been reduced to minimum levels and the careful material selection makes it as much reliable as possible.)
Safety equipment
The oil hot-air turbine is fitted with an electronic flame control. The appliance is stopped in case of operating failure. If the oil hot-air turbine is overheated, thermostat preventing overheating is activated, which interrupts the fuel supply; the thermostat is automatically deactivated if the combustion chamber temperature drops below the accepted maximum value. The overheating cause must be identified and removed (e.g. air inlet and outlet blocking or fan stopping) before putting the oil hot-air turbine back into operation. To start the appliance again, please follow the instructions included under „PUTTING THE APPLIANCE INTO OPERATION“.
Symbols
WARNING/CAUTION!WARNING/CAUTION!
Warning – Read the operating instructions to reduce the risk of injury.
Remove the battery pack before starting any work on the appliance.
Wear goggles.
Warning against dangerous voltage
Any damaged or disposed electric or electronic devices must be delivered to appropriate collection centres.
CE marking
Guarantee
Warranty period of 12 months applies to commercial use and 24 months applies to private use and com-mences on the day of purchase of the device.
The guarantee solely covers inadequacies caused
by material defect or manufacturing defect. Original payment voucher with the sales date needs to be sub-mitted for any claim in the guarantee period.
Warranty does not cover unprofessional use such
as device overload, violent use, damage caused by third party or foreign materials, failure to comply with operations and assembly manual, and normal wear and tear.
Emergency procedure
Provide necessary first aid treatment corresponding to the injury nature and seek qualified medical help as soon as possible. Protect the injured person from other injuries and calm him/her down.
First aid kit must always be available in the place of your work in case of accident in accordance with DIN 13164. Material taken out of the first aid kit needs to be supplemented right away.
If you seek help, state the following pieces of information:
- Accident site
- Accident type
- Number of injured persons
- Injury type(s)
Disposal
The disposal instructions are based on icons placed on the appliance or its package. The description of the meanings can be found in the “Marking” chapter.
Transport packaging disposal
The packaging protects the appliance against damage during transport. The packaging materials are usually selected depending on their environment friendliness and disposal manner and can therefore be recycled. Returning the packaging into circulation saves raw materials and reduces waste disposal costs. Parts of the packaging (e.g. foils, Styropor®) can be dangerous to children. Risk of suffocation! Keep parts of the packaging out of reach of children and dispose them as quickly as possible.
Qualification
Apart from the detailed instructions by a professional, no special qualification is necessary for appliance using.
Minimum age
Persons over 16 years of age can only work on the appliance. An exception includes youngsters trained in order to reach knowledge under supervision of the trainer during occupational education.
Local regulations may stipulate the minimum age of the user.
Training
Using the appliance only requires corresponding training by a professional or the Operating Instructions. No special training is necessary.
Maintenance
Keep the air slot and body with no dust and dirt. For cleaning purposes, use a soft cloth and fine soap solu-tion. Prevent direct appliance contact with aggressive cleaning agents. Aggressive, volatile and caustic cleaning agents must not be used. The appliance needs to be protected against moisture and dust. If the appliance is not used for a long time, store it in a covered state in a dry, safe place inapproachable to children.
Caution!
Do not service the appliance when plugged, being operated or hot. The failure to do so could lead to serious burns and electric shock.
Inspection and maintenance plan

Service
Do you have any technical questions? Any claim? Do you need any spare parts or operating instructions? We will quickly help you and without needles bureau-cracy at our web pages at www.guede.com in the Servicing part. Please help us be able to help you. In order to identify your device in case of claim we need the serial No., product No. and year of production. All this data can be found on the type label. Please enter it here for future reference:
- Serial No.:
- Art. No:
- Year of production:
Important information for the customer
Please be sure to know that returning the product in or after the warranty period must be made in the original packaging.
Do not dispose electric appliances as household refuse. According to the European Directive No. 2002/96/EG on waste electrical and electronic equipment and based on including this Directive in the national law, separate collection of worn electrical equipment must be provided and such equipment must be recycled in an environment-friendly manner. Recycling alternative of recovery: Alternatively to sending equipment back, the electrical equipment owner is obliged to cooperate in the professional evaluation. An old appliance may also be left to a collection centre that will provide disposal in accordance with the national law regarding circulation management and waste. This does not apply to parts of accessories and aids connected to old appliances and not containing electrical components.

WARNING/CAUTION!WARNING/CAUTION!
Warning – Read the operating instructions to reduce the risk of injury.
Remove the battery pack before starting any work on the appliance.
Wear goggles.












