Heavy Duty Forced Air Unit Heaters
GX Series
Installation, Operation, & Maintenance Instructions
Instruction Manual

![]()
GX Series Forced Air Heaters Heavy Duty
GX heater with optional thermostat, fan only switch, disconnect switch and fused control circuit
IMPORTANT INSTRUCTIONS – SAVE THESE INSTRUCTIONS
Read all instructions before installing or using the heater. Please adhere to instructions published in this manual. Failure to do so may be dangerous and may void certain provisions of your warranty.
Model Coding
| GX | 20 | 3 | C | T | D |
| Model Series | Kilowatts 15 – 15 kW 20 – 20 kW 25 – 25 kW 30 – 30 kW 40 – 40 kW 50 – 50 kW | Voltage 2 – 208 3 – 240 7 – 480 8 – 600 | Contactor (Optional) | Thermostat (Optional) | Other Options B – Epoxy painted fan blade and motor D – Disconnect switch F – Fan only switch H – HRC main load fuses K – Fused control circuit L – Energy management controller M – Manual reset high limit N – Low voltage relay (24V) V – 120V control voltage (240V is standard) |
IMPORTANT NOTICES
CAUTION. This symbol indicates a potentially hazardous situation, which, if not avoided, may result in personal injury or damage to the equipment.
WARNING. This symbol indicates an imminently hazardous situation, which, if not avoided, can result in serious injury or damage to the equipment.
WARNING. Read and adhere to the following. Failure to do so may result in a risk of fire, electrical shock, and severe or fatal injury. Warranty will be void.
- Read and follow all instructions in this manual.
- Appropriate protection against ground faults, such as a ground-fault circuit interrupter or GFCI, is required to be used with this equipment. Failure to provide protection against electrical grounding or bonding during the use of this equipment can result in property damage, personal injury, or death. In addition, this equipment must be effectively grounded in compliance with all applicable electrical codes and standards.
- This heater is intended to be used for commercial and industrial indoor space heating applications.
WARNING. Heater is not to be used in hazardous atmospheres where flammable vapors, gases, liquids or WARNING other combustible atmospheres are present. - Heater is to be connected and serviced only by a qualified electrician.
- Installation and wiring of the heater must adhere to all applicable codes.
- Disconnect heater from power supply at disconnect or fuse box before opening enclosures or servicing heater. IF DISCONNECT IS BEING SERVICED, verify power has been disconnected at fuse box or main panel. Lock the switch in the “OFF” (open) position and tag the switch to prevent unexpected power application.
WARNING. Elements get hot during operation. Contact can cause burns. - Do not operate heater in wet and humid environments.
- Install and maintain clearances as per this manual.
- Do not operate the heater in corrosive atmospheres.
- Use factory replacement parts only.
- Maximum ambient operating temperature is 40°C (104°F).
- Do not operate the heater with the louvers deformed or damaged.
- If there are any questions or concerns regarding the heater, please refer to contact information on the back page of this manual.
- Follow the recommended maintenance procedures under Section I – Heater Maintenance Instructions, page 1S.
INSTALLATION
All applicable codes must be adhered to. For optimum performance, the heater should be installed as follows:
B.1 Location
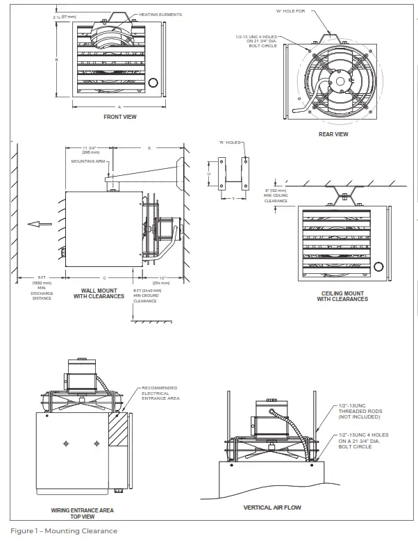
- Ensure there are no obs tructions that may impede the heater’s air inlet or discharge. Refer to Figure 1-Mounting Clearance, for minimum clearances.
- Ensure the air discharge is not directed at a thermostat.
- Ensure the air discharge is not directed towards areas of heat loss, such as windows.
- Ensure the air discharge is directed along and at a slight angle toward exterior walls.
- If equipment freeze protection is important, direct air discharge at equipment while maintaining minimum clearances.

B.2 Mounting
CAUTION. Install heater no less than 5 inches (127 mm) from walls and 6 inches (152 mm) from ceiling. Mount with bottom of heater at least 2.44 m (8 ft) above floor or grade.
- The heater must be permanently mounted to a fixed location onto a wall or ceiling.
- The mounting surface must be strong enough to:
0.1 Support the heater’s weight.
0.2 Provide sufficient stiffness to prevent excessive vibration.
Table 1 – Heater & Bracket DimensionsDim. 15–50 kW in. mm A 23 584 B 18 1/2 470 C (Depth) 19 483 R (Hole dia.) 5/8 16 S 17 1/2 445 T 6 152 U 6 152 W (Hole dia.) 3/4 19 Table 2 – Installation Height & Heater Weight
kW Recommended Mounting Height – ft (m) Heater
Weight
lbs (kg)15 – 30 8 – 12 (2.4 – 3.6) 105 (47.6) 40 – 50 8 – 12 (2.4 – 3.6) 125 (56.7) - The single bolt mounting is not designed for high dynamic loads that can occur during transportation. For heaters that are to be installed prior to transportation, it is recommended that temporary blocking or strapping be used to limit movement of the heater with respect to the mounting structure. Inspection of the mounting bolt for correct tensioning is also recommended after arrival at site to ensure no loosening has occurred in transportation. The mounting bolt/nut should be torqued to 65- 75 ft-lbs, refer to Table 4 – Recommended Torque Specifications, page 13.
- Install the bracket on the heater with hardware provided.
0.1 Orient the heater to its final position before tightening all hardware.
0.2 In higher vibration installations use of a removable thread locking compound such as Locti tee 243TM Blue Threadlocker is recommended.
0.3 Correct tensioning of the mounting bolt will include full compression of the split lock washer and inspection for correct thread engagement. The mounting bolt/nut should be torqued to 65 to 75 ft-lbs. - The discharge air louvres are individually adjustable.
- The heater is CSA approved to operate with vertical down flow or horizontal air flow discharge. Refer to Figure1 – Mounting Clearance, page 4 and Table 2 – Installation Height & Heater Weight, page 4 for vertical down flow and horizontal air flow mounting recommendation&
B.3 Electrical
WARNING Disconnect heater from power supply at integral disconnect or fuse box before opening enclosures or servicing heater.
Lock the switch in the “OFF” (open) position and tag the switch to prevent unexpected power application.
This heater should only be serviced by qualified personnel with electrical heating equipment experience.
Install and use the heater in accordance with local codes and this manual.
- General
0.1 Use only approved copper conductors for installation. Refer to Section G -Technical Data, pagel4 and heater data plate for conductor rating.
0.2 The power supply may be single or three phase as shown on the nameplate. Wiring diagrams are located on the inside of the control cabinet door (or refer to 8.4 Sample Wiring Schematics- GX Series Heater, page 8. - Field Wiring
0.1 Select a conduit style and conduit entrance fitting suitable for EEMAC 12 (dust tight and drip tight – indoor) applications. This is important since contamination of the control cabinet interior could significantly reduce the operating life of the control components.
0.2 Remove the cabinet door to facilitate electrical access and connection.
0.3 The control cabinet of the heater is constructed to EEMAC 12 standards and as such, we are not permitted to supply knockouts. After selection of the conductor and conduit entrance sizes, punch the appropriate hole into the control cabinet. We recommend the hatched area indicated in Figurel- Mounting Clearance “Wiring Entrance Area – Top View”, page 4 be used for ease of internal electrical connection.
0.4 Grounding – a ground lug is located beside the terminal block. Ensure the unit is properly grounded before energizing.
0.5 The heater is completely prewired internally. Connect the power conductors and any control conductors to the terminals as illustrated on the wiring diagram located inside the control cabinet door. - Motor Rotation – Important
0.1 Three phase heaters are supplied with motors of corresponding phase. The proper motor/fan rotation, viewed from the rear of the heater is counter clockwise. Incorrect rotation of the fan will cause the heater to overheat and cycle on the high limit. To reverse the fan rotation, interchange two supply voltage conductors connected to lugs L1, L2. - Temperature Control
0.1 guilt-In Thermostat – heaters with a factory installed thermostat have all other standard controls such as contactors, and transformers factory installed and prewi red.
0.2 Thermostat Kit Fat-RA – (Field installed Install the FAT-8A thermostat kit in accordance with the instruction sheet provided.
0.3 Remote I ine Vol taae Thermostat -A remote thermostat rated to operate as a pilot duty, inductive device on 240V is required. For proper installation and wiring of the selected thermostat, refer to the manufacturer’s instructions. Thermon can supply appropriate thermostats.
0.4 Remota I ow Voltage Thermostat< – The heater can be provided with a low voltage control internally wired for remote connection to 24V thermostats. Ensure that this control option is installed in the heater before energizing a low voltage thermostat from the heater. For proper installation and wiring of the selected thermostat, refer to the manufacturer’s instructions. Thermon can supply low voltage thermostats for use with heaters. - “Continuous Fan” Feature (Summer Switch)
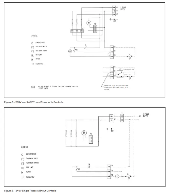
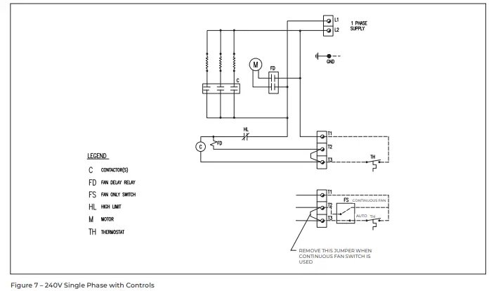
0.1 The “Continuous Fan” feature will allow the heater to cycle in a “heat” mode dictated by the controlling thermostat, even though the fan is operating continuously. 0.2 Terminals are provided for remote mount of a S.P.S.T. “Continuous Fan” switch, rated 240V 60 Hz. A jumper across terminals “T2” and “T3” is installed at the factory, and must be removed and substituted with the remote switch leads if this feature is to be available. Refer to Section B.4 Sample Wiring Schematics – GX Series Heater, page 6 to 9.
0.3 A “Continuous Fan” switch may be factory installed (optional feature) directly in the heater. - Fan Delay
0.1 All heaters incorporate a fan delay feature in both the “ON” and “OFF” cycles. This is a desirable feature allowing the heater to come to temperature before the fan operates (no cold blasts) and to cool down in the “OFF” cycle (longer life for the control components and motor). Delay “ON” is 20-50 seconds and delay “OFF” is 20-70 seconds. - Remote Energy Management Control
0.1 Remote energy management control is standard on 40 kW and 50 kW units. Internal power to contactor coil C2 may be interrupted and controlled remotely by removing the jumper between terminals “T2” and “T3”, and then connecting a passive contactor in its place. A closed contact will allow 100% heating capacity and an open contact will allow 50% heating capacity. Refer to Section B.4 Sample Wiring Schematics – GX Series Heater, page 6 to 9. - Final Inspection
0.1 Before application of electrical power:
0.2 Check that all connections are secured and comply with the applicable code requirements.
0.3 Confirm that the supply voltage is compatible with the data plate specifications.
0.4 Remove any foreign objects from the heater.
0.5 Ensure all external fittings and enclosure covers are secured.
0.6 Ensure that the fan rotates freely.
0.7 If equipped, ensure manual reset thermal cut-out has been reset.
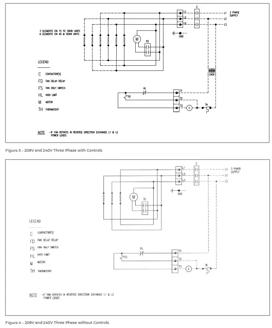
B.4 Sample Wiring Schematics – GX Series Heater
If the wiring schematics in Figure 2 to Figure 7, page 6 to 9, do not match your configuration, check inside the control panel door of the unit for specific wiring schematic. Alternatively, all wiring schematics are available online at www.thermon.com.

B.4 Sample Wiring Schematics – GX Series Heater (Cont’d)
If the wiring schematics in Figure 2 to Figure 7, page 6 to 9, do not match your configuration, check inside the control panel door of the unit for specific wiring schematic. Alternatively, all wiring schematics are available online at www.thermon.com.

B.4 Sample Wiring Schematics – GX Series Heater
If the wiring schematics in Figure 2 to Figure 7, page 6 to 9, do not match your configuration, check inside the control panel door of the unit for specific wiring schematic. Alternatively, all wiring schematics are available online at www.thermon.com.

NOTE*: Requires special certification
B.4 Sample Wiring Schematics – GX Series Heater
(Cont’d) If the wiring schematics in Figure 2 to Figure 7, page 6 to 9, do not match your configuration, check inside the control panel door of the unit for specific wiring schematic. Alternatively, all wiring schematics are available online at www.thermon.com.

NOTE*: Requires special certification
OPERATION
C.1 General
- To operate heater, ensure power supply is properly connected as specified in the wiring schematic (refer to Figure 2 to Figure 7, page 6 to 9).
- If the heater is setup to operate on a thermostat, ensure the temperature set point is set high enough to turn on the heater.
- The fan motor will not start immediately.
- After a delay of 20-SO seconds, the fan contactor will operate and the fan will start. See paragraph B3.3 for proper fan rotation.
- During normal operation, the thermal cut-out control should not cycle the heater ON and OFF. If cycling occurs, check to see if there is an airflow blockage. If there are no obstructions, the heater must be examined by qualified personnel to determine the cause of the thermal cut-out cycling.
- Operate the unit for a minimum of 10 minutes to allow the heating elements to reach a steady state. If no warm air is discharged from the heater, shut off the unit and refer to Section F. Troubleshooting Tips, page 13.
- To shut off heater turn the thermostat to lowest set point.
- The main contactor(s) will de-energize the elements.
- The fan motor will continue to operate, purging the residual heat from the elements.
- After a delay of 20-70 seconds, the fan contactor will open and the fan will stop.
REPAIR & REPLACEMENT
WARNING. Disconnect heater from power supply at integral disconnect or fuse box before opening enclosures or servicing heater.
Lock the switch in the “OFF” (open) position and tag the switch to prevent unexpected power application.
This heater should only be serviced by qualified personnel with electrical heating equipment experience.
Install and use the heater in accordance with local codes and this manual.
NOTE ONLY USE FACTORY SUPPLIED REPLACEMENT PARTS OF THE SAME SPECIFICATION. REFER TO TABLE 3
D.1 Heating Elements
- Disconnect all wires connected to the heating element terminals. Remove louver assembly from heater. Remove three heater cowl baffles. Remove heating elements, noting their proper placement.
- Install factory-supplied replacement heating element (see Figure 8 – Heating Element Assembly, page 10).
0.1 Ensure that the heating element attaching screws are in good condition.
0.2 Re-attach heating element mounting screws and tighten.
0.3 Check that the heating elements are not in contact with the cabinet or each other. - Reinstall all wires with hardware provided. Torque the element terminal hardware to the torque specifications, refer to Table 4 – Recommended Torque Specifications, page 13.
- Reinstall heater cowl baffles.
- Reinstall the louvers.
D.2 Fan
- Remove the rear fan cage. Remove the screw securing the fan to the fan hub attached to the motor.
- Replace fan with factory-supplied fan. Install the fan such that the mounting hub collar of the fan faces the inside of the heater i.e. facing towards the elements. Ensure motor shaft end is flush to hub collar.
D.3 Thermal Cut-Out
- Disconnect all wires connected to thermal cut-out.
- Remove two mounting screws.
- Remove thermal cut-out switch from the enclosure.
- Replace thermal cut-out with factory-supplied replacement thermal cut-out.
- Reinstall thermal cut-out switch in the control enclosure.
- Re-attach thermal cut-out mounting screws.
- Reconnect all wires to thermal cut-out.

PARTS LIST
| ITEM | DESCRIPTION |
| 1 | CABINET BOX ASSEMBLY |
| 2 | CABINET DOOR |
| 3 | CONTACTOR |
| 4 | ELEMENTS |
| 5 | FAN BLADE |
| 6 | FUSE |
| 7 | HIGH LIMIT |
| 8 | DISCHARGE LOUVRE |
| 9 | MOTOR |
| 10 | MOTOR MOUNT |
| 11 | SPLITTER BLOCK |
| 12 | TERMINAL BLOCK |
| 13 | THERMOSTAT |
| 14 | TIME DELAY RELAY |
| 15 | TRANSFORMER |
| 16 | BAFFLE, CONT. PANEL SIDE |
| 17 | BAFFLE, TOP |
| 18 | BAFFLE, BOTTOM |

E.2 Parts List
Table 3 –Replacement Parts List
Refer to E.1 Parts Assembly Diagram & Chart, page 11 for all tables below.
| Item | Description | V | kW | Part Number |
| 1 | Cabinet box assembly | Contact Factory | ||
| 2 | Cabinet Doors | 15-50 | B11082-01 | |
| 3 | Contactors | Contact Factory | ||
| 4 | Heating Elements | 208 | 15 | KXF11008-81 |
| 20 | KXF11008-84 | |||
| 25 | KXF11008-33 | |||
| 240 | 15 | KXF11008-82 | ||
| 20 | KXF11008-85 | |||
| 25 | KXF11008-34 | |||
| 480 | 15 | KXF11008-64 | ||
| 20 | KXF11008-62 | |||
| 25 | KXF11008-35 | |||
| 30 | KXF11008-37 | |||
| 40 | KXF11008-90 | |||
| 50 | KXF11008-63 | |||
| 600 | 15 | KXF11008-83 | ||
| 20 | KXF11008-86 | |||
| 25 | KXF11008-36 | |||
| 30 | KXF11008-38 | |||
| 40 | KXF11008-91 | |||
| 50 | KXF11008-89 | |||
| 5 | Fan blade | — | 15 | C11028-09 |
| 20 | C11028-09 | |||
| 25 | C11028-09 | |||
| 30 | C11028-10 | |||
| 40 | C11028-10 | |||
| 50 | C11028-14 | |||
| 6 | Fuse | — | 15–30 | ATQR 0.25 |
| — | 40-50 | AWTQR 0.5 | ||
| 7 | High Limit | — | 15–25 | B11035-03 |
| 30–50 | ||||
| 8 | Outlet Louvre | — | 15–25 | B12352-02 |
| 30–50 | ||||
| 9 | Motor | 208 3Ø | 15–50 | B11085-01 |
| 240 1Ø | 15–50 | B11085-05 | ||
| 480 3Ø | 15–50 | B11085-03 | ||
| 600 3Ø | 15–50 | B11085-04 | ||
| 10 | Motor Mount | — | 15–50 | C11080-01 |
| 11 | Splitter Block | — | 15–50 | B11086-01 |
| Item | Description | V | kW | Part Number |
| 12 | Terminal Block | Contact Factory | ||
| 13 | Thermostat Kit | — | 15–50 | FAT 8A |
| 14 | Time Delay Relay | Contact Factory | ||
| 15 | Transformer | 480 | 15–30 | B11033-04 |
| 40-50 | PH100MQMJ | |||
| 600 | 15–30 | B11033-05 | ||
| 40-50 | EXA100-40 | |||
| 16 | Baffle, Cont. Panel Side | — | — | 13915-01 |
| 17 | Baffle, Top | — | — | 13915-02 |
| 18 | Baffle, Bottom | — | — | 13915-03 |
| * | Ground Lug | Contact Factory | ||
| * | Ceiling Bracket | — | — | B11013-03 |
| * | Wall Bracket | — | — | WB 1540 |
TROUBLESHOOTING TIPS
R1 Heater is not operating
- Check all fuses.
- Check disconnect switch.
- Check voltage supplied to the heater – refer to the heater data plate for voltage requirements.
- Check control voltage if transformer is installed.
- Check thermostat by turning it and check continuity.
- Check the condition of the disconnect switch if the heater is so equipped. Measure continuity through the disconnect by engaging the switch.
- Verify that there is a jumper wire present between the terminals as per the wiring schematics (refer to Figure 2 to Figure 7, page 6 to 9), if your heater is wired with this feature.
- If problem still exists, contact factory.
F.2 Contactor is chattering
- Check supply voltage.
- Check control voltage if transformer is installed.
- Check wiring connections. Tighten all loose electrical connections.
- Check thermostat for continuity. If thermostat does not break continuity replace thermostat.
- Check for excessive heater vibration.
- Do not operate if problem persists. Contact factory.
F.3 Contactor is burned or welded
- Check the contactor for burn marks and blackening. If present, replace the contactor.
- Check incoming power to the heater to ensure there are no voltage fluctuations.
- Check heating element for continuity.
- Check motor for continuity.
- Check thermostat for continuity. If thermostat does not break continuity replace thermostat.
- Do not operate if problem persists. Contact factory.
F.4 Heater cycles on high limit
- Check the inlet and discharge louvers for air blockage.
- Check for heating element fouling.
- Ensure motor is functioning and fan is rotating counter clockwise when viewed from the rear.
- Do not operate the heater if problem persists. Contact factory.
R5 Heater is operating but no heat is present
- If equipped with a “CONTINOUS FAN” switch, ensure the switch is in the “AUTO” position.
- Check the control voltage to the contactor coil, if unit is equipped with a contactor and transformer. If voltage is not within specification replace the transformer.
- Measure and record all element resistances. Contact factory to verify if elements are within specifications. If not within specification replace heating element(s).
- If problem persists, contact factory.
F.6 Heater fan does not operate but the heating elements operate
- Ensure fan blade spins freely to check motor bearings. Replace motor as required.
- Do not operate unit. Contact factory.
F.7 The Ground Fault Interrupter (CFI) trips on the main panel, or heater blows fuses
- Check that you have a fuse of the proper amperage rating.
- Check for loose or frayed wiring. 3. If condition is not observable, send heater in for repair.
F.8 The fan is turning but very little air comes from the front of the heater
- The proper motor/fan rotation, viewed from the rear of the heater is counter clockwise. Refer to the Section B -Installation, page 3.
- Check fan blade set screws to ensure fan blade is not loose on the motor shaft.
- Do not operate. Contact factory.
Table 4- Recommended Torque Specifications
| Item | Inch Pounds | |
| Heating Elements | without bus bars | 16 |
| with bus bars | 30 | |
| Contactor | 18-22 | |
| Mounting Bolt/Nut | 65-75 (ft-lbs) | |
Table 5–Technical Data
| kW (BTU/hr) | Voltage | Phase | Air Flow | Temperature Rise | Catalog No. | A | |||||
| Basic Unit | Contactor | Contactor & Thermostat | 1 Ph | 3 Ph | |||||||
| CFM | m³/min | °F | °C | ||||||||
| 15 (51180) | 208 | 3 | 1800 | 50 | 25 | 14 | GX152 | GX152C | GX152CT | — | 47.4 |
| 240 | 1* | GX153 | GX153C | GX153CT | 69.1 | — | |||||
| 480 | 3 | GX157 | GX157C | GX157CT | — | 20.3 | |||||
| 600 | 3 | GX158 | GX158C | GX158CT | — | 16.2 | |||||
| 20 (68240) | 208 | 3 | 34 | 19 | GX202 | GX202C | GX202CT | — | 62 | ||
| 240 | 1* | GX203 | GX203C | GX203CT | 91 | — | |||||
| 480 | 3 | GX207 | GX207C | GX207CT | — | 26.6 | |||||
| 600 | 3 | GX208 | GX208C | GX208CT | — | 21.2 | |||||
| 25 (85300) | 208 | 3 | 41 | 24 | GX252 | GX252C | GX252CT | — | 76.5 | ||
| 240 | 1* | GX253 | GX253C | GX253CT | 112.9 | — | |||||
| 480 | 3 | GX257 | GX257C | GX257CT | — | 32.9 | |||||
| 600 | 3 | GX258 | GX258C | GX258CT | — | 26.3 | |||||
| 30 (102300) | 480 | 3 | 2100 | 60 | 41 | 24 | GX307 | GX307C | GX307CT | — | 39.2 |
| 600 | 3 | GX308 | GX308C | GX308CT | — | 31.3 | |||||
| 40 (136500) | 480 | 3 | 58 | 32 | GX407 | GX407C | GX407CT | — | 51.9 | ||
| 600 | 3 | GX408 | GX408C | GX408CT | — | 41.5 | |||||
| 50 (170600) | 480 | 3 | 72 | 40 | GX507 | GX507C | GX507CT | — | 64.5 | ||
| 600 | 3 | GX508 | GX508C | GX508CT | — | 51.6 | |||||
NOTE*: Single phase units require special certification
NOTE**:
- Motor voltage and phase is same as heater supply.
- Standard control voltage is 240V. A control transformer is included where required. Other control voltages are available (check factory).
- 15, 20, 25, 30 kW units are pre-wired as one circuit. The split load feature (50%) is available as an option.
- 40 and 50 kW units are pre-wired for split load (50%) control by customer unless specified otherwise.
- All motors are 1/3 HP, totally enclosed ball bearing type, permanently lubricated, thermally protected.
GENERAL SPECIFICATIONS
| Nominal kW | |||||||
| 15 | 20 | 25 | 30 | 40 | 50 | ||
| Fan Diameter | in. | 16 | |||||
| mm | 406 | ||||||
| Air Delivery | CFM | 1800 | 2100 | 2200 | |||
| m7/hr | 50 | 60 | 62 | ||||
| Horizontal Throw | ft | 35 | 45 | 47 | |||
| m | 10.7 | 10.7 | 14.3 | ||||
| Normal Mounting Height* Horizontal (to underside) or Vertical (to discharge louvers) | ft | 8.0 – 12.0 | |||||
| mm | 2.4 – 3.6 | ||||||
| Shipping Weight | lbs | 105 | 105 | 125 | |||
| kg | 47.6 | 47.6 | 56.7 | ||||
*Recommended mounting height to ensure warm air reaches the floor.
HEATER MAINTENANCE CHECKLIST
Heater Model____________________________________
Serial Number___________________________________
Comments______________________________________
Date of Maintenance______________________________
Maintenance Done By_____________________________
I.1 Periodic (before and as required during heating season)
• Clean – Use compressed air only.
- Heating Elements
- Louvers
- Motor
- Inlet Grille
- Fan
• Mounting & Motor Check
- All mounting hardware condition and tightness
- Motor for smooth, quiet operation
I.2 Annual
• Electrical Check (before heating season)
- All terminal connections and conductors.
Tighten loose connections. Conductors with damaged insulation must be replaced. - Electrical resistance on all load side legs.
Reading should be balanced (± 5%).
WARNING. Disconnect heater from power supply at integral disconnect or fuse box before opening enclosures or servicing heater.
Lock the switch in the “OFF” (open) position and tag the switch to prevent unexpected power application.
This heater should only be serviced by qualified personnel with electrical heating equipment experience.
Install and use the heater in accordance with local codes and this manual.
WARNING. Use this heater only as described in this manual. Any other use not recommended by the manufacturer may cause fire, electric shock, or injury to persons.
• Mechanical Check
- Check heating elements for corrosion and debris buildup. Clean as required.
- Check motor shaft bearing play. Replace motor if play is excessive, or if motor does not run quietly and smoothly. Bearings are permanently lubricated.
- Check fan. Replace immediately if cracked, damaged, or out of balance.
- Check tightness of all hardware. All fasteners must be tight.
- Turn heater on for a minimum of five minutes. Check for warm air exiting heater through discharge louvers.
For further assistance, please call 24hr hotline: 1-877-325-3473 (U.S.A. and Canada)
Please have model and serial numbers available before calling.
WARRANTY: Under normal use the Company warrants to the purchaser that defects in material or workmanship will be repaired or replaced without charge for a period of 18 months from date of shipment, or 12 months from the start date of operation, whichever expires first. Any claim for warranty must be reported to the sales offi ce where the product was purchased for authorized repair or replacement within the terms of this warranty.
Subject to State or Provincial law to the contrary, the Company will not be responsible for any expense for installation, removal from service, transportation, or damages
of any type whatsoever, including damages arising from lack of use, business interruptions, or incidental or consequential damages.
The Company cannot anticipate or control the conditions of product usage and therefore accepts no responsibility for the safe application and suitability of its products when used alone or in combination with other products. Tests for the safe application and suitability of the products are the sole responsibility of the user.
This warranty will be void if, in the judgment of the Company, the damage, failure or defect is the result of:
- Vibration, radiation, erosion, corrosion, process contamination, abnormal process conditions, temperature and pressures, unusual surges or pulsation, fouling, ordinary wear and tear, lack of maintenance, incorrectly applied utilities such as voltage, air, gas, water, and others or any combination of the aforementioned causes not specifi cally allowed for in the design conditions or,
- Any act or omission by the Purchaser, its agents, servants or independent contractors which for greater certainty, but not so as to limit the generality of the foregoing, includes physical, chemical or mechanical abuse, accident, improper installation of the product, improper storage and handling of the product, improper application or the misalignment of parts.
No warranty applies to paint fi nishes except for manufacturing defects apparent within 30 days from the date of installation.
The Company neither assumes nor authorizes any person to assume for it any other obligation or liability in connection with the product(s).
The Purchaser agrees that all warranty work required after the initial commissioning of the product will be provided only if the Company has been paid by the Purchaser in full accordance with the terms and conditions of the contract.
The Purchaser agrees that the Company makes no warranty or guarantee, express, implied or statutory, (including any warranty of merchantability or warranty of fitness for a particular purpose) written or oral, of the Article or incidental labour, except as is expressed or contained in the agreement herein.
LIABILITY: Technical data contained in the catalog or on the website is subject to change without notice. The Company reserves the right to make dimensional and other
design changes as required. The Purchaser acknowledges the Company shall not be obligated to modify those articles manufactured before the formulation of the changes in design or improvements of the products by the Company.
The Company shall not be liable to compensate or indemnify the Purchaser, end user or any other party against any actions, claims, liabilities, injury, loss, loss of use, loss of business, damages, indirect or consequential damages, demands, penalties, fines, expenses (including legal expenses), costs, obligations and causes of action of any kind arising wholly or partly from negligence or omission of the user or the misuse, incorrect application, unsafe application, incorrect storage and handling, incorrect installation, lack of maintenance, improper maintenance or improper operation of products furnished by the Company.
| Edmonton 1-800-661-8529 1-780-466-3178 F 780-468-5904 | Oakville 1-800-410-3131 1-905-829-4422 F 905-829-4430 | Orillia 1-877-325-3473 1-705-325-3473 F 705-325-2106 |
| Houston 1-800-654-2583 1-713-433-2600 F 713-433-4541 | Denver 1-855-244-3128 1-303-979-7339 F 303-979-7350 |
PLEASE ADHERE TO INSTRUCTIONS IN THIS MANUAL
Failure to do so may be dangerous and may void certain provisions of your warranty.



















