
WH Series
Architectural Heavy-Duty
Wall Heaters
For use with FRC and
AWH Series wall heater
Conforms to ANSI/UL 2021 and CSA C22.2 No. 46
Installation, Operation & Maintenance Instructions
Table 1. Specifications
| Model Number | Volts | Phase | Watts | Amps | Min. Supply Wire Gauge |
| WH3150FC | 120 | 1 | 1500 | 12.5 | 12 |
| WH3180FC | 120 | 1 | 1800 | 15.0 | 12 |
| WH4404*FC | 240 | 1 | 4000/2000 | 16.7/8.3 | 10 |
| 208 | 3000/1500 | 14.5/7.2 | 12 | ||
| WH4407*FC | 277 | 1 | 4000/2000 | 14.5/7.2 | 12 |
| 240 | 3000/1500 | 12.5/6.3 | 12 | ||
| WH4307*FC | 277 | 1 | 3000/1500 | 10.8/5.4 | 12 |
| WH4408*FC | 208 | 1 | 4000/2000 | 19.2/9.6 | 10 |
| WH44083FC | 208 | 3 | 4000 | 11.1 | 14 |
| WH44043FC | 240 | 3 | 4000 | 9.7 | 14 |
| *NOTE: Factory wired for higher wattage, field convertible to half wattage. | |||||
| Model Number | Volts | Phase | Watts | Amps | Min Supply Su Wire Gauge |
| WH4303FC | 347 | 1 | 3000 | 8.6 | 14 |
| WH4306FC | 600 | 1 | 3000 | 5 | 14 |
| WH4508FC | 208 | 1 | 4800 | 23.1 | 10 |
| WH4504FC | 240 208 | 1 | 4800 3600 | 20.0 17.3 | 10 |
| WH4507FC | 277 240 | 1 | 4800 3600 | 17.3 15.0 | 10 |
| WH45083FC | 208 | 3 | 4800 | 13.3 | 12 |
| WH45043FC | 240 | 3 | 4800 | 11.6 | 14 |
| WH4503FC | 347 | 1 | 4800 | 13.8 | 12 |
| WH4506FC | 600 | 1 | 4800 | 8 | 14 |
| *NOTE: Factory wired for higher wattage, field convertible to half wattage. | |||||
IMPORTANT INSTRUCTIONS
WARNING ![]()
WHEN USING ELECTRIC APPLIANCES, BASICS PRECAUTIONS SHOULD ALWAYS BE FOLLOWED TO REDUCE THE RISK OF FIRE, ELECTRIC SHOCK, AND INJURY TO PERSONS, INCLUDING THE FOLLOWING:
- Read all instructions before installing or using this heater.
- This heater is hot when in use. To avoid burns, do not let bare skin touch hot surfaces. Keep combustible materials, such as furniture, pillows, bedding, papers, clothes, etc., and curtains at least 3 feet (0.9 m) from the front of the heater.
- Extreme caution is necessary when any heater is used by or near children or invalids and whenever the heater is left operating and unattended.
- Do not operate any heater after it malfunctions. Disconnect power at the service panel and have the heater inspected by a reputable electrician before use.
- Do not use outdoors.
- To disconnect the heater, turn the controls off, and turn off the power to the heater circuit at the main disconnect panel.
- Do not insert or allow foreign objects to enter any ventilation or exhaust opening as this may cause an electric shock, fire, or damage to the heater. or exhaust opening as this may cause an electric shock, fire, or damage to the heater.
- To prevent a possible fire, do not block air intake or exhaust in any manner.
- A heater has hot and arcing or sparking parts inside. Do not use it in areas where gasoline, paint, or flammable liquids are used or stored.
- Use this heater only as described in this manual. Any other use not recommended by the manufacturer may cause fire, electric shock, or injury to persons.
- This heater is intended for comfort heating applications and not intended for use in special environments. Do not use in damp or wet locations such as marine or greenhouses or in areas where corrosive or chemical agents are present.
- When installing, see INSTALLATION INSTRUCTIONS for additional warnings and precautions.
- For safe and efficient operation, and to extend the life of your heater, keep your heater clean – See MAINTENANCE INSTRUCTIONS.
SAVE THESE INSTRUCTIONS
INSTALLATION INSTRUCTIONS
WARNING ![]()
To prevent a possible fire, injury to persons, or damage to the heater, adhere to the following:
- Disconnect all power coming to the heater at the main service panel before wiring or servicing.
- All wiring procedures and connections must be in accord- dance with the National and Local Codes having jurisdiction and the heater must be grounded.
- Verify the power supply voltage coming to the heater matches the ratings as shown on the heater nameplate.
CAUTION: ENERGIZING THE HEATER AT A VOLTAGE GREATER THAN THE VOLTAGE PRINTED ON THE NAMEPLATE WILL DAMAGE THE HEATER AND VOID THE WARRANTY AND COULD CAUSE A FIRE. - CAUTION – High temperature, risk of fire, keep electrical cords, drapery, furnishings, and other combustibles at least 3 feet (0.9 m) from the front of the heater. Do not install heater behind doors, below towel racks, or in an area where it is subject to being blocked by furniture, curtains, or storage materials. Hot air from the heater may damage certain fabrics and plastics.
- To reduce the risk of fire, do not store or use gasoline or other flammable vapors and liquids in the vicinity of the heater.
- Do NOT use a remote thermostat with this heater. The built-in thermostat cycles the heating element only. Fan delay control automatically turns the fan ON and OFF, and provides a fan delay OFF feature to remove residual heat after thermostat has turned heating elements off. Wiring of the heater in any manner which defeats the fan delay OFF feature can result in overheating and permanent damage to the heater and will void the warranty.
- For wall mounting only with air discharge downward. Do NOT install on the floor, ceiling, upside down (air discharge upward), or sideways.
- The following minimum clearances must be maintained: Bottom of heater to the floor – 8” (203 mm). Sides of heater to the adjacent wall – 8” (203 mm). Top of heater to ceiling – 36” (915 mm) – recommended at least 36” (915 mm).
- Do not operate the heater without the grille installed.
- This heater is hot when in use. Do NOT install a heater behind the door, behind the towel rack, inside the closet, where drapery could touch the heater or be damaged by heat, or where airflow to the heater may be obstructed. Keep electrical cords, bedding, furniture, and other items away from the heater.
Installation of Back Box in New Construction
- Mounting Back Box (See Figure 1)
a. Place the back box between two 16″ (406 mm) center-to-center wall studs at the desired mounting height but no closer than 8″ (203 mm) to the adjacent wall or floor.
Note: If wall studs are spaced greater than 16” on center, additional framing supports may be necessary.
b. Align the back box such that the bottom and sides will be flush with the finished wall surface (the top flange of the back box should protrude approximately 1/2″ (12.7 mm) from the finished wall surface).
c. Secure the back box in position with wood screws or nails as shown in Figure 1. - Power Supply Wiring (See Figure 1)
NOTE: Wire compartment volume – 119in3 (1950cm3).
a. Run a power supply cable into the knockout area in the upper right-hand corner of the back box. All wiring must be in accordance with National and Local Electrical Codes. Refer to Table 1, page 1 for the correct wire size.
b. Remove the Power ON/OFF switch bracket by loosening two screws on the right side.
c. Install a cable clamp in the “knockout” at the top of the back box.
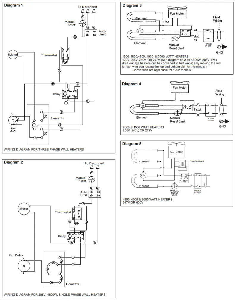
d. Insert power supply cable through cable clamp, allowing at least 6″ (152mm) of leads to extend inside the back box. Connect the blue lead wires of the disconnect switch to the supply wire leads using wire connectors (see a wiring diagram, pg. 5).
e. Ground the back box using the green screw located on the inside top of the back box.
f. Secure Power ON/OFF switch bracket in place by tightening screws.

Fig. 1: Locating Back Box in New Construction
Installation of Recessed Back Box in Existing Construction
- Provide a wall opening 14-1/2″ (362mm) wide by 18-1/2″ (470mm) high at the desired mounting height, but no closer than 8″ (203mm) from the floor. (See Figure 2)
NOTE: Locate so at least one side of the opening is a wall stud. - Power Supply Wiring
NOTE: Wiring Compartment Volume – 119in3 (1950cm3)
a. Run a power supply cable into the area above the top of the wall opening. All wiring must be in accordance with National and Local electrical codes. Refer to Table 1,
page 1 for correct wire size.
b. Remove the Power ON/OFF switch bracket by loosening the two screws on the right side.
c. Install a cable clamp in the “knockout” at the top of the back box.
d. Insert power supply cable through cable clamp, allowing approximately 6″ (152mm) of cable length to remain inside the back box to facilitate connections. - Mounting Back Box
a. Place the back box into the wall opening flush with the finished wall surface on the bottom and sides of the box. (Top flange of the back box should protrude approximately 1/2″ or 12.7mm from the finished wall surface).
b. Secure the back box in place with wood screws or nails. - Wiring Power ON/OFF Switch
a. Connect the power supply wires to the blue wires of the Power the ON/OFF switch using wire connectors (see a wiring diagram, pg. 5).
b. Ground the back box using the green ground screw located on the inside top of the back box.
c. Secure the Power ON/OFF switch bracket in place by tightening screws.

Note to Installer: Converting heater to half wattage
(Not applicable to WH3150FC and WH3180FC, 120 Volt Models)
The WH Series wall heaters are manufactured and shipped at the higher-rated wattage. Full-wattage heaters can be converted to half-wattage by doing the following steps.
- Remove the red jumper wire as shown in Figure 3 and discard it.
- Mark the wattage of the heater on the white label inside the back box.
Installation of Back Box with Optional Surface-Mounting Frame (See Figure 4)
- Secure the back box to the wall with knockouts in the upper right-hand corner using screws and anchors.
- Hang the surface-mounting frame on the back box. Ensure that the back edge of the surface-mounting frame is flush against the wall.
NOTE: If the heater is located in a high-traffic area, where it may be subject to vandalism or abuse, take extreme care to see that the box is firmly attached to the wall. - Power Supply Wiring
NOTE: Wiring Compartment Volume – 119in3 (1950cm3)
a. Run a power supply cable into the area to the right of the mounting frame. The arrangement of wiring to this point must be in accordance with National and Local codes. Refer to Table 1 on page 1 for proper wire size.
NOTE: If the wiring is to run through the wall, cut a hole in the area of the top of the back box. Run the supply wire through this hole. Then remove the “knockout” from the top of the box and proceed to step C.
b. Remove the “knockout” on the top side of the frame.
c. Remove the Power ON/OFF switch bracket by loosening the two screws on the right side.
d. Secure the power supply cable to the back box (using cable clamp, connector, or other suitable strain relief) allowing 6″ (152mm) of lead to remain inside the back box.
e. Connect supply wires to blue wires of Power On/Off switch using wiring connectors (see a wiring diagram, pg. 5)
f. Ground the back box by connecting the supply ground lead wire to the green ground screw located on the inside top of the back box.
g. Secure Power On/Off switch bracket in place.
Installation of Heater Assembly and Grille
After the back box is completely installed and no further construction dirt is expected, clean debris from the back box and remove the heater assembly from its carton. Then refer to Figure 5 and proceed as follows:

- Insert the heater assembly into the back box, placing the four mounting holes (with key-hole slots) over the screws in the box. Tighten all screws securely.
- If the surface-mounting frame is used, ensure that the frame is even with all four heater assembly tabs before tightening screws.
- Connect the two Power ON/OFF switch wires to the heat control circuit leads using wire nuts. After connection, push wires back into the opening. (Applicable diagram on pg. 5).
- Turn the thermostat to the extreme counterclockwise position.
- Push the Power ON/OFF switch into the ON position.
- Mount grille tabs over the back box flange (top). Sheet metal flange on the top end of the grille hooks onto a vertical flange on the back box.
- Insert two screws through the tabs provided below the bottom louver. Tighten screws until the grille is pulled flush to the wall (or sur- face mount frame). BE CAREFUL, DO NOT OVERTIGHTEN SCREWS.
OPERATION INSTRUCTIONS
- The heater must be properly installed before operation.
- Rotate the thermostat fully clockwise. This should energize the heating elements and cause warm air to flow from the hot air discharge at the openings at the bottom of the grille.
- After the operation check, rotate the thermostat to the desired position to obtain room comfort.
NOTE: For best results, the heater should be left “ON” constantly during the heating season because the thermostat, when properly set will maintain the desired temperature.
TO RESET THE MANUAL RESET LIMIT:
Your heater is equipped with a manual reset safety thermal limit control that will automatically turn the heater off to prevent a fire if the heater overheats. This control is located on the fan panel assembly between the element and fan blade and marked “reset”. The red reset button can be seen through the front grille when the heater is installed. To reset, allow the heater to cool, then push the red button that is visible through the hole in the fan panel. The heater should immediately return to normal operaction.
MAINTENANCE INSTRUCTIONS
It is important to keep this heater clean. Your heater will give you years of service and comfort with only minimal care. To assure efficient operation follow the simple instructions below.
WARNING ![]()
ALL SERVICING BEYOND SIMPLE CLEANING THAT REQUIRES DISASSEMBLY SHOULD BE PERFORMED BY QUALIFIED SERVICE PERSONNEL.
WARNING ![]()
TO REDUCE THE RISK OF FIRE AND ELECTRIC SHOCK OR INJURY, DISCONNECT ALL POWER COMING TO THE HEATER AT THE MAIN SERVICE PANEL AND CHECK THAT THE ELEMENT IS COOL BEFORE SERVICING OR PERFORMING MAINTENANCE.
User Cleaning Instructions:
- After the heater has cooled, a vacuum cleaner with a brush attachment may be used to remove dust and lint from the exterior surfaces of the heater including the grille openings.
- With a damp cloth, wipe dust and lint from the grille and exterior surfaces.
- Return power to the heater and check to make sure it is operating properly.
Maintenance Cleaning Instructions:
(To be performed only by Qualified Service Personnel)
At least annually, the heater should be cleaned and serviced by a qualified service person to ensure safe and efficient operation. This should include the removal of the grille and as necessary, the heater from the back box, to clean residue from the unit. After completing the cleaning and servicing, the heater should be fully reassembled and checked for proper operation.
Wiring Diagrams

Replacement Parts
| Key No. | Description | Part Number |
| 1 | Grille Assembly: White Standard | 1016-11225-001 1016-11225-000 |
| 2 | Element, Single Phase: 208V; 4000W 208/240V; 3000/4000W 240/277V; 3000/4000W 277V; 3000W 208V; 4800W 208/240V; 3600/4800W 240/277V; 3600/4800W 120V; 1500W 120V; 1800W Element, 3-Phase: 208V; 4000W 208/240V; 3000/4000W 208V; 4800W 208/240V; 3600/4800W | 302015807 302015808 302012809 302012806 1802-2075-801 302012810 302012811 302012827 302012828 1802-2075-800 1802-2075-802 1802-2075-801 1802-2075-803 |
| 3 | Limit, Manual Reset | 4520-2027-000 |
| 4 | Fan Delay (WH4508FC) Fan Delay, 3 phase | 410074000 4520-2024-000 |
| 5 | Fan Blade | 490030103 |
| 6 | Motor: 277/240V 208/240V | 3900-2010-001 3900-2010-000 |
| 120V | 3900-2010-003 | |
| 7 | Thermostat | 410168002 |
| 8 | Power ON/OFF | 410170001 |
| – | Relay | 410101002 |
| – | Thermo Protector (Auto–Limit) | 4520-2048-000 |

LIMITED WARRANTY
All products manufactured by Marley Engineered Products are warranted against defects in workmanship and materials for one year from the date of installation, except the heating elements which are warranted against defects in workmanship and materials for five years from the date of installation. This warranty does not apply to damage from
an accident, misuse, or alteration; nor where the connected voltage is more than 5% above the nameplate voltage; nor to equipment improperly installed or wired or maintained in violation of the product’s installation instructions. All claims for warranty work must be accompanied by proof of the date of installation.
The customer shall be responsible for all costs incurred in the removal or reinstallation of products, including labor costs, and shipping costs incurred to return products.
Within the limitations of this warranty, inoperative units should be returned to Marley Engineered Products, and we will repair or replace, at our option, at no charge to you with return freight paid by Marley. It is agreed that such repair or replacement is the exclusive remedy available from Marley Engineered Products.
THE ABOVE WARRANTIES ARE IN LIEU OF ALL OTHER WARRANTIES EXPRESSED OR IMPLIED, AND ALL IMPLIED WARRANTIES OF MERCHANTABILITY
AND FITNESS FOR A PARTICULAR PURPOSE WHICH EXCEEDS THE AFORESAID EXPRESSED WARRANTIES ARE HEREBY DISCLAIMED AND EXCLUDED
FROM THIS AGREEMENT. MARLEY ENGINEERED PRODUCTS SHALL NOT BE LIABLE FOR CONSEQUENTIAL DAMAGES ARISING WITH RESPECT TO THE
PRODUCT, WHETHER BASED UPON NEGLIGENCE, TORT, STRICT LIABILITY, OR CONTRACT.
Some states do not allow the exclusion or limitation of incidental or consequential damages, so the above exclusion or limitation may not apply to you. This warranty gives you specific legal rights, and you may also have other rights which vary from state to state.
Contact Marley Engineered Products in Bennettsville, SC, at 1-800-642-4328. Merchandise returned to the factory must be accompanied by a return authorization and service identification tag, both available from Marley Engineered Products. When requesting return authorization, include all catalog numbers shown on the products.
HOW TO OBTAIN WARRANTY SERVICE AND WARRANTY PARTS PLUS GENERAL INFORMATION
| 1. Warranty Service or Parts | 1-800-642-4328 |
| 2. Purchase Replacement Parts | 1-800-654-3545 |
| 3. General Product Information | www.marleymep.com |
Note: When obtaining service always have the following:
- The model number of the product
- Date of manufacture
- Part number or description





















