WHB3000 Series
Fan Forced
Electric Wall Heaters
Instruction Manual
WHB3000 Fan Forced Electric Wall Heaters
![]()
Installation, Operation & Maintenance Instructions
Table 1. Specifications
| Model Number | Volts | Phase | Watts* | Amps | Min. Supply Wire Gauge |
| WHB3150FC | 120 | 1 | 1500 | 12.5 | 12 |
| WHB3180FC | 120 | 1 | 1800 | 15 | 12 |
| WHB3404FC* | 240/208 | 1 | 4000/3000 2000/1500 | 16.7/14.5 8.3/7.2 | 10 12 |
| WHB3407FC* | 277/240 | 1 | 4000/3000 2000/1500 | 14.5/12.5 7.2/6.3 | 12 12 |
| WHB3307FC* | 277 | 1 | 3000/1500 | 10.8/5.4 | 14 |
| WHB3408FC* | 208 | 1 | 4000/2000 | 19.2/9.6 | 10 |
| WHB34083FC | 208 | 3 | 4000 | 11.1 | 14 |
| WHB34043FC | 240 | 3 | 4000 | 9.7 | 14 |
| WHB3504FC | 240/208 | 1 | 4800/3600 | 20.0/17.3 | 10 |
| WHB3507FC | 277/240 | 1 | 4800/3600 | 17.3/15 | 10 |
| WHB3508FC | 208 | 1 | 4800 | 23.1 | 10 |
| WHB35083FC | 208 | 3 | 4800 | 13.4 | 12 |
| WHB35043FC | 240 | 3 | 4800 | 11.6 | 14 |
| WHB3203FC | 347 | 1 | 2000 | 5.8 | 14 |
| WHB3206FC | 600 | 1 | 2000 | 3.3 | 14 |
| WHB3153FC | 347 | 1 | 1500 | 4.3 | 14 |
| WHB3156FC | 600 | 1 | 1500 | 2.5 | 14 |
| WHB3303FC | 347 | 1 | 3000 | 8.6 | 14 |
| WHB3306FC | 600 | 1 | 3000 | 5 | 14 |
| WHB3403FC | 347 | 1 | 4000 | 11.5 | 14 |
| WHB3406FC | 600 | 1 | 4000 | 6.7 | 14 |
| WHB3503FC | 347 | 1 | 4800 | 13.8 | 12 |
| WHB3506FC | 600 | 1 | 4800 | 8 | 14 |
| *NOTE: Factory wired for higher wattage, field convertible to half wattage. | |||||
IMPORTANT INSTRUCTIONS
WARNING ![]()
WHEN USING ELECTRIC APPLIANCES, BASIC PRECAUTIONS SHOULD ALWAYS BE FOLLOWED TO REDUCE THE RISK OF FIRE, ELECTRIC SHOCK, AND INJURY TO PERSONS, INCLUDING THE FOLLOWING:
- Read all instructions before installing or using this heater.
- This heater is hot when in use. To avoid burns, do not let bare skin touch hot surfaces. Keep combustible materials, such as furniture, pillows, bedding, papers, clothes, etc., and curtains at least 3 feet (0.9 m) from the front of the heater.
- Extreme caution is necessary when any heater is used by or near children or invalids and whenever the heater is left operating and unattended.
- Do not operate any heater after it malfunctions. Disconnect power at service panel and have heater inspected by a reputable electrician before using.
- Do not use outdoors.
- To disconnect the heater, turn the controls off, and turn off the power to the heater circuit at the main disconnect panel.
- Do not insert or allow foreign objects to enter any ventilation or exhaust opening as this may cause an electric shock, fire, or damage to the heater.
- To prevent a possible fire, do not block air intake or exhaust in any manner.
- A heater has hot and arcing or sparking parts inside. Do not use it in areas where gasoline, paint, or flammable liquids are used or stored.
- Use this heater only as described in this manual. Any other use not recommended by the manufacturer may cause fire, electric shock, or injury to persons.
- This heater is intended for comfort heating applications and not intended for use in special environments. Do not use in damp or wet locations such as marine or greenhouses or in areas where corrosive or chemical agents are present.
- When installing, see INSTALLATION INSTRUCTIONS for additional warnings and precautions.
- For safe and efficient operation, and to extend the life of your heater, keep your heater clean – See MAINTENANCE INSTRUCTIONS.
SAVE THESE INSTRUCTIONS
INSTAllATION INSTRUCTIONS
WARNING ![]()
To prevent a possible fire, injury to persons, or damage to the heater, adhere to the following:
- Disconnect all power coming to the heater at the main service panel before wiring or servicing.
- All wiring procedures and connections must be in accordance with the National and Local Codes having jurisdiction and the heater must be grounded.
- The power supply must enter the back box through the knockouts on the RIGHT side of the box(see Figure 1). See also the TOP marking on the back box for proper orientation.
- Verify the power supply voltage coming to the heater matches the ratings as shown on the heater nameplate.
CAUTION: ENERGIzING HEATER AT A VOLTAGE GREATER THAN THE VOLTAGE PRINTED ON THE NAMEPLATE WILL DAMAGE THE HEATER AND VOID THE WARRANTY AND COULD CAUSE A FIRE. - CAUTION – High temperature, risk of fire, keep electrical cords, drapery, furnishings, and other combustibles at least 3 feet (0.9 m) from the front of the heater. Do not install a heater behind doors, below towel racks, in the ceiling, or in an area where it is subject to being blocked by furniture, curtains, or storage materials. Hot air from the heater may damage certain fabrics and plastics.
- To reduce the risk of fire, do not store or use gasoline or other flammable vapors and liquids in the vicinity of the heater.
- This heater is to be mounted only using the back box and may be installed with the back box recessed or surface mounted as described within this manual.
- The following minimum clearances must be maintained: Bottom of heater to the floor – 8” (203 mm). Sides of heater to the adjacent wall – 8” (203 mm). Top of heater to ceiling – 36” (915 mm).
- Do not operate the heater without the grille installed.
- Do not use this heater for drying out as the paint, plaster, sawdust, and drywall sanding dust will permanently damage the heater and must be kept out of the heater.
NOTE: This heater has a continuous fan-only feature. See page 4, Operation Instructions, step #4 for details.
Installation of Back Box in New Construction
- Mounting Back Box (See Figure 1).
a. Place the back box between two 16″ (406 mm) center-center wall studs at the desired mounting height but no closer than 8″ (203 mm)to the adjacent wall or floor.
NOTE: If wall studs are spaced greater than 16” on center, additional framing supports may be necessary.
b. Align the back box such that the bottom and sides will be flush with the finished wall surface (the top flange of the back box should protrude approximately 1/2″ (12.7 mm) from the finished wall surface).
c. Secure the back box in position with wood screws or nails as shown in Figure 1.
Not for ceiling mount.
- Power Supply Wiring (See Figure 1)
NOTE: Wire compartment volume – 119 in 3 (1950 cm3).
a. Run a power supply cable into the knockout area in the upper right-hand corner of the back box. All wiring must be in accordance with National and Local Electrical Codes.
Refer to Table 1, page 1 for the correct wire size.
b. Remove the disconnect switch bracket by loosening two screws on the right side.
c. Install a cable clamp in the knockout at the top of the back box.
d. Insert power supply cable through cable clamp, allowing at least 6″ (152 mm) of leads to extend inside the back box.
Connect the blue lead wires of the disconnect switch to the supply wire leads using wire connectors (see Wiring Diagrams, page 5).
e. Ground the back box by connecting the supply ground lead wire to the green ground screw located on the inside top of the back box.
f. Secure disconnect switch bracket in place by tightening screws.
Installation of Back Box in Existing Construction
- Provide a wall opening 14-1/2″ (362 mm) wide by 18-1/2″ (470 mm) high at the desired mounting height, but no closer than 8″ (203 mm) to the adjacent wall or floor. (See Figure 2.)
NOTE: Locate so at least one side of the opening is at the wall stud. - Power Supply Wiring
NOTE: Wiring Compartment Volume – 119 in3 (1950 cm3).
a. Run a power supply cable into the area above the top of the wall opening. All wiring must be in accordance with National and Local electrical codes. Refer to Table 1, page 1 for the correct wire size.
b. Remove the disconnect switch bracket by loosening the two screws on the right side.
c. Install a cable clamp in the knockout in the top of wall back box.
d. Insert power supply cable through cable clamp, allowing approximately 6″ (152 mm) of cable length to remain inside the back box to facilitate connections. - Mounting Back Box
a. Place the back box into the wall opening flush with the finished wall surface on the bottom and sides of the box. (Top flange of the backbox should protrude approximately 1/2″ or 12.7 mm from the finished wall surface).
b. Secure the back box in place with wood screws or nails. - Wiring Disconnect Switch
a. Connect the power supply wires to the blue wires of the disconnect switch using wire connectors (see Wiring Diagrams, page 5)
b. Ground the back box connecting the supply ground lead wire to the green ground screw located on the inside top of the back box.
c. Secure disconnect switch bracket in place by tightening screws.
Installation of Back Box With Surface Mounting Frame
See Figure 3
- Secure the back box to the wall with knockouts in the upper right-hand corner using screws and anchors.
- Hang the surface-mounting frame on the back box. Ensure that the back edge of the surface-mounting frame is flush against the wall.
NOTE: If the heater is located in a high-traffic area where it may be subjected to vandalism or abuse, take extreme care to see that the box is firmly attached to the wall. - Power Supply Wiring
NOTE: Wiring Compartment Volume – 119 in3 (1950 cm3 ).
a. Run a power supply cable into the area of the upper right corner of the mounting frame. The arrangement of wiring to this point must be in accordance with National and Local codes. Refer to Table 1 page 1 for proper wire size.
NOTE: If the wiring is to run through the wall, cut a hole in the area of the top of the wall box. Run the supply wire through this hole. Then remove the “knockout” from the top of the box and proceed to step C.
b. Remove the knockout on the top side of the frame.
c. Remove the disconnect switch bracket by loosening the two screws on the right side.
d. Feed the power supply cable through the frame allowing 6″ (152 mm) of lead to remain inside the back box.
e. Secure the power supply cable to the back box (using cable clamp, connector, or other suitable strain relief) allowing 6″ (152 mm) of lead to remain inside the back box.
f. Connect supply wires to blue wires of disconnect switch using wiring connectors (see Wiring Diagrams, page 5).
g. Ground the back box by connecting the supply ground lead wire to the green ground screw located on the inside top of the back box.
h. Secure disconnect switch bracket in place.
Installation of Heater Assembly and Grille
After the back, box is completely installed and no further construction dirt is expected, clean debris from the back box, remove heater assembly from its carton, then refer to Figure 4 and proceed as follows:

- Insert the heater assembly into the back box, placing the four mounting holes (with key-hole slots) over the screws in the back box. Tighten all screws securely.
- If the surface-mounting frame is used, ensure that the frame is even with all four heater assembly tabs before tightening the screws.
- Connect the two disconnect switch wires to the heater control circuit leads using wire nuts (per applicable diagram on page 5). After connection, push wires back into the opening.
- Turn the thermostat to the extreme counterclockwise position.
- Push disconnect switch into ON position.
- Mount the grille tabs over the back box flange (top).
- Insert a screw through the bottom hole on the grille. The screw threads into the hole on the fan panel. Tighten the screw until the grille is flush to the wall (or surface mount frame). Be
careful, do not over-tighten. - Push the thermostat knob onto the thermostat shaft.
OPERATING INSTRUCTIONS
- The heater must be properly installed before operation.
- Rotate the thermostat knob fully clockwise. This should energize the heating elements and fan causing warm air to flow from the hot air discharge at the openings in the bottom of the grille. (see note 5)
- After the operation check, rotate the thermostat knob to the desired position to obtain room comfort.
- For continuous fan-only operation (heating elements will not be energized), slowly rotate the thermostat knob clockwise until you hear the fan operate (about 30 degrees from the OFF point).
- There will be a short delay from the time the unit is turned on until the fan engages. This is to allow the elements time to warm up. The fan will also continue to run once the unit is turned off to allow the elements time to cool.
NOTE: For best results, the heater should be left “ON” constantly during the heating season because the thermostat, when properly set, will maintain the desired temperature.
How To Reset Manual Thermal Overheat Protector Control:
Your heater is equipped with a manual reset thermal overheat protector control that will automatically turn the heater off to prevent a fire if the heater overheats. This control is located on the fan panel assembly between the element and fan blade and marked “RESET”. The red reset button can be seen through the front grille when the heater is installed. To reset, allow the heater to cool, then push the red button that is visible through the hole in the fan panel. The heater should immediately return to normal
operation.
WARNING ![]()
CAUTION – DO NOT CONTINUE TO ATTEMPT TO USE THE HEATER IF THE SAFETY CONTROL REPEATEDLY OPERATES AFTER BEING RESET. TO DO SO COULD PERMANENTLY DAMAGE THE HEATER OR CREATE A FIRE OR SAFETY HAzARD.
CAUTION
DO NOT TAMPER WITH OR BYPASS ANY SAFETY LIMITS INSIDE THE HEATER.
MAINTENANCE INSTRUCTIONS
It is important to keep this heater clean. Your heater will give you years of service and comfort with only minimum care. To assure efficient operation follow the simple instructions below.
WARNING ![]()
ALL SERVICING BEYOND SIMPLE CLEANING THAT REqUIRES DISASSEMBLY SHOULD BE PERFORMED BY QUALIFIED SERVICE PERSONNEL.
WARNING ![]()
TO REDUCE THE RISK OF FIRE AND ELECTRIC SHOCK OR INJURY, DISCONNECT ALL POWER COMING TO THE HEATER AT THE MAIN SERVICE PANEL AND CHECK THAT THE ELEMENT IS COOL BEFORE SERVICING OR PERFORMING MAINTENANCE.
User Cleaning Instructions:
- After the heater has cooled, a vacuum cleaner with brush attachment may be used to remove dust and lint from the exterior surfaces of the heater including the grille openings.
- With a damp cloth, wipe dust and lint from the grille and exterior surfaces.
- Return power to the heater and check to make sure it is operating properly.
Maintenance Cleaning Instructions:
(To be performed only by Qualified Service Personnel) At least annually, the heater should be cleaned and serviced by a qualified service person to assure safe and efficient operation.
This should include the removal of the grille and, as necessary the heater from the backbox to clean residue from the unit. After completing the cleaning and servicing, the heater should be fully reassembled and checked for proper operation.
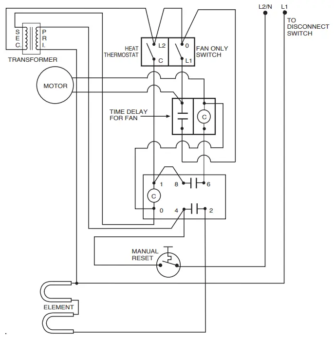
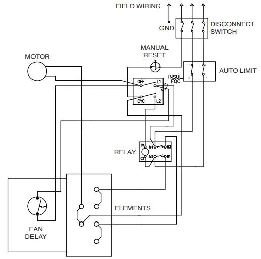
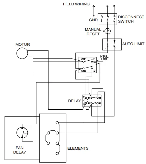
Wiring Diagrams

Wiring Diagram 1:
1500, 1800, 4800, 4000, & 3000 Watt Heaters
120V, 208V, 240V, or 277V (Full wattage heaters can be converted to half wattage by removing the red jumper wire connecting the top and bottom element terminals.) See Wiring Diagram 6 for 4800W, 208V.
NOTE: Conversion to half wattage is not applicable to WHB3150FC and WHB3180FC.

Wiring Diagram 2:
2000, & 1500 Watt Heaters
208V, 240V, or 277V

Wiring Diagram 3:
4800, 4000 & 3000 Watt Heaters
347V, 600V

Wiring Diagram 4:
1500/2500 Watt Heaters
347V, 600V

Wiring Diagram 5:
Three Phase Wall Heaters

Wiring Diagram 6:
4800 Watt Single Phase Heaters
208V
Replacement Parts
| Key No. | Description | Part Number |
| 1 | Knob | 3301-11014-001 |
| 2 | Grille | 1016-11226-000 |
| 3 | Element: WHB3208FC 208V/2000W | 302015801 |
| WHB3408FC 208V/4000W | 302012807 | |
| WHB34083FC 208V/4000W/ 3Ph. | 1802-2075-800 | |
| WHB3508FC 208V/4800W | 1802-2075-801 | |
| WHB35083FC 208V/4800W/3Ph. | 1802-2075-801 | |
| WHB3204FC 240V/2000W | 302015802 | |
| WHB3404FC 240V/4000W | 302012808 | |
| WHB34043FC 240V/4000W/3Ph. | 1802-2075-802 | |
| WHB3504FC 240V/4800W | 302012810 | |
| WHB35043FC 240V/4800W/3Ph. | 1802-2075-803 | |
| WHB3157FC 277V/1500W | 302015806 | |
| WHB3207FC 277V/2000W | 302015803 | |
| WHB3307FC 277V/3000W | 302012806 | |
| WHB3407FC 277V/4000W | 302012809 | |
| WHB3507FC 277V/4800W | 302012811 | |
| WHB3153FC 347V/1500W | 302012824 | |
| WHB3203FC 347V/2000W | 302012808 | |
| WHB3303FC 347V/3000W | 302012818 | |
| WHB3403FC 347V/4000W | 302012821 | |
| WHB3503FC 347V/4800W | 302012823 | |
| WHB3156FC 600V/1500W | 302012816 | |
| WHB3206FC 600V/2000W | 302012818 | |
| WHB3306FC 600V/3000W | 302012820 | |
| WHB3406FC 600V/4000W | 302012822 | |
| WHB3506FC 600V/4800W | 302012824 | |
| 4 | Manual Limit | 4520-2017-000 |
| 5 | Fan Delay | 410740000 |
| 6 | Fan Blade | 490030103 |
| 7 | Motor: 120V | 3900-2010-003 |
| 208V | 3900-2010-000 | |
| 240V | 3900-2010-000 | |
| 277V | 3900-2010-001 | |
| 347V | *3900-2010-000 | |
| 600V | *3900-2010-000 | |
| 8 | Thermostat | 5813-2059-000 |
| 9 | Disconnect 120V, 208V/1PH, 240V/1 Ph., 277V | 410170001 |
| 208V/3Ph., 240V/3Ph., 347V, 600V | 5216-2019-000 | |
| 10 | Motor Transformer 347V Heaters | 5714-2014-001 |
| 600V Heaters | 5814-2014-000 |
* See item 10. These heaters use a transformer to convert heater voltage to motor voltage. (Not shown).

Replacement Parts
For Models: WHB34083FC, WHB3508FC & WHB35083FC
| Description | Part Number |
| Relay | 4.1E+08 |
| Auto Reset | 4520-2048-000 |
lIMITED WARRANTY
All products manufactured by Marley Engineered Products are warranted against defects in workmanship and materials for one year from the date of installation, except heating elements which are warranted against defects in workmanship and materials for five years from the date of installation. This warranty does not apply to damage from an accident, misuse, or alteration; nor where the connected voltage is more than 5% above the nameplate voltage; nor to equipment improperly installed or wired or maintained in violation of the product’s installation instructions. All claims for warranty work must be accompanied by proof of the date of installation.
The customer shall be responsible for all costs incurred in the removal or reinstallation of products, including labor costs, and shipping costs incurred to return products to Marley Engineered Products Service Center. Within the limitations of this warranty, inoperative units should be returned to the nearest Marley authorized service center or the Marley Engineered Products Service Center, and we will repair or replace, at our option, at no charge to you with return freight paid by Marley. It is agreed that such repair or replacement is the exclusive remedy available from Marley Engineered Products.
THE ABOVE WARRANTIES ARE IN LIEU OF ALL OTHER WARRANTIES EXPRESSED OR IMPLIED, AND ALL IMPLIED WARRANTIES OF MERCHANTABILITY AND FITNESS FOR A PARTICULAR PURPOSE THAT EXCEED THE AFORESAID EXPRESSED WARRANTIES ARE HEREBY DISCLAIMED AND EXCLUDED FROM THIS AGREEMENT. MARLEY ENGINEERED PRODUCTS SHALL NOT BE LIABLE FOR CONSEqUENTIAL DAMAGES ARISING WITH RESPECT TO THE PRODUCT, WHETHER BASED UPON NEGLIGENCE, TORT, STRICT LIABILITY, OR CONTRACT.
Some states do not allow the exclusion or limitation of incidental or consequential damages, so the above exclusion or limitation may not apply to you. This warranty gives you specific legal rights and you may also have other rights which vary from state to state.
For the address of your nearest authorized service center, contact Marley Engineered Products in Bennettsville, SC, at 1-800-642-4328. Merchandise returned to the factory must be accompanied by a return authorization and service identification tag, both available from Marley Engineered Products. When requesting return authorization, include all catalog numbers shown on the products.

HOW TO OBTAIN WARRANTY SERVICE AND WARRANTY PARTS PlUS GENERAl INFORMATION
- Warranty Service or Parts
- Purchase Replacement Parts
- General Product Information
1-800-642-4328
1-800-654-3545
www.marleymep.com
Note: When obtaining service always have the following:
- The model number of the product
- Date of manufacture
- Part number or description
NOTES ________________


NOTE: Wiring Compartment Volume – 119 in3 (1950 cm3).

















