Clarke DEVIL 7015 15KW Electric Fan Heater

INTRODUCTION
Thank you for purchasing this CLARKE product. Before attempting to use this product, please read this manual thoroughly and follow the instructions carefully. In doing so you will ensure the safety of yourself and that of others around you, and you can look forward to your purchase giving you long and satisfactory service.
GUARANTEE
This product is guaranteed against faulty manufacture for a period of 12 months from the date of purchase. Please keep your receipt which will be required as proof of purchase.
This guarantee is invalid if the product is found to have been abused or tampered with in any way, or not used for the purpose for which it was intended. Faulty goods should be returned to their place of purchase, no product can be returned to us without prior permission. This guarantee does not effect your statutory rights.
LIST OF PACK CONTENTS
| 1 x Heater | 1 x Axle c/w Circlips (2) |
| 1 x R/H & 1 x L/H Support Frames | 2 x Wheel |
| 1 x Upper Handle | 1 x Fixings Pack |
ENVIRONMENTAL RECYCLING POLICY
Through purchase of this product, the customer is taking on the obligation to deal with the WEEE in accordance with the WEEE regulations in relation to the treatment, recycling & recovery and environmentally sound disposal of the WEEE. In effect, this means that this product must not be disposed of with general household waste. It must be disposed of according to the laws governing Waste Electrical and Electronic Equipment (WEEE) at a recognised disposal facility.
THE FOLLOWING TABLE ADDRESSES THE INFORMATION REQUIREMENTS OF REG.2015/1188
| Item | Symbol | Value | Unit |
| Heat output | |||
| Measured seasonal space heating energy efficiency | 36% | ||
| Nominal heat output | Pnom | 15 | kW |
| Minimum heat output (indicative) | P min | 0 | kW |
| Maximum continuous heat output | P max | 15 | kW |
| Auxiliary electricity consumption | |||
| At nominal heat output | elmax | n/a | kW |
| At minimum heat output | el min | n/a | kW |
| In standby mode | elSB | 0 | kW |
| Type of heat input for electric storage local heaters only | |||
| Manual heat charge control with integrated thermostat | No | ||
| Manual heat charge control with room and/or outdoor temperature feedback | No | ||
| Electronic heat charge control with room and/or outdoor temperature feedback | No | ||
| Fan assisted output | No | ||
| Type of heat output/room temperature control (select one) | |||
| Single stage heat output, no temperature control | No | ||
| Two or more manual stages, no temperature control | No | ||
| With mechanical thermostat temp control | Yes | ||
| With electronic temperature control | No | ||
| Electronic temperature control with day timer | No | ||
| Electronic temperature control with week timer | No | ||
| Other control options (multiple selections possible) | |||
| Room temperature control with presence detection | No | ||
| Room temperature control with open window detection | No | ||
| Room temperature control with distance control option | No | ||
| Room temperature control with adaptive start control | No | ||
| Room temperature control with working time limitation | No | ||
| Room temperature control with black bulb sensor | No | ||
SAFETY RULES
Make sure that you read, understand and comply with the following.
ELECTRICAL SAFETY
WARNING: THIS HEATER MUST BE FITTED WITH A SUITABLE SUPPLY CABLE AND PLUG. CLARKE PART NUMBER 6925237
WARNING: THIS HEATER MUST BE EARTHED
- • Regularly inspect the power cable / plugs and all electrical connections for signs of damage/looseness. Do not use the heater it the power cable is damaged.
- Minimise the risk of electric shock by installing a RCCB (Residual Current Circuit Breaker) and a suitable 3-phase isolator into the main distribution board.
- Make sure that the voltage on the rating plate is the same as the voltage of the power supply. If in doubt, consult a qualified electrician.
- Do not abuse the electrical cable. Never use the cable for pulling or unplugging the heater.
- Keep the cable away from sources of heat, oil, sharp edges or moving parts. Damaged or tangled cables increase the risk of electric shock.
- Do not use extension cables with this heater.
MAINTENANCE.
WARNING: DISCONNECT THE HEATER FROM THE POWER SUPPLY, BEFORE SERVICING OR PERFORMING ANY MAINTENANCE. SERVICING OR MAINTENANCE MUST ONLY BE CARRIED OUT BY THE CLARKE SERVICE DEPARTMENT.
- Check that the heater is in good working order. Take immediate action to repair or replace damaged parts.
- Do not allow the heating elements to become covered with dust which could become a fire hazard. If used in a dusty workplace it should be cleaned as described under Cleaning and Maintenance.
- Use recommended parts only. Unapproved parts may be dangerous and will invalidate the warranty.
- DO NOT attempt to repair a damaged heater, contact the Clarke service department.
POSITIONING
WARNING: DO NOT USE THE HEATER NEAR FLAMMABLE MATERIAL, LIQUIDS, SOLIDS, GASES OR COMPRESSED GAS CYLINDERS ETC.
- Heater is designed for indoor use only.
- DO NOT place the heater close to a bath, wash basin, shower, swimming pool or any other water-filled area or wet surface. DO NOT place the heater up against any surface such as a wall, door or furniture etc.
- DO NOT place the heater immediately below any electrical outlet.
- NEVER place the heater near combustible materials such as curtains, furniture etc. Allow at least 2 metre clearance.
- DO NOT place the heater on a raised surface or anywhere where it could topple over
- Take care to ensure that the grille cannot be blocked by curtains or other fabrics.
- Do not operate fan heaters in explosive atmospheres such as in the presence of flammable liquids, gases or dust such as in a paint spray booth or any explosive environment. Electric motors create sparks which may ignite dust or fumes.
COMMON SENSE
- DO NOT operate the heater when you are tired or under the influence of alcohol, drugs or intoxicating medication.
- DO NOT stand on the heater.
- DO NOT use the heater with wet hands or when there is water on the power cable.
- Turn the heater off when not in use and keep it in a safe, dry, childproof location.
- The heater is designed to heat enclosed areas larger than 4m3, such as workshops and other industrial areas. Do not use the heater for any other function. It is not suitable for drying clothes or laundry.
- Young children must be kept away unless continuously supervised.
OPERATION
- The heater must only be used by people who have read these instructions and have been trained in its use.
- DO NOT obstruct the air inlet and outlet sections of the heater.
- DO NOT cover the heater.
- DO NOT touch the heater casing or grille when first switched off, as these will be very hot and will take time to cool.
- DO NOT get the heater wet or use in areas of high condensation.
- DO NOT allow the power lead to touch hot surfaces.
- DO NOT connect other appliances to the same mains socket as the heater.
- Only use the heater in an level position.
- Do not use this heater with a programmable timer used to switch it on automatically.
SERVICE & REPAIRS
Have your appliance repaired by a qualified person using identical replacement parts. This will ensure that the safety of the appliance is maintained.
ELECTRICAL CONNECTIONS
This machine MUST be connected to a 400 Volt, 3 phase 50Hz supply through a suitably rated isolator switch. It cannot be operated from a single phase supply.
The user should purchase a suitable connecting cable capable of handling 32 Amps (recommended Cross Sectional Area 6mm2) and supply plug rated at 32A (or better) which complies with BSEN 60309. A length of 2-3 metres is recommended giving mobility to the appliance but without becoming a trip hazard If in any doubt, consult a qualified electrician. DO NOT attempt any electrical work yourself.
SAFETY SYSTEMS
THERMOSTATIC PROTECTION
The Devil 7015 has a thermal cut out to prevent the unit from overheating. The thermal cutout may also operate if the heater is shut down without allowing to cool sufficiently. If subsequently, the heater fails to start, use a suitible tool to press the RESET button and try again.

ASSEMBLY

- Fit the right leg frame to the main body as shown.
NOTE: The bolt needs to be inserted before the handwheel.
NOTE: The bolt goes through the larger of the 2 holes in the spacer - Fit the axle and left hand support frame.
NOTE: The circlip shown must be on the inside of the legs. - Fit the wheels as shown.
NOTE: The cap fits over the flat washer. - Use the nuts and bolts supplied, to secure the handle to the leg frames as shown.
OPERATION
- Put the heater in a level position on a flat surface and at a safe distance from flammable materials. Keep a minimum of 2m clearance all round.
- Connect the heater to a suitable power supply.
- Set the thermostat control to the maximum setting (fully clockwise).
- 4. Set the mode selector to one of the settings:

- Once the room reaches the required temperature, turn the thermostat control slowly counter-clockwise until the thermostat clicks, leave the control in this position.
- For fan only operation, turn the mode selector to the fan only setting and set the thermostat to its minimum setting.
- Turn the heater off by turning the mode selector to “0”,
- Do not remove the plug from the mains supply. The fan will continue to run for several minutes to lower the temperature of the case and elements. Once the fan stops you can safely remove the plug from the power supply.
- When not in use, disconnect the heater from the mains supply. Store it in a safe, dry, childproof location.
MAINTENANCE
WARNING: ALWAYS DISCONNECT FROM THE POWER SUPPLY AND ALLOW THE HEATER IT TO COOL DOWN BEFORE PERFORMING ANY MAINTENANCE TASKS.
- Clean the heater with a soft damp cloth, Do not use solvents or abrasives.
- Make sure that the heater grill is not blocked.
- No other maintenance is required, should you discover any problem with the heater, return it to the Clarke service department for repair.
SPECIFICATIONS
| Operating Voltage, Current and Frequency: (V / A / Hz / Phs) | 400 V / 23A / 50Hz / 3 Phase |
| Operating Temperature: (Min/Max) (°C): | 0-40°C |
| Heat Output: (kW): | 15 kW |
| Air Output: (m3/h) | 941m3/h |
| Safety Device: | Thermal cut-out |
| Duty Cycle Classification: | Continuous duty |
| Electrical Insulation Class | I |
| Product: Depth x Width x Height | 512 x 540 x 852 mm |
| Product Weight | 19.8 kg |
TROUBLESHOOTING
| Problem | Possible Cause | Remedy |
| Heater does not operate, although plugged in with the switch and thermostat switched on. | Plug is loose/bad connection. | Pull the plug out & check all connections (cable/plug and socket). |
| Fuse blown or circuit breaker trips. | Replace if necessary and investigate cause. If fuse blows repeatedly, consult your Clarke dealer. | |
| No power at socket outlet | Insert the plug in a suitable socket | |
| Heating element glowing hot. | Input voltage too high or too low. | Use a power supply in accordance with the rating on the label. |
| Air inlet grille is blocked | Ensure the heater is kept away from any objects which could cover the air inlet or be drawn into it. | |
| The unit has failed to heat up so only the air fan has operated. | Control switch not set at a “HEATING” level. | Turn switch to a heating level. |
| Thermostat has tripped. | Turn the thermostat and listen. If there is no CLICK and the thermostat is not damaged, the heater will automatically switch ON when it has cooled down. | |
| Abnormal noise. | Heater is not level. | Stand heater on a level surface |
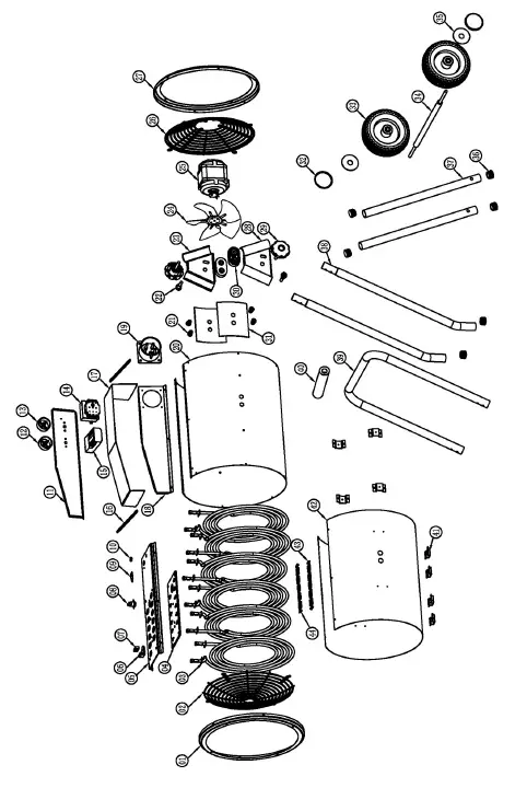
PARTS DIAGRAM

PARTS LIST
| 1 | Front Rings | 23 | Securing Plate R |
| 2 | Front Grille | 24 | Fan |
| 3 | Heating Elements | 25 | Motor |
| 4 | Insulate Board | 26 | Rear Grille |
| 5 | Chassis Panel | 27 | Rear Rings |
| 6 | Temperature Retaining Clip | 28 | Securing Plate L |
| 7 | Temperature Retaining Clip | 29 | Adjustable Screw |
| 8 | After Cooling Sensor | 30 | Spacer |
| 9 | Retaining Plate | 31 | Securing Plate |
| 10 | Grommet | 32 | Decoration Cap |
| 11 | Control Panel | 33 | Wheel |
| 12 | Switch Knob | 34 | Axle |
| 13 | Thermostat Knob | 35 | Securing Plate |
| 14 | Temperature Controller | 36 | Base Pad |
| 15 | Speed Controller | 37 | Rear Frame |
| 16 | Sealing Tape | 38 | Front Frame |
| 17 | Control Box Cover | 39 | Upper Frame |
| 18 | Socket Panel | 40 | Insulate Sleeve |
| 19 | 5 Pin Socket | 41 | Location Plate |
| 20 | House Casing | 42 | Heat Shield |
| 21 | Rivet Nut | 43 | Heater Bracket Upper |
| 22 | Fixing Bolt | 44 | Heater Bracket Bottom |



















