FRICO TIG31 Tiger 2-15 kW Fan Heater

This product is only suitable for well-insulated spaces or occasional use.
Dimension
Tiger 2 – 9 kW

Tiger 15 kW

Resetting the overheating protection

Wall bracket for storage of Tiger 2-15 kW

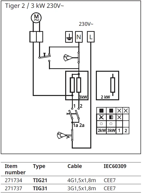
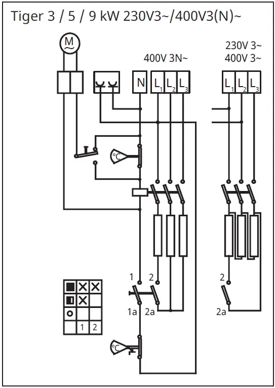
Wiring Diagrams
Tiger 2/3 kW 230V~

Tiger 5 kW 230V~ 
Tiger 15 kW 230V3~/400V3~


Tiger 3/5/9 kW 230V3~/400V3(N)~

The 230V outlet socket at the rear

Technical specifications
Tiger 2-15 (IP44)
| Item no | Type | Output | Airflow | Sound | Sound | ∆t*3 | Motor | Voltage | Amp. | Weight |
| steps power*1 pressure*2 | ||||||||||
| [kW] | [m³/h] | [dB(A)] | [dB(A)] | [°C] | [W] | [V] | [A] | [kg] | ||
| 271734 | TIG21*5 | 0/2 | 240 | 47 | 33 | 25 | 17 | 230V~ | 8,1 | 5,7 |
| 271737 | TIG31 | 0/2/3 | 280 | 57 | 42 | 32 | 28 | 230V~ | 13 | 6,0 |
| 271738 | TIG33 | 0/1,5/3 | 280 | 57 | 42 | 32 | 28 | 400V3N~*4 | 4,4 | 6,3 |
| 271740 | TIG3323 | 0/1,5/3 | 280 | 57 | 42 | 32 | 28 | 230V3~ | 7,6 | 6,3 |
| 271742 | TIG51 | 0/3,4/5 | 480 | 56 | 42 | 32 | 30 | 230V~ | 22 | 6,7 |
| 271743 | TIG53 | 0/2,5/5 | 480 | 56 | 42 | 32 | 30 | 400V3N~*4 | 7,2 | 6,7 |
| 271747 | TIG5323 | 0/2,5/5 | 480 | 56 | 42 | 32 | 30 | 230V3~ | 14,5 | 6,7 |
| 271748 | TIG93 | 0/4,5/9 | 720 | 65 | 51 | 38 | 48 | 400V3N~*4 | 13 | 10 |
| 271751 | TIG9323 | 0/4,5/9 | 720 | 65 | 51 | 38 | 48 | 230V3~ | 26 | 10 |
| 271752 | TIG153-0 | 0/7,5/15 | 1120 | 66 | 52 | 41 | 65 | 400V3~ | 22 | 16 |
| 271753 | TIG15323 | 0/7,5/15 | 1120 | 66 | 52 | 41 | 65 | 230V3~ | 37,5 | 16 |
- Sound power (LWA) measurements according to ISO 27327-2: 2014, Installation type E.
- Sound pressure (LpA). Conditions: Distance to the unit is 3 meters. Directional factor: 2. Equivalent absorption area: 200 m².
- ∆t = temperature rise of passing air at maximum heat output.
- Also available without neutral and are then called TIG33-0, TIG53-0, and TIG93-0. These models do not have the 230V socket on the reverse and are equipped with P416-6 connectors.
- Also available as TIG21CH, supplied with a plug for Switzerland.
Tiger 2-9:
Approved for 220V/1ph/60Hz and 380V/3ph/60Hz. Product performance for 220V/1ph/60Hz and 380V/3ph/60Hz will differ from stated data.
- Output steps
- Airflow
- Sound power
- Sound pressure
- Motor
- Voltage
- Amperage
- Weight
Main office
Frico AB
Industrivägen 41 SE-433 61 Sävedalen Sweden
Tel: +46 31 336 86 00
[email protected].
www.frico.net.
For the latest updated information and information about your local contact: www.frico.net.
Art.nr: 278365 2022-03-15 CH.



















