
Only suitable for well-insulated areas and not designed
to be the primary heat source
ELECTRIC FAN HEATERS
MODEL NO: DEVIL 6003,6005,6009 & 6015
PART NO: ,6925220, 6925225, 6925230 & 6925235
OPERATION & MAINTENANCE
INSTRUCTIONS
ORIGINAL INSTRUCTIONS
INTRODUCTION
Thank you for purchasing this CLARKE product.
This heater is only suitable for well-insulated spaces or occasional use.
Before attempting to use this product, please read this manual thoroughly and follow the instructions carefully. In doing so you will ensure the safety of yourself and that of others around you, and you can look forward to your purchase giving you long and satisfactory service.
GUARANTEE
This product is guaranteed against faulty manufacture for a period of 12 months from the date of purchase. Please keep your receipt which will be required as proof of purchase.
This guarantee is invalid if the product is found to have been abused or tampered with in any way, or not used for the purpose for which it was intended.
Faulty goods should be returned to their place of purchase, no product can be returned to us without prior permission. This guarantee does not affect your statutory rights.
ENVIRONMENTAL RECYCLING POLICY
Through the purchase of this product, the customer is taking on the obligation to deal with the WEEE in accordance with the WEEE regulations in relation to the treatment, recycling & recovery, and environmentally sound disposal of the WEEE.
In effect, this means that this product must not be disposed of with general household waste. It must be disposed of according to the laws governing Waste Electrical and Electronic Equipment (WEEE) at a recognized disposal facility.
THE FOLLOWING TABLE ADDRESSES THE INFORMATION REQUIREMENTS OF REG.2015/1188
| Item | Symbol | Value | Unit | |||
| Heat output | ||||||
| Measured seasonal space heating energy efficiency | 36% | |||||
| 6003 | 6005 | 6009 | 6015 | |||
| Nominal heat output | Phnom | 3 | 5 | 9 | 15 | kW |
| Minimum heat output (indicative) | P min | 1.5 | 2.5 | 4.5 | 5 | kW |
| Maximum continuous heat output | P max | 3 | 5 | 9 | 15 | kW |
| Auxiliary electricity consumption | ||||||
| At nominal heat output | elmax | n/a | n/a | n/a | n/a | kW |
| At minimum heat output | el min | n/a | n/a | n/a | n/a | kW |
| In standby mode | USB | 0 | 0 | 0 | 0 | kW |
| Type of heat input for electric storage local heaters only | ||||||
| Manual heat charge control with integrated thermostat | No | |||||
| Manual heat charge control with room and/or outdoor temperature feedback | No | |||||
| Electronic heat charge control with room and/or outdoor temperature feedback | No | |||||
| Fan-assisted output | No | |||||
| Type of heat output/room temperature control (select one) | ||||||
| Single-stage heat output, no temperature control | No | |||||
| Two or more manual stages, no temperature control | No | |||||
| With mechanical thermostat temp control | Yes | |||||
| With electronic temperature control | No | |||||
| Electronic temperature control with a day timer | No | |||||
| Electronic temperature control with week timer | No | |||||
| Other control options (multiple selections possible) | ||||||
| Room temperature control with presence detection | No | |||||
| Room temperature control with open window detection | No | |||||
| Room temperature control with distance control option | No | |||||
| Room temperature control with adaptive start control | No | |||||
| Room temperature control with working time limitation | No | |||||
| Room temperature control with black bulb sensor | No | |||||
SAFETY SYMBOLS
The following symbols appear on the unit.
| Hot Surface, Do Not Touch | ![]() | Do Not Cover | ![]() | High Voltage |
SAFETY RULES
Make sure that you read, understand, and comply with the following.
POSITIONING
WARNING: DO NOT USE THE HEATER NEAR FLAMMABLE MATERIAL, LIQUIDS, SOLIDS, GASES OR COMPRESSED GAS CYLINDERS ETC.
- The heater is designed for indoor use only.
- DO NOT place the heater close to a bath, wash basin, shower, swimming pool, or any other water-filled area or wet surface. DO NOT place the heater up against any surface such as a wall, door or furniture, etc. DO NOT place the heater immediately below any electrical outlet.
- NEVER place the heater near combustible materials such as curtains, furniture, etc. Allow at least 2-meter clearance.
- DO NOT place the heater on a raised surface or anywhere where it could topple over
- Take care to ensure that the grille cannot be blocked by curtains or other fabrics.
- Do not operate fan heaters in explosive atmospheres such as in the presence of flammable liquids, gases, or dust such as in a paint spray booth or any explosive environment. Electric motors create sparks that may ignite dust or fumes.
COMMON SENSE
- DO NOT operate the heater when you are tired or under the influence of alcohol, drugs, or intoxicating medication.
- DO NOT stand on the heater.
- DO NOT use the heater with wet hands or when there is water on the power cable.
- Turn the heater off when, not in use and keep it in a safe, dry, childproof location.
- The heater is designed to heat enclosed areas larger than 4m3, such as workshops and other industrial areas. Do not use the heater for any other function. It is not suitable for drying clothes or laundry.
- Young children must be kept away unless continuously supervised.
OPERATION
- The heater must only be used by people who have read these instructions and have been trained in its use.
- DO NOT obstruct the heater.
- DO NOT cover the heater.
- DO NOT touch the heater casing or grille when first switched off, as these will be very hot and will take time to cool.
- DO NOT get the heater wet or use it in areas of high condensation.
- DO NOT allow the power lead to touch hot surfaces.
- DO NOT connect other appliances to the same main socket as the heater.
- Only use the heater in a level position.
- Do not use this heater with a programmable timer used to switch it on automatically.
ELECTRICAL SAFETY
WARNING: THIS HEATER MUST BE FITTED WITH A SUITABLE SUPPLY CABLE AND PLUG. CLARKE PART NUMBER 6925237
WARNING: THIS HEATER MUST BE EARTHED
Regularly inspect the power cable/plugs and all electrical connections for signs of damage/looseness. Do not use the heater if the power cable is damaged.
- Minimize the risk of electric shock by installing an RCCB (Residual Current Circuit Breaker) and a suitable 3-phase isolator into the main distribution board.
- Make sure that the voltage on the rating plate is the same as the voltage of the power supply. If in doubt, consult a qualified electrician.
- Do not abuse the electrical cable. Never use the cable for pulling or unplugging the heater.
- Keep the cable away from sources of heat, oil, sharp edges, or moving parts. Damaged or tangled cables increase the risk of electric shock.
- Do not use extension cables with this heater.
MAINTENANCE.
WARNING: DISCONNECT THE HEATER FROM THE POWER SUPPLY, BEFORE SERVICING OR PERFORMING ANY MAINTENANCE. SERVICING OR MAINTENANCE MUST ONLY BE CARRIED OUT BY THE CLARKE SERVICE DEPARTMENT.
- Check that the heater is in good working order. Take immediate action to repair or replace damaged parts.
- Do not allow the heating elements to become covered with dust which could become a fire hazard. If used in a dusty workplace it should be cleaned as described under Cleaning and Maintenance.
- Use recommended parts only. Unapproved parts may be dangerous and will invalidate the warranty.
- DO NOT attempt to repair a damaged heater, contact the Clarke service department.
SERVICE & REPAIRS
- Has your appliance been repaired by a qualified person using identical replacement parts? This will ensure that the safety of the appliance is maintained.
ELECTRICAL CONNECTIONS
WARNING: READ THESE ELECTRICAL SAFETY INSTRUCTIONS THOROUGHLY BEFORE CONNECTING THE PRODUCT TO THE MAIN SUPPLY.
DEVIL 6003 (3KW) HEATER UNITS
Connect the mains lead to a standard 230Volt 50Hz electrical supply through an approved 13 amp BS1363 plug or a suitably fused isolator switch.
If the plug has to be changed because it is not suitable for your socket, or due to damage, it should be cut off and a replacement fitted, following the wiring instructions shown below. The old plug must be disposed of safely, as insertion into the main socket could cause an electrical hazard.
WARNING: THE WIRES IN THE POWER CABLE OF THIS PRODUCT ARE COLOURED IN ACCORDANCE WITH THE FOLLOWING CODE: BLUE = NEUTRAL BROWN = LIVE YELLOW AND GREEN = EARTH
If the colors of the wires in the power cable of this product do not correspond with the markings on the terminals of your plug, proceed as follows.

- The BLUE wire must be connected to the terminal which is marked N or colored Black.
- The BROWN wire must be connected to the terminal which is marked L or colored Red.
- The YELLOW & GREEN wire must be connected to the terminal which is marked
or colored Green.
We strongly recommend that this machine is connected to the main supply via a Residual Current Device (RCD).
If in any doubt, consult a qualified electrician. DO NOT attempt any repairs yourself.
DEVIL 6005 (5KW), DEVIL 6009(9KW) AND DEVIL 6015(15KW) UNITS
These heaters MUST be connected to a 400 Volt, 3 PHASE 50Hz supply through a suitably fused isolator switch. They cannot be operated from a single-phase supply.
The user should purchase a suitable connecting lead as shown in the diagram, which is compatible with the appliance socket. The unit requires 5 pins including a master earth pin, and is suitable for AC 380/415v, 50/60Hz with a capacity of 16A/6h (Devil 6005 and 6009) or 32A/6h (Devil 6015) and rated at IP44 class (or better) insulation. A length of 2-3 meters is recommended as giving mobility to the appliance but without becoming a trip hazard.

The plug incorporates a hood which will secure the cable in position when engaged with the appliance.
If in any doubt, consult a qualified electrician. DO NOT attempt any electrical repairs yourself.
OPERATION
The Devil range of fan-assisted electric heaters is suitable for household (Devil 6003 only) or workshop/factory use. They incorporate a thermostat that detects the temperature of the room air and controls the heater to maintain a pre-selected temperature between 0 & 40°C. A manually reset thermal cutout is provided for safety in the event of overheating on the 6005, 6009 & 6015 models. The 2kw and 3kw units are fitted with a self-resetting thermal cutout. The fan motor runs independently of the thermostat and continues running after the heating element has been switched off.
With the heater sited on a firm level surface and at a safe distance from flammable objects (in compliance with all safety precautions), plug the heater into the mains and set the thermostatic control to the maximum temperature setting. Switch the heater onto one of the following power settings. Once the room reaches the required temperature, you should turn the thermostatic control slowly anti-clockwise until the heater switches off. The heater will now start and stop automatically to maintain the room temperature.
3 KW HEATERS
The 3kw heater has three settings 1) fan only, 2) fan plus single heating element, 3) fan plus both heating elements. The other control is a progressive thermostat which is rotated 270 degrees. A cutout is used to maintain a constant pre-set temperature.
The thermostat will then switch the heater on and off automatically to control the room temperature according to the pre-set value, maintaining a constant room temperature.
When using the heater to warm a cold room, first turn the thermostat to MAX and run the heater on full power until the room temperature reaches the required value, then turn the thermostat anti-clockwise until it switches off.
When using the heater for the first time a slight emission of smoke may be noticed. This is quite normal and soon stops. It is caused by residual traces of oil remaining on the element from production.
After use, turn the thermostat to the OFF position, and the selector switch to the Fan Only position and leave the unit to cool down for a couple of minutes.
5KW, 9KW &15KW HEATERS
The 5 & 9kw units have a three-position twist control for FAN only, and FAN plus either half or full heat output. The 15kw unit has a four-position control;- FAN only, FAN + 1/3, FAN + 2/3 & FAN + full heat output. Thermostatic temperature control is also provided for fine control of heat output at a constant pre-set temperature.
Should the heater overheat, a thermal cutout will operate, shutting down the unit. If this happens, allow time for the unit to cool (approx. 10 minutes) before pressing the RESET using a suitable tool, and restarting the heater.
When switching the unit OFF, it is recommended that the unit is run in the FAN ONLY mode for approx. 10 minutes, to cool the heating elements, before switching off completely and finally disconnecting from the mains supply

The thermal cutout may also operate if the heater is shut down without allowing it to cool sufficiently. If subsequently, the heater fails to start, press the RESET using a suitable tool and try again.
MAINTENANCE
If the heater has been used, ALWAYS allow it to cool down for at least 10 minutes (by switching the heater off, but leave the fan running). Always disconnect from the mains supply before performing any maintenance tasks.
PERIODICALLY
- Use compressed air to clean out the unit. Always wear a dust mask to perform this operation.
- If there is any serious build-up of dirt, wipe thoroughly with a damp cloth.
Take care that no moisture enters the heater. - Inspect the main cable for damage. Heat damage will cause the cable to stiffen and crack. If this is found, have the cable replaced. Check the cable routing and ensure it is well away from the heat source.
- Ensure the heating elements are clear of dust (use compressed air to clean the heater if possible).
- Avoid using solvents when cleaning plastic parts, most plastics are susceptible to damage from various types of commercial solvents.
- Refer to your Clarke dealer if internal maintenance is required. The unit is fitted with tamper-proof screws to discourage users from dismantling the heater.
- When storing the heater, allow it to cool down, and return it to its own packaging for storage in a dry, well-ventilated place.
FAULTFINDING
| Problem | Possible Cause | Remedy |
| The heater does not operate although plugged in with the switch and thermostat switched on. | Plug is loose/bad con- nection. | Pull the plug out and check the connection of the plug and socket. |
| Fuse blown | Replace if necessary and investigate the cause. If the fuse blows repeatedly consult your Clarke dealer. | |
| No power at the socket. | Plug into a suitable socket. | |
| The heating element glowing hot. | Incorrect input voltage | Use the correct power supply in accordance with the rating plate/label. |
| The Air inlet grille is blocked. | Ensure the heater is kept away from any objects which could cover the air inlet or be drawn into it. | |
| The unit has failed to heat up so only the fan is operating | The control switches are not set to a heating level. | Turn switch to HEATING |
| The thermostat has tripped. | Turn on the thermostat and listen. If there is no CLICK and the thermostat is not damaged, the heater will automatically switch ON when it has cooled down. | |
| The manually reset cut-out has operated. | Disconnect the power. Take a suitable pin and insert it into the manual RESET hole in the control panel. Press the RESET button and connect the circuit. | |
| Abnormal noise | The heater is not level | Stand heater on a level surface. |
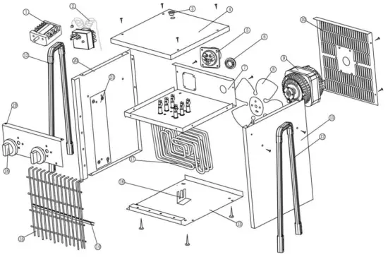
PARTS DIAGRAM DEVIL 6003

| 1 | Support Leg | 13 | Front Grille |
| 2 | Top Panel | 14 | Fan Control KNob |
| 3 | Chassis Panel | 15 | Front Panel |
| 4 | Fan | 16 | Mounting Packer |
| 5 | Motor | 17 | Washer |
| 6 | Retaining Clips | 18 | Control Unit |
| 7 | Rear Panel | 19 | Temp Controller |
| 8 | Power Cable | 20 | Side Panel (LH) |
| 9 | Side Panel (RH) | 21 | Air Duct |
| 10 | Base Panel | 22 | Thermal Cut-out |
| 11 | Heater Bracket | 23 | Terminal Block |
| 12 | Heating Element 1.4kW |
PARTS DIAGRAM DEVIL 6005

| 1 | Support Leg | 12 | Heating Element |
| 2 | Top Panel | 13 | Front Grille |
| 3 | Chassis Panel | 14 | Fan Control KNob |
| 4 | Fan | 15 | Front Panel |
| 5 | Motor | 16 | Plastic Plug |
| 6 | 5-Pin Socket | 17 | Support Bar |
| 7 | Rear Panel | 18 | Control Unit |
| 8 | Cable Entry | 19 | Temp Controller |
| 9 | Side Panel (RH) | 20 | Side Panel (LH) |
| 10 | Base Panel | 21 | Heat Shield |
| 11 | Heater Bracket |
PARTS DIAGRAM DEVIL 6009

| 1 | Support Leg | 12 | Heating Element |
| 2 | Top Panel | 13 | Front Grille |
| 3 | Chassis Panel | 14 | Fan Control KNob |
| 4 | Fan | 15 | Front Panel |
| 5 | Motor | 16 | Plastic Plug |
| 6 | 5-Pin Socket | 17 | Support Bar |
| 7 | Rear Panel | 18 | Control Unit |
| 8 | Cable Entry | 19 | Temp Controller |
| 9 | Side Panel (RH) | 20 | Side Panel (LH) |
| 10 | Base Panel | 21 | Heat Shield |
| 11 | Heater Bracket |
PARTS DIAGRAM DEVIL 6015

| 1 | Support Leg | 13 | Front Grille |
| 2 | Top Panel | 14 | Fan Control Knob |
| 3 | Chassis Panel | 15 | Front Panel |
| 4 | Fan | 16 | Heat Shield |
| 5 | Motor | 17 | Closing Plate |
| 6 | Angle Bracket | 18 | Control Unit |
| 7 | Rear Panel | 19 | Temp Controller |
| 8 | Cable Entry | 20 | Side Panel (LH) |
| 9 | Side Panel (RH) | 21 | Heater Retainer |
| 10 | Base Panel | 22 | Support Bar |
| 11 | Heater Bracket | 23 | Plug |
| 12 | Heating Element | 24 | Bush |
SPECIFICATIONS
| Item | Published Specification | |||
| Model | Devil 6003 | Devil 6005 | Devil 6009 | Devil 6015 |
| Part No | 6925220 | 6925225 | 6925230 | 6925235 |
| Weight | 5.5 kg | 7.0 kg | 9.0 kg | 14.4 kg |
| Dims (mm) | 295x265x425 | 295x305x250 | 350x335x465 | 350x335x465 |
| Input Wattage(kw) | 1.5(setting 1) 3.0(setting 2) | 2.5(setting 1) 5.0(setting 2) | 4.5(setting 1) 9.0(setting 2) | 95w(fan only) 5kw(setting 1) 10kw(setting 2) 15kw(setting 3) |
| Input Amperage | 6.4(setting 1) 12 (setting 2) | 7.2 | 13 | 21.65 |
| Input Voltage | 230V 50Hz | 400V/50Hz | 400V/50Hz | 400V/50Hz |
| Fuse Rating | 13A | 16A | 16A | 32 A |
| Air Output | 512 m3/h | 557 m3/h | 773 m3/h | 1559 m3/h |
| Sound Level | 70dB (A) | 70dB (A) | 70dB (A) | 70dB (A) |
| Insulation Class | IPX4 | IPX4 | IPX4 | IPX4 |
| Heat Output | 3 kW | 5 kW | 9 kW | 15 kW |
| Operating Temperature | 0-40oC | 0-40oC | 0-40oC | 0-40oC |
DECLARATION OF CONFORMITY – UKCA & CE


DECLARATION OF CONFORMITY
This is an important document and should be retained.
We hereby declare that this product(s) complies with the following directive(s):
2014/30/EU Electromagnetic Compatibility Directive.
2006/42/EC Machinery Directive.
2011/65/EU Restriction of Hazardous substances.
The following standards have been applied to the product(s):
EN 60745-1:2009+A11, EN 60745-2-5:2010, EN 60745-2.22:2011+A 11, EN 55014-1:2006+A1+A2, EN 55014-2:2015, EN 61000-3-2:2014, EN 61000-3-3:2013.
The technical documentation required to demonstrate that the product(s) meet(s) the requirement(s) of the aforementioned directive(s) has been compiled and is available for inspection by the relevant enforcement authorities.
The CE mark was first applied in 2019
Product Description: 500W Mini Plunge Saw
Model number(s): CPS85
Serial I batch Number: N/A
Date of Issue: 15/03/2019
Signed:
![]()
DECLARATION OF CONFORMITY
This is an important document and should be retained.
We hereby declare that this product(s) complies with the following statuary requirement(s):
Electromagnetic Compatibility Regulations 2016
Supply of Machinery (Safety) Regulations 2016
The Restriction of the Use of Certain Hazardous Substances in Electrical and Electronic Equipment Regulations 2012
The following standards have been applied to the product(s):
EN 55014.1:2017+A11, EN 55014-2:2015, EN IEC 6100032:2019, EN 61000-3-3 2013•A 1.
EN ISO 12100:2010
The technical documentation required to demonstrate that the product(s) meets) the requirement(s) of the aforementioned legislation has been compiled and is available for inspection by the relevant enforcement authorities
The UKCA mark was first applied In 2022
Product Description: 13- Wood Lathe (Variable Speed)
Model number(s): CWL325V
Serial I batch Number: N/A
Date of Issue: 04104/2022
Signed:
WIRING DIAGRAMS



![]() | A SELECTION FROM THE VAST RANGE OF QUALITY PRODUCTSAIR COMPRESSORS From DIY to industrial, Plus air tools, spray guns, and accessories. GENERATORS Prime duty or emergency standby for business, home, and leisure. POWER WASHERS Hot and cold, electric and engine driven – we have what you need WELDERS Mig, Arc, Tig, and Spot. From DIY to auto/industrial. METALWORKING Drills, grinders, and saws for DIY and professional use. WOODWORKING Saws, sanders, lathes, mortisers, and dust extraction. HYDRAULICS Cranes, body repair kits, and transmission jacks for all types of workshop use. WATER PUMPS Submersible, electric, and engine-driven for DIY, agriculture, and industry. POWER TOOLS Angle grinders, cordless drill sets, saws and sanders. STARTERS/CHARGERS All sizes for car and commercial use. | ![]() |
| PARTS & SERVICE: 0208 988 7400 | ||
| Parts Enquiries [email protected] | ||
| Servicing & Technical Enquiries [email protected] | ||
| SALES: UK 01992 565333 or Export 00 44 (0)1992 565335 Clarke® INTERNATIONAL Hemnall Street, Epping, Essex CM 16 4LG www.clarkeinternational.com | ||


or colored Green.




















