Clarke Devil 700 Gas Heater

INTRODUCTION
Thank you for purchasing this CLARKE Gas Powered Heater. Before attempting to use this product, please read this manual thoroughly and follow the instructions carefully. In doing so you will ensure the safety of yourself and that of others around you, and you can look forward to your purchase giving you long and satisfactory service.
GUARANTEE
This product is guaranteed against faulty manufacture for a period of 12 months from the date of purchase. Please keep your receipt which will be required as proof of purchase. This guarantee is invalid if the product is found to have been abused or tampered with in any way, or not used for the purpose for which it was intended. Faulty goods should be returned to their place of purchase, no product can be returned to us without prior permission. This guarantee does not affect your statutory rights.
FUNCTION AND OPERATING PARAMETERS
This is a gas-powered heater. It’s intended use is for drying and the warming of commercial/industrial buildings where adequate ventilation is provided.
- It must be operated as prescribed in the operating manual.
- Is not intended to be used for domestic use or for the heating of habitable areas.
- Is not intended to be used to reach and maintain a certain level of human thermal comfort within an enclosed space in which the heater is situated.
- Is not intended to be used in enclosed areas with restricted ventilation.
- Is not for use in areas with high levels of fluctuating drafts.
- Is not intended for warming animals or livestock.
SAFETY INFORMATION
WARNING: LACK OF VENTILATION CAN CAUSE CARBON MONOXIDE POISONING.
WARNING: CARBON MONOXIDE POISONING CAN KILL.
Signs of Carbon Monoxide poisoning are headaches, dizziness and/or nausea. Should anyone show these signs, they must GET FRESH AIR IMMEDIATELY. Turn off the heater and have it serviced before using it again. Pregnant women, persons with a heart or lung condition, anaemia or under the influence of alcohol, or those at high altitude, are more likely to be effected by Carbon Monoxide. Read, and make sure you fully understand the following precautions and the hazards associated with this type of heater.
- Use only liquid propane gas with this heater.
- Ensure the Propane gas bottle, gas hose and electric cable, are positioned behind the unit, well away from the heat.
- Ensure gas hose and regulator connections are gastight and the hose is not kinked.
- Never use the heater where flammable vapours or if a high dust content is present in the air.
- Only use with the voltage specified and ensure the heater is properly earthed.
- Use only in well-ventilated areas. Provide ventilation of at least 3 square feet of fresh air for every 100,000 BTU/hr of rating.
- Always allow the working clearances around the heater as stated on page 7.
- Keep the heater as far as practical from propane tanks and never point the heater directly at any propane tank.
- Stand the heater on a stable, level surface whilst hot or operating. If the heater should overturn, a fire could occur.
- Keep children and animals away from heaters at all times.
- Use the heater in accordance with all fire regulations.
- Never use the heater for domestic heating in living or sleeping areas.
- Never leave a heater plugged in without adult supervision if children or animals are likely to be present.
- Never move, handle, replenish the gas supply or service the heater when it is hot, operating or plugged in.
- Never attach the heater to any ductwork, or impede airflow into or out of the heater.
- Disconnect the heater from the power supply when not in use.
- Use ONLY the factory pre-set regulator supplied with the heater.
- If the heater works for long periods at maximum capacity, be aware that it is possible for ice to form on the gas cylinder due to excessive evaporation.
- Never direct hot air towards the cylinder in order to de-ice.
- Never use in wet areas, basements or below ground level. Propane gas is heavier than air and will sink to the lowest possible level.
- Always ensure the heater is correctly maintained in accordance with this manual.
SAFETY SYMBOLS
Please read all of the safety and operating instructions carefully before using this product. The following safety symbols may be found on the product.
ENVIRONMENTAL RECYCLING POLICY
Through the purchase of this product, the customer is taking on the obligation to deal with the WEEE in accordance with the WEEE regulations in relation to the treatment, recycling & recovery and environmentally sound disposal of the WEEE. In effect, this means that this product must not be disposed of with general household waste. It must be disposed of according to the laws governing Waste Electrical and Electronic Equipment (WEEE) at a recognised disposal facility.
ELECTRICAL CONNECTIONS
WARNING! Read these electrical safety instructions thoroughly before connecting the product to the mains supply.
Before switching the product on, make sure that the voltage of your electricity supply is the same as that indicated on the rating plate. This product is designed to operate on 230VAC 50Hz. Connecting it to any other power source may cause damage. This product may be fitted with a non-rewireable plug. If it is necessary to change the fuse in the plug, the fuse cover must be refitted. If the fuse cover becomes lost or damaged, the plug must not be used until a suitable replacement is obtained. If the plug has to be changed because it is not suitable for your socket, or due to damage, it should be cut off and a replacement fitted, following the wiring instructions shown below. The old plug must be disposed of safely, as insertion into a mains socket could cause an electrical hazard.
WARNING! The wires in the power cable of this product are coloured in accordance with the following code: Blue = Neutral Brown = Live Yellow and Green = Earth
If the colours of the wires in the power cable of this product do not correspond with the markings on the terminals of your plug, proceed as follows.
- The wire which is coloured blue must be connected to the terminal which is marked N or coloured Black.
- The wire which is coloured brown must be connected to the terminal which is marked L or coloured Red.
- The wire which is coloured Yellow and Green must be connected to the terminal which is marked E or or coloured Green.

We strongly recommend that this machine is connected to the mains supply via a Residual Current Device (RCD) If in any doubt, consult a qualified electrician. DO NOT attempt any repairs yourself.
UNPACKING
When unpacking, check the heater for possible shipping damage. Should any damage be apparent, please notify your Clarke dealer immediately. Your heater is fully assembled,- only the electrical and gas supplies need connecting. Retain any plastic cover caps (attached to the inlet connector and hose/regulator assembly) for future storage.
PROPANE GAS SUPPLY
These heaters are designed for use with PROPANE GAS ONLY. Gas cylinders are not supplied, but are readily available from builders merchants or gas suppliers etc. This range of portable, direct fired gas heaters is designed to BS 4096 for industrial applications to give safe, efficient and reliable operation. As with all mechanical equipment, optimum performance will only be achieved if the correct operation and servicing procedures are followed.
WARNING: PROPANE GAS CYLINDERS MUST BE USED AND STORED IN ACCORDANCE WITH THE HIGHLY FLAMMABLE LIQUIDS AND LIQUEFIED PETROLEUM GASES REGULATIONS 1972’
GAS CONNECTION
Connect the free end of the gas hose to the gas inlet connection on the heater and tighten to ensure there are no gas leaks. Before attaching the regulator to the gas cylinder, ensure the mating parts are free from grease and dirt and are undamaged. Fit the regulator to the cylinder, tightening the thread as tight as possible with a propane spanner, noting that the threads are LEFT HANDED. To check for leaks, use soapy water or liquid soap applied to each of the connections. Any bubbles formed to indicate a leak. Correct all leaks immediately.

IMPORTANT: The gas hose and cylinder must ALWAYS be located well behind the heater.

In order to reduce the risk of icing up when operating at long periods at maximum capacity, you should use a larger capacity gas bottle, or two/three bottles in parallel, as shown in Fig 2. The ‘Tee’ piece and ‘pigtails’ are readily available from your builder’s merchants or gas supplier.
CHANGING GAS BOTTLES
- Turn off the heater and disconnect from the electrical supply.
- Close the gas valve on the bottle and unscrew the regulator, (left-hand thread).
- Ensure the replacement bottle screw threads and the gas orifice is perfectly clean before screwing in the regulator valve tightly.
- Check to ensure there are no leaks using soapy water and when satisfied, plug into the electrical supply and restart the heater.
OPERATING SPACE AND AIR SUPPLY
MINIMUM FRESH AIR OPENING REQUIREMENTS
As a general rule of thumb, an opening of 1in2 per 1000 Btu/hr is a minimum requirement. These heaters are specified as requiring minimum ventilation of 3 sq/ ft per 100,000BTU/hr.
OPERATING SPACE
Do not obstruct the air intake to the heater and allow the following clearances from combustible surfaces.
- Outlet: 8 feet (2.4 m)
- Sides: 2 feet (0.6 m)
- Top: 6 feet (1.8 m)
- Rear: 2 feet (0.6 m)
Keep the heater as far as practical from propane tanks and never point the heater directly at any propane tank.
PRINCIPLE OF OPERATION
Understanding the basic operation of the heater will reinforce the need to maintain the unit in top condition at all times, whilst always observing the safety precautions.
The heater comprises four basic systems:

- The gas system.
- The air system.
- The ignition system.
- The safety control system.
AIR SYSTEM
An axial fan, which is energised when switching on, provides the airflow through the combustion chamber to provide a stream of hot air from the heater.
GAS SYSTEM
The gas supply to the machine is by means of a high-pressure hose, connected to an LPG (Liquid Propane Gas) cylinder, via a pressure regulator. When the mains supply is switched on, the Safety Shut-off valve solenoid is energised, allowing the gas to flow to the Flame Failure valve, and when the failure valve override knob is depressed, gas flows to the burner head.
IGNITION SYSTEM
Ignition is automatic with this heater as soon as the gas valve button is depressed, with a continuous spark from the spark plug igniting the gas. As the thermocouple heats up, a low voltage is fed to the Flame Failure valve, causing the valve to open, so that after a few seconds, the gas valve button may be released and the flame is established.
SAFETY CONTROL SYSTEM
Should the flame extinguish for any reason, the thermocouple will quickly cool, causing the Flame Failure valve to close, shutting off the gas supply. Similarly, should there be a power failure, causing the fan motor to stop, the Safety Shut-Off valve solenoid will become de-energised, and therefore shut off the gas supply. Additionally, the machine is equipped with thermal overload protection, which will intervene should the unit overheat, shutting off the electrical supply.
STARTING PROCEDURE
WARNING: BEFORE STARTING THE HEATER, YOU MUST ENSURE THAT THE MINIMUM VENTILATION REQUIREMENTS ARE OBSERVED TO AVOID THE RISK OF CARBON MONOXIDE POISONING.

- Ensure there is sufficient gas and that it is correctly connected.
- Open the supply valve on the gas cylinder, and fully open the regulator valve adjacent to the gas inlet pipe.
- Plug the heater into a suitable power supply.
- Set the flame intensity control valve (B), to a low setting,
- Set the fan switch (A) to the ON (I) position. Confirm the fan operates.
- Hold in the gas valve button (C), until the thermocouple is energised and the heater ignites.
- If the heater fails to ignite, there may be air in the hose so keep the fuel valve open and wait for about 15 seconds. Wait 30 seconds for unburned fuel to exit the heater. Repeat the step above.
- When the burner remains lit, set the heater at the required level by turning the flame intensity control valve counter-clockwise. If the burner goes out, turn off the gas. Turn the gas valve fully clockwise to its lowest position. Check the fuel supply. If adequate fuel is available, re-start the heater from step 1.
SHUT-DOWN PROCEDURE
- Turn off the gas at the propane cylinder valve(s).
- Let the heater run while any gas left in the supply hoses is burnt off.
- Allow the fan to run for 2 – 3 minutes with the burner off, in order to allow the casing to cool down and the fan to disperse any residual gas.
- Switch off the fan and unplug from the electrical supply.
- Disconnect the gas supply.
STORAGE
CAUTION: DISCONNECT THE HEATER FROM THE PROPANE SUPPLY CYLINDER(S)
- Store the propane gas cylinders in a safe manner outdoors and keep them below 100 oF (37 oC).
- Place protective bags over fittings & connectors and store in a clean, dry place.
- Fit the plastic cover caps which were removed when unpacking, over the connections they covered when received.
- When removed from storage, always check inside of heater for debris/ foreign objects before returning to use. Do not store the hose/regulator inside the combustion chamber
MAINTENANCE
WARNING: BEFORE CARRYING OUT ANY ADJUSTMENT OR MAINTENANCE, ENSURE THE HEATER IS SWITCHED OFF, DISCONNECTED FROM THE MAINS AND GAS SUPPLY, AND HAS BEEN GIVEN ADEQUATE TIME TO COOL DOWN.
It is essential that the heater is correctly maintained and kept in top condition at all times. All models are similar, in that access to the control components is gained by removing the access panel under the base of the heater which is secured by screws around the edge.
MONTHLY (WHEN IN CONSTANT USE)
Check the spark plug for cleanliness and correct operation. Have the gap reset to no more than 5mm by your Clarke service engineer.Check the condition of the gas hose. If there are any signs of deterioration, it should be renewed using only a Clarke original spare part. Ensure that all connections are clean and secure. When necessary, clean the fan and the inside of the heater thoroughly. The use of parts other than genuine Clarke replacement parts may result in safety hazards or decreased performance, and will invalidate your warranty.
TROUBLESHOOTING
| PROBLEM | CAUSE | REMEDY |
| The motor does not start. | No power. | Check power supply, power cable and fuse, and replace if necessary. |
| Faulty motor/capacitor. Fan blades bent. | Check & replace if necessary. | |
| Lockout of appliance due to overheating. Thermal cut-out in operation. | Identify cause of over-heating. Wait for 5 mins and restart. If the condition persists, contact your Clarke dealer for advice. | |
| The spark plug does not spark. | Gap incorrect, faulty connection | Clean and reset gap if necessary or replace it. |
| The heater will not ignite | Connection/installation incorrect. | Check that installation instruction are followed. |
| No spark at spark plug due to loose HT lead or PCB fault. | Check spark plug wire. Tighten or re-attach if loose. If the condition persists, contact your Clarke dealer for advice. | |
| The heater stops during operation. | Excessive or insufficient gas supply. | Check pressure regulator & replace if necessary. |
| Check that fan motor works properly. | ||
| Check, and use a larger cylinder or two or more in parallel. | ||
| Check there are no obstructions to airflow. Check ventilation is adequate. See also ‘Motor does not Start’. | ||
| No gas flow to the burner. | Cylinder gas tap closed. | Open the gas tap. |
| The cylinder is empty. | Replace cylinder. | |
| The nozzle is obstructed. | Remove nozzle & clean. | |
| Gas leaks from supply hose or from the tap. | Use soapy water to find the leak and repair it. |
| PROBLEM | CAUSE | REMEDY |
| The burner starts but stops | The thermocouple is not warm | Repeat the starting |
| as the gas valve | enough or is faulty. | the operation, keeping the |
| the button is released. | gas valve button | |
| depressed for longer. | ||
| Weak gas supply. | Increase flame intensity | |
| control valve setting. |
SPECIFICATIONS
| Model Number | 700 | 900/910SS | 1600/1610ss | 2100 |
| Dimensions (L x W x H) mm | 425x215x340 | 500x215x370 | 500x215x370 | 640x220x385 |
| Weight | 5.3 kg | 6.4 kg | 6.4 kg | 8.0 kg |
| Fuse Rating | 13A | 13A | 13A | 13A |
| Operating Voltage | 230V/50Hz | 230V/50Hz | 230V/50Hz | 230V/50Hz |
| Rated Input Power | 90 W | 110W | 110W | 135 W |
| Rated Input | 0.7 A | 0.7 A | 0.7 A | 0.7 A |
| Gas Consumption (kg/hr) | 0.63 -1.05 | 1.16-1.79 | 1.59-2.63 | 3.0-3.86 |
| Air Flow (m3/hr) | 500 | 535 | 580 | 690 |
| Gas Pressure (max) | 300mBar | 300mBar | 300mBar | 300mBar |
| Min Heat Output (kWbtu) | 8.8/30,000 | 17.6/60,000 | 22/75,000 | 35.2/120,000 |
| Max Heat Output (kW/btu | 14.6/50,000 | 24.9/85000 | 36.6/125,000 | 49.8/170,000 |
Please note that the details and specifications contained herein are correct at the time of going to print. However CLARKE International reserve the right to change specifications at any time without prior notice. Always consult the heater’s data plate.
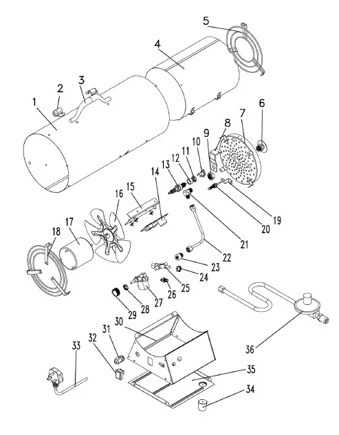
PARTS DIAGRAM – DEVIL 700/900/910SS

PARTS LIST DEVIL – 700/900/910SS
| No | Description |
| 1 | Outer Shell |
| 2 | Handle Mounting clips |
| 3 | Handle |
| 4 | Middle Cylinder |
| 5 | Front Guard |
| 6 | Orifice Assembly |
| 7 | Flame Holder Assembly |
| 8 | Orifice Nut |
| 9 | High Limit Switch Bracket |
| 10 | High Limit Switch |
| 11 | Thermocouple Bracket |
| 12 | Thermocouple |
| 13 | Flame Control PCB |
| 14 | Flame Control Bracket |
| 15 | Fan |
| 16 | Motor Assembly |
| 17 | Inlet Grille |
| 18 | Spark Plug Nut |
| No | Description |
| 19 | Spark Plug Washer |
| 20 | Spark Plug |
| 21 | Elbow Fitting |
| 22 | Fuel Tube Assembly |
| 23 | Extension Fitting |
| 24 | Securing Nut |
| 25 | Gas Valve |
| 26 | Male Fitting Connector |
| 27 | Solenoid Valve Assembly |
| 28 | Solenoid Valve Assembly Nut |
| 29 | Flame Intensity Control Knob |
| 30 | Power Cable Assembly |
| 31 | Strain Relief Bush |
| 32 | Power Switch |
| 33 | Control Box |
| 34 | Access Panel |
| 35 | Rubber Foot |
| 36 | Hose/Regulator Assembly |
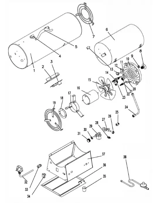
PARTS DIAGRAM – DEVIL 1600

PARTS LIST – DEVIL 1600
| No | Description |
| 1 | Outer Shell |
| 2 | Handle Mounting Clips |
| 3 | Handle |
| 4 | Middle Cylinder |
| 5 | Front Guard |
| 6 | Orifice Assembly |
| 7 | Flame Holder Assembly |
| 8 | High Limit Switch Bracket |
| 9 | Orifice Nut |
| 10 | High Limit Switch |
| 11 | Spark Plug Nut |
| 12 | Spark Plug Washer |
| 13 | Spark Plug |
| 14 | Flame Control PCB |
| 15 | Flame Control Bracket |
| 16 | Fan |
| 17 | Motor Assembly |
| 18 | Inlet Grille |
| No | Description |
| 19 | Thermocouple Bracket |
| 20 | Thermocouple |
| 21 | Elbow Fitting |
| 22 | Fuel Tube Assembly |
| 23 | Extension Fitting |
| 24 | Securing Nut |
| 25 | Gas Valve |
| 26 | Male Connector Fitting |
| 27 | Solenoid Valve Assembly |
| 28 | Solenoid Valve Assembly Nut |
| 29 | Flame Intensity Control Knob |
| 30 | Control Box |
| 31 | Strain Relief Bush |
| 32 | Power Switch |
| 33 | Power Cable Assembly |
| 34 | Rubber Foot |
| 35 | Access Panel |
| 36 | Hose/Regulator Assembly |
PARTS DIAGRAM – DEVIL 1610SS

PARTS LIST – DEVIL 1610SS
| No | Description |
| 1 | Outer Shell |
| 2 | Handle Mounting Clips |
| 3 | Handle |
| 4 | Middle Cylinder |
| 5 | Front Guard |
| 6 | Orifice Assembly |
| 7 | Flame Holder Assembly |
| 8 | High Limit Switch Bracket |
| 9 | Orifice Nut |
| 10 | High Limit Switch |
| 11 | Spark Plug Nut |
| 12 | Spark Plug Washer |
| 13 | Spark Plug |
| 14 | Flame Control PCB |
| 15 | Flame Control Bracket |
| 16 | Fan |
| 17 | Motor Assembly |
| 18 | Inlet Grille |
| No | Description |
| 19 | Thermocouple Bracket |
| 20 | Thermocouple |
| 21 | Elbow Fitting |
| 22 | Fuel Tube Assembly |
| 23 | Extension Fitting |
| 24 | Securing Nut |
| 25 | Gas Valve |
| 26 | Male Fitting Connector |
| 27 | Solenoid Valve Assembly |
| 28 | Solenoid Valve Assembly Nut |
| 29 | Flame Intensity Control Knob |
| 30 | Control Box |
| 31 | Strain Relief Bush |
| 32 | Power Switch |
| 33 | Power Cable Assembly |
| 34 | Rubber Foot |
| 35 | Access Panel |
| 36 | Hose/Regulator Assembly |
PARTS DIAGRAM – DEVIL 2100

PARTS LIST – DEVIL 2100
| No | Description |
| 1 | Outer Shell |
| 2 | Flame Control PCB Bracket |
| 3 | Flame Control PCB |
| 4 | Handle Mounting Clips |
| 5 | Handle |
| 6 | Middle Cylinder |
| 7 | Front Guard |
| 8 | Orifice Assembly |
| 9 | Spark Plug Nut |
| 10 | Flame Holder Assembly |
| 11 | Spark Plug Washer |
| 12 | High Limit Switch Bracket |
| 13 | High Limit Switch |
| 14 | Spark Plug |
| 15 | Fan |
| 16 | Motor Assembly |
| 17 | Motor Mounting Bracket |
| 18 | Bracket |
| 19 | Inlet Grille |
| No | Description |
| 20 | Thermocouple Bracket |
| 21 | Thermocouple |
| 22 | Orifice Nut |
| 23 | Elbow Fitting |
| 24 | Fuel Tube Assembly |
| 25 | Extension Fitting |
| 26 | Securing Nut |
| 27 | Gas Valve |
| 28 | Male Fitting Connector |
| 29 | Solenoid Valve Assembly |
| 30 | Solenoid Valve Assembly Nut |
| 31 | Flame Intensity Control Knob |
| 32 | Power Cable Assembly |
| 33 | Strain Relief Bush |
| 34 | Power Switch |
| 35 | Rubber Foot |
| 36 | Access Panel |
| 37 | Control Box |
| 38 | Hose/Regulator Assembly |
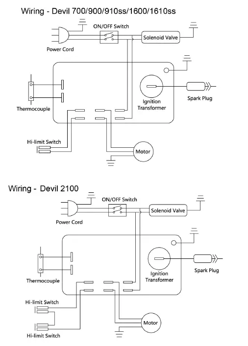
WIRING DIAGRAMS





















