Dyna-Glo WHF100 Wall Heater Fan

IMPORTANT INSTRUCTIONS
PLEASE READ THIS MANUAL BEFORE INSTALLING AND USING APPLIANCE
![]() | WARNING: IF THE INFORMATION IN THIS MANUAL IS NOT FOLLOWED EXACTLY, A FIRE OR EXPLOSION MAY RESULT CAUSING PROPERTY DAMAGE, PERSONAL INJURY OR LOSS OF LIFE. |
![]() | WARNING: THIS PRODUCT IS ONLY FOR USE WITH MODELS SPECIFIED IN THIS MANUAL BY THE MANFACTURER. ANY OTHER USAGE OR INSTALLATION NOT SPECIFIED IN THIS MANUAL IS PROHIBITED. |
|
INSTALLER: Leave this manual with the appliance. |
SAFETY INFORMATION
IMPORTANT: Read this owner’s manual carefully and completely before trying to assemble, operate,or service this heater. Improper use of this heater can cause serious injury or death from burns, fire,explosion, electrical shock, and carbon monoxide poisoning.
WARNING: Electrical Grounding Instructions
This appliance is equipped with a three-prong (grounding) plug for your protection against shock hazard and must be plugged directly into a properly grounded three-prong receptacle.
WARNING: Any change to this heater or its controls can be dangerous.
WARNING: Make sure any panel, safety screen or guard removed for
servicing an appliancemust be replaced prior to operating the heater.
WARNING: Do not use any accessories not approved for use with this heater.
- Read all instructions before using this appliance.
- If possible always unplug this appliance when not in use.
- Do not operate any heater with a damaged cord or plug or after the appliance malfunctions, has been dropped or damaged in any manner.
- Under no circumstances should this appliance be modified. Parts having to be removed for servicing must be replaced prior to operating this appliance again.
- Do not use outdoors.
- This heater is not intended for use in bathrooms, laundry areas and similar indoor locations. Never locate this appliance where it may fall into a bathtub or other water container.
- Do not run cord under carpeting. Do not cover cord with throw rugs, runners or the like. Arrange cord away from traffic areas and where it will not be tripped over.
- To disconnect this appliance, turn controls to the off position, then remove plug from outlet.
- Connect to properly grounded outlets only.
- This appliance, when installed must be electrically grounded in accordance with local codes, with the current USA installations, or in the absence of local codes, the National Electric Code, ANSI/NFPA No. 70.
- Do not insert or allow foreign objects to enter any ventilation or exhaust opening as this may cause an electric shock, fire or damage the appliance
- To prevent possible fire, do not block air intakes or exhaust in any manner.
- Use this appliance only as described in this manual. Any other use not recommended by the manufacturer may cause fire, electric shock or injury to persons.
- Installation and repair should be done by a qualified service person. The appliance should be inspected before use and at least annually by a professional service person. More frequent cleaning may be required due to excessive lint from carpeting, bedding material, etc. It is imperative that control compartments, burners and circulating air passageways of the appliance be kept clean.
ASSEMBLY INSTRUCTIONS
Before beginning assembly of product, make sure all parts are present. Compare parts with package contents list and diagram under. If any part is missing or damaged, do not attempt to assemble, install or operate the product. Contact customer service for replacement parts at 1-877-447-4768.
Package Contents

Philips Head Screw x 4
CAUTION: Wall mounted heater must be disconnected from gas supply and removed from the wall before installing fan accessory. Contact a qualified service person to do this.
- Remove Fan Knock-Out Panel using a screw driver.

- With the Rocker Switch posi- tioned in the top right corner, attach fan to rear panel of the heater using the 4 screws provided.

- Plug Power Cord into a properly grounded three-prong receptable.

OPERATING INSTRUCTIONS
This fan is equipped with manual “MAN” and automatic “AUTO” settings. Set the rocker switch to “MAN” for manual mode, allowing the fan to continuously run until the rocker switch is returned to the OFF “O” position. Set the rocker switch to “AUTO” for the automatic mode, which will turn the fan on and off based on ambient room temperature. It may take 5 to 10 minutes for the fan to come on when the unit is cold.
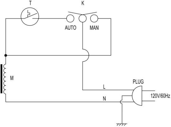
Electrical Wiring Diagram

T – Temperature Switch
M – Motor
K – Power Switch
NOTE: If any of the original wire as supplied with the appliance must be replaced, it must be replaced with a wire of at least an equal temperature rating.
CAUTION: Label all wires prior to disconnection when servicing controls. Wiring errors can cause improper and dangerous operation. Verify proper operation after servicing.
MAINTENANCE OF MOTORS
WARNING: Make sure all power to the appliance is turned OFF before proceeding.
Always disconnect the appliance from the main power supply and allow it to cool before any servicing operation. The motor used on the fan is pre-lubricated for extended bearing life and requires no further lubrication. However, periodic cleaning/vacuuming of the appliance around the air intake and exhaust, as well as the fan is recommended. For heavy or continuous use, periodic cleaning must be done more frequently. If the heater blows alternating cold and warm air, check the fan for free movement and for debris restricting air flow. If the fan does not move freely, the unit must be turned off and the fan replaced immediately in order to prevent further damage to the unit.
Troubleshooting
| PROBLEM | POSSIBLE CAUSE | CORRECTIVE ACTION |
| Fan is not spinning. |
|
|
| Fan is making a loud noise. |
|
|
Warranty
LIMITED WARRANTY:
This limited warranty is extended to the original retail purchaser of this product and warrants against any defect in materials and workmanship for a period of one ( 1) year from the date of retail sale. GHP Group, Inc., at it’s option, will either provide replacement parts or replace or repair the unit, when properly returned to the retailer where purchased or one of our service centers as directed by GHP Group, Inc., within one (1) year of retail purchase. (Shipping costs, labor costs, etc. are the responsibility of the purchaser.)
DUTIES OF THE OWNER:
This product must be operated in accordance with the written instructions furnished with this product. This warranty shall not excuse the owner from properly maintaining this product in accordance with the written instructions furnished with this product. A bill of sale, canceled check or payment record must be kept to verify purchase date and establish warranty period. Original carton should be kept in case of warranty return of unit.
WHAT IS NOT COVERED:
- Damage caused by misuse or use contrary to the owners manual and safety guidelines.
- Damage caused by a lack of normal maintenance.
- Use of non-standard parts or accessories.
- Damage caused in transit. Freight charges on warranty parts or heaters to and from the factory shall be the responsibility of the owner.
This warranty does not imply or assume any responsibility for consequential damages that may result from the use, misuse, or the lack of routine maintenance of this heating appliance. A cleaning fee and the cost of parts may be charged for appliance failures resulting from lack of maintenance. This warranty does not cover claims which do not involve defective workmanship or materials. FAILURE TO PERFORM GENERAL MAINTENANCE (INCLUDING CLEANING) WILL VOID THIS WARRANTY.
THIS LIMITED WARRANTY IS GIVEN TO THE PURCHASER IN LIEU OF ALL OTHER WARRANTIES, EXPRESSED OR IMPLIED, INCLUDING BUT NOT LIMITED TO THE WARRANTIES OF MERCHANTABILITY OF FITNESS FOR A PARTICULAR PURPOSE. THE REMEDY PROVIDED IN THIS WARRANTY IS EXCLUSIVE AND IS GRANTED IN LIEU OF ALL OTHER REMEDIES. IN NO EVENT WILL GHP GROUP, INC. BE LIABLE FOR INCIDENTAL OR CONSEQUENTIAL DAMAGES.
Some states do not allow limitations on how long an implied warranty lasts, so the above limitation may not apply to you. Some states do not allow the exclusion or limitation of incidental or consequential damages so the above limitation or exclusion may not apply to you.
CLAIMS HANDLED AS FOLLOWS:
- Contact your retailer and explain the problem.
- If the retailer is unable to resolve the problem, contact our Customer Service Dept. detailing the heater model, the problem, and proof of date of purchase.
- A representative will contact you. DO NOT RETURN THE PRODUCT TO GHP GROUP,INC. unless instructed by our Representative. This warranty gives you specific legal rights and you may also have other rights which vary from state to state.
WARRANTY REGISTRATION
IMPORTANT: We urge you to fill out your warranty registration card within fourteen (14) days of date of purchase. You can also register your warranty on the internet at www.ghpgroupinc.com. Complete the entire serial number. Retain this portion of the card for your records.

GHP Group, Inc.
6440 W Howard S t
Niles, IL 60714-3302
Tel: (877) 447-4768
www.ghpgroupinc.com
























