
Wall heater – with remote controller

USER MANUAL
Product Nr. BW2101
BW2101 Wall Heater
Dear Customer! Thank you for choosing our product, we hope you enjoy using it for a long time.
The new generation of radiators is the wall heater, which is an essential accessory for homes, winter, cold rooms, dormitory rooms and offices. Safe to use thanks to wall mounting, no fear of tipping over or touching children. With the included remote control, you can easily set the heating level you need. Due to the built-in thermostat, it may be suitable for occasional full heating of smaller rooms.
| Oscillating function | Temperature setting |
| Easy to install | Timer function |
| LED display | Overheating protection |
| Comfortable remote control | Window opening detection |
| Power source: | AC 220 – 240 V, — 50 – 60 Hz | Operating temperature: | 10 – 35 °C |
| Heating level: | 1000 / 2000 W | Protection class: | IP20 (indoor use only!) |
| Thermostat: | Yes | Power cord length: | 140 cm |
| Recommended use: | max. 30 m2 room | Material: | Plastic |
| Energy class (EU2021): | Class “6” | Size: | 420 x 175 x 110 mm |
| Overheating protection: | Yes | Mounting: | 2 pcs anchor, screws (included) |
Safety regulations, Warnings
DANGER!
General advice: Danger of suffocation! Please keep the packaging of the appliance out of the reach of children as it may lead to suffocation. The appliance may only be used by adults, the storage location must be chosen in such a way that children cannot accidentally access it. Children should be supervised to ensure that they do not play with the appliance.
Danger of electric shock: Never operate the appliance with wet, wet hands! Touching the device, including the power plug cable, and the control buttons with wet hands is strictly prohibited The device may only be connected to AC power with the correct voltage. Safe operation of the device requires grounded and a Fi-relay (30 mA) circuit breaker in the mains! Do not point the device directly at electrical equipment, as hot air may enter and cause damage. Do not use the appliance near a bathtub, shower, swimming pool or sink containing water. Unplug the appliance only by grabbing the mains plug. Never run the appliance cable on the front of the appliance!
Operation: Make sure of environmental regulations before use! Do not use the device near explosive material! When used in special places (eg petrol station, pools…) the local safety regulations must be followed! Place the appliance horizontally and stably, make sure that the appliance does not tilt or tip over! Do not cover the appliance with anything (sheets, blankets…)! To reduce the risk of fire, do not place the appliance closer than 2 m to furniture, objects or walls! The appliance must not be operated from a socket with a timer! The appliance is not suitable as a primary heating source for rooms. The appliance is designed for intermittent (short-term) heating.
WARNING!
General advice: The device may only be used for its intended purpose! When using, pay attention to the physical safety and safety of those around you (especially children). The device may only be used by persons who have read, understood and are able to operate this device accordingly! Persons with reduced mental, physical or sensory capabilities should not use the device! Children should not use the appliance! After using the appliance, make sure that the hot appliance can cool down in a well-ventilated place in a way they won’t cause personal injury to anyone! Inform those around you about the operating status of the device.
Risk of electric shock: Only connect the appliance to a mains socket that is safe to operate or has been installed by a specialist in accordance with IEC 60364-1. Before each use, make sure that the appliance and the mains cable and connectors are intact! Only use undamaged devices! If you experience any damage, do not use the appliance, contact a specialist! During use, pay attention to the integrity of the mains cable, avoid edges or objects that can damage the surface of the cable. Avoid the use of extension cords or splitters, as they are a source of danger during operation. Always unplug the appliance when not in use! Maintenance work must only be carried out with the mains plug removed!
Operation: Risk of burns! Never touch the device, if it has been operated (only for a short time)! To avoid burns, always allow the appliance to cool down before you touch it The device may only be operated when fully assembled with the factory accessories. If any part is damaged, it must be replaced before use. Allow the appliance to cool down completely in a well-ventilated place before storing it. During use, periodically check that the appliance is not overheated and that the ventilation openings are not blocked.
CAUTION!
General advice: Do not use the device if you have previously dropped or struck it and it is visibly damaged! It is strictly forbidden to, modify or disable safety devices, you must use as intended!
Operation: Always operate and store the device as described always check the integrity of the appliance, cable, plug and accessories. In the event of damage, do not use the device!
ATTENTION!
Operation: Use the appliance only at freezing temperatures above 0 °C to avoid condensation and electric shock. Never leave the appliance unattended when it is connected to the mains! Protect the device from moisture and water! Do not store the device outdoors in high temperature fluctuations.
Attention!
The housing part of the product may become hot and cause burns. Requires increased attention near children.
Special requirements
Attention!
The heater does not include a device to control the temperature of the rooms. Do not use it unattended in a room with people who cannot leave.
Attention!
Leave a space of at least 30 cm above the radiator and 200 cm in front of the radiator Never use the radiator in a room with flammable, explosive oil, gasoline or gas.
Installation instructions
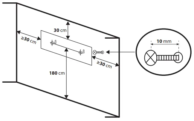
Install the appliance at least 180 cm high on the wall, so that the distance between the ceiling and the appliance is at least 30 cm and the outlets of the appliance face downwards. We recommend placing the lower part of the device at a height of 180 cm from the ground to avoid accidental accidents.The device may only be mounted horizontally!

Installation
The included mounting accessories provide mounting on brick, concrete, silicate walls. When mounted on a plasterboard wall, it can only be installed on a horizontal support structure! Prior to installation, make sure that the wall section has the correct load capacity and can provide the power supply for the device in the given location. When mounting on drywall, use a special drywall anchor, not the one included in the package! When mounting onto a wooden surface, it is not necessary to pre-drill the holes and use dowels for the screws!
- Using a spirit level and a pencil, draw a horizontal line on the wall at the desired height.
- The horizontal distance between the mounting holes must be exactly 315 mm!

- Use a drill to drill the mounting holes. Use a 6 mm drill bit for drilling. The depth of the holes must be at least 26 mm deep. Do not use a smaller size!

- Insert the accessory anchors into the holes until they line up with the plane of the wall.
- Screw in the two screws of the accessory so that there is at least 1 cm between the plane of the wall and the head of the screw.
- Place the heater on the two screws („Position A”) and move the unit to the right and then down until you find a stable attachment („Position B”).

- Before connecting to the network, make sure that all switches are off.
How to use the device
There are two ways to turn on the radiator:
- By using the start / stop button on the radiator.
- By using the accessory remote.
Turn device on / off: When
the switch is set to the correct position, the radiator is ready for operation. You can then switch on the device by pressing the black button next to the switch. The heating will start and the ambient temperature will be displayed. You can switch off the heating by pressing the same button, a 30-second countdown will appear on the display. Wait until the appliance counts down and the fan stops before unplugging the appliance.
Symbols
| Fan | |
| Low performance (1000 W) | |
| High performance (2000 W) | |
| Timer function | |
| Weekly timer | |
| Temperature setting |
Remote

Off/On switch: Press the button to turn on the device and the fan will start. Press repeatedly. The device will then turn off and the fan will run for another 30 seconds.
Heating: Press the button to switch between heating modes. (low, high, fan mode)
Timer: You can schedule the product to turn off automatically, as many times as you press the button, increasing the remaining time by 1 hour till shut down. (1H, 2H, 3H, 4H… 8H).
Temperature setting: Press the button and then use the + and – buttons to set the desired temperature. (18 – 45 °C) If you set the temperature setting 3 degrees higher than the ambient temperature, the device automatically switches to high power. To save the settings, press the “OK” button or wait 5 seconds after the LED flashes.
Oscillation: On and off function for up and down oscillation. Press the button again to stop the flaps at a specific position.
Open window detection: The following function is only available during heating if the appliance detects that the ambient temperature has dropped. It is then likely that a door has been opened and the heating function is not effective. The device suspends the heating.
Date setting: After switching on, press the
button and then use the + and – buttons to set the current date (eg. 01-07). Press OK to save.
Time setting: After setting the date, the clock setting interface will automatically appear. Use the + and – buttons to set the hour (0-23) and then the minute (0-59). Press OK to save.
Weekly timer: You can choose from 6 setting options, P1, P2, P3, P4, P5, P6, which contain preset timings.
| Mode | Monday | Tuesday | Wednesday | Thrusday | Friday | Saturday | Sunday |
| P1 | 8:00-17:00 | 8:00-17:00 | 8:00-17:00 | 8:00-17:00 | 8:00-17:00 | 8 00-17 00 | 8:00-17:00 |
| P2 | 18:00-7:00a | 18:00-7:00a | 18:00-7:00a | 18:00-7:00a | 18:00-7:00a | 18:00-7:00a | 18:00-7:00a |
| P3 | 8:00-17:00 | 8:00-17:00 | 8:00-17:00 | 8:00-17:00 | 8:00-17:00 | OFF | OFF |
| P4 | 18:00-7:00a | 18:00-7:00a | 18:00-7:00a | 18:00-7:00a | 18:00-7:00a | OFF | OFF |
| P5 | OFF | OFF | OFF | OFF | OFF | 00:00-23:59 | 00:00-23:59 |
| P6 | Free mode | Free mode | Free mode | Free mode | Free mode | Free mode | Free mode |
| Remark | P6: time setting range, 00-24H, the start time should be earlier than the end. | ||||||
Clear temperature setting: Press the
button, then press
the button. If a high temperature was previously set, the appliance will continue heating in high power mode, if a lower temperature was set, it will continue heating in low power mode.
Clear weakly timer: Press the
button int he settings to delete. If a high temperature was previously set, the appliance will continue heating in high power mode, if a lower temperature was set, it will continue heating in low power mode.
Overheating protection: If the device detects a temperature of 51 °C, it is automatically disabled.
Proper disposal of the appliance (Electrical appliance)
(Valid in the European Union and all other European countries participating in selective collection) According to Directive 2012/19 / EU, electrical waste and appliances must not be disposed of with household waste. Old appliances should be placed in a bin to maximize the recycling of raw materials, thus reducing their impact on human health and the environment. The crossed-out wheeled-bin symbol must appear on all products for which separate collection is required. Consumers should contact their local authorities for more information.

Product Nr. BW2101
![]()






















