CRAFTSMAN CMXEHAO125FAV Propane Forced-Air Heater

WARNING: IF THE INSTRUCTIONS IN THIS MANUAL ARE NOT FOLLOWED EXACTLY, A FIRE OR EXPLOSION MAY RESULT CAUS-ING PROPERTY DAMAGE, PERSONAL INJURY OR LOSS OF LIFE
- DO NOT STORE OR USE GASOLINE OR OTHER FLAMMABLE VAPORS AND LIQUIDS IN THE VICINITY OF THIS OR ANY OTHER APPLIANCE
- AN LP CYLINDER NOT CONNECTED FOR USE SHALL NOT BE STORED IN THE VICINITY OF THIS OR ANY OTHER APPLIANCE.
- SERVICE MUST BE PERFORMED BY A QUALIFIED SERVICE AGENCY
WHAT TO DO IF YOU SMELL GAS
- Do not try to light appliance.
- Extinguish any open flame.
- Shut off gas to appliance.
Definitions: Safety Alert Symbols and Words
This instruction manual uses the following safety alert symbols and words to alert you to hazardous situations and your risk of personal injury or property damage.
WARNING: YOUR SAFETY IS IMPORTANT TO YOU AND TO OTHERS, SO PLEASE READ THESE INSTRUCTIONS BEFORE YOU OPERATE THIS HEATER. SAVE THESE INSTRUCTIONS FOR FUTURE REFERENCE.
GENERAL HAZARD WARNING:
FAILURE TO COMPLY WITH THE PRECAUTIONS AND INSTRUCTIONS PROVIDED WITH THIS HEATER, CAN
RESULT IN DEATH, SERIOUS BODILY INJURY AND PROPERTY LOSS OR DAMAGE FROM HAZARDS OF FIRE, EXPLOSION, BURN, ASPHYXIATION,
CARBON MONOXIDE POISONING, AND/OR ELECTRICAL SHOCK. ONLY PERSONS WHO CAN UNDERSTAND AND FOLLOW THE INSTRUCTIONS
SHOULD USE OR SERVICE THIS HEATER. IF YOU NEED ASSISTANCE OR
HEATER INFORMATION SUCH AS AN INSTRUCTIONS MANUAL, LABELS,
ETC. CONTACT THE MANUFACTURER.
WARNING: NOT FOR HOME OR RECREATIONAL VEHICLE USE
WARNING: FIRE, BURN, INHALATION, AND EXPLOSION HAZARD. KEEP SOLID COMBUSTIBLES, SUCH AS BUILDING MATERIALS, PAPER OR CARDBOARD, A SAFE DISTANCE AWAY FROM THE HEATER AS RECOMMENDED BY THE INSTRUCTIONS. NEVER USE THE HEATER IN SPACES WHICH DO OR MAY CONTAIN VOLATILE OR AIRBORNE COMBUSTIBLES, OR PRODUCTS SUCH AS GASOLINE, SOLVENTS, PAINT THINNER, DUST PARTICLES OR UNKNOWN CHEMICALS.
WARNING: This product can expose you to chemicals including lead and lead compounds, which are known to the State of California to cause cancer and birth defects or other reproductive harm. Wash your hands after handling this product. For more information visit www.P65Warnings.ca.gov.
WARNING: Fuels used in liquefied propane gas appliances, and the products of combustion of such fuel, can expose you to chemicals including benzene, which is known to the State of California to cause cancer and cause birth defects or other reproductive harm. For more information visit www.P65Warnings.ca.gov.
GENERAL INFORMATION
RETAIN THIS MANUAL FOR FUTURE REFERENCE. FOR QUESTIONS, PROB-LEMS, MISSING PARTS BEFORE RETURNING TO RETAILER PLEASE CALL WITH MODEL NUMBER AND SERIAL NUMBER OF HEATER: 1-855-669-3027 MONDAY-FRIDAY 8-5 PM EASTERN TIME OR E-MAIL USING THE CRAFTSMAN WEBSITE: WWW.CRAFTSMAN.CO
SPECIFICATIONS
| Model: | CMXEHAO60FAV | CMXEHAO125FAV |
| Rating | 30,000 – 60,000 Btu/Hr | 75,000-125,000 Btu/Hr |
| (8.8 – 17.6 kW) | (21.9 – 36.6 kW) | |
| Fuel Consumption | 1.4 – 2.8 #/hr | 3.5 – 5.8 #/hr |
| (0.64 – 1.28 kg/hr) | (1.59 – 2.63 kg/hr) | |
| Heated Air Output | 183 cfm | 185 cfm |
| (5.2 cmm) | (5.3 cmm) | |
| Average Air Temp. Rise | 200°F (111°C) | 400°F (232°C) |
| Product Dimensions | 18.50″ x 7.25″ x 14.50″ (470 mm x 184 mm x 368 mm) | 25.25″ x 9.00″ x 15.50″ (641 mm x 229 mm x 394 mm) |
| Product Weight | 14.20 LBS (6.44 kg) | 18.05 LBS (8.19 kg) |
| Minimum tank size | 20 LB (9.07 kg) | 40 LB (18.14 kg) |
| Hose Length | 10′ (3.05 M) | 10′ (3.05 M) |
OPERATING PRECAUTIONS
This is a propane, direct-fired, forced air heater. It’s intended use is primarily temporary heating of buildings under construction, alteration or repair. Propane is heavier than air. If propane leaks from a connection or fitting, it sinks to the floor, collecting there with the surrounding air, forming a potentially explosive mixture. Obviously, propane leaks should be avoided, so set up the propane supply with utmost care. Read enclosed Odor Fade and Propane Sheet for additional information about detecting propane leaks. Leak check new connections or reconnecting with a soap and water solution and follow all connection instructions herein. Also, ask your propane dealer for advice on the propane application and supply installation and ask him to check it if there are any questions. This heater was designed and certified for use as a construction heater in accordance with ANSI Z83.7/CGA 2.14. Check with your local fire safety authority if you have any questions about your applications. Other standards govern the use of fuel gases and heat producing products in specific applications. Your local authority can advise you about these. Direct-Fired means that all of the combustion products enter the heated space. Even though this heater operates very close to 100 percent combustion efficiency, it still produces small amounts of carbon monoxide. Carbon monoxide (called CO) is toxic. We can tolerate small amounts but not a lot. CO can build up in a heated space and failure to provide adequate ventilation could result in death. The symptoms of inadequate ventilation are:
- headache
- dizziness
- burning eyes and nose
- nausea
- dry mouth or sore throat
So, be sure to follow advice about ventilation in these operating instructions. Forced Air means that a blower or fan pushes the air through the heater. Proper combustion depends upon this air flow; therefore, the heater must not be revised, modified or operated with parts removed or missing. Likewise, safety systems must not be circumvented or modified in order to operate the heater. When the heater is to be operated in the presence of other people the user is responsible for properly acquainting those present with the safety precautions and instructions, and of the hazards involved.
SAFETY PRECAUTIONS
- Check the heater thoroughly for damage. DO NOT operate a damaged heater.
- DO NOT modify the heater or operate a heater which has been modified from its original condition.
- Use only propane gas.
- Use only VAPOR WITHDRAWAL propane supply. If there is any question about vapor withdrawal, ask your propane dealer.
- Mount the propane cylinders vertically (shutoff valve up). Secure them from falling or being knocked over and protect them from damage.
- Locate propane containers at least (USA) 7 ft. (2.13m), (Canada) 10 ft. (3m) from the heater and do not direct exhaust toward containers.
- IMPORTANT Use only the hose and regulator assembly provided with the heater. Match the color stripe on the hang-tag attached to the hose assembly with the color on the label located near the propane inlet fitting on the heater. Inspect hose assembly before each use of the heater. If there is excessive abrasion or wear, or hose is cut, replace with hose assembly listed on parts list before using heater.
- For either indoor or outdoor use. Adequate ventilation must be provided. Figure 1. (also see “Operating Precautions”).
- If at any time gas odor is detected, IMMEDIATELY DISCONTINUE operation until the source of gas has been located and corrected. Read enclosed Odor fade and Propane Sheet for additional information about detecting propane leaks.
- Maintain minimum clearance from normal combustible material (like paper). Figure 2.
- Due to the high surface and exhaust temperatures, adults and children must observe clearances to avoid burns or clothing ignition.
- Operate only on a stable, level surface.
- Do not use with duct work. Do not restrict inlet or exit.
- Use only the electrical power specified. The electrical connection and grounding must comply with National Electrical Code – ANSI/NFPA 70 (USA) and CSA C22.1 Canadian Electrical Code, Part 1 (Canada).
- Use only a properly grounded 3-prong receptacle or extension cord.
- Do not move, handle or service while hot or burning.
- Do not adjust the heater combustion tube elevation while heater is running or hot. Adjustments to elevation should only be made after the heater has cooled to touch.
- Use only in accordance with local codes or, in the absence of local codes, with the Standard for the Storage and Handling of Liquefied Petroleum Gases ANSI/NFPA 58 and CSA B149.1, Natural Gas and Propane Installation Code.


ODOR FADE WARNING WARNING: Asphyxiation Hazard
- Do not use this heater for heating human living quarters
- Do not use in unventilated areas.
- The flow of combustion and ventilation air must not be obstructed.
- Proper ventilation air must be provided to support the combustion air requirements of the heater being used.
- Refer to the specification section of the heater’s manual, heater data plate, or contact the factory to determine combustion air ventilation requirements of the heater.
- Lack of proper ventilation air will lead to improper combustion.
- Improper combustion can lead to carbon monoxide poisoning lead-ing to serious injury or death.
- Symptom of carbon monoxide poisoning can include headaches, dizziness and difficulty in breathing.
FUEL GAS ODOR:
LP gas and natural gas have man-made odorants added specifically for detection of fuel gas leaks. If a gas leak occurs you should be able to smell the fuel gas. Since Propane (LP) is heavier than air you should smell for the gas odor low to the floor. ANY GAS ODOR IS YOUR SIGNAL TO GO INTO IMMEDIATE ACTION!
- Do not take any action that could ignite the fuel gas. Do not operate any electrical switches. Do not disconnect any power supply or extension cords. Do not light matches or any other source of flame. Do not use your telephone.
- Get everyone out of the building and away from the area immediately.
- Close all propane (LP) gas tank or cylinder fuel supply valves, or the main fuel supply valve located at the meter if you use natural gas.
- Propane (LP) gas is heavier than air and may settle in low areas. When you have reason to suspect a propane leak, keep out of all low areas.
- Use your neighbor’s phone and call your fuel gas supplier and your fire department. Do not re-enter the building or area.
- Stay out of the building and away from the area until declared safe by the firefighters and your fuel gas supplier.
- FINALLY, let the fuel gas service person and the firefighters check for escaped gas. Have them air out the building and area before you return. Properly trained service people must repair any leaks, check for further leakages, and then relight the appliance for you.
ODOR FADING ‑ NO ODOR DETECTED
- Some people cannot smell well. Some people cannot smell the odor of the man-made chemical added to propane (LP) or natural gas. You must determine if you can smell the odorant in these fuel gases.
- Learn to recognize the odor of propane (LP) gas and natural gas. Local propane (LP) gas dealers will be more than happy to give you a scratch and sniff pamphlet. Use it to become familiar with the fuel gas odor.
- Smoking can decrease your ability to smell. Being around an odor for a period of time can affect your sensitivity to that particular odor. Odors present in animal confinement buildings can mask fuel gas odor.
- The odorant in propane (LP) gas and natural gas is colorless and the intensity of its odor can fade under some circumstances.
- If there is an underground leak, the movement of gas through the soil can filter the odorant.
- Propane (LP) gas odor may differ in intensity at different levels. Since Propane (LP) gas is heavier than air, there may be more odor at lower levels.
- Always be sensitive to the slightest gas odor. If you continue to detect any gas odor, no matter how small, treat it as a serious leak. Immediately go into action as discussed previously.
CRITICAL POINTS TO REMEMBER!
- Propane (LP) gas has a distinctive odor. Learn to recognize these odors. (Reference Fuel Gas Odor and Odor Fading sections above.
- Even If you are not property trained in the service and repair of the heater, ALWAYS be consciously aware of the odors of propane (LP) gas and natural gas.
- If you have not been properly trained in repair and service of propane (LP) gas then do not attempt to light heater, perform service or repairs, or make any adjustments to the heater on the propane (LP) gas fuel system.
- A periodic sniff test around the heater or at the heater’s joints; i. e. hose, connections, etc., is a good safety practice under any conditions. If you smell even a small amount of gas, CONTACT YOUR FUEL GAS SUPPLIER IMMEDIATELY. DO NOT WAIT!
OPERATING INSTRUCTIONS
- Check the heater for possible shipping damage. If any is found, immediately notify the factory. (1-855-669-3027)
- Follow all of the “Precautions”.
- Connect the POL fitting of hose and regulator assembly to the propane cylinder by rotating the POL nut counterclockwise into the propane cylinder’s valve outlet and securely tighten with a wrench.
- Connect the hose to the heater by rotating the hose fitting clockwise.
- Securely tighten all gas connections with a wrench.
- Open the cylinder’s gas valve and check all gas connections with a soap and water solution. DO NOT USE A FLAME.
- Connect power cord to well-grounded 115V, 60 Hz, 1Ø source of power.
- When using an extension cord, make certain that it is a 3-wire (grounded) cord of proper wire size.
START
- Turn gas valve knob to the OFF position.
- Wait five minutes to clear any gas, then if you do not detect any gas odor then proceed to the next step.
- Turn gas supply ON by rotating the knob on the tank counterclockwise.
- Push in and turn gas control knob to the IGN position. The burner will light.
- Continue to hold the knob for 30 seconds or until the burner stays lit.
- If the burner does not stay lit repeat the lighting procedure.
- Release knob and then rotate gas valve counterclockwise to desired setting.
STOP
- Securely close valve on the propane cylinder.
- Continue to operate heater until all fuel in the hose has burned.
- Unplug the power cord.
RESTART AFTER SAFETY SHUTDOWN
- Securely close valve at propane cylinder. Unplug heater.
- Wait 5 minutes.
- Restart following “Start” procedure.
MAINTENANCE AND STORAGE
- The heater should be inspected before each use, and at least annually by a qualified person.
- Before each use, check the soft “O” ring seal at the bullnose of the POL fitting. If the “O” ring is cut, scuffed, or otherwise damaged, replace it with part number F273786.
- Turn off the gas at the LP-gas supply cylinder(s) when the heater is not in use.
- When the heater is to be stored indoors, the connection between the LP-gas supply cylinder(s) and the heater must be disconnected and the cylinder(s) removed from the heater and stored out of doors and in accordance with Chapter 5 of the standard for Storage and Handling of Liquefied Petroleum Gases ANSI/NFPA 58 and CSA B149.1, Natural Gas and Propane Installation Code.
WARNING: A hazardous condition may result if a heater is used that has been modified or is not functioning properly. When the heater is working properly:
- The flame is contained within the heater.
- The flame is essentially blue with perhaps some yellow tipping.
- There is no strong disagreeable odor, eye burning or other physical discomfort.
- There is no smoke or soot internal or external to the heater.
- There are no unplanned or unexplained shut downs of the heater.
The parts lists and wiring diagram show the heater as it was constructed. Do not use a heater which is different from that shown. In this regard, use only the hose, regulator and cylinder connection fitting (called a
POL fitting) supplied with the heater. IMPORTANT: Match the color stripe on the hang tag attached to the hose assembly with the color on the label located near the propane inlet fitting on the heater. Do not use alternates. For this heater, the regulator must be set as shown in “specifications”. If there is any uncertainty about the regulator setting, have it checked. A heater which is not working right must be repaired, but only by a trained, experienced service person. In-warranty products will be repaired with no charge for either parts or labor. Please include a brief statement indicating date, place of purchase, the nature of the problem and proof of purchase. Out of warranty products will be repaired with a charge for parts and labor.
HEATER ELEVATION ADJUSTMENT
This heater is equipped with an elevation adjustment panel located at the exhaust end of the control box.
- Do not adjust the heater combustion tube elevation while heater is running or hot. Adjustments to elevation should only be made after the heater has cooled to touch.
- To adjust the heater combustion tube elevation, turn the adjustment screw knob counterclockwise and lift the combustion tube to desired position.
SIZE AND CAPACITY OF PROPANE CYLINDERS REQUIRED
The charts below show the approximate size of the cylinder required for these heaters. To use the chart:
- select the lowest air temperature expected (at the bottom of the chart).
- Move straight up to time of operation desired (left side of chart).
- Read the cylinder size required.

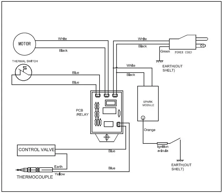
WIRING DIAGRAMS


| # | 60K | 125K | DESCRIPTION | QTY | # | 60K | 125K | DESCRIPTION | QTY | |
| 1 | N/A | N/A | Outer Barrel | 1 | 20 | 20904 | 20244 | Orifice | 1 | |
| 2 | 20923 | 20934 | Combustion Chamber | 1 | 21 | 20907 | 20245 | Retaining Nut | 1 | |
| 4 | 27925 | 27925 | Plastic Carry Handle | 1 | 22 | 20936 | 20936 | Ignition Contol Module | 1 | |
| 6 | 20239 | 20239 | HLS Wires | 1 | 23 | 20909 | 20910 | Thermoelectric Valve w/ Integrated Piezo Ignitor | 1 | |
| 7 | 20924 | 20924 | Fan Motor | 1 | ||||||
| 8 | 20261 | 20261 | Fan Blade | 1 | 24 | 20902 | 20902 | Variable Control Knob | 1 | |
| 9 | 20915 | 20926 | Rear Wire Guard | 1 | 25 | 20912 | 20912 | Height Adjustment knob | 1 | |
| 10 | 20911 | 20911 | Mounting Bracket | 1 | 26 | 20918 | 20929 | Base Front Panel | 1 | |
| 11 | 20249 | 20249 | HLS Mount | 1 | 27 | 20916 | 20927 | Base Right Panel | 1 | |
| 12 | 20913 | 20913 | Thermocouple | 1 | 28 | 20919 | 20930 | Base Rear Panel | 1 | |
| 13 | 20249 | 20900 | High Limit Switch | 1 | 29 | 20938 | 20938 | Electric Supply Cord | 1 | |
| 14 | 20905 | 20905 | Igniter Electrode | 1 | 30 | 20921 | 20932 | Height Adjustment Foot | 1 | |
| 15 | 20903 | 20935 | Flame Holder | 1 | 31 | 20920 | 20931 | Base Bottom Panel | 1 | |
| 16 | 20922 | 20933 | Burner Supply Tube | 1 | 32 | 20917 | 20928 | Base Left Panel | 1 | |
| 17 | 20936 | 20936 | Electronic Control Module | 1 | 33 | 20942 | 20943 | Hose & Reg Assy. 10′ | 1 | |
| 18 | N/A | N/A | Electronic Control Module Mount | 1 | ||||||
Air Quality Hazard
- Do not use this heater for heating human living quarters.
- Use of direct-fired heaters in the construction environment can result in exposure to levels of CO, CO2, and NO2 considered to be hazardous to health and potentially life threatening.
- Do not use in unventilated areas.
- Know the signs of CO and CO2 poisoning.
- Headaches, stinging eyes
- Dizziness, disorientation
- Difficulty breathing, feels of being suffocated
- Proper ventilation air exchange (OSHA 29 CFR 1926.57) to support combustion and maintain acceptable air quality shall be provided in accordance with OSHA 29 CFR Part 1926.154, ANSI A10.10 Safety Requirements for Temporary and Portable Space Heating Devices and Equipment used in the Construction Industry or the Natural Gas and Propane Installation Codes CSA B149.1.
- Periodically monitor levels of CO, CO2 and NO2 existing at the construction site – at the minimum at the start of the shift and after 4 hours.
- Provide ventilation air exchange, either natural or mechanical, as required to maintain acceptable indoor air quality.
| USA 8-Hr Time weighted average (OSHA 29 CFR 1926.55 App A) | Canada 8-hr time weighted average WorkSafe BC OHS Guidelines Part 5.1 and Ontario Workplaces Reg 833 | |
| CO | 50 ppm | 25 ppm |
| CO2 | 5000 ppm | 5000 ppm |
| NO2 | 3 ppm (Reg 833) | |
| USA – Ceiling Limit (Short Term Exposure Limit = 15 minutes) | Canada STEL (15 minutes Reg 833/1 hour WSBC) WorkSafe BC OHS Guidelines Part 5.1 and Ontario Workplaces Reg 833 | |
| CO | 100 ppm | |
| CO2 | 15000 ppm (WSBC) 30000 ppm (Reg 833) | |
| NO2 | 5 ppm | 1.0 ppm (WorkSafeBC) 5.0 ppm (Reg 833) |
- Ensure that the flow of combustion and ventilation air exchange cannot become obstructed.
- As the building ‘tightens up’ during the construction phases ventilation may need to be increased.
Installation of this appliance at altitudes above 2000 ft (610 m) shall be in accordance with local codes, or in the absence of local codes, the National Fuel Gas Code, ANSI Z223.1/NFPA 54, or National Standard of Canada, Natural Gas and Propane Installation Code, CSA B149.1
READ INSTRUCTIONS CAREFULLY:
Read and follow all instructions. Place instructions in a safe place for fu-ture reference. Do not allow anyone who has not read these instructions to assemble, light, adjust or operate the heater.
WARNING:
USE ONLY MANUFACTURER’S REPLACEMENT PARTS. USE OF ANY OTHER PARTS COULD CAUSE INJURY OR DEATH. REPLACEMENT PARTS ARE ONLY AVAILABLE DIRECT FROM THE FACTORY AND MUST BE INSTALLED BY A QUALIFIED SERVICE AGENCY.
PARTS ORDERING INFORMATION:
PURCHASING: Accessories may be purchased at any CRAFTSMAN local dealer or direct from the factory FOR INFORMATION REGARDING SERVICE Please call Toll-Free 1-855-669-3027 www.craftsman.com Our office hours are 8:00 AM – 5:00 PM, EST, Monday through Friday. Please include the model number, date of purchase, and description of problem in all communication.
LIMITED WARRANTY
The company warrants this product to be free from imperfections in material or workmanship, under normal and proper use in accordance with instructions of The Company, for a period of one year from the date of delivery to the buyer. The Company, at its option, will repair or replace products returned by the buyer to the factory, transportation prepaid within said one year period and found by the Company to have imperfections in material or workmanship.
If a part is damaged or missing, call our Technical Support Department at 1-855-669-3027. Address any Warranty Claims to the Service Department, Enerco, Inc., 4560 W. 160TH ST., CLEVELAND, OHIO 44135. Include your name, address and telephone number and include details concerning the claim. Also, supply us with the purchase date and the name and address of the dealer from whom you purchased our product. The foregoing is the full extent of the responsibility of the Company. There are no other warranties, express or implied. Specifically there is no warranty of fitness for a particular purpose and there is no warranty of merchantability. In no event shall the Company be liable for delay caused by imperfections, for consequential damages, or for any charges of the expense of any nature incurred without its written consent. The cost of repair or replacement shall be the exclusive remedy for any breach of warranty. There is no warranty against infringement of the like and no implied warranty arising from course of dealing or usage of trade. This warranty will not apply to any product which has been repaired or altered outside of the factory in any respect which in our judgment affects its condition or operation. Some states do not allow the exclusion or limitation of incidental or consequential damages, so the above limitation or exclusion may not apply to you. This Warranty gives you specific legal rights, and you may have other rights which vary from state to state.




















