CRAFTSMAN CMXEHAO80FAK Kerosene/Diesel Forced-Air Heater

WARNING: IF THE INSTRUCTIONS IN THIS MANUAL ARE NOT FOLLOWED EXACTLY, A FIRE OR EXPLOSION MAY RESULT CAUSING PROPERTY DAMAGE, PERSONAL INJURY OR LOSS OF LIFE
- DO NOT STORE OR USE GASOLINE OR OTHER FLAMMABLE VAPORS AND LIQUIDS IN THE VICINITY OF THIS OR ANY OTHER APPLIANCE
- SERVICE MUST BE PERFORMED BY A QUALIFIED SERVICE AGENCY
THIS IS AN UNVENTED PORTABLE HEATER. IT USES AIR (OXYGEN) FROM THE AREA IN WHICH IT IS USED. ADEQUATE COMBUSTION AND VENTILATION AIR MUST BE PROVIDED. REFER TO PAGE 3.
Definitions: Safety Alert Symbols and Words
This instruction manual uses the following safety alert symbols and words to alert you to hazardous situations and your risk of personal injury or property damage.
DANGER: Indicates an imminently hazardous situation which, if not avoided, will result in death or serious injury.
WARNING: Indicates a potentially hazardous situation which, if not avoided, could result in death or serious injury.
CAUTION: Indicates a potentially hazardous situation which, if not avoided, may result in minor or moderate injury. (Used without word) Indictaes a safety related message.
NOTICE: Indicates a practice not related to personal injury which, if not avoided, may result in property damage.
WARNING: YOUR SAFETY IS IMPORTANT TO YOU AND TO OTHERS, SO PLEASE READ THESE INSTRUCTIONS BEFORE YOU OPERATE THIS HEATER. SAVE THESE INSTRUCTIONS FOR FUTURE REFERENCE.
GENERAL HAZARD WARNING:
FAILURE TO COMPLY WITH THE PRECAUTIONS AND INSTRUCTIONS PROVIDED WITH THIS HEATER, CAN RESULT IN DEATH, SERIOUS BODILY INJURY AND PROPERTY LOSS OR DAMAGE FROM HAZARDS OF FIRE, EXPLOSION, BURN, ASPHYXIATION, CARBON MONOXIDE POISONING, AND/OR ELECTRICAL SHOCK.
ONLY PERSONS WHO CAN UNDERSTAND AND FOLLOW THE INSTRUCTIONS SHOULD USE OR SERVICE THIS HEATER. IF YOU NEED ASSISTANCE OR HEATER INFORMATION SUCH AS AN INSTRUCTIONS MANUAL, LABELS, ETC. CONTACT THE MANUFACTURER.
WARNING:
- CARBON MONOXIDE CAN KILL YOU USING A PORTABLE HEATER IN AN ENCLOSED AREA CAN PRODUCE DEADLY CARBON MONOXIDE.
- DO NOT USE GASOLINE, NAPHTHA OR VOLATILE FUELS.
- STOP HEATER AND ALLOW TO COOL BEFORE ADDING FUELS.
- ALWAYS FILL OUTDOORS AWAY FROM OPEN FLAME.
- DO NOT USE EXTERNAL FUEL SOURCE.
- DO NOT OPERATE HEATER WHERE FLAMMABLE LIQUIDS OR VAPORS MAY BE PRESENT.
- DO NOT START HEATER WHEN CHAMBER IS HOT.
- DO NOT START HEATER WHEN EXCESS FUEL HAS ACCUMULATED IN THE CHAMBER.
- DO NOT PLACE COOKING UTENSILS ON TOP OF THE HEATER.
- PLUG ELECTRICAL CORD INTO A PROPERLY GROUNDED THREE PRONG RECEPTACLE.
- Not suitable for use on wood floors or other combustible materials. When used the heater should rest on a suitable insulating material at least 1 inch thick and extending 3 feet or more beyond the heater in all directions.
- NOT FOR HOME OR RECREATIONAL VEHICLE USE.
- FIRE, BURN, INHALATION, AND EXPLOSION HAZARD. KEEP SOLID COMBUSTIBLES,SUCH AS BUILDING MATERIALS, PAPER OR CARDBOARD, A SAFE DISTANCE AWAY FROM THE HEATER AS RECOMMENDED BY THE INSTRUCTIONS. NEVER USE THE HEATER IN SPACES WHICH DO OR MAY CONTAIN VOLATILE OR AIRBORNE COMBUSTIBLES, OR PRODUCTS SUCH AS GASOLINE, SOLVENTS, PAINT THINNER, DUST PARTICLES OR UNKNOWN CHEMICALS.
- This product can expose you to chemicals including lead and lead compounds, which are known to the State of California to cause cancer and birth defects or other reproductive harm. Wash your hands after handling this product. For more information visit www.P65Warnings.ca.gov.
SPECIFICATIONS
CAUTION: CSA certified for use with only No. 1-K kerosene fuel.
Factory Tested: Kerosene, Diesel #1 and #2, Fuel Oil #1 and #2, JP8 (Jet A Fuel)
| Model: | CMXEHAO80FAK |
| Rating | 80,000 BTU/hr (23.4 kW) |
| Fuel Rate | 0.59 gal/hr (2.2 L/hr) |
| Electrical Input | 115 V, 60 Hz, 1 Ø, 4.0 A |
| Line Protection | 10 A |
| Min Operating Voltage | 110V |
| Pressure Setting | 4.2 psig (29 kPa) |
| Maximum Outlet Temperature | 1300°F (704°C) |
| Fuel Tank Capacity | 6 gallons (22.7 L) |
| Ignition | Direct Spark, Continuous |
| Spark Generator | Igniter, 12 kV, 0.36 A |
| Primary Safety Control | Solid State Control |
| Certification |
WARNING: OPERATING PRECAUTIONS
This is a kerosene, direct-fired, forced air heater. It’s intended use is primarily temporary heating of buildings under construction, alteration or repair. Direct-Fired means that all of the combustion products enter the heated space. Even though this heater operates very close to 100 percent combustion efficiency, it still produces small amounts of carbon monoxide. Carbon monoxide (called CO) is toxic. CO can build up in a heated space and failure to provide adequate ventilation could result in death. The symptoms of inadequate ventilation are:
- headache
- dizziness
- burning eyes and nose
- nausea
- dry mouth or sore throat
Be sure to follow advice about ventilation in the Safety Precautions section. Forced Air means that a blower or fan pushes the air through the heater. Proper combustion depends upon this air flow; therefore, the heater must not be revised, modified or operated with parts removed or missing. Likewise, safety systems must not be circumvented or modified in order to operate the heater. When the heater is to be operated in the presence of other people the user is responsible for properly acquainting those present with the safety precautions and instructions, and of the hazards involved.
WARNING: SAFETY PRECAUTIONS
- Recommended for use with No.1-K kerosene fuel. Factory tested for use with No.2-K kerosene, No.1 or No.2 Diesel, No.1 or No.2 fuel oil or JP8 Jet A fuel and these fuels may be used as well. Never use gasoline, biodiesel, oil drained from crank cases, naphtha, paint thinners, alcohol or any other highly flammable fuels.
- Check the heater thoroughly for damage. DO NOT operate a damaged heater.
- DO NOT modify the heater or operate a heater which has been modified from its original condition.
- Suitable for either outdoor or indoor use where adequate ventilation is provided. Never use in areas normally for habitation. Not for use where exposed to weather.
- Use in well ventilated areas, provide at least 2 sq. ft. (0.19 sq. m.) of opening near the floor and 2 sq. ft. (0.19 sq. m.) near the ceiling directly to outdoors. Increase air openings as marked for each additional heater.
- Always keep combustibles, like paper and wood at least 8 ft. (2.4 m) from the heater outlet and 3 ft. (1.0 m) from the top, sides and inlet. Locate 10 ft. (3.0 m) from canvas or plastic coverings and secure them to prevent flapping movement.
- Caution: Due to the high surface and exhaust temperatures, adults and children must observe clearances to avoid burns or clothing ignition. Do Not Touch. Keep children, clothing, and combustible away.
- Install the heater such that it is not directly exposed to water spray, rain and/or water.
- Never use in areas normally for habitation and /or where children may be present.
- Operate only on a stable, level surface.
- Do not use with duct work. Do not restrict inlet or exit.
- Use only with electrical power specified. The electrical connection and grounding must comply with National Electrical Code – ANSI/ NFPA 70 (USA) and CSA C22.1 Canadian Electrical Code, Part 1 (Canada).
- Use only a properly grounded 3-prong receptacle or extension cord.
- Do not move, handle, or service while hot or in operation.
- Use only in accordance with local, state (provincial) or national requirements, ordinances and codes.
OPERATING INSTRUCTIONS
UNPACKING
- Remove heater from carton.
- Remove all protective material which may have been applied to the heater for shipment.
- Check the heater for possible shipping damage. If any damage is found immediately contact the manufacturer at 1-855-669-3027.
PREPARING FOR OPERATION
- Check the heater for possible shipping damage. If any is found, immediately contact the manufacturer at 1-855-669-3027.
- Follow all the “WARNINGS and Precautions” listed in this manual.
- Fill the fuel tank with clean kerosene. In extremely cold weather, condensation may develop in the tank and it is recommended that a tablespoon of de-icer be added for each gallon (3.78 Liters) of fuel in the tank. When filling the heater, use at least 2 gallons (7.57 liters) of fuel. Be sure heater is level and do not overfill. Use a funnel or can with a long fill spout.
IMPORTANT: Before filling fuel tank the first time or after extended storage periods, drain the fuel tank of any moisture or condensation. - Locate heater at a safe distance from combustible materials. Heater is not suitable for use on wood floors or other combustible materials. When used, the heater should rest on suitable insulating material at least 1 inch thick and extending 3 ft. or more beyond the heater in all directions.
HEATER START UP
- Turn thermostat to lowest setting, and make sure “On/Off” switch is “Off”. Plug the heater into a grounded 115V, 60 Hz, 1 Ø outlet. Start heater by pushing toggle switch to “On” position (light signifies switch is in “ON” position). Adjust thermostat to desired setting. Heater will cycle on/off as heat is required. EXTENSION CORD REQUIREMENTS: Up to 100’ (30.5m) use 16 AWG. conductor. 101’ – 200’ (30.5 – 61.0m) use 14 awg. conductor.
Notes:
- In cold weather (below 10° F), starting may be improved by holding a finger over the vent hole of the pump adjustment screw cap until the heater starts.
- This unit is equipped with an interrupt circuit. The reset is integrated into the “On/Off” switch. If the unit does not start, toggle the switch to “Off”, wait 5 min. and toggle the switch to “On”.
HEATER SHUT DOWN
- Push “On/Off” switch to “Off” position. For extended shutdown, unplug heater from power source.
RESTART AFTER SAFETY SHUTDOWN
Toggle switch to “OFF” position, wait 5 minutes. Restart.
MAINTENANCE AND STORAGE
WARNING: To prevent personal injury, unplug the heater from the wall outlet before servicing. For maximum efficiency and trouble-free service, make the following periodic maintenance, cleaning and inspections.
ADJUSTING PUMP PRESSURE
Due to varying fuel viscosities and normal component wear the pump pressure on this heater may need to be adjusted. Pressure Adjustment Screw (located at the rear of the heater)
ADJUSTMENT PROCEDURE:
- Fill fuel tank.
- Start heater.
- Locate the fuel pressure adjustment screw (ref. #46) in the exploded parts drawing (pg.9). The pressure adjustment screw is located at the rear of the heater, in the air filter housing cover (approx. 2” from the left side and 1” from the top).
- Using a flat bladed screw driver, turn the pump pressure adjustment screw clockwise to increase pump pressure and/or counterclockwise to decrease pump pressure. Base pump pressures can be found in the specifications chart on page 3 of the “Operating Instructions and Owner’s Manual”.
- For best results, the nose cone in the combustion chamber should be cherry red with no dark spots and the flame should not extend beyond the nose cone.
IMPROPER PRESSURE ADJUSTMENT
Problem: Heater does not have a strong consistent flame. Heater smokes and spits raw fuel. Nose cone does not get cherry red.
Adjustment: Pump pressure is too low. Turn adjustment screw clockwise to increase pump pressure.
Problem: Flame extends beyond the end of the heater. Adjustment: Pump pressure is too high. Turn adjustment screw counter clockwise to decrease pump pressure.
DAILY SCHEDULE
- GENERAL. Make general visual inspection of heater for loose or damaged parts. Check nuts and bolts to insure against looseness caused by vibration or rough handling. Damaged parts should be repaired or replaced before using heater again. Check heater operation to be sure it is operating normally (See “Servicing” section for description of normal operation).
- FILTERS. Dirty air or fuel filters will cause an imbalance in the air-fuel mixture. The best indication that this condition exists is an increase in odors or difficulty getting your heater to ignite. This heater should never be operated without the filters in place. If required, clean filters as described under “500 Hours” and “Annual” Schedules.
500 HOUR SCHEDULE
- AIR INTAKE FILTER. Remove and wash the filter element with a mild detergent, dry thoroughly and replace. Do not oil the filter element. If your heater is used where there is considerable dust or dirt, clean as often as necessary (approximately every 50 hrs.).
- REMOVE DUST. Clean heater twice a season (more often under dusty conditions). Remove accumulated dust from the transformer, burner, motor and fan blades with compressed air. Safety glasses should be worn when using compressed air. Wipe area clean with a clean dry cloth. Inspect area to ensure all foreign materials are removed, especially around the burner and combustion area.
- CAD CELL. Clean the glass portion of the cad cell with a soft dry cloth.
- NOZZLE. Accumulation of dirt from fuel and carbon from the compressor vanes will eventually fill up the passages in the nozzle, resulting in reduction of fuel and air flow. Pressure will gradually increase giving improper fuel-air mixture and excess odor and smoke. If this occurs, replace the fuel nozzle.
- FUEL TANK. Clean twice a season (during frequently used periods, clean twice a month). Drain and flush the fuel tank with clean fuel oil.
ANNUAL SCHEDULE
- AIR OUTPUT FILTER. Remove the air output filter and tap the contaminated side gently on a solid object to remove contaminates. Compressed air or liquids should not be used to clean this filter. Reinstall cleaned filter in filter body in the same position as it was when removed. If the filter appears extremely dirty, replace it with a new filter of the same type. When replacing the filter cover, be sure the gasket is firmly in place and the screws in the filter cover are tight to prevent air leaks.
- FUEL FILTER. Remove the fuel filter from fuel line and direct compressed air through the filter in the opposite direction of fuel flow. Safety glasses should be worn when using compressed air.
- AIR AND FUEL LINES. If the air or fuel lines are removed during cleaning, be sure all connections are tight before operating unit.
STORAGE
Store the heater in a dry location free from fumes or dust. At the end of each heating season, clean the heater as described in the MAINTENANCE section. Drain and flush the fuel tank with clean fuel. The manufacturer recommends completely filling the tank with fuel for extended storage to minimize condensation inside the tank.
SERVICING
WARNING: A hazardous condition may result if a heater is used that has been modified or is not functioning properly.
When the heater is working normally:
- The flame is contained within the heater.
- The flame is essentially yellow.
- There is no strong disagreeable odor, eye burning or another physical discomfort.
- There is no smoke or soot internal or external to the heater.
- There are no unplanned or unexplained shutdowns of the heater.
DIAGNOSTIC SAFETY SHUTDOWN AND TROUBLE SHOOTING
See the following troubleshooting guide for unit status and corrective action if necessary.
| SYMPTOM | TROUBLE SHOOTING |
| High limit switch Open Circuit | 1. Make sure heater is cooled off, toggle switch to “OFF” position, wait 5 minutes and retry. |
| Sparks, calling for flame, but no or slow motor operation | 1. Check wiring to motor (per wiring schematic in manual). 2. Make sure that the pressure gauge is in place and not damaged. 3. Adjust pressure for proper heater operation per manual. 4. With heater disconnected from AC source, rotate fan clockwise to verify motor is free. 5. Remove air filter housing from motor and inspect the pump rotor for damage. If damaged, replace rotor assembly. 6. If wiring is correct, pump rotor is okay, and motor is not rotating freely, replace motor or power-pack assembly. 7. If problem persists, replace oil flame control assembly. 8. Check for spark arching from the electrode assembly, to the combustion cylinder. 9. Check the cad cell for continuity. |
| No Spark | 1. Check length and gauge of extension cord for proper amp. draw. (Check requirements on page 3.) 2. Check wiring to igniter (per wiring schematic in manual). 3. Check gap between electrode probes (2.3 – 3 mm). 4. Still no spark, replace igniter assembly. 5. Replace oil flame control assembly. |
| Abnormal Motor Operation- Motor oveheats or stops | 1. Motor speed too low (Motor should operate at 3450rpm) – Replace motor. 2. With heater disconnected from AC source, rotate fan clockwise to verify motor is free. 3. Remove air filter housing from motor and inspect the pump rotor for damage. If damaged, replace rotor assembly. 4. If wiring is correct, pump rotor is okay, and motor is not rotating freely, replace motor or power-pack assembly. 5. Replace oil flame control assembly. |
| Unable to Detect Flame | 1. Check wiring to cad cell (per wiring schematic in manual). 2. Clean cad cell photo cell. •Slide cad cell out of cad cell holder. •Push the photo cell out of the black rubber cad cell housing by pushing on the 2 purple wires. •Clean the photo cell with a soft cloth and rubbing alcohol. •Pull the photo cell back into the cad cell housing and reinstall into holder. •Test heater. 3. If the heater still does not operate, replace cad cell. 4. Replace oil flame control assembly. |
| Flame Control Failure | 1. Check wiring in heater (per wiring schematic in manual). 2. Replace oil flame control assembly. |
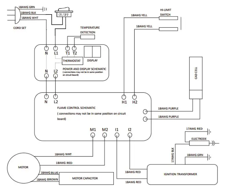
WIRING DIAGRAM
WARNING: The parts lists and wiring diagram show the heater as it was constructed. Do not use a heater which is different from that shown. Heater performance is effected by air pressure setting. If there is any uncertainty about the air pressure setting, have it checked.
A heater which is not working right must be repaired, but only by a trained, experienced service person.
PARTS LIST
| REF # | PART NUMBER | DESCRIPTION | QTY | REF # | PART NUMBER | DESCRIPTION | QTY | |
| 1 | 27175 | 80K Fuel Tank | 1 | 33 | 27195 | Start Capacitor | 1 | |
| 2 | 27176 | Fuel Filter Rubber Grommet | 1 | 34 | n/a | Aluminum Outlet Housing (see # 67) | 1 | |
| 3 | 27177 | Fuel Gauge | 1 | 35 | n/a | Pump Ring (see # 67) | 1 | |
| 4 | 26959 | Fuel Cap | 1 | 36 | n/a | Sichuan Rotor (see # 67 or 68) | 1 | |
| 5 | 26910 | Fuel Cap Gasket | 1 | 37 | n/a | Plastic Pump Drive Key (see # 67 or 68) | 1 | |
| 6 | n/a | Front and Back Saddles | 1 | 38 | n/a | Vanes (see # 67 or 68) | 4 | |
| 7 | 27178 | 80K Lower Barrel | 1 | 39 | 27196 | Plastic Inlet Housing | 1 | |
| 8 | 27179 | Rubber Grommets | 6 | 40 | n/a | Inlet housing Gasket (see # 70) | 1 | |
| 9 | n/a | Air Deflector Fin (see # 50) | 2 | 41 | n/a | Cloth Dust Filter (see # 70) | 1 | |
| 10 | 27180 | High Limit Switch Bracket | 1 | 43 | 27197 | Small foam filter | 1 | |
| 11 | 27181 | 115 High Limit Switch | 1 | 44 | n/a | Steel Ball bearing (see # 69) | 1 | |
| 12 | F226865 | CAD Cell Flame Sensor | 1 | 45 | n/a | Pressure adjustment spring (see # 69) | 1 | |
| 13 | n/a | Photo Cell (see # 12) | 1 | 46 | n/a | Nylon pump adjusment screw (see # 69) | 1 | |
| 14 | 27182 | Igniter Electrode | 1 | 47 | n/a | Nylon plug (see # 69) | 1 | |
| 15 | 27183 | Nozzle adapter | 1 | 48 | n/a | Foam Filter (see # 70) | 1 | |
| 16 | 27184 | Rubber Fuel Tube | 1 | 49 | n/a | 80K Combustion Tube (see # 50) | 1 | |
| 17 | 27185 | Rubber Air Tube | 1 | 50 | 27198 | Combustion Chamber Assembly | 1 | |
| 18 | n/a | Fuel Line Clamp (source at your local hardware store) | 1 | 51 | 27199 | Circuit Board | 1 | |
| 19 | 27186 | 80K Nozzle | 1 | 52 | 27200 | Single Pole Power Switch | 1 | |
| 20 | 27187 | 80K Front Cover | 1 | 53 | 27279 | Thermostat Knob | 1 | |
| 21 | 27188 | 80K Red Craftsman Cover | 1 | 59 | 27202 | Photo Cell Bracket | 1 | |
| 22 | 27189 | 80K Inlet Grill | 1 | 60 | n/a | Brass Barb Elbow (see # 67) | 1 | |
| 23 | n/a | Strain Relief | 1 | 62 | 27203 | Circuit Board Mounting Bracket | 1 | |
| 24 | n/a | Power Cord | 1 | 63 | n/a | Rear Guard Metal Clip | 2 | |
| 25 | 27277 | 80K Control Side Black Saddle | 1 | 64 | 27280 | Pantek Thermostat Board | 1 | |
| 26 | 27191 | Ignition Transformer | 1 | 65 | n/a | Steel Saddle Retention Clip | 4 | |
| 27 | 27278 | 80K Black Saddle | 1 | 66 | n/a | Saddle Mounting Stud | 2 | |
| 28 | n/a | Fuel Filter (see # 70) | 1 | 67 | 27205 | Power Pack Assembly | 1 | |
| 29 | 27925 | OBE Handle | 1 | 68 | F226831 | Rotor Kit (rotor, vanes, nylon insert) | 1 | |
| 30 | n/a | 80K FAK Motor (see # 67) | 1 | 69 | F266842 | Pump Adjustment Kit | 1 | |
| 31 | 27193 | 80K Motor Bracket | 1 | 70 | F221887 | Filter Service Kit | 1 | |
| 32 | 27194 | 80K Fan Blade | 1 | |||||
OPERATING INSTRUCTIONS AND OWNER’S MANUAL
READ INSTRUCTIONS CAREFULLY: Read and follow all instructions. Place instructions in a safe place for future reference. Do not allow anyone who has not read these instructions to assemble, light, adjust or operate the heater.
WARNING: USE ONLY MANUFACTURER’S REPLACEMENT PARTS. USE OF ANY OTHER PARTS COULD CAUSE INJURY OR DEATH. REPLACEMENT PARTS ARE ONLY AVAILABLE DIRECT FROM THE FACTORY AND MUST BE INSTALLED BY A QUALIFIED SERVICE AGENCY.
PARTS ORDERING INFORMATION:
PURCHASING: Accessories may be purchased at any CRAFTSMAN local dealer or direct from the factory
FOR INFORMATION REGARDING SERVICE
Please call Toll-Free 1-855-669-3027
• www.craftsman.com
Our office hours are 8:00 AM – 5:00 PM, EST, Monday through Friday.
Please include the model number, date of purchase, and description of problem in all communication.
LIMITED WARRANTY
CRAFTSMAN, Inc. warrants its heaters and accessories to be free from defects in material and workmanship for a period of 2 years from date of purchase. CRAFTSMAN, Inc. will repair or replace this product free of charge if it has been proven to be defective within the 2-year period, and is returned at customer expense with proof of purchase to CRAFTSMAN, Inc. within the warranty period. CRAFTSMAN, Inc. warrants the motor to be free from defects in material and workmanship for a period of 5 years from date of purchase. CRAFTSMAN, Inc. will repair or replace the motor free o charge if it has been proven to be defective within the 5-year period, and is returned at customer expense with proof of purchase to CRAFTSMAN, Inc. within the warranty period.
CRAFTSMAN, Inc. reserves the right to make changes at any time, without notice or obligation, in colors, specifications, accessories, materials and models.
CRAFTSMAN® is a registered trademark of Stanley Black & Decker, Inc., used under license.
© 2021 CRAFTSMAN
Product Manufactured by:
Enerco Group, INC.,
4560 W. 160TH ST., CLEVELAND, OHIO 44135
• 1-855-669-3027
U.S. & Canada Only





















