DEWALT DXH70CFAVH 68000 BTU Cordless Forced Air Propane Heater
Introduction
The DCB107, DCB115 battery charger (Fig. 1) is designed to charge DeWALT 12–20V Max* lithium ion battery packs. This charger requires no adjustment and is designed to be as easy as possible to operate. Simply place your battery pack into a receptacle of a plugged in charger and it will automatically charge the pack. Consult the chart at the end of this manual for compatibility of chargers and battery packs.
PACKS
When ordering replacement battery packs, be sure to include the catalog number and voltage. Consult the chart at the end of this manual for compatibility of chargers and battery packs. The battery pack is not fully charged out of the carton. Before using the battery pack and charger, read the safety instructions below and then follow charging procedures outlined.
Definitions: Safety Guidelines
- The definitions below describe the level of severity for each signal word. Please read the manual and pay attention to these symbols.
- Indicates an imminently hazardous situation which, if not avoided, will result in death or serious injury.
- Indicates a potentially hazardous situation which, if not avoided, could result in death or serious injury.
- Indicates a potentially hazardous situation which, if not avoided, may result in minor or moderate injury.
- Indicates a practice not related to personal injury which, if not avoided, may result in property damage..
NEVER LEAVE THE HEATER UNATTENDED WHILE BURNING!
We are pleased that you have selected our product and take this opportunity to assure you that qualified service facilities are available if required. With the cooperation of independent dealers, a nationwide network of authorized servicing dealers is available for your servicing requirements. Should your product require servicing, read the section of the manual entitled “Servicing”.Who gets the warranty? The warranty is limited to the consumer who originally purchases the product. What is covered? This limited warranty covers all imperfections in workmanship and material. What is not covered? This limited warranty does not cover damage resulting from accident, misuse or abuse, lack of proper maintenance, affixing of any attachments not provided with the products, or loss of parts. IN NO EVENT SHALL DeWalt® BE LIABLE FOR ANY SPECIAL, INCIDENTAL OR CONSEQUENTIAL DAMAGES NOR FOR ANY DAMAGES RESULTING FROM MISUSE OR MODIFICATION OF THIS PRODUCT.
Specifications
| MODEL: | DXH70CFAV |
| BURN RATE: | 27,000-68,000 BTU/hr |
| SUPPLY PRESSURE TO REGULATOR: | MAX: 200 psi (1380 Kpa) MIN. 20 psi (137.9 kPA) |
| REGULATOR PRESSURE: | 20 psi WC 137.9 (kPa) |
| MANIFOLD PRESSURE: | 20 psi WC 137.9 (kPa) |
| FUEL RATE: | 3.24#/hr (1.47 kg/hr) |
| FUEL ORIFICE PORT SIZE: | 0.94mm |
| FAN RATING: | 135 cfm |
| ELECTRICAL INPUT: | 20 Vdc / .6A or 120V AC |
| IGNITION: | Auto Spark/ Manual Gas Valve |
| PRIMARY FLAME CONTROL: | Thermocouple Operated Gas Valve |
| HIGH TEMPERATURE CONTROL: | 221°F (105°C) |
| Approved Battery Packs | |||
| 20V MAX* | FLEXVOLT® | ||
| Size | Run Time** | Size | Run Time** |
| 1.3Ah | 2 hours | 6.0Ah | 10 hours |
| 1.5Ah | 2.5 hours | 9.0Ah | 15 hours |
| 2.0Ah | 3.2 hours | All run times are approximate. Actual run times may vary. State of charge, battery temperature and battery age will all affect actual runtime * Maximum initial battery voltage (measured without a workload) is 20 volts. Nominal voltage is 18. **Calculation assuming 73°F (23°C) ambient temp battery pack | |
| 3.0Ah | 5 hours | ||
| 4.0Ah | 6.5 hours | ||
| 5.0Ah | 8.3 hours | ||
| 6.0Ah | 10 hours | ||
OPERATING PRECAUTIONS
This is a propane, direct-fired, forced air heater. It’s intended use is primarily temporary heating of buildings under construction, alteration or repair. Propane is heavier than air. If propane leaks from a connection or fitting, it sinks to the floor, collecting there with the surrounding air, forming a potentially explosive mixture. Read enclosed Odor Fade and Propane Sheet for additional information about detecting propane leaks. Leak check new connections or reconnection’s with a soap and water solution. Direct-Fired means that all of the combustion products enter the heated space. Even though this heater operates very close to 100 percent combustion efficiency, it still produces small amounts of carbon monoxide. Carbon monoxide (called CO) is toxic. CO can build up in a heated space and failure to provide adequate ventilation could result in death. The symptoms of inadequate ventilation are:
- Headache
- Dizziness
- Burning eyes and nose
- Nausea
- Dry mouth or sore throat
Be sure to follow advice about ventilation in these operating instructions. Forced Air means that a blower or fan pushes the air through the heater. Proper combustion depends upon this air flow; therefore, the heater must not be revised, modified or operated with parts removed or missing. Likewise, safety systems must not be circumvented or modified in order to operate the heater. When the heater is to be operated in the presence of other people the user is responsible for properly acquainting those present with the safety precautions and instructions, and of the hazards involved.
ODOR FADE WARNING
Asphyxiation Hazard
- Do not use this heater for heating human living quarters.
- Do not use in unventilated areas.
- The flow of combustion and air must not be obstructed.
- Proper ventilation air must be provided to support the combustion air requirements of the heater being used.
- Refer to the specification section of the heater’s manual, heater data plate, or contact the factory to determine combustion air ventilation requirements of the heater.
- Lack of proper ventilation air will lead to improper combustion.
- Improper combustion can lead to carbon monoxide poisoning leading to serious injury or death. Symptoms of carbon monoxide poisoning can include headaches dizziness and difficulty in breathing.
ATTENTION-CRITICAL POINTS TO REMEMBER
- Propane (LP) gas has a distinctive odor. Learn to recognize these odors.
- (Reference Fuel Gas Odor and Odor Fading sections above).
- Even If you are not properly trained in the service and repair of the heater,
- ALWAYS be consciously aware of the odors of propane (LP) gas and natural gas.
- If you have not been properly trained in repair and service of propane (LP) gas then do not attempt to light heater, perform service or repairs, or make any adjustments to the heater on the propane (LP) gas fuel system.
- A periodic sniff test around the heater or at the heater’s joints; i.e. hose, connections, etc., is a good safety practice under any conditions. If you smell even a small amount of gas.
PREPARING FOR OPERATION
- Check the heater for possible shipping damage. If any is found, immediately notify the factory.
- Charge (Refer to Battery Charging Procedure Section) and insert battery in the front of the heater or connect heater to 120 VAC on the back of heater using an extension cord.
- Follow all WARNINGS and Precautions found in this manual.
- Connect the POL fitting of hose and regulator assembly to the propane cylinder by rotating the POL nut counterclockwise into the propane cylinder’s valve outlet and securely tighten with a wrench.
- Connect the hose to the heater by rotating the hose fitting clockwise.
- Securely tighten all gas connections.
- Slowly open the cylinder’s gas valve and check all gas connections with a soap and water solution, looking for bubbles that would indicate a gas leak. Note: if tank valve is not opened slowly, the excess flow check valve on the propane tank may stop gas flow. DO NOT
USE A FLAME
- Close propane cylinder gas valve
START
- The DXH70CFAV heater is equipped with a blower fan switch, located on the control panel of the heater.
- Open propane supply valve on propane tank slowly. Note: If not opened slowly, excess-flow check valve on propane tank will stop gas flow. If this happens, close propane supply valve and open again slowly. Wait 15 seconds before Step 3.
- After the blower fan has been started, SLOWLY depress the black gas/ igniter valve button located on the control panel to ignite the heater.
STOP
- Press the on/off switch to turn off the heater.
- Turn off the gas supply at the cylinder when heater is not in use.
MAINTENANCE AND STORAGE
- The heater should be inspected before each use, and at least annually by a qualified person.
- Before each use, check the soft “O” ring seat at the bull-nose of the POL fitting. If the “O” ring is cut, scuffed, or otherwise damaged, replace it with part number F273786.
- Turn off the gas at the LP-gas supply cylinder(s) when the heater is not in use.
- When the heater is to be stored indoors, the connection between the LP-gas supply cylinder(s) and the heater must be disconnected and the cylinder(s) removed from the heater and stored out of doors and in accordance with Chapter 5 of the standard for Storage and Handling of Liquefied Petroleum Gases ANSI/NFPA 58 and CSA B149.1, Natural Gas and Propane Installation Code.
SERVICING.
The parts lists and exploded view show the heater as it was constructed. Do not use a heater which is different from that shown. In this regard, use only the hose, regulator and cylinder connection fitting (called a POL fitting) supplied with the heater. IMPORTANT Match the color stripe on the hang tag attached to the hose assembly with the color on the label located near the propane inlet fitting on the heater. Do not use alternates. If there is any uncertainty about the regulator, have it checked or replaced with the one noted in the parts list in this manual. A heater which is not working right must be repaired, but only by a trained, experienced service person. In-warranty products will be repaired with no charge for either parts or labor. Please include a brief statement indicating date, place of purchase, the nature of the problem and proof of purchase. Out-of-warranty products will be repaired with a charge for parts, labor and shipping. When service or repair is required, it is recommended that you take your heater to an authorized service Center.
SIZE AND CAPACITY OF PROPANE CYLINDERS REQUIRED
The following table shows the approximate run times of the various cylinder sizes suitable for use with these heaters. All heaters should have: Full cylinders, good air circulation and no frost on cylinders. Actual run times will vary depending on temperatures and variations in the tanks, the run times you experience may be longer or shorter. Run times stated below are for the estimation of consumption and run time capabilities from the LP supply tank. Heater operation times will depend on the DEWalt battery being used. For more information contact customer support at the number listed in this manual.
| Run time (High and Low) | |||
| BTU/HR | 20lb (9kg) | 40lb (18kg) | 100lb (45kg) |
| 68,000 | 6.17 Hours | 12.34 Hours | 30.84 Hours |
| 27,000 | 14.39 Hours | 28.79 Hours | 71.97 Hours |
| BTU PER HOUR REQUIRED | ||||
| Cubic feet of space to be heated | Temperature Rise Required | |||
| 20 | 30 | 40 | 50 | |
| 5,000 | 14,000 | 20,000 | 27,999 | 34,000 |
| 7,000 | 19,000 | 28,000 | 38,000 | 47,000 |
| 10,000 | 27,000 | 40,000 | 54,000 | 67,000 |
| 15,000 | 40,000 | 60,000 | 80,000 | 100,000 |
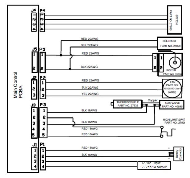
Wiring Diagram DXH70CFAV
ELECTRICAL PRECAUTIONS
DOUBLE INSULATION Double-insulated products do not need to be grounded. Three-wire grounded power cord is not required for safe operation. All exposed metal parts are isolated from the internal metal motor and chassis
ELECTRICAL CONNECTION This product should be connected to a power supply that is 120 volts, AC only (normal household current), 60 Hz. Do not operate this product on direct current (DC) through the power cord. A substantial voltage drop will cause a loss of power and the motor will overheat. If the product does not operate when plugged into an outlet, double-check the power supply.
EXTENSION CORDS When using a product at a considerable distance from a power source, be sure to use an extension cord that has the capacity to handle the current the product will draw. An undersized cord will cause a drop in line voltage, resulting in overheating and loss of power. Use the chart to determine the minimum wire size required in an extension cord. Only round jacketed cords listed by Underwriter’s Laboratories (UL) should be used
| Amperes (A) | 0-2.0 | 2.1-3.4 | 3.5-5.0 | 5.1-7.0 | 7.1-12.0 | 12.1-16.0 |
| Cord Length | Size Wire: American Wire Gauge (AWG) | |||||
| 25 ft | 16 | 16 | 16 | 16 | 14 | 14 |
| 50 ft | 16 | 16 | 16 | 14 | 14 | 12 |
| 100 ft | 16 | 16 | 14 | 12 | 10 | — |
WARNING
- DO NOT attempt to charge the battery pack with any chargers other than the ones in this manual.
- The charger and battery pack are specifically designed to work together.
- These chargers are not intended for any uses other than charging DeWALT rechargeable batteries.
- Any other uses may result in risk of fire, electric shock or electrocution.
- Do not expose the charger to rain or snow.
- Pull by the plug rather than the cord when disconnecting the charger.
- This will reduce the risk of damage to the electric plug and cord.
- Make sure that the cord is located so that it will not be stepped on, tripped over or otherwise subjected to damage or stress.
- Do not use an extension cord unless it is absolutely necessary. Use of improper extension cord could result in risk of fire, electric shock or electrocution
- When operating a charger outdoors, always provide a dry location and use an extension cord suitable for outdoor use.
- Use of a cord suitable for outdoor use reduces the risk of electric shock.
- An extension cord must have adequate wire size (AWG or American Wire Gauge) for safety.
- The smaller the gauge number of the wire, the greater the capacity of the cable, that is,16 gauge has more capacity than 18 gauge.
- An undersized cord will cause a drop in line voltage resulting in loss of power and overheating.
- When using more than one extension to make up the total length, be sure each individual extension contains at least the minimum wire size.
- The following table shows the correct size to use depending on cord length and nameplate ampere rating. If in doubt, use the next heavier gauge.
- The lower the gauge number, the heavier the cord.
- Do not place any object on top of the charger or place the charger on a soft surface that might block the ventilation slots and result in excessive internal heat.
- Place the charger in a position away from any heat source. The charger is ventilated through slots in the top and the bottom of the housing.
- Do not operate the charger with a damaged cord or plug.
- Do not operate the charger if it has received a sharp blow, been dropped or otherwise damaged in any way. Take it to an authorized service center.
- Do not disassemble the charger; take it to an authorized service center when service or repair is required.
- Incorrect reassembly may result in a risk of electric shock, electrocution or fire.
- Disconnect the charger from the outlet before attempting any cleaning.
- This will reduce the risk of electric shock. Removing the battery pack will not reduce this risk.
- NEVER attempt to connect 2 chargers together.
- The charger is designed to operate on standard 120V household electrical power. Do not attempt to use it on any other voltage.
- This does not apply to the vehicular charger.
The RBRC® Seal
The RBRC® (Rechargeable Battery Recycling Corporation) Seal on the nickel cadmium, nickel metal hydride or lithium-ion batteries (or battery packs) indicates that the costs to recycle these batteries (or battery packs) at the end of their useful life have already been paid by DeWALT. In some areas, it is illegal to place spent nickel cadmium, nickel metal hydride or lithium-ion batteries in the trash or municipal solid waste stream and the Call 2 Recycle® program provides an environmentally conscious alternative. Call 2 Recycle, Inc., in cooperation with DeWALT and other battery users, has established the program in the United States and Canada to facilitate the collection of spent nickel cadmium, nickel metal hydride or lithium-ion batteries. Help protect our environment and conserve natural resources by returning the spent nickel cadmium, nickel metal hydride or lithium-ion batteries to an authorized DeWALT service center or to your local retailer for recycling. You may also contact your local recycling center for information on where to drop off the spent battery. RBRC® is a registered trademark of Call 2 Recycle, Inc.
Charger
Be sure to read all safety instructions before using your charger. Consult the chart at the end of this manual for compatibility of chargers and battery packs.
Charging a Battery
- Plug the charger into an FIG. 1 appropriate outlet before inserting battery pack.
- Insert the battery pack into the charger, making sure the battery pack is fully seated in the charger. The red (charging) light will blink continuously indicating that the charging process has started.
- The completion of charge will be indicated by the red light remaining ON continuously. The battery pack is fully charged and may be used at this time or left in the charger.

Charger Operation
LITHIUM-ION BATTERY PACKS ONLY
Li-Ion tools are designed with an Electronic Protection System that will protect the battery pack against overloading, overheating or deep discharge. The tool will automatically turn off if the Electronic Protection System engages. If this occurs, place the lithium-ion battery pack on the charger until it is fully charged.
Repairs
The charger and battery pack are not serviceable. There are no serviceable parts inside the charger or battery pack.
READ ALL OF THE INSTRUCTIONS IN THE BATTERY CHARGER SECTION OF THIS MANUAL BEFORE ATTEMPTING TO CHARGE THE
BATTERY PACK FOR YOUR TOOL.
If you have any questions, call 1-800-4-DeWALT (1-800-433-9258).
Register Online
Thank you for your purchase. Register your product now for:
- WARRANTY SERVICE: Registering your product will help you obtain more efficient warranty service in case there is a problem with your product.
- CONFIRMATION OF OWNERSHIP: In case of an insurance loss, such as fire, flood or theft, your registration of ownership will serve as your proof of purchase.
- FOR YOUR SAFETY: Registering your product will allow us to contact you in the unlikely event a safety notification is required under the Federal Consumer Safety Act.
- Register Online at www.dewalt.com/register
Battery and Charger Three Year Limited Warranty
DeWALT will repair, without charge, any defects due to faulty materials or workmanship for three years from the date of purchase. This warranty does not cover part failure due to normal wear or tool abuse. For further detail of warranty coverage and warranty repair information, visit www.dewalt.com or call 1-800-4-DeWALT (1-800-433-9258). This warranty does not apply to accessories or damage caused where repairs have been made or attempted by others. This warranty gives you specific legal rights and you may have other rights which vary in certain states or provinces. In addition to the warranty, DeWALT tools are covered by our:
1 YEAR FREE SERVICE DeWALT will maintain the tool and replace worn parts caused by normal use, for free, any time during the first year after purchase.
2 YEARS FREE SERVICE ON DeWALT BATTERY PACKS DC9071, DC9091, DC9096, DC9182, DC9280, DC9360, DCB120, DCB127, DCB201, DCB203, DCB203BT, DCB207, DCB361
3 YEARS FREE SERVICE ON DeWALT BATTERY PACKS DCB200, DCB204, DCB204BT, DCB205, DCB606 DeWALT BATTERY PACKS
LATIN AMERICA: This warranty does not apply to products sold in Latin America. For products sold in Latin America, see country specific warranty information contained in the packaging, call the local company or see website for warranty information.
FREE WARNING LABEL REPLACEMENT: If your warning labels become illegible or are missing, call 1-800-4-DeWALT (1-800-433-9258) for a free replacement.
PRODUCT FEATURES
| # | Description | Part # | # | Description | Part # | English | |
| 1 | Rear Plastic Guard | 40664 | 18 | Rate control knob | 27018 | ||
| 2 | Fan Assembly | 40684 | 19 | Lower Barrel Assembly | 40662 | ||
| 3 | Steel Restraint Plate | 40663 | 20 | Upper Base | 27019 | ||
| 4 | Valve Bracket | 28805 | 21 | On/Off Switch W/LED | 27017 | ||
| 5 | Thermocouple Assembly | 27016 | 22 | Retainer clip | 40691 | ||
| 6 | Burner Mesh Assembly | 40685 | 23 | Battery Connector | 40692 | ||
| 7 | Upper Barrel Assembly | 40661 | 24 | Ignition Board | 28809 | ||
| 8 | Handle | 40801 | 25 | Control Board | 40693 | ||
| 9 | Radiation Shield | 40686 | 26 | Lower Base | 27020 | ||
| 10 | Flame Holder | 40687 | 27 | Fuel Inlet Fitting | 40694 | ||
| 11 | High Limit Switch | 40688 | 28 | Main Gas Valve | 40695 | ||
| 12 | Ignition Electrode | 40660 | 29 | Valve Transition Adapter | 40696 | ||
| 13 | Fuel Tube Assembly | 40689 | 30 | Variable Valve | 27457 | ||
| 14 | Burner Orifice | 40690 | 31 | Wind Cover | 40697 | ||
| 15 | Orifice Holder | 27450 | 32 | L Bracket | 40698 | ||
| 16 | Valve button | 40667 | † | Hose and Regulator assembly | 21667-15 | ||
| 17 | Lockout Solenoid | 27021 | † | Power Adapter | 40699 | ||
Air Quality Hazard
- Do not use this heater for heating human living quarters.
- Use of direct-fired heaters in the construction environment can result in exposure to levels of CO, CO2, and NO2 considered to be hazardous to health and potentially life threatening.
- Do not use in unventilated areas.
- Know the signs of CO and CO2 poisoning.
- Headaches, stinging eyes
- Dizziness, disorientation
- Difficulty breathing, feels of being suffocated
- Proper ventilation air exchange (OSHA 29 CFR 1926.57) to support combustion and maintain acceptable air quality shall be provided in accordance with OSHA 29 CFR Part 1926.154, ANSI A10.10 Safety Requirements for Temporary and Portable Space Heating Devices and Equipment used in the Construction Industry or the Natural s and Propane Installation Codes CSA B149.1.
- Periodically monitor levels of CO, CO2 and NO2 existing at the construction site – at the minimum at the start of the shift and after 4 hours.
- Provide ventilation air exchange, either natural or mechanical, as required to maintain acceptable indoor air quality.
| USA 8-Hr Time weighted average (OSHA 29 CFR 1926.55 App A) | Canada 8-hr time weighted average WorkSafe BC OHS Guidelines Part 5.1 and Ontario Workplaces Reg 833 | |
| CO | 50 ppm | 25 ppm |
| CO2 | 5000 ppm | 5000 ppm |
| NO2 | 3 ppm (Reg 833) | |
| USA – Ceiling Limit (Short Term Exposure Limit = 15 minutes) | Canada STEL (15 minutes Reg 833/1 hour WSBC) WorkSafe BC OHS Guidelines Part 5.1 and Ontario Workplaces Reg 833 | |
| CO | 100 ppm | |
| CO2 | 15000 ppm (WSBC) 30000 ppm (Reg 833) | |
| NO2 | 5 ppm | 1.0 ppm (WorkSafeBC) 5.0 ppm (Reg 833) |
FOR INFORMATION REGARDING SERVICE:
Please call Toll-Free 855-805-5745 www.DEWALT.com Our office hours are 8:00 AM – 5:00 PM, EST, Monday through Friday. Please include the model number, date of purchase, and description of problem in all communication.
LIMITED WARRANTY
The manufacturer warrants its heaters and accessories to be free from defects in material and workmanship for a period of 2 year from date of purchase. The manufacturer will repair or replace this product free of charge if it has been prove to be defective within the 2 year period, and is returned at customer expense with proof of purchase to manufacturer within the warranty period.
























