SmartGen HWP60A Forced Circulation Heater

OVERVIEW
HWP60A forced circulation engine water heater is composed of 3 parts (control section, water pump and water heater).
If the outside temperature is lower than 4℃, engine coolant and lubricant may condense into solid state and lose their lubricating and cooling properties during cranking, which can damage the engine. Thus engine heater should be installed to ensure normal starting and running of the engine when the outside temperature is lower than 4℃.
HWP60A forced circulation engine water heater combines the following features: cast stainless steel inner pipes and end closure with high corrosion resistance; heating and overheat light indicators; user-defined thermostat set point; dry heating and overheat protection. This product is suitable for various engine with (25~50) L displacement. Please login our company’s official website (www.smartgen.com.cn) to select heaters.
PERFORMANCE AND CHARACTERISTICS
- The circulating water pump adopts special customized pump with stainless steel pump head;
- Microprocessor design of control section and PT100 temperature sampling. Coolant temperature can be set via the control panel. Four digital LED display, current coolant temperature and all kinds of set point temperature can be displayed clearly;
- Dry heating and overheat protection due to the inner overheating temperature detect switch;
- Separately control of water pump and water heater: power on the water pump and water heater synchronously, once the set temperature has reached, water heater will be powered off firstly, after 60s, following is water pump. The goal is to prevent heat concentration and significantly prolong water pump lifetime;
- Manually test the water heater and water pump are normal or not via panel button;
- Fine cast aluminum enclosure;
- Stainless steel inner pipes and sealed end closure;
- There is a water drain valve with seal ring on the bottom of the heater so as to be used when needed;
- There is one-way inlet valve on the water inlet;
- This product can work normally at -40℃ temperature.
SPECIFICATION
Table 2 – Parameters Specification
| Item | HWP60A |
| Rated Power | 6000W |
| Rated Voltage | AC 420V |
| Rated Current | 8.3A |
| Phase | Three phase |
| Engine Displacement | (25~50) L |
| Thermostat Range | Off: (5~99)ºC On: (0~94)ºC |
| Default Thermostat Range | Off: (40±2)ºC On: (25±2)ºC |
| Overheating Thermostat Range | Off: (95±3)ºC On: (80±6)ºC |
| Insulating Resistance | ≥50MΩ |
| Electrical Strength | AC 1.5kV 1min |
| Inlet/Outlet Size | 3/4”(Ф19.5mm) |
| Max. Water Pressure | 0.5MPa |
| Pump Flow Velocity | 40L/min (1.5m of lift) |
| Protection Level | IP44 |
| Vibration Resistance | (5~8)Hz Amplitude±7.5mm Triaxial (8~500)Hz a=2g Triaxial |
| Shock Resistance | Half-sine Wave; apeak=50g; Triaxial |
| Working Conditions | -40 ºC~+70 ºC |
| Storage Conditions | -40 ºC~+80 ºC |
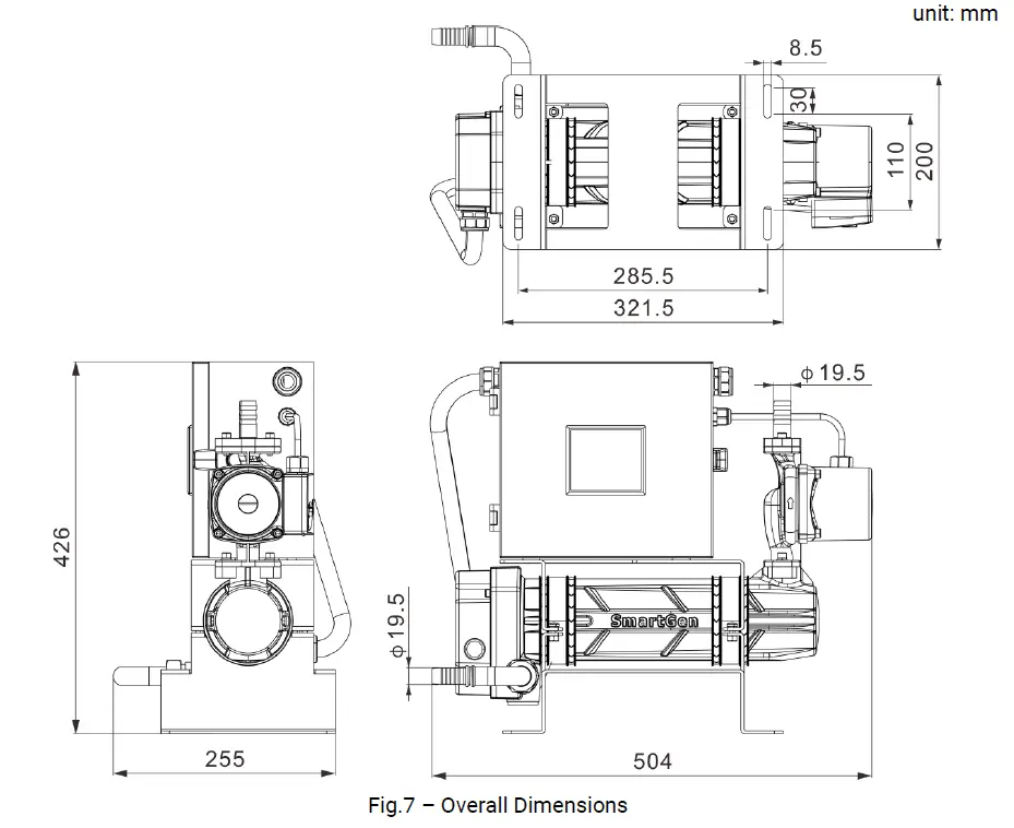
| Case Dimensions | 504 mm×255 mm×426 mm |
| Weight | 15kg |
HEATER INSTALLATION
Please install the heater vertically according to the diagram before use. Pay attention to the direction of heater inlet and outlet, and ensure that the heater position is below the lowest water lever of the engine and that all the air is exhausted out of the heater and it is topped off with coolant.


OPERATING INSTRUCTIONS
PANEL AND BUTTON
Table 3 – Panel Display and Buttons
| Button | Definition | Description |
| Test | Pressing this button to test-run the machine. | |
| Lamp Test | All indicators will be illuminated when the button is pressed. | |
![]() | Set | Pressing this button to set the temperature value. |
| Turn Page | Pressing this button to scroll pages of the LED Nixie Tube and adjust the value. |
DISPLAY DESCRIPTION
The heater is heating on when the “Heating” indicator is illuminated while the Thermostat is open and the heater stops heating when the “Overheat” indicator is flashing.
PANEL DESCRIPTION

OPERATION DESCRIPTION
![]()
![]()
![]()
![]()
- Turn Page(
)
Using this button you can scroll pages of the LED Nixie Tube and adjust the value. - Test(
)
If the water temperature has exceeded the preset “ON” temperature, pressing this button will test-run the heater, after 3s, it turns into Auto mode automatically. - Lamp Test(
)
All indicators will be illuminated when the button is pressed. - Set(
)
Pressing this button will enter into setting interface, as shown: (Letter “H” meansthat it is the preset “OFF” temperature, here we take 40℃ as example),the first digital is flashing and you can adjust it by pressing
button. Then press
button, the second digital will flash and the adjust way is same as the first digital. Press
, as shown: (Letter “L” means that it is the preset “ON” temperature, here we take 25℃ as example),the first digital is flashing and you can adjust it by pressing
button. Then press
button, the second digital will flash and the adjusting way is same as the first digital. After doing these, press
button, the LED will back the current temperature. All the adjustment should be saved and not lost even when power is off.
USE AND MAINTENANCE
VENT VALVE
Before starting the machine, ensure that all the air is exhausted out of the heater and it is topped off with coolant, and make sure that the pump is full of water by using vent valve.

WATER DRAIN VALVE
If water is used, please drain it off when generator is stopped to avoid internal corrosion. Otherwise, the remaining water freezes when temperature is lower than 0°C, which can damage the enclosure. Corresponding antifreeze is strongly recommended. Earth line must be soundly connected to earth. Drain valve: Can be opened or closed using hexagonal tools.

CONNECTIONS

Use 4mm2 power cable for tie-in. Earth line must be soundly connected to earth.
CASE AND DIMENSIONS

Note: all the inlets/outlets connectors are Pagoda-shape.
SmartGen — make your generator smart
SmartGen Technology Co., Ltd.
No.28 Jinsuo Road
Zhengzhou City
Henan Province
P. R. China
Tel: +86-371-67988888/67981888/67992951
+86-371-67981000(overseas)
Fax: +86-371-67992952
Email: [email protected]
Web: www.smartgen.com.cn /www.smartgen.cn
All rights reserved. No part of this publication may be reproduced in any material form (including photocopying or storing in any medium by electronic means or other) without the written permission of the copyright holder. Applications for the copyright holder’s written permission to reproduce any part of this publication should be addressed to SmartGen Technology at the address above. Any reference to trademarked product names used within this publication is owned by their respective companies. SmartGen Technology reserves the right to change the contents of this document without prior notice.
Table 1 – Software Version
| Date | Version | Content |
| 2019-06-03 | 1.0 | Original release. |
| 2020-12-07 | 1.1 | Modify the cover product picture, wire diameter and other descriptions. |


















