E / F Series
TRAFFIC BEACON QUICK START GUIDE
For the R920-E/F, R820-E/F, R829-E/F, and R247-E/F flashing beacons![]()
| E-Series | F-Series |
Safety Precautions
ELECTRICAL SHOCK HAZARD. DO NOT LET THE BATTERY TERMINALS COME INTO CONTACT WITH ANY EXPOSED METAL.
The product can have sharp edges. Accidental movement of hinged components can cause injury.
Batteries are shipped fully charged. Use extreme caution when handling the batteries as they can generate hazardous short-circuit currents. Remove all jewelry (bracelets, metal-strap watches, etc.) before handling the batteries.
Solar panels produce DC electricity when exposed to light and can therefore produce an electrical shock or burn. To render solar panels inoperative, remove them from sunlight or fully cover their front surface with an opaque material.
Before lifting any heavy or bulky equipment, ensure the load is secured so moving parts do not shift, and that it can be lifted as far as needed without back strain or loss of grip. Installation may require more than one person.
Ensure the equipment is not powered during installation and wiring of the system. Recheck all completed wiring for proper polarity prior to energizing the system.
Perform all installation, wiring, grounding, and maintenance in conformance with local building and electrical codes. Adherence to the National Electrical Code (NEC) is mandatory to comply with any certification markings. Non-adherence to code may void the warranty.
Changes or modifications to Carmanah equipment not expressly approved by Carmanah could void both the user’s authority to operate the equipment and the warranty.
Ensure the installation location has an unobstructed view of the sun’s path. Obstructions such as trees or buildings could significantly reduce the amount of sunlight on the solar panel. Shade analysis is highly recommended to understand how shadows will change according to the time of year. Contact Carmanah for a detailed examination and solar simulations for your site.
This quick start guide is not a replacement for the complete product user manual.
Visit support.carmanah.com to download the complete product user manual.
Tools and Materials Required
The following tools and materials may be required to mount your Carmanah flashing beacon depending on the E/F Series model and configuration:
| a. Imperial socket set b. Crescent wrench c. Tap set d. Imperial Allen-Wrench set e. Fish tape f. Level g. Compass or pre-determined equatorial direction | h. Drill and drill bits i. Fine-tip felt marker j. Multi-bit screwdriver k. Pelco Roger-Wrench (Optional) l. Hook spanner wrench, 1-1/2” trade size (configurations 4.2 & 4.3) m. Ladder or lift device n. Lithium grease o. Electrical Multi-meter (Optional) |
Commissioning
After installing and programming the E/F Series flashing beacon system, the following commissioning verification checklist helps ensure that everything is working as it should be and that your system is ready to serve the public for many years of reliable and sustained operation.
- EMS settings are correct.
- No LED fault message on the EMS.
- For single or triple fixture systems, ensure the flash pattern is set for 0.5U or, 0.5A3
- Fixtures flash properly: use “TEST” at the EMS user interface to check the functionality of LEDs.
- Fixtures are secured and pointed in the correct direction toward oncoming traffic lanes.
- For school zone systems, the retrieved calendar is confirmed to be accurate and the calendar setting is set to “on” if applicable.
- The solar panel pointed South (or as per specific instructions provided by Carmanah).
- Override box (if equipped) correctly activates or deactivates the flashing (depending on model input setting).
- The solar panel is properly latched, and the solar engine body is secured tightly and unable to spin.
- No debris covering the photosensor window on top of the solar engine.
- Vents are clear, and screens are intact.
- The sealing gaskets on the door are intact.
- The solar panel is producing a voltage in sunlight (use EMS “Solar” user interface menu item).
- The system has clear sky access and no removal of obstructions is required.
- Note the possibility for nearby foliage to eventually shade the solar panel at a different time of year. If so, set a reminder to inspect later.
- Battery voltage is healthy (use either a voltmeter or EMS “Battery” user interface menu item).
- Verify both fuses are intact so that the system doesn’t just run off a single battery (use a multimeter to confirm fuse continuity or disconnect each fuse individually and confirm the other fuse still allows EMS to operate).
- Yellow fuse holders are tightly sealed to prevent water ingress.
- RRFB light bar flashing starts with the left module first if applicable.
- Remote systems are turning on and off correctly via wireless control if applicable.
- For RRFB systems, verify the indicator LEDs on the ends of light bars can be seen by pedestrians across the street.
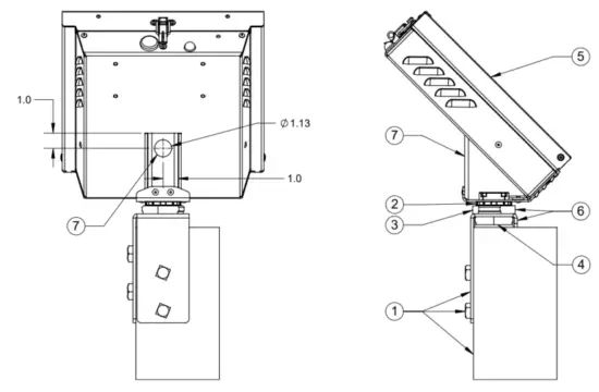
Solar Engine Mounting – Round Post
![]()
- Install supplied longer set screws into mount if required.
- Thread mount onto the solar engine and tighten.
- Tighten set screw or clamp bolt at top of the mount.
- Install on post and orient solar engine to face South (for Northern Hemisphere locations).
- Tighten set screws or bolts onto the post.
Solar Engine Mounting – Square Post
![]()
- Obtain the lock nut included with the solar engine. Fully tighten against the bottom of the solar engine.
- Thread solar engine fully onto the mount.
- Install mount onto the square post and tighten bolts onto the post.
- Loosen less than one turn until the solar engine faces South (for Northern Hemisphere locations).
- Tighten the top bolt-on mount.
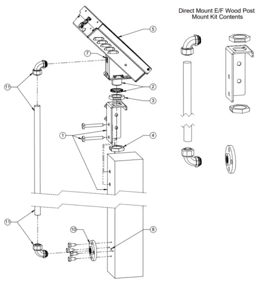
Solar Engine Mounting – Wood Post
![]()
![]()
- Install mount onto top of post using four suitable fasteners (not supplied).
- Obtain the lock nut included with the solar engine. Fully tighten against the bottom of the solar engine.
- Thread hex nut onto the bottom of the solar engine.
- Insert another hex nut between the top of the post and the hole in the mount.
- Fully thread solar engine onto nut under mount. Loosen less than one turn until the solar engine faces South (for Northern Hemisphere locations).
- Tighten the upper nut down against the mount.
- Drill a 1-1/8” hole in the back of the solar engine as shown.
- Determine a mounting location for a beacon, RRFB, or LED enhanced sign. Drill a cable hole through the pole in a suitable location.
- Mount beacon, RRFB or LED enhanced sign-on pole (not shown).
- Install conduit flange on the back of pole using suitable fasteners (not supplied).
- Route beacon, RRFB or LED enhanced sign cable and install/tighten conduit and fittings.
Solar Engine Mounting – Side of Post
![]()
- Obtain the lock nut included with the solar engine. Fully tighten against the bottom of the solar engine.
- Thread hex nut onto the bottom of the solar engine.
- Insert another hex nut into the channel in the side of the post-mount so it lines up with a hole in the top of the mount.
- Thread solar engine all the way onto nut in the channel. Loosen less than one turn until the solar engine faces South (for Northern Hemisphere locations).
- Tighten top hex nut down against mount.
Integrated Solar Engine with Signal Head – Round / Square Post
![]()
- Install supplied longer set screws into the mount, if required (4.0” OD posts only; see mount contents above).
- Align the serrated lock ring so that tabs fit into slots in the bottom of the solar engine.
- Obtain signal housing with reinforcement bracket(s). Install solar engine through top signal housing hole and into hex nut.
- Install nipple through load spreader plate (12″ signal housings only), bottom signal housing hole, serrated lock ring, and tighten onto mount after aligning lock ring tabs with mount slots.
- Tighten screw/bolt at top of the mount.
- Install on the post, adjust the rotation of the signal head if required, and adjust the rotation of the solar engine to face South (for Northern Hemisphere locations).
- Tighten mount screws onto the post, then tighten the hex nut.
![]()
Integrated Solar Engine with Signal Head – Square Wood Post
![]()
- Install mount onto a post using suitable fasteners (not supplied).
- Align the serrated lock ring so that tabs fit into slots in the bottom of the solar engine.
- Obtain signal housing with reinforcement bracket(s). Install solar engine through top signal housing hole and into hex nut.
- Install nipple through load spreader plate (12″ signal housings only), bottom signal housing hole, serrated lock ring, mount hole, and hex nut as shown.
- Adjust the direction of signal if required, and orient the solar engine to face South (for Northern Hemisphere locations).
- Tighten nipple and top hex nut.
![]()
Integrated Solar Engine with Signal Head – Side of Post
![]()
- Align the serrated lock ring so that tabs fit into slots in the bottom of the solar engine.
- Obtain signal housing with reinforcement bracket(s). Install solar engine through top signal housing hole and into hex nut.
- Install nipple with a set screw through load spreader plate (12″ signal housings only), bottom signal housing hole, gasket, mount hole, and hex nut as shown.
- Adjust the direction of the signal if required, and orient the solar engine to face South (for Northern Hemisphere locations).
- Tighten nipple and top hex nut.

RRFB Light Bar Installation (R920-E/F)
- Feed light bar cable(s) through the post, creating a drip loop.
- Mount light bar universal bracket(s). Bolts and banding not supplied.

- Mount light bar(s) onto universal bracket(s) through slots in the back. Bolt light bar to universal bracket as shown. Install two anti-vandal rotation locking screws. Tighten mounting nuts. Secure cable using supplied cable ties as shown.

- Align light bar as required. Push light bar wires into light bar connectors, following the color scheme indicated on the unit. For FHWA compliance, mount a light bar so black and white wires are on the left side. Slide on light bar cover and secure with four screws provided. If the pedestrian confirmation light is not required in one direction, use the supplied opaque label to cover the indicator light. See Section 4.9 if you have the optional light bar backplates before installing the light bar cover.
![]()
RRFB Light Bar Backplates (R920-E/F)
- With the light bar already installed and wired, install the backplate over and behind the light bar with the flanges facing forward.
- Install light bar cover and align screw holes.
- Slide backplate flanges forward over light bar cover.
- Align and install four screws for several turns, then tighten all four.
![]()
![]()
If the E or F Series is wired for a pushbutton but one is not required (such as an advance RRFB), insulate the ends and secure the wires.
The pushbutton can be connected in either polarity.
- For round poles, cut holes to size and tap as required. Deburr the hole that the pushbutton wiring will pass through.
- Feed the pushbutton cable through the pole, creating a drip loop.
This section applies to both the iNX and iDX (touchless) audible pushbuttons.
The Polara iNX/iDX series supersedes the XAV audible pushbutton and integrates the controller inside the pushbutton assembly. The iNX/iDX pushbutton kit includes a pushbutton harness (available in 16ft, 36ft, or 75ft lengths), the iNX/iDX audible pushbutton assembly, and the R10-25 pedestrian pushbutton sign.
The Digital Output on the EMS must be set to ALL when used with the iNX/iDX pushbuttons on standard systems.
For systems with no installed LED fixtures, the Digital Output must be set to “nLED.” This function requires the EMS to have firmware version 1.1.5.0 or newer. See Firmware Version in Section 6.1 in the complete user manual for instructions on how to check the EMS firmware version.
The E and F Series are fully prewired and will come with the necessary harness terminated to the Carmanah EMS. If you are retrofitting this button into an existing system you will need to follow the retrofit guide at support.carmanah.com
![]()
iNX/iDX Terminal | Wire Color | EMS Terminal | Function |
| GND | Black | BAT- | Battery Negative |
| PWR | Red | BAT+ | Provides +12V power to pushbutton |
| BUTTON (Non-Polarized) | Orange | PBS+ | Triggers EMS to activate beacons |
| Brown | PBS- | Triggers EMS to activate beacons | |
| LIGHTS (Non-Polarized) | Blue/Black | BAT- | Battery Negative |
| Yellow | EXT2 | Provides confirmation signal that beacons are flashing to iNX/iDX, triggering audible message |
Onsite configuration of the pushbutton can be done via the iNX/iDX Android and iOS app. Refer to the Polara iNX/iDX user manual for details.
Ensure that the “wireless sync” feature is disabled. Go to Wireless Sync from the app homepage.
Ensure that the flash pattern in the Polara app corresponds to the beacon flash pattern. The default is set to “rapid flash,” suitable for RRFBs. In the settings menu, under LED Flash Behavior, select the Play Predefined
Pattern option and choose the appropriate option based on the EMS flash pattern (see reference table below):
EMS Flash pattern | iNX/iDX flash pattern |
| rFb, rFb1, rFb2, 0.1u, 0.25u, 0.1uF, 0.1AF | Rapid Flash |
| 0.5u, 0.5A, 0.5A3 | Simple On/Off |
| stdY | Solid LED On |
The Campbell Guardian audible pushbutton kit includes a pushbutton harness (16ft, 36ft, or 75ft) prewired to the G Series EMS (as shown below), along with the Guardian audible pushbutton, and an associated sign. Please consult Campbell’s installation documentation for more information.
The Digital Output on the EMS must be set to ALL when used with the Guardian pushbutton on standard systems.
For systems with no installed LED fixtures, the Digital Output must be set to nLED. This function requires the EMS to have firmware version 1.1.5.0 or newer. See Firmware Version in Section 6.1 in the complete user manual for instructions on how to check the EMS firmware version.
Contact Carmanah for instructions if adding an audible pushbutton to an older system.
The E and F Series are fully prewired and will come with the necessary harness terminated to the Carmanah
EMS. If you are retrofitting this button into an existing system please contact Carmanah for assistance.![]()
| Campbell Terminal | Wire Color | EMS Terminal | Function |
| Field terminal | Orange | PBS+ | 1 of 2 push button inputs to EMS from Guardian |
| Field terminal | Brown | PBS- | 2 of 2 push button inputs to EMS from Guardian |
| +12VDC | Red | BAT+ | The positive side of the 12-volt power supply for Guardian |
| -GND | Black | BAT- | The negative side of the 12-volt power supply for Guardian |
| W (Walk) | Yellow | EXT2 | Guardian sense line for triggering recorded message when fixture flashing is detected |
| Not Used | Blue/Black | Not Used, apply tape to wire end or trim at jacket exit | |
| DW (Don’t Walk) | Not used | ||
![]()
Battery Installation
Once the solar engine is secured and the beacons and other devices are in place, the batteries can be installed.
- Open the solar engine and install the batteries, connecting each battery using the correct polarity. Secure batteries with battery strap; note proper routing.
- Batteries must be installed with the terminals facing outward (E Series, left image below) or upwards (F Series, right image below).

- The system will power up once the batteries are connected. If it is part of a radio-connected group, all members of the group will now be able to communicate with each other.
EMS Programming and Testing
The E/F Series’ Energy Management System (EMS) has several programming functions and settings. These are accessed through the On-Board User Interface (OBUI). Specific products will use a subset of the complete OBUI settings, which will be covered in this manual’s sections specific to each product.
EMS On-Board User Interface Operation
The EMS OBUI has three buttons to navigate and change settings and activate functions as required. The Up arrow, Down arrow, and SET buttons are used to scroll through menus, access and change settings, and accept new settings.
For RRFBs and crosswalk beacons, use the input type button (button) only. All other options are non-compliant and not to be used.![]()
EMS On-Board User Interface Settings Overview
Menu Items | User-adjustable | Broadcast to other systems? | Setting Description |
| LED Fault | NO | NO | Not normally visible, only appears when the EMS detects an LED fault. |
| Battery Status | NO | NO | Reports battery voltage and status. |
| Solar Status | NO | NO | Reports solar panel voltage and status. |
| Flash Pattern | YES | NO | Indicates the flash pattern currently set. |
| Input Type | YES | NO | Indicates input mode, NC for 24/7 operation, but for momentary button input, and NO for calendar setting. |
| Flashing Duration | YES | YES | For crosswalks, reports the time duration for a flash pattern. |
| Intensity (LED Driver Current) | YES | NO | Indicates the intensity (in milli-amps) the LED modules are set to use. Higher numbers mean brighter lights. |
| Night Dimming | YES | YES | Indicates what fraction of the daytime intensity the LEDs are set to at night. |
| Ambient Auto-Adjust | YES | YES | If enabled, automatically dims LEDs on overcast days up to 50% to prevent glare for drivers. |
| Automatic Light Control (ALC) | YES | NO | If enabled, automatically dims LEDs in response to unexpected solar deficiency to preserve battery life. |
| LED Temperature | YES | NO | If enabled, adjusts LED power output to account for the effects of environmental temperature variations. |
| Internal Calendar | YES | NO | Allows LED loads to be set to turn on and off according to a time schedule programmed using Carmanah calendar programming software. |
| Radio Enable | YES | NO | Turns the radio on or off. |
| Radio Channel | YES | NO | Allows channels to be changed to overcome radio interference issues on a per-unit basis. |
| Radio Detection Status | NO | NO | Confirms whether a radio module has been detected by the system controller (EMS). |
| Digital Output | YES | NO | Used for relay control. Can be adjusted to allow external loads to be switched on at any time, or only at night. |
| Pushbutton Input Status | NO | NO | Detects the status of the pushbutton input and whether there are any faults found. |
| LED Fixture Test | YES | NO | Allows the LED loads to exhibit a test flash sequence. |
| Built-In Self-Test | YES | NO | Allows the system to run a number of self-tests and can be used for troubleshooting purposes. |
| Firmware Version | NO | NO | Displays the firmware version programmed on the system controller (EMS). |
Troubleshooting
Symptom | Possible Cause and What to Check |
| The EMS does not activate or display any information. |
|
| LEDs won’t flash when the pushbutton on the same post is pressed. |
|
| LEDs on same post flash, but other systems in the wireless group won’t flash. |
|
| An LED fixture on the same post does not flash. |
|
| The LEDs are dim when flashing. |
|
| The LEDs appear too bright when flashing |
|
| Fixtures flash when no button is pressed |
|
| LED Open Fault is showing on User Interface |
|
© 2022 Carmanah Technologies Corporation
Technical Support:
Email: [email protected]
Toll Free: 1.877.722.8877 (US & Canada)
Worldwide: 1.250.380.0052
Fax: 1.250.380.0062
Web: carmanah.com
84775_QSG_TRA_E-F-Series_RevH
Carmanah Technologies Corp.
250 Bay St, Victoria, BC V9A 3K5, Canada
1.250.380.0052
[email protected]
carmanah.com

















