NORAN MV01 Car Tracker Anti Theft User Manual

Car tracker anti-theft Introduction
MV01 integrates GPS and 4G module, it can send car location to mobile and Internet by SMS or GPRS , easy to tracking car on map real time,
view status on website, lock/unlock by SMS/website and mobile , kill engine remotely, find car in the car park by control horn
Product Description
Specification
4G module: SIM7670G
- LTE-FDD : B1/B2/B3/B4/B5/B7/B8/B28/B66
- GSM/GPRS/EDGE 850/900/1800/1900MHz
- Max RF Output: 0dBm±2dBm
- Dynamic Input Range: -15 ~ -102dBm
GPS module:
- Frequency: L1, 42 MHz
- Number of Channel: 20
Interface:
- 2 extend R232 port
- 1 A/D Port
- general I/O Ports
- 1 Microphone interface
Battery:
- Voltage:3.7V
- Charge:<4.2V
- Li-ion: 200~850mAh
Input Voltage: DC 9~36V
Operating Temperature:-45~65 ℃
Features
- Real-time locating
- Communicate with internet by 4G/GPRS network Lock/Unlock by SMS or GPRS
- Kill engine remotely
- Control horn by SMS/GPRS
- E-fence/Over-speed Alarm
- Compatible original anti-theft
- Installation Instructions
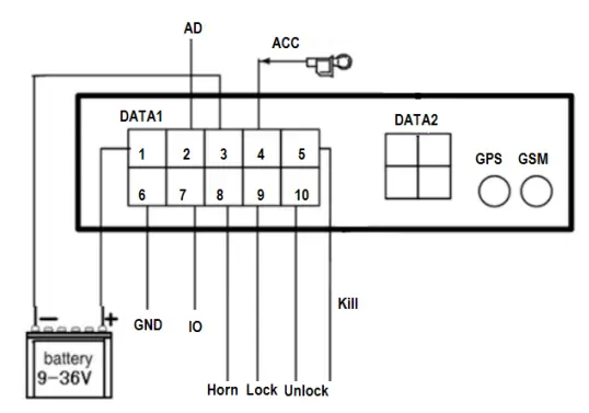
Interface
DATA1
| No. | Description | No. | Description |
| 1 | DC+ (9~36V) | 6 | GND |
| 2 | Analog input port | 7 | Digital IO input port |
| 3 | GND | 8 | Horn |
| 4 | ACC | 9 | Lock |
| 5 | Kill | 10 | Unlock |
DATA2(RS232 interface):
1-TX0 2-TX1 3-Extend 4-RX0 5-RX1 6-GND
1、SIM: Port for SIM card
2、MIC: Connect to Microphone
3、Phone: Connect to earphone 4、LED1: Status light
5、LED2: Power light 6、Reset
Installation Figure
- Installation and Test:
Please test after installation. If you don’t need some functions, you can disconnect corresponding interface. Please make sure ACC, DC, GND installed correctly. Otherwise, the device cannot work. Please check the device status through signal light after power on:
- LED1 is off which indicates there is no
- LED2 flashes for one second which indicates GSM registers
- LED2 flashes three seconds once which indicates GPS is obtaining orientation
- LED2 is on which indicates work successfully that GSM has registered and GPS has obtained the
- If LED 2 is on 1 second then off 0.1 second for more than 3 minutes, please make sure SIM card inserts well. Without SIM card, the device cannot work.
SMS Operation Instruction
SMS Format: A******,cmd,param1,param2…
- ******is the password, Initial Password is 000000
- cmd is the command
- Param is the command Different cmd use different parameters. All the parameters must use half-angle symbol. Wrong SMS format or wrong password, it will not respond.
Location Enquiry (000)
Message format: A******,000 e.g. A000000,000
Reply:http://maps.google.com/maps?q=22.54079,113.93923 09-10-20 17:38:30 Speed:20 you can use the website to Enquiry on google Map
Change Password (001)
Message format:A******,001,New Password e.g. A000000,001,123456
Note:000000 is the old password ,123456 is the new password. Reply:Set Password OK!
Real-time return setting (002)
Message format:A******,002, XXX
XXX=0 is for STOP, value of XXX is within [15~64800] seconds. e.g. A000000,002,30
Message replied after successful setting: Set time interval (30) OK!Message contains position information will be sent in every 30 seconds after successful setting.
Alarm/Listen Number setting
Message format:A******,003,P, TelNumber P=1 is for SOS and listen
P=2 or 3 is the second\ the third listen number. e.g. A000000,003,1,136xxxxxxxx
Message replied after successful setting:Set Telephone OK!
Over-speed Alarm Setting (005)
Message format: A******,005,XXX
XXX=[000,200] (unit: km/h)XXX=00 is close the function. e.g. A000000,005,020
Message replied after successful setting: Set Over speed (20) KM OK!
If the vehicle is over speed you set, it will send alarm SMS to SOS mobile number. 20 KM/H Over speed!
Geo-Fence Setting(006)
Message format:A******,006,XX XX =[00-50] (Unit:100m) .
When XX=0, e-Fence is OFF. And the maximum limited value of XX is 50*100=5000m. e.g. A000000,006,10
Reply: Set Distance (1000)M OK!When user is out of the bound region (e.g. 1020m), a prompt message will be sent to the user: 1020m is further than 1000m!
Engine Cut-off Setting (007)
Message format: A******,007,n,x Note:
N=1,2,3,4 1-kill 2-horn 3-Lock 4-unlock X=1 cut off engine , x=0 resume engine,
e.g. A000000,007,1,1 — cut off engine A000000,007,1,0 — resume engine
by Fuel data collect(017)
Message format: A******,017,XX
Note:XX =[0 , 100], which corresponds to fuel percentage. For example: if the fuel meter shows 50% fuel, (A000000,017,50),and the device checking value is 170, it will reply: Oil interval (50:170)!You can view fuel line in GPS Vehicles Tracking system.
Open/Close camera function (019)
Message format: A******,019,X
X=0 close camera function, x=1 open camera function e.g. A000000,019,0
Restart tracker(099)
Message format: A000000,099,RESETSYSTEM
GPRS Communication Settings
- Set APN (APN(Access Point NAME))
Message format: A******,012,APN
Length of APN is limited within 100 characters, E.g:A000000,012,cmnet “cmnet”is the APN of China Mobile
Set the IP and Port of Gprs_Server
Message format: A******,010,IP,PORT e.g. A000000,010,121.37.58.10,6903 121.37.58.10 is the IP of GPRS_server, 6903 is the port of GPRS_Server application (be in communication with GPS camera tracker)
Open GPRS function
Message format: A******,011,X note:
X=0 close GPRS
X=1 open GPRS ,work with IP mode
X=2 Open GPRS , work with domain mode
e.g. A000000,011,1
GPRS function will be open, and GPS Camera tracker will send data to Internet,Users can turn off this function though send SMS: A000000,011,
Query the GPRS Setti
Message format: A******,004
The device will send back GPRS setting parameters. You can check whether the parameter sets correctly it.
NR09G00001,CMNET,121.37.58.10,6903, 1 ,1
- Device ID
- APN (China Mobile is CMNET, China Unicom is UNINET)
- Server IP address
- Server port
- GPRS open status(0- off ,1- on)
- GPRS connecting status(0- Internet is bad,1- work well)
- GSM signal value(1~31),if value<10 is too weak to work well.
GPS tracking system on website
- User LoginWeb-based tracking system can support multiple languages. It can change language for local language by itself.
Vehicle real-time tracking
1 choose vehicle à2 map mode à 3.vehicle state, Google map have 3 m map mode ,satellitic mode and Hybrid mode
Vehicle history record playback
Please point run history review page
1 choose vehicle à2 start time à 3 inquire time à 4.setup review speed à5 start review process you can know that time date , speed , way and distance sum.
View image
1 Select date rangeà2Select Vehicleà3View Image à4Click the time link to display image à5Image
Temperature monitoring
Real time temperature on map and temperature curve of history
Step3: select [statistic]à Temperature
Step4:select
vehicleàDate&time[fromàto]àclick [statistic] move the mouse on the fuel curve, it will show time/percent
FCC Statement
This equipment has been tested and found to comply with the limits for a Class B digital device, pursuant to Part 15 of the FCC Rules. These limits are designed to provide reasonable protection against harmful interference in a residential installation. This equipment generates uses and can radiate radio frequency energy and, if not installed and used in accordance with the instructions, may cause harmful interference to radio communications. However, there is no guarantee that interference will not occur in a particular installation. If this equipment does cause harmful interference to radio or television reception, which can be determined by turning the equipment off and on, the user is encouraged to try to correct the interference by one or more of the following measures:
— Reorient or relocate the receiving antenna.
— Increase the separation between the equipment and receiver.
— Connect the equipment into an outlet on a circuit different from that to which the receiver is connected.
— Consult the dealer or an experienced radio/TV technician for help.
This device complies with part 15 of the FCC Rules. Operation is subject to the following two conditions: (1) This device may not cause harmful interference, and (2) this device must accept any interference received, including interference that may cause undesired operation.
Changes or modifications not expressly approved by the party responsible for compliance could void the user’s authority to operate the equipment.
This equipment complies with FCC radiation exposure limits set forth for an uncontrolled environment.
This equipment should be installed and operated with minimum distance 20cm between the radiator & your body.
















