FUJITSU ASUH07LPAS 7k BTU – Wall Mounted Unit – For Multi-Zone

SAFETY PRECAUTIONS
IMPORTANT! Read before starting
This air conditioning system meets strict safety and operating standards. As the installer or service person, it is an important part of your job to install or service the system so it operates safely and efficiently.
For safe installation and trouble-free operation, you must:
- Carefully read this instruction booklet before beginning.
- Follow each installation or repair step exactly as shown.
- Observe all local, state, and national electrical codes.
- Pay close attention to all warning and caution notices given in this manual.
WARNING
This symbol refers to a hazard or unsafe practice which can result in severe personal injury or death.
CAUTION
This symbol refers to a hazard or unsafe practice which can result in personal injury and the potential for product or property damage.
If Necessary, Get Help
These instructions are all you need for most installation sites and maintenance conditions. If you require help for a special problem, contact our sales/service outlet or your certifi ed dealer for additional instructions.
In Case of Improper Installation
The manufacturer shall in no way be responsible for improper installation or maintenance service, including failure to follow the instructions in this document.
Special precautions
When Wiring
ELECTRICAL SHOCK CAN CAUSE SEVERE PERSONAL INJURY OR DEATH. ONLY A QUALIFIED, EXPERIENCED ELECTRICIAN SHOULD ATTEMPT TO WIRE THIS SYSTEM.
- Do not supply power to the unit until all wiring and tubing are completed or reconnected and checked.
- Highly dangerous electrical voltages are used in this system. Carefully refer to the wiring diagram and these instructions when wiring. Improper connections and inadequate
grounding (earthing) can cause accidental injury or death. - Ground (earth) the unit following local electrical codes.
- Connect all wiring tightly. Loose wiring may cause overheating at connection points and a possible fi re hazard.
When Transporting
Be careful when picking up and moving the indoor and outdoor units. Get a partner to help, and bend your knees when lifting to reduce strain on your back. Sharp edges or thin aluminum fi ns on the air conditioner can cut your fingers.
When Installing
In a Ceiling or Wall
Make sure the ceiling/wall is strong enough to hold the unit’s weight. It may be necessary to construct a strong wood or metal frame to provide added support.
In a Room
Properly insulate any tubing run inside a room to prevent “sweating” that can cause dripping and water damage to walls and fl oors.
In an Area with High Winds
Securely anchor the outdoor unit down with bolts and a metal frame. Provide a suitable air baffl e.
In a Snowy Area (for Heat Pump-type Systems)
Install the outdoor unit on a raised platform that is higher than drifting snow.
When Connecting Refrigerant Tubing
- Keep all tubing runs as short as possible.
- Use the fl are method for connecting tubing.
- Apply refrigerant lubricant to the matching surfaces of the flare and union tubes before connecting them, then tighten the nut with a torque wrench for a leak-free connection.
- Check carefully for leaks before opening the refrigerant valves.
When Servicing
- Turn the power OFF at the main circuit breaker panel before opening the unit to check or repair electrical parts and wiring.
- Keep your fingers and clothing away from any moving parts.
- Clean up the site after you finish, remembering to check that no metal scraps or bits of wiring have been left inside the unit being serviced.
- After installation, explain the correct operation to the customer, using the operation manual.
WARNING
- Never touch electrical components immediately after the power supply has been turned off. Electric shock may occur. After turning off the power, always wait 10 minutes before touching electrical components.
- If refrigerant leaks while work is being carried out, ventilate the area. If the refrigerant comes in contact with a flame, it produces a toxic gas.
- Keep any required ventilation openings clear of obstruction.
- If the power cable or the connection cable is damaged, it must be replaced by the manufacturer, its service agent, or similarly qualified persons in order to avoid a safety hazard.
- Cancer and Reproductive Harm – www.P65Warnings.ca.gov.
CAUTION
- Do not attempt to install the air conditioner or a part of the air conditioner by yourself.
- This unit must be installed by qualified personnel with a capacity certificate for handling refrigerant fluids. Refer to regulations and laws in use on installation place.
- This unit is part of a set constituting an air conditioner. It must not be installed alone or with a device non-authorized by the manufacturer.
- Always use a separate power supply line protected by a circuit breaker operating on all wires with a distance between contact of 1/8 in. (3 mm) for this unit.
- The unit must be correctly earthed (grounded) and the supply line must be equipped with a differential breaker in order to protect the persons.
- The units are not explosion-proof and therefore should not be installed in an explosive atmosphere.
- When moving, consult authorized service personnel for disconnection and installation of the unit.
- Do not place any other electrical products or household belongings under the indoor unit or outdoor unit.
Dripping condensation from the unit might get them wet, and may cause damage or malfunction of your property.
PRODUCT SPECIFICATION
Precautions for using R410A refrigerant
The basic installation work procedures are the same as conventional refrigerant (R22) models.
However, pay careful attention to the following points:
- Since the working pressure is 1.6 times higher than that of conventional refrigerant (R22) models, some of the piping and installation and service tools are special. (Refer to the following table.) Especially, when replacing a conventional refrigerant (R22) model with a new refrigerant R410A model, always replace the conventional piping and fl are nuts with the R410A piping and fl are nuts.
- Models that use refrigerant R410A have a different charging port thread diameter to prevent erroneous charging with conventional refrigerant (R22) and for safety. Therefore, check beforehand. [The charging port thread diameter for R410A is 1/2-20 UNF.]
- Be more careful that foreign matter (oil, water, etc.) does not enter the piping than with refrigerant (R22) models. Also, when storing the piping, securely seal the opening by pinching, taping, etc.
- When charging the refrigerant, take into account the slight change in the composition of the gas and liquid phases. And always charge from the liquid phase where the refrigerant composition is stable.
Installation tools
| Tool name | Contents of change |
|
Gauge manifold | Pressure is high and cannot be measured with a R22 gauge. To prevent erroneous mixing of other refrigerants, the diameter of each port has been changed. It is recommended the gauge with seals -30 inHg to 768 psi (-0.1 to 5.3 MPa) for high pressure. -30 inHg to 551 psi (-0.1 to 3.8 MPa) for low pressure. |
| Charge hose | To increase pressure resistance, the hose material and base size were changed. |
| Vacuum pump | A conventional vacuum pump can be used by installing a vacuum pump adapter. |
| Gas leakage detector | Special gas leakage detector for HFC refrigerant R410A. |
Copper pipes
It is necessary to use seamless copper pipes and it is desirable that the amount of residual oil is less than 0.004 oz/100 ft. (40 mg/10 m). Do not use copper pipes having a collapsed, deformed or discolored portion (especially on the interior surface). Otherwise, the expansion value or capillary tube may become blocked with contaminants. As an air conditioner using R410A incurs pressure higher than when using R22, it is nec-essary to choose adequate materials.
WARNING
- Do not use the existing (for R22) piping and flare nuts. If the existing materials are used, the pressure inside the refrigerant cycle will rise and cause failure, injury, etc. (Use the special R410A materials.)
- Use (refi ll or replace with) specifi ed refrigerant (R410A) only. Use of unspecifi ed refrigerant can cause product malfunction, burst, or injury.
- Do not mix any gas or impurities except specifi ed refrigerant (R410A). Infl ow of air or application of unspecifi ed material makes the internal pressure of the refrigerant cycle too high, and may cause product malfunction, burst of piping, or injury.
- For installation purposes, be sure to use the parts supplied by the manufacturer or other prescribed parts. The use of non-prescribed parts can cause serious accidents such as the unit falling, water leakage, electric shock, or fire.
- Do not turn on the power until all work has been completed.
CAUTION
This manual describes how to install the indoor unit only. To install the outdoor unit or branch box, (if any), refer to the installation manual included in each product.
For authorized service personnel only
WARNING
- For appropriate working of the air conditioner, install it as outlined in this manual.
- To connect the indoor unit and outdoor unit or branch box, use air conditioner piping and cables available through your local distributor. This manual describes proper connections using such an installation set.
- Do not reconnect the power until all work has been completed.
CAUTION
This installation manual describes how to install the indoor unit only. To install the outdoor unit or branch box, refer to the installation manual included with the outdoor unit or branch box.
- Be careful not to scratch the air conditioner when handling it.
- After installation, explain correct operation to the customer, using the operation manual.
Accessories
The following installation accessories are supplied. Use them as required.
The following items are necessary to install this air conditioner. (The items are not included with the air conditioner and must be purchased separately.)
Additional materials
| Additional materials | |
| Connection pipe assembly | Saddle |
| Connection cable (4-conductor) | Drain hose |
| Wall pipe | Tapping screw |
| Decorative tape | Sealant |
| Vinyl tape | Putty |
| Wall cap | |
Pipe requirement
CAUTION
Refer to the installation manual for the outdoor unit for a description of allowable pipe length and height difference.
| Model | Liquid pipe size <thickness> | Gas pipe size <thickness> |
| 07, 09, 12 | Ø 1/4 in (Ø 6.35 mm) <1/16 in (0.80 mm)> | Ø 3/8 in (Ø 9.52 mm) <1/16 in (0.80 mm)> |
| 15 | Ø 1/4 in (Ø 6.35 mm) <1/16 in (0.80 mm)> | Ø 1/2 in (Ø 12.70 mm) <1/16 in (0.80 mm)> |
CAUTION
Install heat insulation around both the gas and liquid pipes. Failure to do so may cause water leaks. Use heat insulation with heat resistance above 248 °F (120 °C). Reverse cycle model only. In addition, if the humidity level at the installation location of the refrigerant piping is expected to exceed 70%, install heat insulation around the refrigerant piping. If the expected humidity level is 70-80%, use heat insulation that is 3/4 in. (15 mm) or thicker and if the expected humidity exceeds 80%, use heat insulation that is 13/16 in. (20 mm) or thicker. If heat insulation is used that is not as thick as specifi ed, condensation may form on the surface of the insulation. In addition, use heat insulation with heat conductivity of 0.045 W/(m.K) or less (at [68 °F (20 °C)]).
Electrical requirement
The indoor unit is powered from the outdoor unit or branch box. Do not power indoor unit from separate power source.
WARNING
Standard for electrical wiring and equipment diff ers in each country or region. Before you start electrical working, confi rm related regulations, codes, or standards.
Cable specification
| Cable | Cable size | Remarks |
| Connection cable | 14AWG | 3 cable+Ground (earth), 1φ 208/230 V |
Max. Cable Length: Limit voltage drop to less than 2%. Increase cable gauge if voltage drop is 2% or more.
Optional parts
Refer to each installation manual for the method of installing optional parts.
| Parts name | Model No. | Application |
| Wired remote controller (*1) (*2) | UTY-RNRÛZÛ | For air conditioner operation (2-wired type) |
| Simple remote controller (*1) | UTY-RSRÛ | |
| UTY-RHRÛ | ||
| External input and output PCB | UTY-XCSXZ2 | For control input/output port |
| External connect kit | UTY-XWZXZ5 | |
| UTY-XWZX | ||
| Communication kit | UTY-TWRXZ2 | For the installation of 2-wired remote controller |
| WLAN adapter | UTY-TFSXF1 | For wireless LAN control |
Optional parts are subject to change without notice.
- Optional Communication kit (UTY-TWRXZ2) is necessary for installation.
- The wired remote controller (UTY-RNR.Z.) and the wireless controller cannot be used simultaneously.
INSTALLATION WORK
Selecting an installation location
Decide the mounting position with the customer as follows:
- Install the indoor unit level on a strong wall that is not subject to vibration.
- The inlet and outlet ports should not be obstructed: the air should be able to blow all over the room.
- Install the unit a dedicated electrical branch circuit.
- Do not install the unit where it will be exposed to direct sunlight.
- Install the unit where connection to the outdoor unit or branch box is easy.
- Install the unit where the drain pipe can be easily installed.
- Take servicing, etc. into consideration and leave the spaces shown in “3.1.1. Installation dimensions”. Also, install the unit where the fi lter can be removed.
Correct initial installation location is important because it is difficult to move the unit after it is installed.
WARNING
Install the air conditioner in a location that can withstand a load of at least 3 times the weight of the main unit and which will not amplify sound or vibration. If the installation location is not strong enough, the indoor unit may fall and cause injuries.
- Withstandable weight (Unit weight x 3*)
- 66 lbs (30 kg)
In accordance with UL standards.
CAUTION
- Do not install the unit in the following areas:
- Area with high salt content, such as at the seaside. It will deteriorate metal parts, causing the parts to fail or the unit to leak water.
- Area fi lled with mineral oil or containing a large amount of splashed oil or steam, such as a kitchen. It will deteriorate plastic parts, causing the parts to fail or the unit to leak water.
- Area that generates substances that adversely affect the equipment, such as sulfuric gas, chlorine gas, acid, or alkali. It will cause the copper pipes and brazed joints to corrode, which can cause refrigerant leakage.
- Area that can cause combustible gas to leak, contains suspended carbon fi bers or flammable dust, or volatile inflammables such as paint thinner or gasoline. If gas leaks and settles around the unit, it can cause a fire.
- Area, where animals may urinate on the unit or ammonia, may be generated.
- Do not use the unit for special purposes, such as storing food, raising animals, growing plants, or preserving precision devices or art objects. It can degrade the quality of the preserved or stored objects.
- Do not install where there is a warning of combustible gas leakage.
- Do not install the unit near a source of heat, steam, or flammable gas.
- Install the unit where drainage does not cause any trouble.
- Install the indoor unit, outdoor unit, branch box, power supply cable, connection cable, and remote controller cable at least 40 in. (1m) away from a television or radio receiver. The purpose of this is to prevent TV reception interference or radio noise.(Even if they are installed more than 40 in. (1m) apart, you could still receive noise under some signal conditions.)
- If children under 10 years old may approach the unit, take preventive measures so that they cannot reach the unit.
- Install the indoor unit on the wall where the height from the floors more than 71 in.(1.8 m).
Installation dimensions
Keep the distance between the wall hook bracket or indoor unit to the surrounding walls as indicated in the following figure.
Removing and replacing parts
Intake grille removal and installation
Intake grille removal
- Hold the intake grille with both hands at the side, then pull to the front until it becomes hooked.
- Keeping the intake grille in a horizontal position, pull the mounting shaft on the left and right to release.

Intake grille installation
- Attach the left and right mounting shaft in the direction of the arrow to the panel top bearing while supporting the intake grille horizontally. Press this until it clicks so that each shaft snaps into place.

- Press and close the intake grille.

Front panel/control cover removal and installation
In this description, the intake grille and wire cover already have been removed. When wire cover A is removed, wire cover B can be removed.
Front panel/control cover/undercover (L/R/C) removal
- Remove the undercover L/R.* (Press down on the markings on the side, then slide down.)
If needed, remove the piping groove and make a necessary adjustment. - Remove under cover C.
- Remove the cap screws (2 places).
- Remove the screws (2 places).
- Pull down the center of the undercover C and remove it.
- If needed, remove the piping bracket (2 places).
- Remove the screw covers (2 places) on the bottom of the front panel, and then remove the screws (4 places).
- Push down on the markings (2 places) on top of the front panel to release the hooks (3 places), then pull the front panel towards you.
- Pinch the tab on the control cover to release the hook, then open.

Front panel/control cover/undercover (L/R/C) installation
Install the previous figure in reverse order. Be sure to attach the screws (4 places), screw cover(2 places) for front panel and screws (2 places), cap screw (2 places) for the undercover C.
CAUTION
Take caution when removing or installing the front panel. If the front panel falls, there is a risk of injury.
Uninstalling the indoor unit
Remove the indoor unit from the wall hook bracket as follows.
- Put your fingers in the outer opening of the piping holder (A) in the figure. While pushing down the piping holder (A), remove the hook from the wall hook bracket (2 places).
- Pull the indoor unit towards you.

Pipe installation
Indoor unit piping direction
The piping can be connected in the 6 directions indicated in following. When the piping is connected to directions (B), (C), (D) or (E), cut along the piping groove on the side of the undercover with a hacksaw.
Cutting the hole in the wall for connecting the pipes
- Cut a 2-9/16 in (65 mm) diameter hole in the wall at the position shown in the following.
- Cut the hole so that the outside end is lower ( 3/16 to 3/8 in [5 to 10 mm] ) than the inside end.
- Always align the center of the wall hole. If misaligned, water leakage will occur.
- Cut the wall pipe to match the wall thickness, stick it into the wall cap, fasten the cap with vinyl tape, and stick the pipe through the hole.
- For the left piping and the right piping, cut the hole a little lower so that drain water will fl ow freely.

WARNING
Always use the wall pipe. If the wall pipe is not used, the cable that is connected between the indoor unit and the outdoor unit may touch metal, and cause an electric discharge.
Installing the wall hook bracket
- Install the wall hook bracket so that it is correctly positioned horizontally and vertically. If the wall hook bracket is titled, water will drip to the fl oor.
- Install the wall hook bracket so that it is strong enough to support the weight of the unit.
- Fasten the wall hook bracket to the wall with 5 or more screws through the holes near the outer edge of the bracket.
- Check that there is no rattle at the wall hook bracket.

CAUTION
Install the wall hook bracket both horizontally and vertically aligned. Misaligned installation may cause water leakage.
Forming the drain hose and pipe
CAUTION
- Insert the drain hose and drain cap securely. The drain should slope down to avoid water leakage.
- When inserting the drain hose, no other material than water should be applied. Application of other material than water will cause deterioration of the hose, and may cause water leakage.
- After you remove a drain hose, be sure to attach the drain cap.
- When you secure the piping and drain hose with tape, arrange the drain hose so that it is at the bottom of the piping.
- For drain hose piping in a low-temperature environment, you need to apply freeze protection to prevent a frozen drain hose.
After the cooling operation is performed in the low-temperature environment (when the outdoor temperature is under 32 °F [0 °C]), water in the drain hose could be frozen. Frozen drain water will block the water fl ow in the hose, and may cause water leakage at the indoor unit.
Right rear piping, Right piping, Right bottom piping
- Install the indoor unit piping in the direction of the wall hole and bind the drain hose and pipe together with vinyl tape.
- Install the piping so that the drain hose is at the bottom.
- Wrap the pipes of the indoor unit that are visible from the outside with decorative tape.

For Left rear piping (Drain hose), Left piping (Drain hose), Left bottom piping (Drain hose)
Interchange the drain cap and the drain hose.
Installing the drain cap
Use a hexagonal wrench 3/16 in (4 mm) on the opposite side to insert the drain cap, till the drain cap contacts the tip of the drain cock.
Removing the drain hose
Remove the screw at the left of the drain hose and pull out the drain hose.
Installing the drain hose
Vertically insert the drain hose toward the inside, so that the drain fi xture (white) can ac-curately align with the screw hole around the drain cock. After inserting and before replacing, Rein-stall and fi x the removed screws.
- Hold around the joint of the drain hose during work.
- As the screw is inside, be sure to use screwdrivers treated with a magnet.
- After passing the indoor piping and drain hose through the wall hole, hang the indoor unit on the hooks at the top and bottom of the wall hook bracket.
CAUTION
Insert the drain hose and drain cap into the drain port, making sure that it comes in contact with the back of the drain port, and then mount it. If the drain hose is not connected properly, leaking will occur.
Installing the indoor unit
- Hang the indoor unit from the hooks at the top of the wall hook bracket.
- Insert the spacer, etc. within the area(gray insulation) between the indoor unit and the wall hook bracket and separate the bottom of the indoor unit from the wall.

- After hooking the indoor unit to the top hook, hook the fi ttings of the indoor unit to the bottom hooks while lowering the unit and pushing it against the wall.
Pipe connection
CAUTION
Tighten the fl are nuts with a torque wrench using the specifi ed tightening method. Otherwise, the flare nuts could break after a prolonged period, causing the refrigerant to leak and generate hazardous gas if the refrigerant comes into contact with a flame.
Flaring
Use special pipe cutter and fl are tool exclusive for R410A.
- Cut the connection pipe to the necessary length with a pipe cutter.
- Hold the pipe downward so that cuttings will not enter the pipe and remove any burrs.
- Insert the flare nut (always use the fl are nut attached to the indoor unit(s) and outdoor unit respectively) onto the pipe and perform the fl are processing with a fl are tool. Use the special R410A fl are tool, or the conventional fl are tool. Leakage of refrigerant may result if other fl are nuts are used.
- Protect the pipes by pinching them or with tape to prevent dust, dirt, or water from entering the pipes.

| Pipe outside diameter [in. (mm)] | Dimension A [in. (mm)] | Dimension B [in. (mm)] |
| Flare tool for R410A, clutch type | ||
| 1/4 (6.35) |
0 to 0.020 (0 to 0.5) | 3/8 (9.1) |
| 3/8 (9.52) | 1/2 (13.2) | |
| 1/2 (12.70) | 5/8 (16.6) | |
| 5/8 (15.88) | 3/4 (19.7) | |
| 3/4 (19.05) | 15/16 (24.0) |
When using conventional fl are tools to fl are R410A pipes, the dimension A should be approximately 0.020 in. (0.5 mm) more than indicated in the table (for fl aring with R410A flare tools) to achieve the specified flaring. Use a thickness gauge to measure dimension A.
Bending pipes
CAUTION
- To prevent breaking of the pipe, avoid sharp bends.
- If the pipe is bent repeatedly at the same place, it will break.
- The pipes are shaped by your hands. Be careful not to collapse them.
- Bend R2-3/4 in (R70 mm) or more with a pipe bender.
- Do not bend the pipes in an angle more than 90°.
- When pipes are repeatedly bend or stretched, the material will harden, making it diffi cult to bend or stretch them anymore.
- Do not bend or stretch the pipes more than 3 times.
- When bending the pipe, do not bend it as is. The pipe will be collapsed. In this case, cut the insulating pipe with a sharp cutter as shown on the right, and bend it after exposing the pipe. After bending the pipe as you want, be sure to put the heat insu-lating pipe back on the pipe, and secure it with tape.

Flare connection
CAUTION
- Be sure to install the pipe against the port on the indoor unit correctly. If the center-ing is improper, the fl are nut cannot be tightened smoothly. If the fl are nut is forced to turn, the threads will be damaged.
- Do not remove the fl are nut from the indoor unit pipe until immediately before connecting the connection pipe.
- Hold the torque wrench at its grip, keeping it in the right angle with the pipe, in order to tighten the fl are nut correctly.
- Tighten the fl are nuts with a torque wrench using the specifi ed tightening method. Otherwise, the fl are nuts could break after a prolonged period, causing the refrigerant to leak and generate hazardous gas if the refrigerant comes into contact with a flame.
- Connect the piping so that the control box cover can easily be removed for servicing when necessary.
- In order to prevent water from leaking into the control box, make sure that the piping is well insulated.
When the flare nut is tightened properly by your hand, hold the body side coupling with a wrench, then tighten with a torque wrench. (Refer to the following table for the flare nut tightening torques.)
Electrical wiring
WARNING
- Before connecting the wires, make sure the power supply is OFF.
- Every wire must be connected fi rmly.
- No wire should be allowed to touch refrigerant tubing, the compressor or any moving part.
- Loose wiring may cause the terminal to overheat or result in unit malfunction. A fire hazard may also exist. Therefore, be sure all wiring is tightly connected.
- Connect wires to the matching numbers of terminals.
Wiring system diagram

- To connect the indoor unit wires to the terminal correctly, refer to the fi gure for proper length.

How to install the connection cable
- Remove the screws, then remove the conduit holder.
- Fasten the indoor unit wire harness to the conduit holder using the lock nut. IMPORTANT: Refer to “3.4.1. Wiring system diagram” about the length of the indoor unit wire harness.
- Use the screws to install the conduit holder provide with the indoor unit.
- Remove the screws, then remove the cable clamper.
- Connect the indoor unit wire harness to the terminal. Refer to “3.4.1. Wiring system diagram”.
- Use the screws to install the cable clamper.

Indoor unit wiring
- Remove the intake grille. (Refer to “3.2.1. Intake grille removal and installation”.)
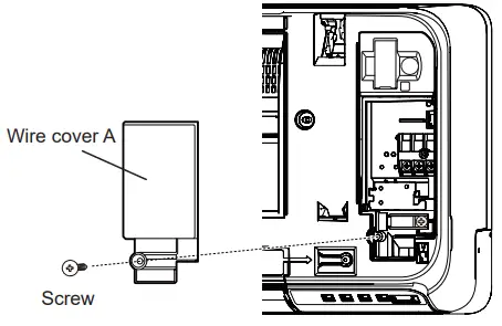
- Remove the tapping screw for the wire cover and the wire cover A.

- Remove the tapping screw and while minding the cable clamp hook, remove the cable clamp.

How to connect wiring to the terminals
Caution when wiring cable
When stripping off the insulation of a lead wire, always use a special tool such as a wire stripper. If there is no special tool available, carefully strip the insulation with a knife etc.
- Use ring terminals with insulating sleeves as shown in the following fi gure to connect to the terminal block.
- Securely clamp the ring terminals to the wires using an appropriate tool so that the wires do not come loose.

- Use the specifi ed wires, connect them securely, and fasten them so that there is no stress placed on the terminals.
- Use an appropriate screwdriver to tighten the terminal screws. Do not use a screw-driver that is too small, otherwise, the screw heads may be damaged and prevent the screws from being properly tightened.
- Do not tighten the terminal screws too much, otherwise, the screws may break.

- Refer to the following table for the terminal screw tightening torques.
| Tightening torque [lbf·in (N·m)] | |
| M3.5 screw | 7.0 to 8.8 (0.8 to 1.0) |
| M4 screw | 10.6 to 15.9 (1.2 to 1.8) |
| M5 screw | 17.7 to 26.5 (2.0 to 3.0) |
CAUTION
- Attach the cable clamp firmly by holding the connection cable, and make sure that the clamp is fixed securely. An incomplete attachment of the cable clamp might cause a malfunction of the open panel.
- Match the terminal block numbers and connection cable colors with those of the outdoor unit or branch box.
Erroneous wiring may cause the burning of the electric parts. - Connect the connection cables firmly to the terminal block. Imperfect installation may cause a fi re.
- Always fasten the outside covering of the connection cable with the cable clamp. (If the insulator is chafed, electric discharge may occur.)
- Always connect the ground (earth) wire.
- Do not use the ground (earth) screw of the indoor unit for the connection other than a specifi ed outdoor unit.
Fix the conduit with the supporters as shown below.
Remote controller installation
- Check that the indoor unit correctly receives the signal from the remote controller, then install the remote controller holder.
CAUTION
Do not install the remote controller holder in the following conditions:
- Any places exposed in direct sunlight
- Positions affected by the heat from a stove or heater
Remote controller holder installation
- Install the remote controller a maximum distance of 22 ft (7 m) m from the remote control signal receiver. After installing the remote controller, check that it operates correctly.
- Install the remote controller holder to a wall, pillar, etc. with the tapping screw.

Remote controller custom setting
Custom code setting
By setting the custom code of the indoor unit and remote controller, you can specify the air conditioner which the remote controller controls.
When two or more air conditioners are in the room and you wish to operate them separately, set the custom code (4 selections possible).
NOTE:
If custom codes is different between the indoor unit and the remote controller, the indoor unit cannot receive a signal from the remote controller.
How to set the remote controller’s custom code
- Press until the indicators on the remote controller turn off.
- Press down [MODE] for more than 5 seconds. The current custom code will be displayed (initially set to ).
- Press [TEMP./SELECT ( )] to change the custom code between
A ( ) ↔ B ( ) ↔ C ( / ) ↔ D ( ).
Match the custom code on the display to the air conditioner custom code. - Press [MODE] again. The custom code will be set. The display will return to the original display.

- To change the air conditioner custom code, contact authorized service personnel (initially set to ).
- If you do not press any buttons for 30 seconds after the custom code is displayed, the display returns to the original display. In this case, repeat the setting from step 2.
- Depending on the remote controller, the custom code may return to when replacing the batteries. In this case, reset the custom code as necessary. If you do not know the air conditioner custom code, try each code until you find the code which operates the air conditioner.
OPTIONAL INSTALLATION WORK
CAUTION
- Before installing, be sure to disconnect all power supply.
- Do not touch the heat exchanger.
- When installing or removing parts of the air conditioner, be sure that the wire is not caught by any parts or pulled hard. It may result in damage or malfunction of the air conditioner.
- Connect the cable the circuit board.

This air conditioner can be connected with the following optional kits. To install these op-tional kits, the optional External input and output PCB box is necessary. For details on how to install optional parts, refer to the installation manual included in each item.
| Connector No. | Option type |
| CN13 | Wired remote controller (via the Communication kit) |
| Simple remote controller (via the Communication kit) | |
| CN46 | External input |
| CN47 | External output |
| CN65 | External input and output PCB |
Optional kit installation
NOTE:
- When some wired remote controller is connected, the wireless remote controller cannot be used.
Installing the WLAN adapter
- For installing the WLAN adapter, refer to the operation manual.

External input and output
External input
- Indoor unit functions such as Operation/Stop or Forced stop can be done by using indoor unit terminals.
- “Operation/Stop” mode or “Forced stop” mode can be selected with the function setting of the indoor unit.
- A twisted pair cable (22 AWG) should be used. The maximum length of the cable is 492 ft. (150 m).
- Use an external input and output cable with appropriate external dimensions, depending on the number of cables to be installed.
- The wire connection should be separate from the power cable line.
Dry contact terminal
When a power supply is unnecessary at the input device you want to connect, use the Dry contact terminal.
The switch can be used on the following condition: DC 12 V to 24 V, 1 mA to 15 mA.
Operation behavior
- Input signal type

When the function setting is “Operation/Stop” mode 1.
| Input signal | Command |
| OFF → ON | Operation |
| ON → OFF | Stop |
When function setting is “Forced stop” mode.
| Input signal | Command |
| OFF → ON | Forced stop |
| ON → OFF | Normal |
When the forced stop is triggered, the indoor unit stops, and the Operation/Stop operation by a remote controller is restricted.
When the function setting is “Operation/Stop” mode 2.
| Input signal | Command |
| OFF → ON | Operation |
| ON → OFF | Stop (R.C. disabled) |
NOTE: For details, refer to “External input control” in “5.1. Function details”.
External output
- A twisted pair cable (22AWG) should be used. The maximum length of the cable is 82 ft. (25 m).
- Use an external input and output cable with appropriate external dimensions, depending on the number of cables to be installed.
- Output voltage: Hi DC12V±2V, Lo 0V.
- Permissible current: 50mA
Output select
When interlocking with an external device
When displaying “Operation/Stop”
Operation behavior
If function setting “60” is set to “00”, refer to “5. FUNCTION SETTING”.
Connection methods
Wire modification
- Remove the insulation from the wire attached to wire kit connector.
- Remove the insulation from the locally purchased cable. Use a crimp-type insulated butt connector to join fi eld cable and wire kit wire.
- Connect the wire with connecting wire with solder.
IMPORTANT: Be sure to insulate the connection between the wires.
Installing the External input/output PCB
- Remove the Intake grille, front panel, and control cover. Refer to “3.2. Removing and replacing parts”.
- Insert the PCB to the clasps (2 places). Push the PCB down until the clasp on the left is set.
- Hook the WLAN adapter wire to the control box. Fix it with a cable tie.
- For the setting of rotary switch and DIP switch, refer to the installation manual of optional parts.
NOTE: If the rotary switch on the “External input and output PCB” is set to “1”, function number “46” will operate. - Replace the control cover, front panel, and Intake grille.
- Refer to “5.1. Function details External input control (Function number 46)” for the setting.
Installing the communication kit
- Remove the Intake grille, front panel, and control cover. Refer to “3.2. Removing and replacing parts”.
- Insert the PCB to the clasps (2 places). Push the PCB down until the clasp on the bottom is set.
- Attach the terminal board to the indoor unit with 1 screw (accessory for option).
- Connect the connector of wire with the EMI core to the communication PCB, then fix it with the cable tie (accessory for option).
- Connect the communication kit and main PCB.
- Connect the wired remote controller cable to the terminal block as shown in the figure.
- Replace the control cover, front panel, and Intake grille.
Group control
NOTE:
Group control cannot be used together with a WLAN adapter.
Group control system
A number of indoor units can be operated at the same time using a single remote controller.
When different types of indoor units (such as wall-mounted type and cassette type, cassette type, duct tape, or other combinations) are connected using a group control system, some functions may no longer be available.
- Connect up to 16 indoor units in a system.
- A, B, C, D, E : Remote controller cable.
- A+B+C+D+E ≤ 546.8 yd (500 m).
Example of wiring method
- Address automatic setting
Addresses will be automatically set when initially starting up this unit. In such a case, do not change the remote controller address for the indoor unit.
FUNCTION SETTING
Perform the Function setting according to the installation conditions using the remote controller.
CAUTION
- Confirm whether the wiring work for the outdoor unit has been finished.
- Confirm that the cover for the electrical enclosure on the outdoor unit is in place.
- This procedure changes to the Function settings used to control the indoor unit according to the installation conditions. Incorrect settings can cause the indoor unit to malfunction.
- After the power is turned on, perform the Function setting according to the installation conditions using the remote controller.
- The settings may be selected between the following two: Function number or setting value.
- Settings will not be changed if invalid numbers or setting values are selected.
Remote controller setting
Entering the function setting mode
While pressing [FAN SPEED] and [TEMP./SELECT ( )] simultaneously, press [RESET] to enter the function setting mode.
STEP 1
Setting the remote controller custom code
Use the following steps to select the custom code of the remote controller. (Note that the air conditioner cannot receive a custom code if the air conditioner has not been set for the custom code.) The custom code that is set through this process are applicable only to the custom in the function setting.
- Press [TEMP./SELECT ( )] to change the custom code between A ( ) ↔ B ( ) ↔ C ( / ) ↔ D ( ). Match the code on the display to the air conditioner custom code. (initially set to ) (If the custom code does not need to be selected, press [MODE] and proceed to STEP 2.)
- Press [MODE] to accept the custom code, and proceed to STEP 2
The air conditioner custom code is set to prior to shipment. Contact your retailer to change the custom code.
The remote controller resets to custom code when the batteries in the remote controller are replaced. If you use a custom code other than the custom code, reset the custom code after replacing the batteries. If you do not know the air conditioner custom code setting, try each of the custom codes (A ( ) ↔ B ( ) ↔ C ( / ) ↔ D ( )) until you find the code which operates the air conditioner.
STEP 2
Setting the function number and setting the value
- Press [TEMP./SELECT] to select the function number. (Press [MODE] to switch between the left and right digits.)

- Press [FAN SPEED] to proceed to set the value. (Press [FAN SPEED] again to return to the function number selection.)
- Press [TEMP./SELECT] to select the setting value. (Press [MODE] to switch between the left and right digits.)
- Press [TIMER], then after you hear the beep emitted from the indoor unit, press to confirm the settings.
- Press [RESET] to cancel the function setting mode.
- After completing the function setting, be sure to disconnect the power supply and then reconnect it.
CAUTION
- After disconnecting the power supply, wait 30 seconds or more before reconnecting it.
- The Function Setting will not become active unless the power supply is disconnected and then reconnected.
- When using a custom code other than A, press [RESET] and then press and hold [MODE] again for 5 seconds or more to set the custom code.
Function details
Filter sign
Select appropriate intervals for displaying the filter sign on the indoor unit according to the estimated amount of dust in the air of the room. If the indication is not required, select “No indication” (03).
| Function number | Setting value | Setting description |
|
11 | 00 | Standard (400 hours) |
| 01 | Long interval (1000 hours) | |
| 02 | Short interval (200 hours) | |
| 03 | No indication |
Auto restart
Enable or disable automatic restart after a power interruption.
| Function number | Setting value | Setting description |
| 40 | 00 | Enable |
| 01 | Disable |
Auto restart is an emergency function such as for power outage etc. Do not attempt to use this function in normal operation. Be sure to operate the unit by remote controller or external device.
Room temperature sensor switching
(Only for wired remote controller) When using the Wired remote controller temperature sensor, change the setting to “Both” (01).
| Function number | Setting value | Setting description |
| 42 | 00 | Indoor unit |
| 01 | Both |
- 00: Sensor on the indoor unit is active.
- 01: Sensors on both indoor unit and wired remote controller are active.
Remote controller sensor must be turned on by using the remote controller
Remote controller custom code
(Only for the wireless remote controller) The indoor unit custom code can be changed. Select the appropriate custom code.
| Function number | Setting value | Setting description |
|
44 | 00 | A |
| 01 | B | |
| 02 | C | |
| 03 | D |
External input control
“Operation/Stop” mode or “Forced stop” mode can be selected.
| Function number | Setting value | Setting description |
|
46 | 00 | Operation/Stop mode 1 (R.C. enabled) |
| 01 | (Setting prohibited) | |
| 02 | Forced stop mode | |
| 03 | Operation/Stop mode 2 (R.C. disabled) |
Room temperature sensor switching (Aux.)
To use the temperature sensor on the wired remote controller only, change the setting to “Wired remote controller” (01). This function will only work if the function setting 42 is set at “Both” (01).
| Function number | Setting value | Setting description |
| 48 | 00 | Both |
| 01 | Wired remote controller |
Indoor unit fan control for energy saving for cooling
Enables or disables the power-saving function by controlling the indoor unit fan rotation when the outdoor unit is stopped during cooling operation.
| Function number | Setting value | Setting description |
| 49 | 00 | Disable |
| 01 | Enable | |
| 02 | Remote controller |
- 00: When the outdoor unit is stopped, the indoor unit fan operates continuously following the setting on the remote controller.
- 01: When the outdoor unit is stopped, the indoor unit fan operates intermittently at a very low speed.
- 02: Enable or disable this function by remote controller setting.
When using a wired remote controller without an Indoor unit fan control for energy saving for cooling function, or when connecting a single split converter, the setting cannot be made by using the remote controller. Set to (00) or (01). To confirm, if the remote controller has this function, refer to the operation manual of each remote controller.
Switching functions for the external output terminal
Functions of the external output terminal can be switched.
| Function number | Setting value | Setting description |
|
60 | 00 | Operation status |
| 01 to 08 | Other status (Refer to the Design & technical manual.) | |
| 09 | Error status | |
| 10 | Interlocked with indoor fans | |
| 11 | External heater output |
Control switching of external heaters
Sets the control method for the external heater being used. For details of the control method, refer to the Design & Technical Manual.
| Function number | Setting value | Setting description |
|
61 | 00 | Auxiliary heater control 1 |
| 01 | Auxiliary heater control 2 | |
| 02 | Heat pump prohibition control | |
| 03 | Heater selection control using outdoor temperature 1 | |
| 04 | Heater selection control using outdoor temperature 2 | |
| 05 | Auxiliary heater control by outdoor temperature 3 | |
| 06 | Auxiliary heat pump control | |
| 07 | Auxiliary heat pump control by outdoor temperature 1 | |
| 08 | Auxiliary heat pump control by outdoor temperature 2 | |
| 09 | Auxiliary heat pump control by outdoor temperature 3 |
Standby time for auxiliary equipment operation
Sets the standby time until the auxiliary equipment operation starts during primary equipment operation.
| Function number | Setting value | Setting description |
|
71 | 00 | Disable |
| 01 | 1 minutes | |
| 02 to 98 | 2 minutes to 98 minutes | |
| 99 | 99 minutes |
Heat pump backup setting
Enables or disables the heat pump backup instruction from the outdoor unit. This function will be usable provided that the corresponding outdoor unit is connected.
| Function number | Setting value | Setting description |
| 72 | 00 | Disable |
| 01 | Enable |
Emergency heat for the external output terminal
Enables or disables emergency heat input. To use this function, select “External heater output” after entering “Function Number 60”. For more information, Refer to the Design & technical manual.
| Function number | Setting value | Setting description |
| 73 | 00 | Disable |
| 01 | Enable |
Setting record
Record any changes to the settings in the following table.
| Function number | Setting description | Setting value |
| 11 | Filter sign | |
| 40 | Auto restart | |
| 42 | Room temperature sensor switching | |
| 44 | Remote controller custom code | |
| 46 | External input control | |
| 48 | Room temperature sensor switching (Aux.) | |
| 49 | Indoor unit fan control for energy saving for cooling | |
| 60 | Switching functions for external output terminal | |
| 61 | Control switching of external heaters | |
| 71 | Standby time for auxiliary equipment operation | |
| 72 | Heat pump backup setting | |
| 73 | Emergency heat for external output terminal |
After completing the Function Setting, be sure to disconnect the power supply and then reconnect it.
Temperature correction
NOTES:
When changing Function 95, perform this setting before another Room temp. control settings (Function 30, 31, 35, 36). If Function 95 is not set fi rst, Room temperature control settings (Function 30, 31, 35, 36) will be reset and you must re-do them again.
Heat Insulation condition (building insulation)
Heat insulation conditions diff er according to the installed environment. “Standard insulation” (00) allows the system to rapidly respond to cooling or heating load changes. “High insulation” (01) is when the heat insulation structure of the building is high and does not require a system to rapidly respond to cooling or heating load changes.
When “High insulation” (01) is selected;
- Overheating (overcooling) is prevented at the start-up.
- All room temp. control settings (Function 30, 31, 35, 36) will reset to “No correction” [0.0°F (0.0°C)].
| Function Number | Setting Value | Setting Description |
| 95 | 00 | Standard insulation |
| 01 | High insulation |
Room temperature control for indoor unit sensor
Depending on the installed environment, correction of the room temperature sensor may be required. Select the appropriate control setting according to the installed environment. The temperature of the room temperature sensor is corrected as follows:
Corrected temp. = Temp. of room temp. sensor – correction temp. value Example of correction:
When the temperature of room temp. sensor is 78 °F and the setting value is “03” (-2 °F), the corrected temp. will be 80 °F (78 °F [-2 °F]). The temperature correction values show the diff erence from the “Standard setting” (00)(manufacturer’s recommended value).
| Function number | Setting | Setting description | ||
| value | ||||
| 00 | Standard setting | ♦ | ||
| 01 | No correction 0 °F (0.0 °C) | |||
| 02 | -1 °F (-0.5 °C) |
More Cooling Less Heating | ||
| 03 | -2 °F (-1.0 °C) | |||
| 04 | -3 °F (-1.5 °C) | |||
| 05 | -4 °F (-2.0 °C) | |||
| 06 | -5 °F (-2.5 °C) | |||
| 07 | -6 °F (-3.0 °C) | |||
| 30 | 31 | 08 | -7 °F (-3.5 °C) | |
| (For cooling) | (For heating) | 09 | -8 °F (-4.0 °C) | |
| 10 | +1 °F (+0.5 °C) |
Less Cooling More Heating | ||
| 11 | +2 °F (+1.0 °C) | |||
| 12 | +3 °F (+1.5 °C) | |||
| 13 | +4 °F (+2.0 °C) | |||
| 14 | +5 °F (+2.5 °C) | |||
| 15 | +6 °F (+3.0 °C) | |||
| 16 | +7 °F (+3.5 °C) | |||
| 17 | +8 °F (+4.0 °C) | |||
Room temperature control for wired remote controller sensor Depending on the installed environment, correction of the wire remote temperature sensor may be required. Select the appropriate control setting according to the installed environment. To change this setting, set Function 42 to “Both” (01). Ensure that the Thermo Sensor icon is displayed on the remote controller screen.
| Function number | Setting | Setting description | ||
| value | ||||
| 00 | No correction | ♦ | ||
| 01 | No correction 0 °F (0.0 °C) | |||
| 02 | -1 °F (-0.5 °C) |
More Cooling Less Heating | ||
| 03 | -2 °F (-1.0 °C) | |||
| 04 | -3 °F (-1.5 °C) | |||
| 05 | -4 °F (-2.0 °C) | |||
| 06 | -5 °F (-2.5 °C) | |||
| 07 | -6 °F (-3.0 °C) | |||
| 35 | 36 | 08 | -7 °F (-3.5 °C) | |
| (For cooling) | (For heating) | 09 | -8 °F (-4.0 °C) | |
| 10 | +1 °F (+0.5 °C) |
Less Cooling More Heating | ||
| 11 | +2 °F (+1.0 °C) | |||
| 12 | +3 °F (+1.5 °C) | |||
| 13 | +4 °F (+2.0 °C) | |||
| 14 | +5 °F (+2.5 °C) | |||
| 15 | +6 °F (+3.0 °C) | |||
| 16 | +7 °F (+3.5 °C) | |||
| 17 | +8 °F (+4.0 °C) | |||
Setting record
Record any changes to the settings in the following table.
| Function number | Setting Description | Setting Value | |
| 95 | Heat Insulation condition (building insulation) | ||
| 30 | Room temperature control for indoor unit sensor | Cooling | |
| 31 | Heating | ||
| 35 | Room temperature control for wired remote controller sensor | Cooling | |
| 36 | Heating | ||
After completing the Function setting, be sure to disconnect the power and reconnect it again.
TEST RUN
Check items
- Is the operation of each button on the remote control unit normal?
- Does each lamp light normally?
- Do air fl ow direction louvers operate normally?
- Is the drain normal?
- Do not have an abnormal noise and vibration during operation?
- Is there an error left in the error memory?
- After installation, check that the display is “00 (normal)”. (For checking whether the display shows “00”, refer to “Service check in the Operation manual”.)
- If the display is other than “00 (normal)” even though it works normally, erase the error memory
- For “How to check the error memory” and “How to erase the error memory”, refer to the lower section of the “9. ERROR CODES” list.
- Do not operate the air conditioner in test run for a long time. (If you leave it as it is after the test run starts, it will end automatically in about 60 minutes.)
- After installation, check that the display is “00 (normal)”. (For checking whether the display shows “00”, refer to “Service check in the Operation manual”.)
Operation method
Before starting the test run, wait for 1 minute after connecting the power supply.
By the wireless remote controller
- To start the test run, press [START/STOP( )], press and hold on the remote control for 5 seconds or more by using the tip of a ballpoint pen or other small object.
By the indoor unit
- To start the test run, keep on pressing the indoor unit button for more than 10 seconds.
- To end test operation, press the remote controller [START/STOP]. (When the air conditioner is running by pressing, the “OPERATION” Lamp and “TIMER” Lamp will simultaneously flash slowly.)
FINISHING
- Insulate between pipes.
- Insulate suction and discharge pipes separately.
- For rear, right, and bottom piping, overlap the connection pipe heat insulation and indoor unit pipe heat insulation and bind them with vinyl tape so that there is no gap.
- Temporarily fasten the connection cable along the connection pipe with vinyl tape. (Wrap to about 1/3 the width of the tape from the bottom of the pipe so that water does not enter.)
- Fasten the connection pipe to the outside wall with a saddle, etc.
- Fill the gap between the outside wall pipe hole and the pipe with sealer so that rain water and wind cannot blow in.
- Fasten the drain hose to the outside wall, etc.
- Check the drainage.



- Open the intake grille of the indoor unit. Set an air cleaning filter (accessories) to each filter folder (accessories) and attach to the air filter. For details of how to assemble the air filter, Refer to the operation manual.
CUSTOMER GUIDANCE
Explain the following to the customer in accordance with the operation manual:
- Starting and stopping method, operation switching, temperature adjustment, timer, airflow switching, and other remote control unit operations.
- Air filter removal and cleaning, and how to use the air louvers.
- Give the operation manual to the customer.
ERROR CODES
If you use a wireless remote controller, the lamp on the photodetector unit will output error codes by way of blinking patterns. If you use a wired remote controller, error codes will appear on the remote control display. Refer to the lamp blinking patterns and error codes in the table. An error display is displayed only during operation. The error code table contains errors irrelevant to this product as well.
Error display on the indoor unit

For wired remote controller (optional)



Display mode
- 0.5s ON / 0.5s OFF
- 0.1s ON / 0.1s OFF
- Number of flashing
Error code on the wired remote controller (option)
Check the error
- If an error occurs, an error icon appears on the “Monitor mode screen”. Touch the [Status] on the “Monitor mode screen”. The “Status” screen is displayed.
- Touch the [Error Information] on the “Status” screen. The “Error Information” screen is displayed. (If there are no errors, the [Error Information] will not be displayed.)
- 2-digit numbers correspond to the error code in the table. Touch the [Next page] (or [Previous page]) to switch to other connected indoor units.

How to check the error memory
When an error occurs, the operation lamp (Green) and the timer lamp (Orange) indicate the error content by blinking. To check the error memory, follow the procedures below.
- Stop the operation of the air conditioner, and then disconnect the power supply.
- Reconnect the power supply.
- In one of the following two methods, the memorized error is only displayed during the “3 minutes ST”* state period.
- Start the operation and then press hold [ ] on the remote controller for 5 seconds or more.
or - Press hold [MANUAL AUTO] on the indoor unit for 10 seconds or more.

- Start the operation and then press hold [ ] on the remote controller for 5 seconds or more.
The “3 minutes ST” period lasts 2 minutes and 20 seconds after turning on the power supply.
How to erase the error memory
- Manual erase: Pressing [MANUAL AUTO] on the indoor unit while the “Error memory display” is being shown. (Short beep emits for about 3 seconds.).














































