SPLIT TYPE
ROOM AIR CONDITIONER
WALL MOUNTED TYPE![]()
| Indoor unit | Outdoor unit |
| ASYG07LMCA | AOYG07LMCA |
| ASYG09LMCA | AOYG09LMCA |
| ASYG12LMCA | AOYG12LMCA |
SPECIFICATIONS
ELECTRICAL DATA
| TYPE | Cool & heat inverter | |||
| INDOOR UNIT | ASYG07LMCA | ASYG09LMCA | ASYG12LMCA | |
| OUTDOOR UNIT | AOYG07LMCA | AOYG09LMCA | AOYG12LMCA | |
| COOLING CAPACITY | 2.00 kW | 2.50 kW | 3.40 kW | |
| HEATING CAPACITY | 3.00 kW | 3.20 kW | 4.00 kW | |
| POWER SOURCE | 230 V | |||
| FREQUENCY | 50 Hz | |||
| RUNNING CURRENT | Cooling | 2.5 A | 3.2 A | 4.6 A |
| Heating | 3.3 A | 3.5 A | 4.8 A | |
| INPUT WATTS | Cooling | 0.47 kW | 0.65 kW | 0.97 kW |
| Heating | 0.77 kW | 0.73 kW | 1.02 kW | |
| EER Cooling | 4.30 kW/kW | 3.85 kW/kW | 3.50 kW/kW | |
| COP Heating | 3.90 kW/kW | 4.38 kW/kW | 3.92 kW/kW | |
| MOISTURE REMOVAL | 1.0 L/h | 1.3 L/h | 1.8 L/h | |
| AIR CIRCULATION HIGH | 750 m3/h | |||
| MAXIMUM CURRENT | Cooling | 6.0 A | 6.5 A | |
| Heating | 7.5 A | 9.0 A | ||
FAN MOTOR
| POWER SOURCE | 230 V | ||
|
INDOOR UNIT Cooling | High | 1,320 r.p.m. | |
| Medium | 1,160 r.p.m. | ||
| Low | 930 r.p.m. | ||
| Quiet | 680 r.p.m. | ||
|
INDOOR UNIT Heating | High | 1,320 r.p.m. | |
| Medium | 1,160 r.p.m. | ||
| Low | 980 r.p.m. | ||
| Quiet | 710 r.p.m. | ||
| OUTDOOR UNIT | Cooling | 730 r.p.m. | 860 r.p.m. |
| Heating | 650 r.p.m. | 760 r.p.m. | |
NOISE LEVEL
|
INDOOR UNIT Cooling | High | 43 dB | |
| Medium | 40 dB | ||
| Low | 32 dB | ||
| Quiet | 21 dB | ||
|
INDOOR UNIT Heating | High | 43 dB | |
| Medium | 38 dB | ||
| Low | 33 dB | ||
| Quiet | 22 dB | ||
| OUTDOOR UNIT | Cooling | 45 dB | 50 dB |
| Heating | 45 dB | 50 dB | |
COMPRESSOR AND REFRIGERANT
| COMPRESSOR TYPE | Hermetic type, 4 pole, 3 phase, DC inverter motor, Rotary | ||
| DISCRIMINATION | 5SS072XHA01 | ASM89D10UFZ | |
| WEIGHT (with oil) | 6.0 kg | 8.9 kg | |
| PRECHARGED REFRIGERANT | 700 g | 850 g | |
| REFRIGERANT TYPE | R410A | ||
| Pipe length FULL CHARGE | 15 m | 700 g | 850 g |
| 20 m | 800 g | 950 g | |
| ADDITIONAL CHARGE | 20 g/m | ||
| MAXIMUM PIPING HEIGHT | 15 m | ||
DIMENSIONS
| INDOOR UNIT H x W x D | 268 x 840 x 203 mm |
| OUTDOOR UNIT H x W x D | 535 x 663 x 293 mm |
WEIGHT
| INDOOR UNIT Net / Shipping | 8.5 kg / 10.5 kg | |
| OUTDOOR UNIT Net / Shipping | 21 kg / 25 kg | 26 / 30 |
DIMENSIONS
INDOOR UNIT

REFRIGERANT SYSTEM DIAGRAM

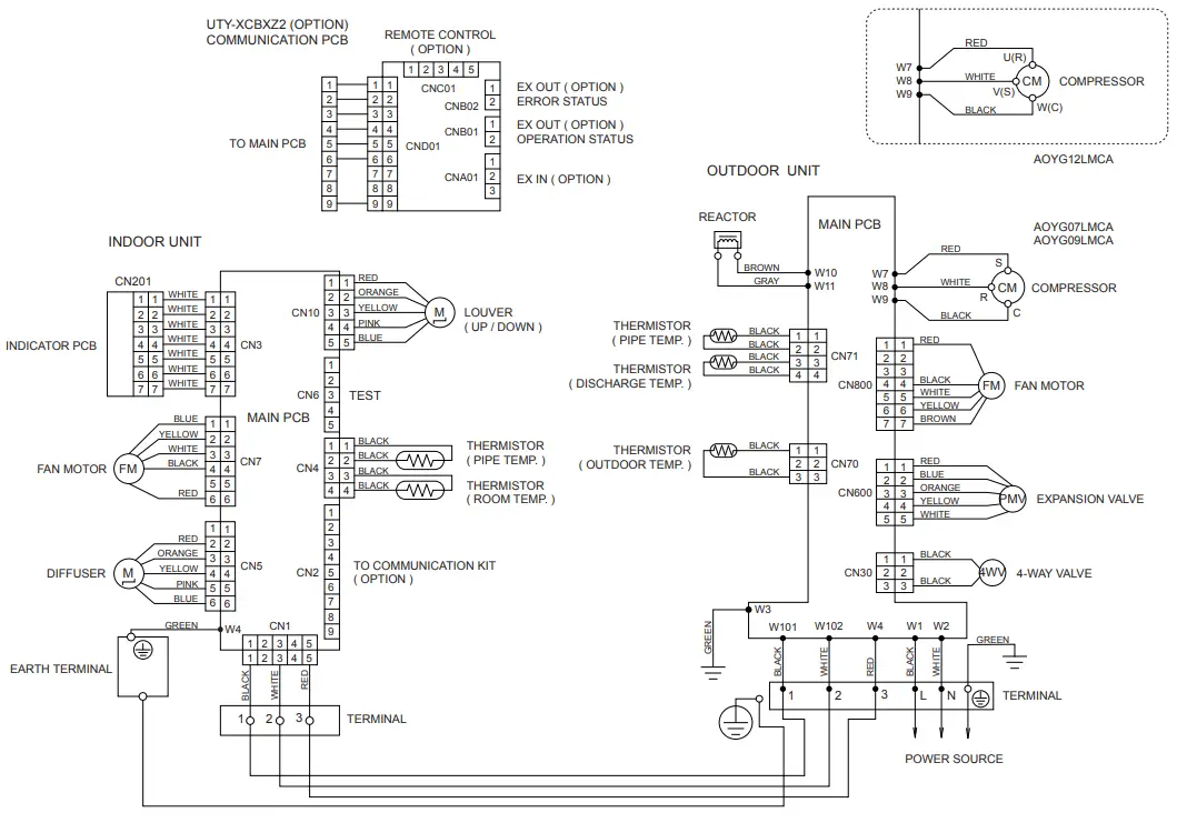
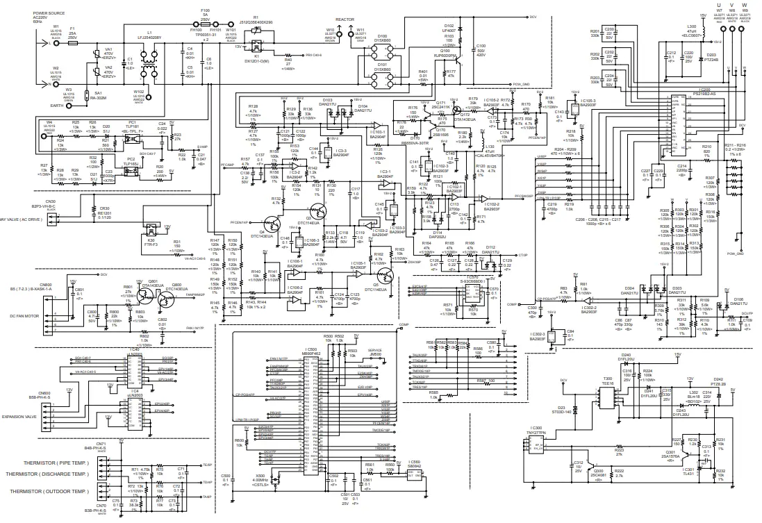
CIRCUIT DIAGRAM

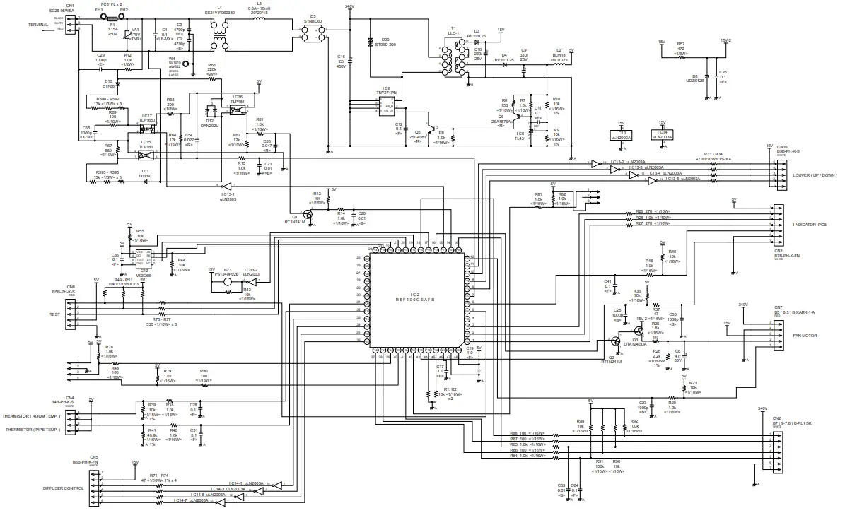
INDOOR PCB CIRCUIT DIAGRAM

INDOOR UNIT
MAIN PCB
ASYG07LMCA : K12JY-1202HSE-C2
ASYG09LMCA : K12JY-1200HSE-C1
ASYG12LMCA : K12JY-1201HSE-C1

INDOOR UNIT
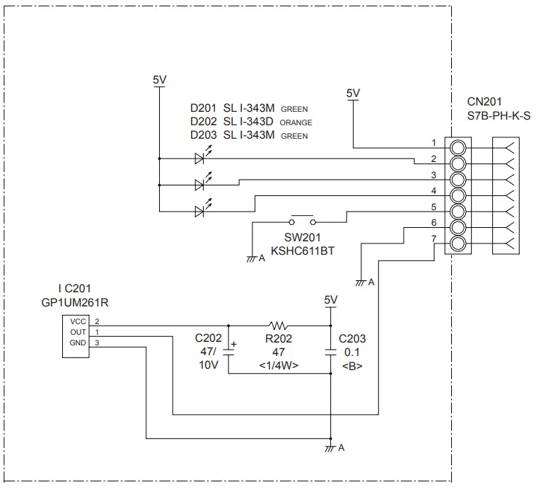
INDICATOR PCB
K12JZ-1200HSE-D0


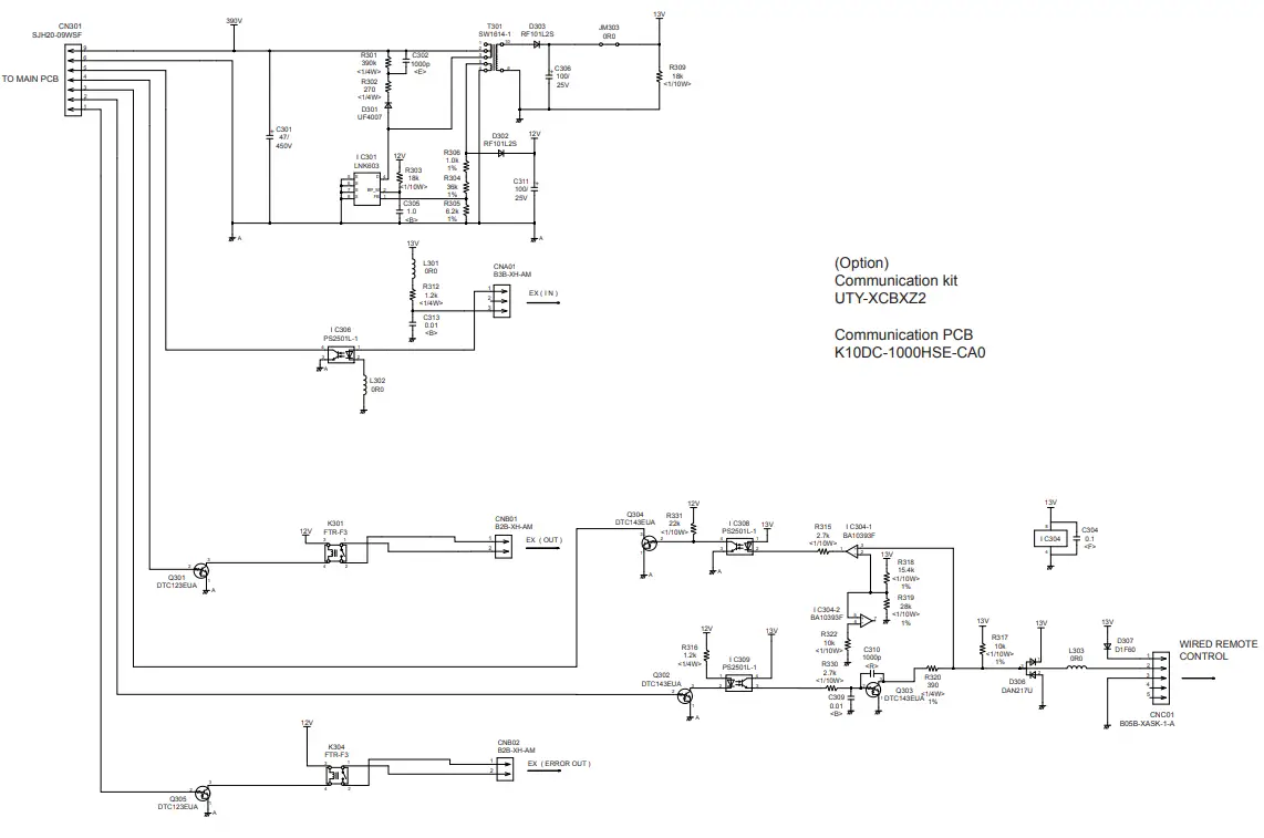
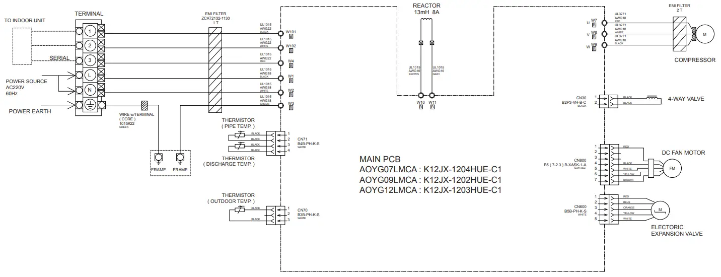
OUTDOOR PCB CIRCUIT DIAGRAM
INVERTER ASSEMBLY
AOYG07LMCA : EZ-0122CHUE
AOYG09LMCA : EZ-012PHUE
AOYG12LMCA : EZ-012RHUE

OUTDOOR UNIT
MAIN PCB
AOYG07LMCA : K12JX-1204HUE-C1
AOYG09LMCA : K12JX-1202HUE-C1
AOYG12LMCA : K12JX-1203HUE-C1

ERROR DETECTION
INDOOR UNIT
REMOTE CONTROL
If you use a wireless remote control, the lamp on the photo detector unit will output error codes by way of blinking patterns.
If you use a wired remote control, error codes will appear on the remote control display.
See the lamp blinking patterns and error codes in the table.
An error display is displayed only during operation.
: 0.5s ON / 0.5s OFF
: 0.1s ON / 0.1s OFF
( ) : Number of flashing
| Indoor unit lamps | Wired remote control | Description | ||
| OPERATION (green) | TIMER (orange) | ECONOMY (green) | ||
| Serial communication error | ||||
| Wired remote control communication error | ||||
| Check run unfinished | ||||
| | Indoor unit PCB model information error | |||
| Manual auto switch error | ||||
| Room temp. sensor error | ||||
| Indoor unit Heat Ex. Middle temp. sensor error | ||||
| Indoor unit fan motor error | ||||
| Drain pump error | ||||
| | Damper error | |||
| Intake grill error | ||||
| Indoor unit error | ||||
| | Outdoor unit main PCB model information error or communication error | |||
| | Inverter error | |||
| Active filter error, PFC circuit error | ||||
| | Trip terminal L error | |||

Wired remote control display (Option)
If an error occurs, the following display will be shown.
(“Er” will appear in the set room temperature display.)

| Indoor unit lamps | Wired | Description | ||
| OPERATION (green) | TIMER (orange) | ECONOMY (green) | remote control | |
| Display PCB microcomputers communication error | ||||
| | Discharge temp. sensor error | |||
| | Compressor temp. sensor error | |||
| Outdoor unit Heat Ex. liquid temp. sensor error | ||||
| Outdoor temp. sensor error | ||||
| Suction Gas temp. sensor error | ||||
| | • 2-way valve temp. sensor error • 3-way valve temp. sensor error | |||
| | Heat sink temp. sensor error | |||
| • Sub-cool Heat Ex. gas inlet temp. sensor error • Sub-cool Heat Ex. gas outlet temp. sensor error | ||||
| | Liquid pipe temp. sensor error | |||
| | Current sensor error | |||
| • Discharge pressure sensor error • Suction pressure sensor error • High pressure switch error | ||||
| Trip detection | ||||
| Compressor rotor position detection error (permanent stop) | ||||
| Outdoor unit fan motor error | ||||
| | 4-way valve error | |||
| Discharge temp. error | ||||
| Compressor temp. error | ||||
| High pressure error | ||||
| Low pressure error | ||||
| Branch boxes error | ||||
PARTS
INDOOR UNIT
ASYG07LMCA
ASYG09LMCA
ASYG12LMCA

| Ref. | Description | Part number |
| 1 | Remote Control | 9319208008 |
| 2 | Remote Control Holder | 9318912005 |
| 3 | Bracket Panel | 9332882018 |
| 4 | Electric Filter Holder | 9332911008 |
| 5 | Air Clean Filter Assy | 9317250009 |
| 6 | Air Filter | 9332875003 |
| 7 | Front Panel Sub Assy (FUJITSU) | 9332994001 |
| 8 | Intake Grille (FUJITSU) | 9333052007 |
| 9 | Wire Cover | 9332894004 |
| 10 | Wire Shield | 9332906004 |
| 11 | Louver with Shaft cover | 9333353005 |
| 12 | Diffuser Assy | 9332998009 |
| 13 | Screw cap | 9309002081 |

| Ref. | Description | Part number |
| 21 | Cover Shield | 9332915006 |
| 22 | Control Box | 9332892000 |
| 23 | Box Shield Assy | 9332877007 |
| 24 | Main PCB (07) | 9709427033 |
| 24 | Main PCB (09) | 9709427019 |
| 24 | Main PCB (12) | 9709427026 |
| 25 | Terminal | 9900720001 |
| 26 | Earth Terminal | 9332880007 |
| 27 | Display Assy | 9709430019 |
| 28 | Room Thermistor Holder | 9332868005 |
| — | Thermistor Assy | 9900714024 |

| Ref. | Description | Part number |
| 31 | Evaporator Total Assy | 9332989007 |
| 32 | Fan Motor | 9603269005 |
| 33 | Crossflow Fan Assy | 9316830004 |
| 34 | Bearing C Assy | 9306628017 |
| 35 | Casing Assy | 9333009001 |

| Ref. | Description | Part number |
| 41 | Casing | 9332890006 |
| 42 | Motor Holder L/R | 9332859003 |
| 43 | Cable Guide | 9332903003 |
| 44 | Casing Cover F | 9332909005 |
| 45 | Casing Cover B | 9332908008 |
| 46 | R and L Louver A | 9332891003 |
| 47 | Step Motor | 9900790004 |
| 48 | Step Motor | 9900790011 |
| 49 | Fan Guard | 9332905007 |
| 50 | Drain Cap | 9316177017 |
| 51 | Drain Hose Assy | 9316904002 |
OUTDOOR UNIT

| Ref. | Description | Part number |
| 1 | Protective Net | 9332855005 |
| 2 | Thermistor Holder | 9332505009 |
| 3 | Top Panel Assy | 9332977004 |
| 4 | Front Panel Assy | 9332965001 |
| 5 | Cabinet Left Assy | 9332962000 |
| 6 | Cabinet Right Assy | 9332963007 |
| 7 | Switch Cover A Assy | 9332964004 |
| 8 | Switch Cover B | 9332843002 |
| 9 | Fan Motor | 9603074043 |
| 10 | Propeller Fan | 9309909014 |
| 11 | Base Assy (07, 09) | 9332888003 |
| 11 | Base Assy (12) | 9332888010 |
| 12 | Drain Assy | 9332574005 |
| — | Emblem | 9319151007 |
OUTDOOR UNIT

| Ref. | Description | Part number |
| 21 | Reactor Assy | 9900787028 |
| 22 | PCB Holder | 9332506006 |
| 23 | Main PCB with Terminal (07) | 9709435052 |
| 23 | Main PCB with Terminal (09) | 9709435038 |
| 23 | Main PCB with Terminal (12) | 9709435045 |
| 24 | Heat Sink B | 9332522006 |
| — | Thermistor Assy | 9900719029 |
| — | Thermistor | 9900717025 |
OUTDOOR UNIT
AOYG07LMCA
AOYG09LMCA

| Ref. | Description | Part number |
| 31 | Condenser Total Assy | 9332924008 |
| 32 | Compressor Assy | 9317083034 |
| 33 | Solenoid | 9970079030 |
| 34 | 4-way Valve Assy | 9333012001 |
| 35 | Expansion Valve Coil | 9970137013 |
| 36 | Pulse Motor Valve Sub Assy | 9333023007 |
OUTDOOR UNIT AOYG12LMCA

| Ref. | Description | Part number |
| 41 | Condenser Total Assy | 9333013008 |
| 42 | Compressor Assy | 9332603002 |
| 43 | Solenoid | 9970079030 |
| 44 | 4-way Valve Assy | 9333979007 |
| 45 | Expansion Valve Coil | 9970137013 |
| 46 | Pulse Motor Valve Sub Assy | 9333023007 |
ACCESSORIES

1302G4184















