FUJITSU ASYG24LFCC Split Type Room Air Conditioner Wall Mounted Type

Product Information
Specifications
- The ASYG24LFCC AOYG24LFCC is a cool and heat inverter type air conditioner with a cooling capacity of 7.10 kW and a heating capacity of 8.00 kW. It operates on a power source of 230 V and a frequency of 50 Hz. The running current for both cooling and heating is 9.7 A, with an input wattage of 2.20 kW for cooling and 2.21 kW for heating. The E.E.R. for cooling is 3.23 kW/kW, while for heating it is 3.61 kW/kW. The moisture removal capacity is 2.7 L/hr, and the maximum air circulation for high is 1,120 m3/hr. The maximum current for cooling is 13.5 A, and for heating, it is 18.5 A.
- The fan motor power source is 230 V, and the motor has four speeds – high, medium, low, and quiet. The indoor unit (cool) fan motor has a speed of 1,480 r.p.m. at high speed, while the outdoor unit (cool) fan motor has a speed of 1,100 r.p.m. at high speed. The indoor unit (heat) fan motor has a speed of 1,220 r.p.m. at high speed, while the outdoor unit (heat) fan motor has a speed of 1,050 r.p.m. at high speed.
- The noise level for the indoor unit (cool) is 49 dB at high speed, 42 dB at medium speed, and 37 dB at low and quiet speeds. The noise level for the indoor unit (heat) is 48 dB at high speed, 42 dB at medium speed, and 37 dB at low and quiet speeds. The noise level for the outdoor unit (cool) is 55 dB, while for the outdoor unit (heat) it is 56 dB.
- The compressor and refrigerant type is hermetic type, 6 pole, rotary. The precharged refrigerant is R410A, with a full charge of 1,800 g and an additional charge of 2,100 g. The maximum height difference is 20 m, with a pipe length of 15 m and an additional refrigerant charge of 20 g/m.
Product Dimensions
- The indoor unit has dimensions of 320 x 998 x 238 mm and weighs 18 kg for shipping and 14 kg for net weight. The outdoor unit has dimensions of 620 x 790 x 290 mm and weighs 45 kg for shipping and 41 kg for net weight.
Refrigerant System Diagram
The refrigerant system diagram includes components such as a pressure switch, muffler, 3-way valve, compressor, 4-way valve, sub-accumulator, heat exchanger (indoor unit), strainer, expansion valve, heat exchanger (outdoor unit), and cooling flow and heating flow. The refrigerant pipe diameter for liquid is 1/4 (6.35 mm), and for gas is 5/8 (15.88 mm).
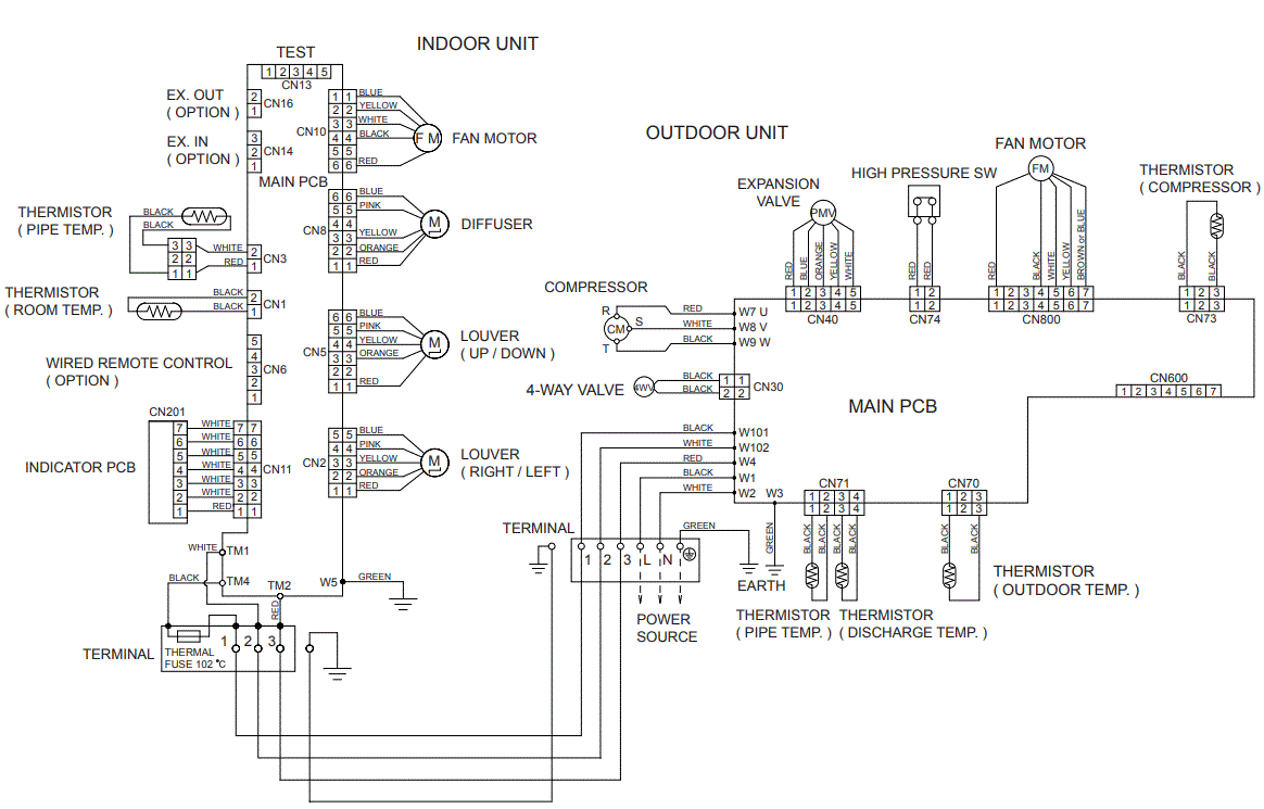
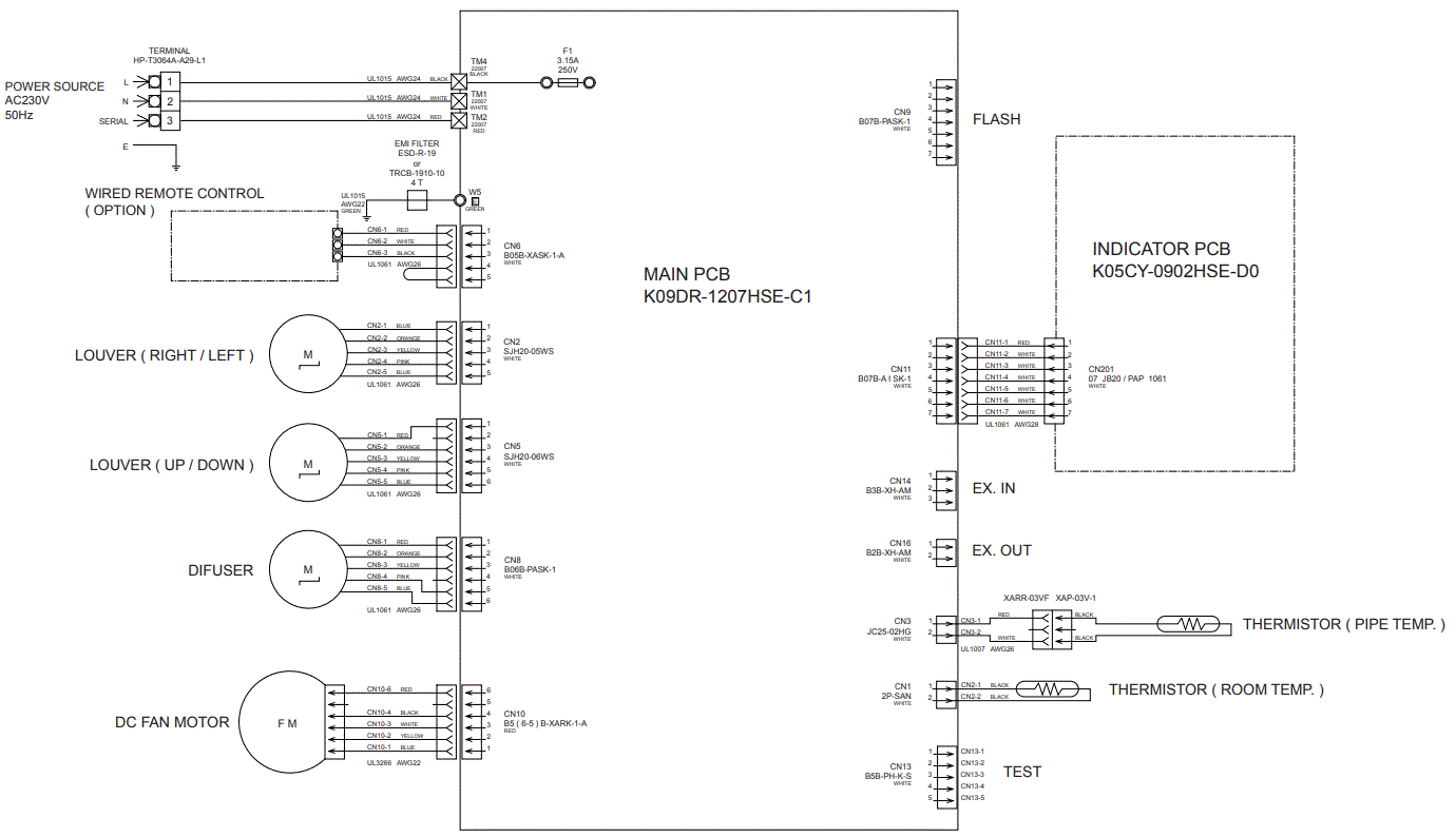
Indoor Unit Circuit Diagram
- The indoor unit circuit diagram includes components such as a fan motor, diffuser, and thermistors for pipe temperature and room temperature. It also includes an indicator PCB, wired remote control (option), and thermal fuse 102.
Product Usage Instructions
- Install the indoor and outdoor units according to the dimensions specified in the manual.
- Connect the refrigerant pipes according to the refrigerant system diagram.
- Connect the power source and frequency according to the specifications.
- Set the fan motor speed according to your preference using the wired remote control (optional).
- Set the temperature and mode (cooling or heating) using the wired remote control (optional).
- Monitor the noise level and adjust the fan motor speed and mode accordingly.
- Clean the air filters regularly to maintain optimum performance.
- In case of an error detection, refer to the error detection section in the manual and contact a qualified technician for assistance.
SPECIFICATIONS
ELECTRICAL DATA
| TYPE | Cool & heat inverter | |
| INDOOR UNIT | ASYG24LFCC | |
| OUTDOOR UNIT | AOYG24LFCC | |
| COOLING CAPACITY | 7.10 kW | |
| HEATING CAPACITY | 8.00 kW | |
| POWER SOURCE | 230 V | |
| FREQUENCY | 50 Hz | |
| RUNNING CURRENT | COOLING | 9.7 A |
| HEATING | 9.7 A | |
| INPUT WATTS | COOLING | 2.20 kW |
| HEATING | 2.21 kW | |
| E.E.R. COOLING | 3.23 kW/kW | |
| COP HEATING | 3.61 kW/kW | |
| MOISTURE REMOVAL | 2.7 L/hr | |
| AIR CIRCULATION HIGH | 1,120 m3/hr | |
| MAXIMUM CURRENT | COOLING | 13.5 A |
| HEATING | 18.5 A | |
FAN MOTOR
| POWER SOURCE | 230 V | |
|
INDOOR UNIT (Cool) | High | 1,480 r.p.m. |
| Medium | 1,220 r.p.m. | |
| Low | 1,020 r.p.m. | |
| Quiet | 860 r.p.m. | |
|
INDOOR UNIT (Heat) | High | 1,480 r.p.m. |
| Medium | 1,220 r.p.m. | |
| Low | 1,020 r.p.m. | |
| Quiet | 860 r.p.m. | |
| OUTDOOR UNIT (Cool) | 1,100 r.p.m. | |
| OUTDOOR UNIT (Heat) | 1,050 r.p.m. | |
NOISE LEVEL
|
INDOOR UNIT (Cool) | High | 49 dB |
| Medium | 42 dB | |
| Low | 37 dB | |
| Quiet | 32 dB | |
|
INDOOR UNIT (Heat) | High | 48 dB |
| Medium | 42 dB | |
| Low | 37 dB | |
| Quiet | 32 dB | |
| OUTDOOR UNIT (Cool) | 55 dB | |
| OUTDOOR UNIT (Heat) | 56 dB | |
COMPRESSOR AND REFRIGERANT
| TYPE | Hermetic type, 6 pole, Rotary | |
| DISCRIMINATION | N-SF17ND1A | |
| WEIGHT WITH OIL | 10.6 kg | |
| PRECHARGED REFRIGERANT | 1,800 g | |
| REFRIGERANT TYPE | R410A | |
| Pipe length FULL CHARGE | 15 m | 1,800 g |
| 30 m | 2,100 g | |
| ADDITIONAL CHARGE | 20 g/m | |
| MAXIMUM HEIGHT DIFFERENCE | 20 m | |
DIMENSIONS
| INDOOR UNIT H x W x D | 320 x 998 x 238 mm |
| OUTDOOR UNIT H x W x D | 620 x 790 x 290 mm |
WEIGHT
| INDOOR UNIT Shipping / Net | 18 kg / 14 kg |
| OUTDOOR UNIT Shipping / Net | 45 kg / 41 kg |
DIMENSIONS
Unit: mm
INDOOR UNIT


- Drain hose length: 670 mm
- Drain hose diameter
- Inside: 12 mm
- Outside: 16 mm
OUTDOOR UNIT

DIAGRAMS
REFRIGERANT SYSTEM DIAGRAM

![]()
- Cooling flow
- Heating flow
Refrigerant pipe diameter
- Liquid: 1/4″ (6.35 mm)
- Gas: 5/8″ (15.88 mm)
CIRCUIT DIAGRAM

INDOOR PCB CIRCUIT DIAGRAM

INDOOR UNIT
- MAIN PCB
- K09DR-1207HSE-C1

INDOOR UNIT
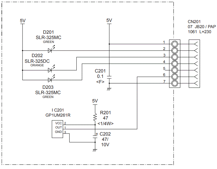
- INDICATOR PCB
- K05CY-0902HSE-D0

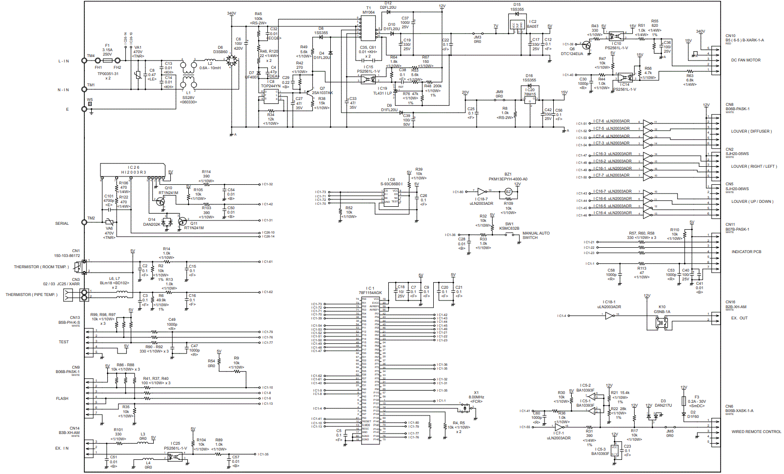
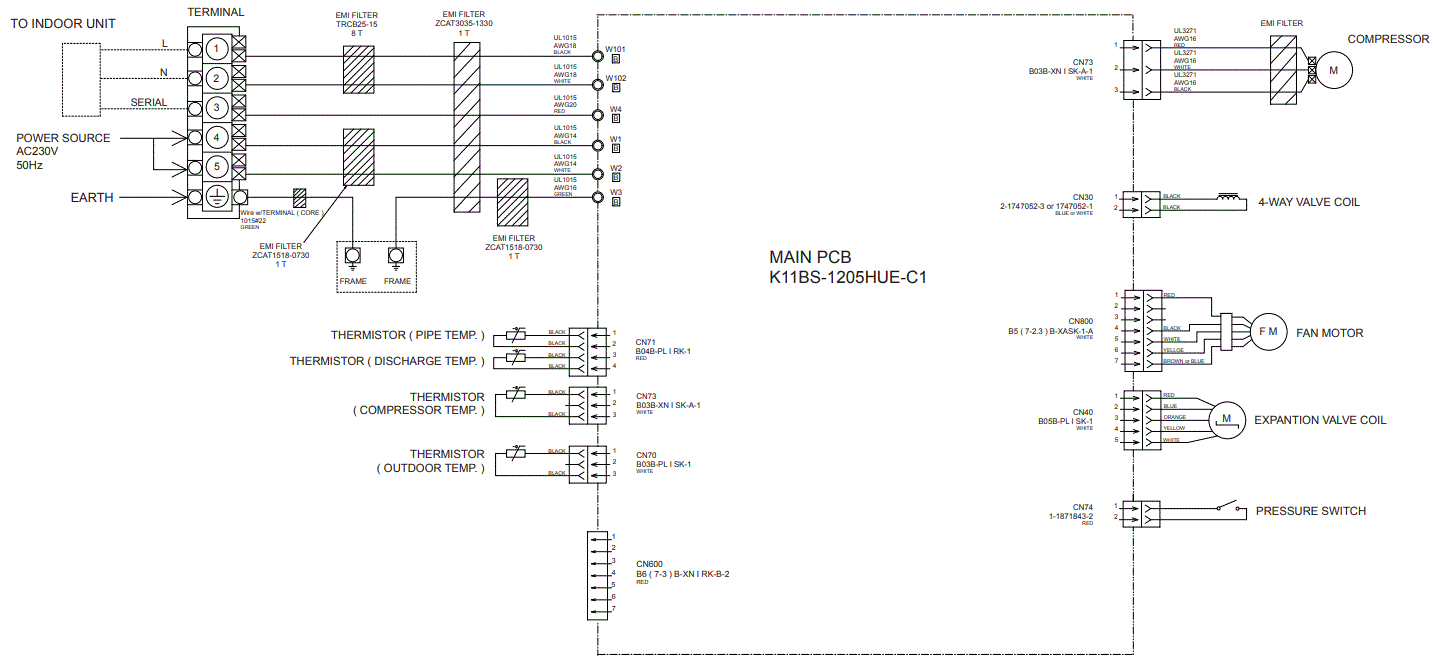
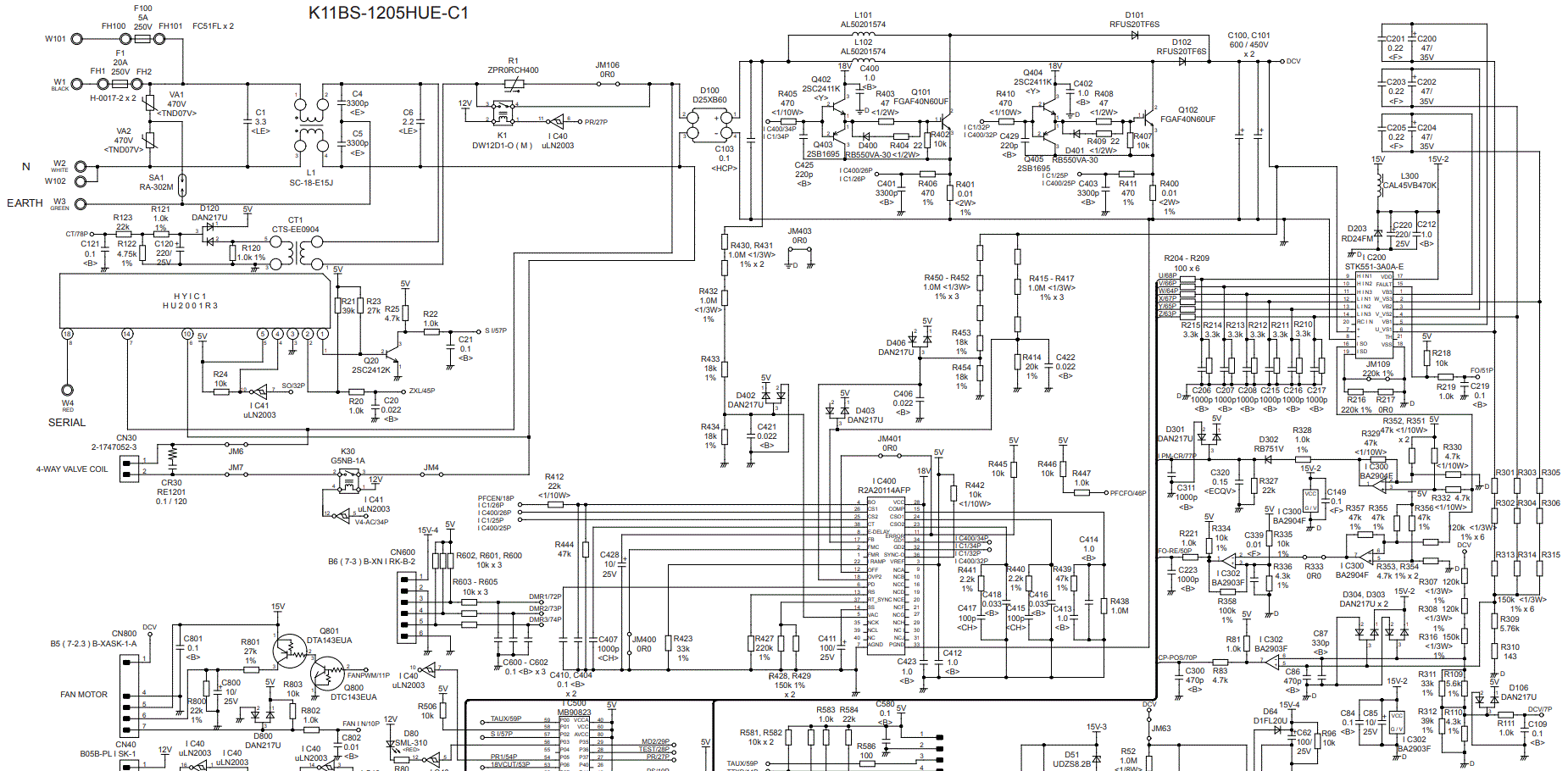
OUTDOOR PCB CIRCUIT DIAGRAM

OUTDOOR UNIT
- MAIN PCB
- K11BS-1205HUE-C1


ERROR DETECTION
INDOOR UNIT and WIRED REMOTE CONTROL
- If you use a wireless remote control, the lamp on the photo detector unit will output error codes by way of blinking patterns.
- If you use a wired remote control, error codes will appear on the remote control display.
- See the lamp blinking patterns and error codes in the table. An error display is displayed only during operation.
Troubleshooting with the wired remote control

- If an error occurs, the following display will be shown.
- (“Er” will appear in the set room temperature display.)
: 0.5s on / 0.5s off
: 0.1s on / 0.1s off- ( ): Number of flashing


PARTS
INDOOR UNIT


| Ref | Description | Parts number |
| 1 | Front Panel Total Assy | 9318738001 |
| 2 | Front Panel | 9314991080 |
| 3 | Intake Grille Assy | 9385985049 |
| 4 | Air Filter | 9315014016 |
| 5 | Receiver Window | 9315010018 |
| 6 | Clamper Grille | 9306755010 |
| 7 | Wire Clamper | 9315015013 |
| 8 | Cap (Screw) | 9309002074 |
| 9 | Bracket Panel | 9315023018 |
| 10 | Remote Control | 9379219037 |
| 11 | Remote Control Holder | 9305642045 |
| — | Air Clean Filter Assy | 9315212016 |

| Ref | Description | Parts number |
| 21 | Evaporator Total Assy | 9315338112 |
| 22 | Connection Pipe Assy | 9315355058 |
| 23 | Water Seal | 9315251015 |
| 24 | Evaporator Holder R | 9314994012 |
| 25 | Evaporator Holder L | 9314995019 |
| 26 | Rear Bracket | 9315022011 |
| 27 | Filter Guide | 9315013019 |
| 28 | Filter Guard | 9315411013 |
| 29 | Bearing C Assy | 9306628017 |
| 30 | Crossflow Fan Assy | 9315024015 |
| 31 | Holder (Room Thermistor) | 9315252012 |
| 32 | Pipe Thermistor | 9900551018 |

| Ref | Description | Parts number |
| 41 | Casing Assy | 9315331045 |
| 42 | Casing | 9314993015 |
| 43 | Casing Cover B | 9315016010 |
| 44 | Casing Cover L | 9315017017 |
| 45 | Casing Cover R | 9315018014 |
| 46 | Casing Cover F | 9315019011 |
| 47 | Drain Cap | 9367677009 |
| 48 | Drain Hose Assy | 9315769015 |
| 49 | Bush B | 9312156016 |
| 50 | Spacer D | 9315282019 |
| 51 | Louver U | 9315000026 |
| 52 | Louver Z | 9315001023 |
| 53 | Diffuser U | 9315002020 |
| 54 | Diffuser Z | 9315003027 |
| 55 | Spring C | 9314142017 |
| 56 | Piller A | 9315009012 |
| 57 | Joint B | 9315006011 |
| 58 | R and L Louver | 9311997016 |
| – | Fan Guard | 9305751051 |
| – | Fan Guard Holder Right | 9315814012 |
| – | Fan Guard Holder Left | 9315815019 |

| Ref | Description | Parts number |
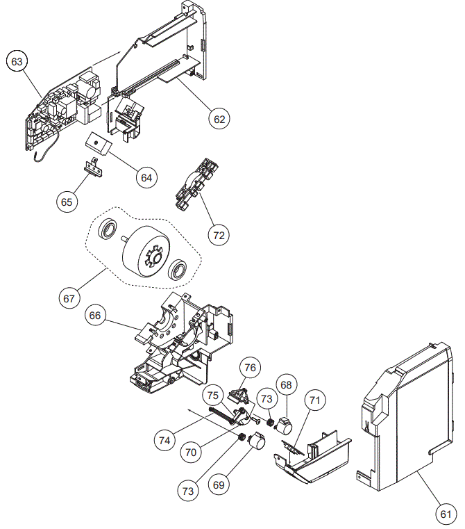
| 61 | Control Box Cover | 9314997013 |
| 62 | Control Box | 9314996016 |
| 63 | Main PCB | 9708540207 |
| 64 | Terminal | 9900447014 |
| 65 | Terminal Earth | 9315028020 |
| 66 | Motor Case | 9314998034 |
| 67 | Fan Motor Assy | 9602703012 |
| 68 | Motor Step (Red) | 9900384029 |
| 69 | Motor Step (Green) | 9900384036 |
| 70 | Motor Step (Blue) | 9900139063 |
| 71 | Indicator PCB | 9707210057 |
| 72 | Clamper (Motor) | 9315012012 |
| 73 | Gear A | 9309994003 |
| 74 | Joint A | 9315005014 |
| 75 | Link A | 9315008015 |
| 76 | Link Holder | 9315007018 |
| — | Bush B | 9312156016 |
OUTDOOR UNIT

| Ref. | Description | Part number |
| 1 | Protective Net | 9331640015 |
| 2 | Top Panel Assy | 9318464139 |
| 3 | Front Panel Assy | 9318463040 |
| 4 | Cabinet Left Assy | 9318461015 |
| 5 | Cabinet Right Assy | 9318462012 |
| 6 | Grip | 9317588003 |
| 7 | Switch Cover Assy | 9318499001 |
| 8 | Motor Bracket Assy | 9319124001 |
| 9 | Fan Motor | 9602724017 |
| 10 | Propeller Fan | 9313808013 |
| 11 | Base Assy | 9316885066 |
| — | Emblem | 9319151007 |
| — | Drain Assy | 9303029022 |

| 21 | Shield Panel | 9319542003 |
| 22 | Inverter Case Assy | 9319548012 |
| 23 | PCB Holder | 9319547015 |
| 24 | Main PCB | 9708996165 |
| 25 | Heat Sink | 9319540009 |
| 26 | Terminal Bracket | 9319543017 |
| 27 | Terminal 6P | 9900435028 |
| — | Outdoor Thermistor | 9900565008 |
| — | Thermistor Assy | 9900727017 |
| — | Compressor Thermistor | 9900777012 |

| 31 | Condenser Total Assy | 9317089166 |
| 32 | Compressor | 9810244000 |
| 33 | 2-way Valve Assy | 9314554018 |
| 34 | 3-way Valve Sub Assy | 9319098005 |
| 35 | 4-way Valve Assy | 9319874012 |
| 36 | Solenoid | 9970110023 |
| 37 | Pulse Motor Valve Assy | 9314557019 |
| 38 | Expansion Valve Coil | 9970095030 |
ACCESSORIES
INDOOR UNIT


OUTDOOR UNIT


















