FUJITSU ASYA24LCC Split Type Room Air Conditioner Wall Mounted Type

SPECIFICATIONS
ELECTRICAL DATA
| INDOOR UNIT | ASYA24LCC | |
| OUTDOOR UNIT | AOYR24LC_ | |
| COOLING CAPACITY | 7.10 kW | |
| HEATING CAPACITY | 8.10 kW | |
| POWER SOURCE | 230 V | |
| FREQUENCY | 50 Hz | |
| RUNNING CURRENT | Cooling | 9.7 A |
| Heating | 9.8 A | |
| INPUT WATTS | Cooling | 2.21 kW |
| Heating | 2.24 kW | |
| E.E.R. Cooling | 3.21 kW/kW | |
| COP Heating | 3.62 kW/kW | |
| MOISTURE REMOVAL | 3.0 L/hr | |
| AIR CIRCULATION HIGH | 1,100 m3/hr | |
FAN MOTOR
| POWER SOURCE | 230 V | |
| INDOOR UNIT | High | 1,310 r.p.m. |
| Med | 1,120 r.p.m. | |
| Low | 940 r.p.m. | |
| Quiet | 830 r.p.m. | |
| OUTDOOR UNIT | Cool | 1,000 r.p.m. |
| Heat | 1,050 r.p.m. | |
NOISE LEVEL
| INDOOR UNIT | High | C 47 dB / H 45 dB |
| Med | C 41 dB / H 41 dB | |
| Low | C 36 dB / H 36 dB | |
| Quiet | C 32 dB / H 32 dB | |
| OUTDOOR UNIT | C 52 dB / H 53 dB | |
DIMENSIONS
| INDOOR UNIT H x W x D | 320 x 998 x 228 mm |
| OUTDOOR UNIT H x W x D | 578 x 790 x 315 mm |
WEIGHT
| INDOOR UNIT Gross / Net | 18 kg / 14 kg |
| OUTDOOR UNIT Gross / Net | 48 kg / 44 kg |
COMPRESSOR AND REFRIGERANT
| TYPE | Hermetic type, 4 pole, DC inverter motor, Scroll | |
| DISCRIMINATION | 5CS160XAA23 | |
| PRECHARGED REFRIGERANT | 1,600 g | |
| REFRIGERANT TYPE | R410A | |
| Pipe Length FULL CHARGE | 15 m | 1,600 g |
| 20 m | 1,700 g | |
| 25 m | 1,800 g | |
| 30 m | 1,900 g | |
| ADDITIONAL CHARGE | 20 g/m | |
OUTLINE AND DIMENSIONS
INDOOR UNIT
OUTDOOR UNIT
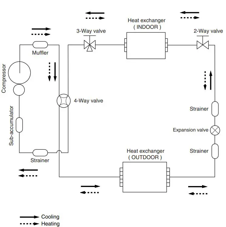
REFRIGERANT SYSTEM DIAGRAM

Refrigerant pipe diameter
- Liquid: 1/4″ (6.35 mm)
- Gas: 5/8″ (15.88 mm)
ERROR CONTENTS
| Error | Display | Error | |
| Operation LED | Timer LED | ||
| Serial signal error | Off | 2 flash | Serial signal (reverse) error, at operation start up |
| 3 flash | Serial signal (reverse) error, during oeration | ||
| 4 flash | Serial signal (forward) error, at operation start up | ||
| 5 flash | Serial signal (forward) error, during operation | ||
| 8 flash | Wired remote controller error | ||
| Indoor unit thermistor error | 2 flash | 2 flash | Indoor temperature thermistor open / short |
| 3 flash | Heat exchanger middle thermistor open / short | ||
| Outdoor unit thermistor error | 3 flash | 2 flash | Discharge thermistor open / short |
| 3 flash | Heat exchanger thermistor open | ||
| 4 flash | Outdoor temperature thermistor open / short | ||
| 8 flash | Compressor temperature thermistor open / short | ||
| Indoor unit control error | 4 flash | 2 flash | Forced automatic SW welded |
| 3 flash | Main relay welded | ||
| 4 flash | Power interruption error | ||
| 7 flash | VDD permanent stop protection | ||
| 8 flash | reverse VDD permanent stop protection | ||
| Outdoor unit control error | 5 flash | 2 flash | Current trip error |
| 3 flash | CT abnormal | ||
| 5 flash | Compressor location detection error | ||
| 6 flash | Outdoor unit fan drive system abnormal | ||
| Indoor fan motor error | 6 flash | 2 flash | Abnormal lock |
| 3 flash | Abnormal rotation | ||
| Refrigerant cycle error | 7 flash | 2 flash | Discharge Temperature abnormal |
| 3 flash | Cooling high pressure abnormal rise | ||
| 5 flash | Pressure switch trouble | ||
| Optional function error | 8 flash | 2 flash | Active filter voltage trouble (second time) |
| 3 flash | Active filter voltage trouble (first time) | ||
| 4 flash | PFC circuit error | ||
| Model information error | 0.1 sec on/off | 0.1 sec on/off | Model information error |
OUTDOOR UNIT
| LED | ERROR |
| on | Discharge temperature abnormal |
| 0.5 second on / 0.5 second off | IPM overcurrent protection |
| 0.1 second on / 0.1 second off | Thermistor abnormal |
| 2.0 second on / 2.0 second off | CT abnormal |
| 0.1 second on / 2.0 second off | Compressor location abnormal |
| 5.0 second on / 5.0 second off | Fan abnormal |
PARTS
INDOOR UNIT

| Ref | Descriprion | Part number |
| 1 | Front Panel Total Assy | 9315335012 |
| 2 | Intake Grille Assy | 9315336019 |
| 4 | Air Filter | 9315014016 |
| 5 | Clamper Grille | 9306755010 |
| 6 | Receiver Window | 9315010018 |

| Ref | Descriprion | Part number |
| 11 | Crossflow Fan Assy | 9315024015 |
| 12 | Bearing C Assy | 9306628017 |
| 13 | Evaporator Assy | 9315347015 |
| 14 | Evaporator Assy B | 9315349019 |
| 15 | Connection Pipe Assy | 9315354013 |
| 16 | Distributor Assy | 9315350015 |
| 17 | Water Seal | 9315251015 |
| 18 | Evaporater Holder R | 9314994012 |
| 19 | Evaporater Holder L | 9314995019 |
| 20 | Rear Bracket | 9315022011 |
| 21 | Filter Guide | 9315013019 |
| 22 | Filter Guard | 9315411013 |

| Ref | Descriprion | Part number |
| 31 | Casing Assy | 9315331014 |
| 32 | Casing Cover B | 9315016010 |
| 33 | Casing Cover L | 9315017017 |
| 34 | Casing Cover R | 9315018014 |
| 35 | Casing Cover F | 9315019011 |
| 36 | Drain Cap | 9367677009 |
| 37 | Drain Hose Assy | 9315769015 |
| 38 | Bush B | 9312156016 |
| 39 | Spacer B | 9312441013 |
| 40 | R and L Louver | 9311997016 |
| 41 | Louver U | 9315000019 |
| 42 | Louver Z | 9315001016 |
| 43 | Diffuser U | 9315002013 |
| 44 | Diffuser Z | 9315003010 |
| 45 | Spring C | 9314142017 |

| Ref | Descriprion | Part number |
| 51 | Controller PCB Assy | 9707090055 |
| 52 | Control Box | 9314996016 |
| 53 | Control Cover | 9314997013 |
| 54 | Motor Case | 9314998010 |
| 55 | Terminal Earth | 9315028013 |
| 56 | DC Brushless Motor | 9602163014 |
| 57 | Motor, Step | 9900384029 |
| 58 | Motor, Step | 9900384036 |
| 59 | Motor, Step | 9900139063 |
| 60 | Gear A | 9309994003 |
| 61 | Terminal | 9900385019 |
| 62 | Indicator PCB Assy | 9707210019 |
| — | Remote Control | 9315027139 |
| — | Pipe Thermistor | 9900389017 |
| — | Room Thermistor | 9700801108 |
OUTDOOR UNIT

| Ref | Description | Parts Number |
| 1 | Base Assy | 9315296023 |
| 2 | Top Panel Assy | 9309230064 |
| 3 | Cabinet Sub Assy | 9314809019 |
| 4 | Blow Grill | 9308884015 |
| 5 | Emblem Rear | 9315210012 |
| 6 | Fan Ring | 9308885012 |
| 7 | Grip | 9308880017 |
| 8 | Switch Cover Assy | 9309237032 |
| 9 | Cabinet Right Assy | 9309236028 |
| 10 | Motor Bracket Assy | 9313432027 |
| 11 | DC Brushless Motor | 9602110018 |
| 12 | Propeller Fan | 9309909014 |
| 13 | Protective Net | 9315033017 |


| Ref | Description | Parts Number |
| 21 | Condenser Assy | 9315302014 |
| 22 | Condenser Assy B | 9315303011 |
| 23 | Thermistor Spring A | 313728262708 |
| 24 | Heat Exchanger Thermistor | 9704220059 |
| 25 | Outdoor Temp. Thermistor | 9703516108 |
| 26 | Compressor Assy | 9315297013 |
| 27 | 3-Way Valve Assy | 9315414014 |
| 28 | 2-Way Valve Assy | 9313062019 |
| 29 | Pulse Motor Valve Assy | 9315310019 |
| 30 | Pulse Motor Valve | 9900056018 |
| 31 | Expansion Valve Coil | 9900057039 |
| 32 | Joint Pipe (3-Way valve) Assy | 9315308016 |
| 33 | 4-Way Valve | 9900163013 |
| 34 | Solenoid | 9970055010 |
| 35 | Pipe (Condenser Outlet) Assy | 9315304018 |
| 36 | Pipe (Condenser Inlet) Assy | 9315305015 |
| 37 | Discharge Pipe Assy | 9315312013 |
| 38 | Discharge Thermistor | 9704219091 |

| Ref | Description | Parts Number |
| 41 | Controller PCB Assy | 9707121056 |
| 42 | Power Supply PCB Assy | 9707128055 |
| 43 | Capacitor PCB Assy | 9707129052 |
| 44 | TR PCB Assy | 9707125054 |
| 45 | ACTPM | 9703457012 |
| 46 | Fuse | 0600086039 |
| 47 | Fuse Holder | 0500158072 |
| 48 | Chock Coil | 9900366018 |
| 49 | Terminal, 5 Pin | 9703874031 |
ACCESSORIES



















