MITSUBISHI MSZ-GS15NA 15000 BTU-H Wall-Mounted Indoor Unit

Product Information
The MSZ-GS15NA is a wall-mounted indoor unit with a cooling capacity of 14,000 BTU/H and a heating capacity of 18,000 BTU/H. It operates at 208/230V AC and comes with a variety of accessories. The unit measures 2-3/8 inches in height, 7-5/8 inches in width, and 3/4 inches in piping. The product is subject to change without notice.
Product Usage Instructions
- Install the indoor unit on a wall with proper mounting hardware.
- Connect the refrigerant piping to the unit according to the piping diagram provided in the manual.
- Install the required accessories, including the control interface, remote sensor, wired or wireless remote controller, disconnect switch, and filter. Note that the MAC-334IF-E accessory is required for installation.
- Connect the unit to a compatible Multi-zone Outdoor Unit for optimal performance.
- Use the wired or wireless remote controller to adjust the temperature and fan settings as desired.
- Maintain the unit by cleaning the filter regularly and scheduling professional maintenance as needed.
GENERAL FEATURES
- Slim wall-mounted indoor units provide zone comfort control
- Dual Barrier Coating applied to the heat exchanger, vanes and fan to prevent hydrophilic and hydrophobic dirt build-up
- Optional Microparticle Filter designed to capture PM2.5
- The outdoor unit powers the indoor unit, and should a power outage occur, the system is automatically restarted when power returns
- Quiet operation
- Smart Set: recalls a preferred preset temperature setting at the touch of a button
- Built-in backup/auxiliary heater control available
- Multiple fan speed options: Quiet, Low, Medium, High, Super-high, Auto
- Multiple control options available:
- Back-lit screen handheld remote controller (provided with the unit)
- kumo cloud® smart device app for remote access
- Third-party interface options
- Wired or wireless controllers
Product Specifications
| Specifications | System | ||
| Unit Type | MSZ-GS15NA | ||
| Cooling Capacity1, 3 | BTU/H | 14,000 | |
| Heating Capacity2, 3 | BTU/H | 18,000 | |
|
Electrical | Voltage, Phase, Frequency | 208/230, 1, 60 | |
| Guaranteed Voltage Range | V AC | 187 – 253 | |
| Voltage: Indoor – Outdoor, S1-S2 | V AC | 208/230 | |
| Voltage: Indoor – Outdoor, S2-S3 | V DC | 24 | |
| Short-circuit Current Rating [SCCR] | kA | 5 | |
|
Indoor Unit | MCA | A | 1.0 |
| Fan Motor Full Load Amperage | A | 0.5 | |
| Fan Motor Output | W | 30 | |
| Airflow Rate at Cooling, Dry | CFM | 191–231–316–400–504 | |
| Airflow Rate at Cooling, Wet | CFM | 172–228–285–360–454 | |
| Airflow Rate at Heating, Dry | CFM | 191–231–285–348–437 | |
| Sound Pressure Level [Cooling] | dB[A] | 26–32–38–44–49 | |
| Sound Pressure Level [Heating] | dB[A] | 26–30–35–40–46 | |
| Drain Pipe Size | In. [mm] | 5/8 [15.88] | |
| Coating on Heat Exchanger | Dual Barrier Coating | ||
| External Finish Color | Munsell 1.0Y 9.2/0.2 | ||
| Unit Dimensions | W x D x H: In. [mm] | 31-7/16 x 9-1/8 x 11-5/8 [798 x 232 x 295] | |
| Package Dimensions | W x D x H: In. [mm] | 33-1/2 x 12 x 14 [850 x 300 x 350] | |
| Unit Weight | Lbs. [kg] | 23 [10.4] | |
| Package Weight | Lbs. [kg] | 26 [11.5] | |
| Refrigerant | Type | R410A | |
| Piping | Gas Pipe Size O.D. [Flared] | In.[mm] | 1/2 [12.70] |
| Liquid Pipe Size O.D. [Flared] | In.[mm] | 1/4 [6.35] | |
NOTES:
Conditions
- Cooling (Indoor // Outdoor) °F 80 DB, 67 WB // 95 DB, 75 WB
- Heating at 47°F (Indoor // Outdoor) °F 70 DB, 60 WB // 47 DB, 43 WB
- Capacity varies based on the number of indoor units operating and the model of the Multi-zone Outdoor Unit. For reference to connected capacity charts, please refer to Multi-zone Outdoor Unit Operational Performance.
INDOOR UNIT ACCESSORIES: MSZ-GS15NA
|
Control Interface | BACnet® and Modbus® Interface | □ PAC-UKPRC001-CN-1 | |
| CN24 Relay Kit | □ CN24RELAY-KIT-CM3 | ||
| IT Extender | □ PAC-WHS01IE-E | ||
| kumo station® for kumo cloud® | □ PAC-WHS01HC-E | ||
| System Control Interface | □ MAC-334IF-E | ||
| Thermostat Interface | □ PAC-US444CN-1 | ||
| USNAP Adapter | □ PAC-WHS01UP-E | ||
| Wireless Interface for kumo cloud® | □ PAC-USWHS002-WF-2 | ||
| Remote Sensor | Wired Remote Sensor | □ M21EAA307 | |
| Wireless temperature and humitity sensor for kumo cloud® | □ PAC-USWHS003-TH-1 | ||
|
Wired Remote Controller | Deluxe Wired MA Remote Controller† | □ PAR-40MAAU | |
| Simple Ductless Wired Remote Controller | □ PAC-SDW01RC-1 | ||
| Simple MA Remote Controller† | □ PAC-YT53CRAU-J | ||
| Touch MA Controller† | □ PAR-CT01MAU-SB | ||
| Wireless Remote Controller | kumo touch™ RedLINK™ Wireless Controller | □ MHK2 | |
| Lockdown bracket for remote controller | □ RCMKP1CB | ||
|
Condensate | Blue Diamond (Advanced) Mini Condensate Pump w/ Reservoir & Sensor (208/230V) [recommended] | □ | X87-721 |
| Blue Diamond (MegaBlue Advanced) Condensate Pump w/ Reservoir & Sensor | □ | X87-835 | |
| Blue Diamond Alarm Extension Cable — 6.5 Ft. | □ | C13-192 | |
| Blue Diamond MultiTank — collection tank for use with multiple pumps | □ | C21-014 | |
| Blue Diamond Sensor Extension Cable — 15 Ft. | □ | C13-103 | |
| Drain Pan Level Sensor/Control | □ SS610E | ||
| Fascia Kit for MicroBlue Pump, mounts the MicroBlue and sensor directly beneath indoor unit | □ | T18-016 | |
| Sauermann Condensate Pump | □ | SI30-230 | |
| Disconnect Switch | (30A/600V/UL) [fits 2” X 4” utility box] – Black | □ TAZ-MS303 | |
| (30A/600V/UL) [fits 2” X 4” utility box] – White | □ TAZ-MS303W | ||
| Filter | Anti-allergy Enzyme Filter | □ MAC-408FT-E | |
| Microparticle (PM2.5) Filter | □ MAC-EMF515FT-E | ||
NOTES: Requires MAC-334IF-E
- M-Series EZ FIT® Recessed Ceiling Cassette, Floor-mount and Wall-mount
Allows indoor units to connect to an MA Controller:
Deluxe MA Remote Controller
Simple MA Controller
Touch MA Controller
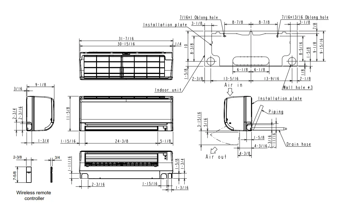
INDOOR UNIT DIMENSIONS: MSZ-GS15NA
Unit: inch
| Piping | Insulation | ø1 – 9/16 O.D |
| Liquid line | ø1/4 19 – 11/16 (Flared connection ø1/4) | |
| Gas line | ø3/8 16 – 15/16 (Flared connection: ø3/8 (GS06/09/12NA), ø1/2 (GS15NA)) | |
| Drain hose | Insulation ø1-1/8 O.D Connected part ø5/8 O.D | |
FORM# MSZ-GS15NA-U1 – 202304
1340 Satellite Boulevard Suwanee, GA 30024
Toll-Free: 800-433-4822
www.mehvac.com
© 2023 Mitsubishi Electric Trane HVAC US LLC. All rights reserved.
















