MITSUBISHI ELECTRIC HVAC 00914 M-Series SUZ Universal Outdoor Unit


- Designed for residential applications.
- User-friendly zoned cooling and heating solutions for single- or multi-room applications or the whole home.
- Hyper-Heating INVERTER® (H2i®) outdoor units can provide high heating performance at lower ambient temperatures.
- Many ENERGY STAR® certified models.
MFZ-KJ Model
- Indoor Unit

- Outdoor Unit

- Remote Controller


| Indoor Unit | MFZ-KJ09NA | MFZ-KJ12NA | MFZ-KJ15NA | MFZ-KJ18NA | |||
| Outdoor Unit | MUFZ-KJ09NAHZ | MUFZ-KJ12NAHZ | MUFZ-KJ15NAHZ | MUFZ-KJ18NAHZ | |||
| Cooling | Capacity | Rated 1 | BTU/H | 9,000 | 12,000 | 15,000 | 17,000 |
| Capacity Range | Min-Max | BTU/H | 2,300–14,000 | 2,300–15,000 | 5,300–19,000 | 5,300–22,500 | |
| Power Input | Rated 1 | W | 570 | 890 | 1,120 | 1,350 | |
| Moisture Removal | Pints/h | 1.4 | 2.7 | 3.9 | 4.4 | ||
| Sensible Heat Factor | 0.790 | 0.700 | 0.660 | 0.650 | |||
| Heating | Capacity at 47ºF | Rated 2 | BTU/H | 11,000 | 13,000 | 18,000 | 21,000 |
| Capacity Range | Min-Max | BTU/H | 2,900–19,000 | 2,900–22,800 | 5,700–25,000 | 5,700–29,000 | |
| Power Input at 47ºF | Rated 2 | W | 750 | 900 | 1,410 | 1,730 | |
| Capacity at 17ºF | Rated 3 | BTU/H | 7,500 | 8,800 | 12,000 | 12,800 | |
| Max | BTU/H | 13,400 | 14,800 | 20,500 | 23,000 | ||
| Capacity at 5ºF | Max 4 | BTU/H | 11,000 | 13,000 | 18,000 | 21,000 | |
| Capacity at -5ºF | Max 5 | BTU/H | — | — | — | — | |
| Efficiency | SEER | 28.2 | 25.5 | 21.8 | 21.0 | ||
| EER | 15.8 | 13.6 | 13.5 | 12.6 | |||
| HSPF | 13.0 | 12.0 | 11.6 | 11.3 | |||
| COP | 4.3 | 4.2 | 3.7 | 3.5 | |||
| ENERGY STAR® Certified | Yes | Yes | Yes | Yes | |||
| Indoor Unit | Air Flow Rate – Cooling (Quiet-Lo-Med-Hi-SHi) | Dry | CFM | 138–198–272–360–417 | 138–198–272–360–417 | 198–254–311–392–431 | 198–254–328–420–491 |
| Air Flow Rate – Cooling (Quiet-Lo-Med-Hi-SHi) | Wet | CFM | 117–168–231–306–354 | 117–168–231–306–354 | 168–216–264–333–366 | 168–216–279–357–417 | |
| Air Flow Rate – Heating (Quiet-Lo-Med-Hi-SHi) | Dry | CFM | 138–191–254–328–417 | 138–191–254–328–417 | 212–268–328–399–470 | 212–268–328–399–470 | |
| Sound Pressure Level (Quiet-Lo-Med-Hi-SHi) | Cooling | dB(A) | 21–27–34–41–46 | 21–27–34–41–46 | 28–33–38–43–47 | 28–33–39–45–50 | |
| Sound Pressure Level (Quiet- Lo-Med-Hi-SHi) | Heating | dB(A) | 21–27–34–40–46 | 21–27–34–40–46 | 29–35–40–45–49 | 29–35–40–45–49 | |
| External Static Pressure | In. W.G. | — | — | — | — | ||
| Condensate Lift Mechanism | Max Distance | In. [mm] | — | — | — | — | |
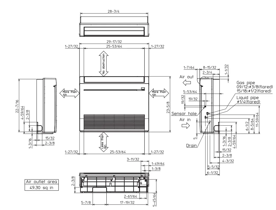
| Dimensions | H | In. [mm] | 23-5/8 [600] | 23-5/8 [600] | 23-5/8 [600] | 23-5/8 [600] | |
| W | In. [mm] | 29-17/32 [750] | 29-17/32 [750] | 29-17/32 [750] | 29-17/32 [750] | ||
| D | In. [mm] | 8-15/32 [215] | 8-15/32 [215] | 8-15/32 [215] | 8-15/32 [215] | ||
| Weight | lbs [kg] | 33 [15.0] | 33 [15.0] | 33 [15.0] | 33 [15.0] | ||
| Outdoor Unit | MCA | A | 11.0 | 11.0 | 16.0 | 16.0 | |
| MOCP | A | 15 | 15 | 20 | 20 | ||
| Dimensions | H | In. [mm] | 21-5/8 [550] | 21-5/8 [550] | 34-5/8 [880] | 34-5/8 [880] | |
| W | In. [mm] | 31-1/2 [800] | 31-1/2 [800] | 33-1/16 [840] | 33-1/16 [840] | ||
| D | In. [mm] | 11-1/4 [285] | 11-1/4 [285] | 13 [330] | 13 [330] | ||
| Weight | lbs [kg] | 83 [38] | 83 [38] | 124 [56] | 124 [56] | ||
| Air Flow Rate (Cooling/ Heating) | CFM | 1074/1202 | 1074/1202 | 1653/1730 | 1653/1730 | ||
| Sound Pressure Level | Cooling | dB(A) | 48 | 48 | 51 | 51 | |
| Heating | dB(A) | 50 | 50 | 55 | 55 | ||
| Piping | Diameter | Gas (O.D.) | In. [mm] | 3/8 [9.52] | 3/8 [9.52] | 1/2 [12.7] | 1/2 [12.7] |
| Liquid (O.D) | In. [mm] | 1/4 [6.35] | 1/4 [6.35] | 1/4 [6.35] | 1/4 [6.35] | ||
| Indoor Drain | In. [mm] | 5/8 O.D [15] | 5/8 O.D [15] | 5/8 O.D [15] | 5/8 O.D [15] | ||
| Max. Length | ft [m] | 65 [20] | 65 [20] | 100 [30] | 100 [30] | ||
| Max. Height | ft [m] | 40 [12] | 40 [12] | 50 [15] | 50 [15] | ||
| Electrical | Outdoor-Indoor 6 | V, ph, Hz | 208/230, 1, 60 | 208/230, 1, 60 | 208/230, 1, 60 | 208/230, 1, 60 | |
| Recommended Breaker Size | A | 15 | 15 | 20 | 20 | ||
| Refrigerant Type | R410A | R410A | R410A | R410A | |||
| Guaranteed Temperature Operation Range | Cooling 7 | ºF DB [ºC DB] | 14 to 115 [-10 to 46] | 14 to 115 [-10 to 46] | 14 to 115 [-10 to 46] | 14 to 115 [-10 to 46] | |
| Heating | ºF DB [ºC DB] | -13 to 75 [-25 to 24] | -13 to 75 [-25 to 24] | -13 to 75 [-25 to 24] | -13 to 75 [-25 to 24] | ||
Notes:
AHRI Rated Conditions
(Rated data is determined at a fixed compressor speed)
1Cooling (Indoor // Outdoor) °F 80 DB, 67 WB // 95 DB, 75 W
2Heating at 47°F (Indoor // Outdoor) °F 70 DB, 60 WB // 47 DB, 43 WB
3Heating at 17°F (Indoor // Outdoor) °F 70 DB, 60 WB // 17 DB, 15 WB
4Heating at 5°F (Indoor // Outdoor) °F 70 DB, 60 WB // 5 DB, 4 WB
5Heating at -5°F (Indoor // Outdoor) °F 70 DB, 60 WB // -5 DB, -6 WB
Conditions
6Indoor units receive power from outdoor units through field-supplied interconnected wiring.
7Applications should be restricted to comfort cooling only; equipment cooling applications are not recommended for low ambient temperature conditions
| MUY-GL | MUY-D | MUFZ-KJ | |||||||||||
| MUY-GL09NA | MUY-GL12NA | MUY-GL15NA | MUY-GL18NA | MUY-GL24NA | MUY-D30NA | MUY-D36NA | MUFZ-KJ09NAHZ | MUFZ-KJ12NAHZ | MUFZ-KJ15NAHZ | MUFZ-KJ18NAHZ | |||
| Air Outlet Guide | Air Outlet Guide | MAC-881SG | • | • | • | • | • | ||||||
| MAC-886SG-E | • | • | • | • | • | • | |||||||
| Control/Service Tool | M- & P-Series Maintenance Tool Cable Set | M21EC0397 | • | • | • | • | • | • | • | • | • | • | • |
| USB/UART Conversion Cable (Required for all laptop connection) | M21EC1397 | • | • | • | • | • | • | • | • | • | • | • | |
| Drain Socket | Drain Socket | MAC-811DS | • | • | |||||||||
| MAC-871DS | • | • | • | • | • | ||||||||
| Hail Guards | Hail Guard | HG-A7 | • | • | • | • | • | • | |||||
| HG-B4 | • | • | • | • | • | ||||||||
| Mini-Split Wire | 14 Gauge, 4 wire MiniSplit Cable—250 ft. roll | S144-250 | • | • | • | • | • | • | • | • | • | • | • |
| 14 Gauge, 4 wire MiniSplit Cable—50 ft. roll | S144-50 | • | • | • | • | • | • | • | • | • | • | • | |
| 16 Gauge, 4 wire MiniSplit Cable—250 ft. roll | S164-250 | • | • | • | • | • | • | • | • | • | • | • | |
| 16 Gauge, 4 wire MiniSplit Cable—50 ft. roll | S164-50 | • | • | • | • | • | • | • | • | • | • | • | |
| Mounting Pad | Condensing Unit Mounting Pad: 16” x 36” x 3” | ULTRILITE1 | • | • | • | • | • | • | • | • | • | • | • |
| Outdoor Unit 3-1/4 inch Mounting Base (Pair) – Plastic | DSD-400P | • | • | • | • | • | • | • | • | • | • | • | |
| Stand | 18” Single Fan Stand | QSMS1801M | • | • | • | • | • | • | • | • | • | • | • |
| 24” Single Fan Stand | QSMS2401M | • | • | • | • | • | • | • | • | • | • | • | |
| Condenser Wall Bracket | QSWB2000M-1 | • | • | • | • | • | • | • | • | • | • | • | |
| Condenser Wall Bracket -Stainless Steel Finish | QSWBSS | • | • | • | • | • | • | • | • | • | • | • | |
| Outdoor Unit Stand — 12” High | QSMS1201M | • | • | • | • | • | • | • | • | • | • | • | |
MUZ-WR | MUZ-JP | |||||||||
| MUZ-WR09NA | MUZ-WR09NA-U2 | MUZ-WR12NA | MUZ-WR12NA-U2 | MUZ-WR18NA-U2 | MUZ-WR24NA | MUZ-JP09WA | MUZ-JP12WA | |||
| Air Outlet Guide | Air Outlet Guide | MAC-881SG | • | • | • | • | • | • | • | |
| MAC-886SG-E | • | |||||||||
| Control/Service Tool | M- & P-Series Maintenance Tool Cable Set | M21EC0397 | • | • | • | • | • | • | ||
| USB/UART Conversion Cable (Required for all laptop connection) | M21EC1397 | • | • | • | • | • | • | |||
| Drain Socket | Drain Socket | MAC-871DS | • | • | • | • | • | • | • | |
| Hail Guards | Hail Guard | HG-A7 | • | |||||||
| HG-B4 | • | • | • | • | • | • | • | |||
| Mini-Split Wire | 14 Gauge, 4 wire MiniSplit Cable—250 ft. roll | S144-250 | • | • | • | • | • | • | ||
| 14 Gauge, 4 wire MiniSplit Cable—50 ft. roll | S144-50 | • | • | • | • | • | • | |||
| 16 Gauge, 4 wire MiniSplit Cable—250 ft. roll | S164-250 | • | • | • | • | • | • | |||
| 16 Gauge, 4 wire MiniSplit Cable—50 ft. roll | S164-50 | • | • | • | • | • | • | |||
| Mounting Pad | Condensing Unit Mounting Pad: 16” x 36” x 3” | ULTRILITE1 | • | • | • | • | • | • | • | |
| Outdoor Unit 3-1/4 inch Mounting Base (Pair) – Plastic | DSD-400P | • | • | • | • | • | • | • | ||
| Optional Defrost Heater | Base Heater | MAC-642BH-U1 | • | |||||||
| Optional Defrost Heater | MAC-640BH-U | • | • | • | • | • | ||||
| Stand | 18” Single Fan Stand | QSMS1801M | • | • | • | • | • | • | • | |
| 24” Single Fan Stand | QSMS2401M | • | • | • | • | • | • | • | ||
| Condenser Wall Bracket | QSWB2000M-1 | • | • | • | • | • | • | • | ||
| Condenser Wall Bracket -Stainless Steel Finish | QSWBSS | • | • | • | • | • | • | • | ||
| Outdoor Unit Stand — 12” High | QSMS1201M | • | • | • | • | • | • | • | ||
Heating Capacity (M-Series)
| Outdoor Temperature Degrees | 50º F | 41º F | 32º F | 23º F | 14º F | 5º F | -4º F | -13º F | |
| MFZ-KJ12NA-U1 / MUFZ-KJ12NAHZ-U1 | Heating Capacity (BTU/H) | 13,000 | 13,000 | 13,000 | 13,000 | 13,000 | 13,000 | 10,790 | 8,450 |
| Percentage of Rated Capacity | 100% | 100% | 100% | 100% | 100% | 100% | 83% | 65% | |
| MFZ-KJ15NA-U1 / MUFZ-KJ15NAHZ-U1 | Heating Capacity (BTU/H) | 18,000 | 18,000 | 18,000 | 18,000 | 18,000 | 18,000 | 14,940 | 13,860 |
| Percentage of Rated Capacity | 100% | 100% | 100% | 100% | 100% | 100% | 83% | 77% | |
| MFZ-KJ18NA-U1 / MUFZ-KJ18NAHZ-U1 | Heating Capacity (BTU/H) | 21,000 | 21,000 | 21,000 | 21,000 | 21,000 | 21,000 | 18,480 | 15,960 |
| Percentage of Rated Capacity | 100% | 100% | 100% | 100% | 100% | 100% | 88% | 76% | |
| MLZ-KP09NA-U1 / SUZ-KA09NA2 | Heating Capacity (BTU/H) | 12,000 | 10,620 | 9,230 | 7,840 | 6,450 | 5,090 | 3,770 | – |
| Percentage of Rated Capacity | 100% | 89% | 77% | 65% | 54% | 42% | 31% | – | |
| MLZ-KP12NA-U1 / SUZ-KA12NA2 | Heating Capacity (BTU/H) | 15,400 | 13,630 | 11,850 | 10,060 | 8,280 | 6,540 | 4,840 | – |
| Percentage of Rated Capacity | 100% | 89% | 77% | 65% | 54% | 42% | 31% | – | |
| MLZ-KP18NA-U1 / SUZ-KA18NA2 | Heating Capacity (BTU/H) | 20,000 | 17,700 | 15,390 | 13,060 | 10,760 | 8,490 | 6,290 | – |
| Percentage of Rated Capacity | 100% | 89% | 77% | 65% | 54% | 42% | 31% | – | |
| SLZ-KF09NA / SUZ-KA09NA2 | Heating Capacity (BTU/H) | 11,000 | 9,730 | 8,460 | 7,180 | 5,920 | 4,670 | 3,460 | – |
| Percentage of Rated Capacity | 100% | 89% | 77% | 65% | 54% | 42% | 31% | – | |
| SLZ-KF12NA / SUZ-KA12NA2 | Heating Capacity (BTU/H) | 13,000 | 11,510 | 10,000 | 8,490 | 6,990 | 5,520 | 4,080 | – |
| Percentage of Rated Capacity | 100% | 89% | 77% | 65% | 54% | 42% | 31% | – | |
| SLZ-KF15NA / SUZ-KA15NA2 | Heating Capacity (BTU/H) | 18,000 | 15,930 | 13,850 | 11,760 | 9,680 | 7,640 | 5,660 | – |
| Percentage of Rated Capacity | 100% | 89% | 77% | 65% | 54% | 42% | 31% | – | |
| SLZ-KF18NA / SUZ-KA18NA2 | Heating Capacity (BTU/H) | 19,700 | 17,440 | 15,150 | 12,870 | 10,600 | 8,370 | 6,190 | – |
| Percentage of Rated Capacity | 100% | 89% | 77% | 65% | 54% | 42% | 31% | – | |
| SEZ-KD09NA4R1 / SUZ-KA09NA2 | Heating Capacity (BTU/H) | 12,000 | 10,620 | 9,230 | 7,840 | 6,450 | 5,090 | 3,770 | – |
| Percentage of Rated Capacity | 100% | 89% | 77% | 65% | 54% | 42% | 31% | – | |
| SEZ-KD12NA4R1 / SUZ-KA12NA2 | Heating Capacity (BTU/H) | 15,000 | 13,280 | 11,540 | 9,800 | 8,070 | 6,370 | 4,710 | – |
| Percentage of Rated Capacity | 100% | 89% | 77% | 65% | 54% | 42% | 31% | – | |
| SEZ-KD15NA4R1 / SUZ-KA15NA2 | Heating Capacity (BTU/H) | 18,000 | 15,930 | 13,850 | 11,760 | 9,680 | 7,640 | 5,660 | – |
| Percentage of Rated Capacity | 100% | 89% | 77% | 65% | 54% | 42% | 31% | – | |
| SEZ-KD18NA4R1 / SUZ-KA18NA2 | Heating Capacity (BTU/H) | 21,600 | 19,120 | 16,620 | 14,110 | 11,620 | 9,170 | 6,790 | – |
| Percentage of Rated Capacity | 100% | 89% | 77% | 65% | 54% | 42% | 31% | – | |
| PEAD-A09AA7 / SUZ-KA09NA2 | Heating Capacity (BTU/H) | 12,000 | 10,620 | 9,230 | 7,840 | 6,450 | 5,090 | 3,770 | – |
| Percentage of Rated Capacity | 100% | 89% | 77% | 65% | 54% | 42% | 31% | – | |
| PEAD-A12AA7 / SUZ-KA12NA2 | Heating Capacity (BTU/H) | 15,000 | 13,280 | 11,540 | 9,800 | 8,070 | 6,370 | 4,710 | – |
| Percentage of Rated Capacity | 100% | 89% | 77% | 65% | 54% | 42% | 31% | – | |
| PEAD-A15AA7 / SUZ-KA15NA2 | Heating Capacity (BTU/H) | 18,000 | 15,930 | 13,850 | 11,760 | 9,680 | 7,640 | 5,660 | – |
| Percentage of Rated Capacity | 100% | 89% | 77% | 65% | 54% | 42% | 31% | – | |
| PEAD-A18AA7 / SUZ-KA18NA2 | Heating Capacity (BTU/H) | 21,600 | 19,120 | 16,620 | 14,110 | 11,620 | 9,170 | 6,790 | – |
| Percentage of Rated Capacity | 100% | 89% | 77% | 65% | 54% | 42% | 31% | – | |
| PEAD-A24AA7 / SUZ-KA24NA2 | Heating Capacity (BTU/H) | 25,000 | 22,130 | 19,230 | 16,330 | 13,450 | – | – | – |
| Percentage of Rated Capacity | 100% | 89% | 77% | 65% | 54% | – | – | – | |
| PEAD-A30AA7 / SUZ-KA30NA2 | Heating Capacity (BTU/H) | 30,000 | 26,560 | 23,080 | 19,600 | 16,140 | – | – | – |
| Percentage of Rated Capacity | 100% | 89% | 77% | 65% | 54% | – | – | – | |
| PEAD-A36AA7 / SUZ-KA36NA2 | Heating Capacity (BTU/H) | 33,500 | 29,660 | 25,770 | 21,890 | 18,030 | – | – | – |
| Percentage of Rated Capacity | 100% | 89% | 77% | 65% | 54% | – | – | – | |
| SVZ-KP12NA / SUZ-KA12NA2 | Heating Capacity (BTU/H) | 15,000 | 13,280 | 11,540 | 9,800 | 8,070 | 6,370 | 4,710 | – |
| Percentage of Rated Capacity | 100% | 89% | 77% | 65% | 54% | 42% | 31% | – | |
| SVZ-KP18NA / SUZ-KA18NA2 | Heating Capacity (BTU/H) | 21,600 | 19,120 | 16,620 | 14,110 | 11,620 | 9,170 | 6,790 | – |
| Percentage of Rated Capacity | 100% | 89% | 77% | 65% | 54% | 42% | 31% | – | |
| SVZ-KP24NA / SUZ-KA24NA2 | Heating Capacity (BTU/H) | 25,000 | 22,130 | 19,230 | 16,330 | 13,450 | – | – | – |
| Percentage of Rated Capacity | 100% | 89% | 77% | 65% | 54% | – | – | – | |
| SVZ-KP30NA / SUZ-KA30NA2 | Heating Capacity (BTU/H) | 30,000 | 26,560 | 23,080 | 19,600 | 16,140 | – | – | – |
| Percentage of Rated Capacity | 100% | 89% | 77% | 65% | 54% | – | – | – | |
| SVZ-KP36NA / SUZ-KA36NA2 | Heating Capacity (BTU/H) | 33,500 | 29,660 | 25,770 | 21,890 | 18,030 | – | – | – |
| Percentage of Rated Capacity | 100% | 89% | 77% | 65% | 54% | – | – | – | |
| MLZ-KP09NA-U1 / SUZ-KA09NAHZ | Heating Capacity (BTU/H) | 12,000 | 12,000 | 12,000 | 12,000 | 12,000 | 12,000 | 8,640 | 5,160 |
| Percentage of Rated Capacity | 100% | 100% | 100% | 100% | 100% | 100% | 72% | 43% | |
| MLZ-KP12NA-U1 / SUZ-KA12NAHZ | Heating Capacity (BTU/H) | 15,000 | 15,000 | 15,000 | 15,000 | 15,000 | 15,000 | 10,800 | 6,450 |
| Percentage of Rated Capacity | 100% | 100% | 100% | 100% | 100% | 100% | 72% | 43% | |
| MLZ-KP18NA-U1 / SUZ-KA18NAHZ | Heating Capacity (BTU/H) | 28,600 | 18,600 | 18,600 | 18,600 | 18,600 | 18,600 | 13,392 | 7,998 |
| Percentage of Rated Capacity | 100% | 100% | 100% | 100% | 100% | 100% | 72% | 43% | |
MFZ-KJ09NA MFZ-KJ12NA MFZ-KJ15NA MFZ-KJ18NA
INDOOR UNIT

MUZ-FS06NA
MUZ-FS09NA
MUZ-FS12NA
MUZ-GL09NA
MUZ-GL12NA
MUZ-GL15NA
MUZ-HM09NA
MUZ-HM12NA
MUZ-HM15NA
MUZ-HM18NA
MUZ-FS06NAH
MUZ-FS09NAH
MUZ-FS12NAH
MUY-GL09NA
MUY-GL12NA
MUY-GL15NA
MUFZ-KJ09NAHZ
MUFZ-KJ12NAHZ
MUZ-JP09WA
MUZ-JP12WA
MUZ-WR09NA
MUZ-WR12NA
MUZ-WR18NA
OUTDOOR UNIT

MUZ-FS15NA
MUZ-FS18NA
MUZ-GL18NA
MUZ-GL24NA
MUZ-HM24NA
MUFZ-KJ15NAHZ
MUZ-FS15NAH
MUZ-FS18NAH
MUZ-WR24NA
MUY-GL18NA
MUY-GL24NA
MUFZ-KJ18NAHZ
OUTDOOR UNIT

MUZ-D30NA
MUZ-D36NA
MUY-D30NA
MUY-D36NA
OUTDOOR UNIT
















![Mitsubishi Spilt-type Air Conditioners User Manual [msz-hr25vf, Msz-hr35vf, Msz-hr42vf, Msz-hr50vf] Mitsubishi Spilt-type Air Conditioners User Manual [msz-hr25vf, Msz-hr35vf, Msz-hr42vf, Msz-hr50vf]](https://static-data1.manualsee.com/1/img/137/71580/2021/02/Mitsubishi-Spilt-Type-Air-Conditioners-User-Manual-MSZ-HR25VF-MSZ-HR35VF-MSZ-HR42VF-MSZ-HR50VF.jpg)


