<ORIGINAL>
CITY MULTI
Air-Conditioners
INDOOR UNIT
PEFY-M20,25,32,40,50,63,71,80,100,125,140VMA-A1
PEFY-M20,25,32,40,50,63,71,80,100,125,140VMAL-A1
Instruction Manual
KJ79P971H02 Air-Conditioners Indoor Unit
For safe and correct use, please read this installation manual thoroughly before installing the air-conditioner unit.
[Fig. 3.2.1]

[Fig. 3.2.2]
(Viewed from the direction of the arrow A)

[Fig. 3.2.3]

[Fig. 3.2.4]
(Viewed from the direction of the arrow B)

[Fig. 3.2.5]
(Viewed from the direction of the arrow B)

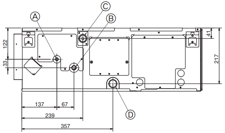
| A Electric box B Ceiling C Ceiling beam D Access door 2 (450 mm x 450 mm) E Access door 1 (450 mm x 450 mm) F Maintenance access space | G Supply air H Intake air I Bottom of indoor unit J Access door 3 K Access door 4 |
| Model | P | Q | R | S |
| PEFY-M20,25,32VMA(L)-A1 | 700 | 50–150 | 800 | 1300 |
| PEFY-M40VMA(L)-A1 | 900 | 150–250 | 1000 | 1500 |
| PEFY-M50,63VMA(L)-A1 | 1100 | 250–350 | 1200 | 1700 |
| PEFY-M71,80,100,125VMA(L)-A1 | 1400 | 400–500 | 1500 | 2000 |
| PEFY-M140VMA(L)-A1 | 1600 | 500–600 | 1700 | 2200 |
[Fig. 4.1.1]

A Center of gravity
[Fig. 5.1.1]

A Unit body
B Lifting machine
[Fig. 5.1.2]

C Nuts (field supply)
D Washers (field supply)
E M10 hanging bolt (field supply)
[Fig. 6.2.1]

A Refrigerant pipe (liquid pipe)
B Refrigerant pipe (gas pipe)
C Drain pipe (O.D. ø32)
D Drain pipe (O.D. ø32, spontaneous draining)
[Fig. 7.1.1]

A Cut here (only liquid pipe)
B Remove brazed cap
[Fig. 7.1.2]

A Cool by a wet cloth
[Fig. 7.1.3]

A Thermal insulation
B Pull out insulation
C Wrap with damp cloth
D Return to original position
E Ensure that there is no gap here
F Wrap with insulating tape
[Fig. 7.2.1]

O Correct piping
× Wrong piping
A Insulation (9 mm or more)
B Downward slope (1/100 or more)
C Support metal
K Air bleeder
L Raised
M Odor trap
Grouped piping
D O. D. ø32 PVC TUBE
E Make it as large as possible. About 10 cm.
F Indoor unit
G Make the piping size large for grouped piping.
H Downward slope (1/100 or more)
I O. D. ø38 PVC TUBE for grouped piping.
(9 mm or more insulation)
PEFY-M·VMA-A1 model
J Up to 700 mm
N Drain socket (accessory)
O Horizontal or slightly upgradient
| [Fig. 7.2.2] | [Fig. 7.2.3] |
![]() | ![]() |
| A Indoor unit B Tie band (accessory) C Visible part D Insertion margin E Drain socket (accessory) F Drain pipe (O.D. ø32 PVC TUBE, field supply) G Insulating material (field supply) H Tie band (accessory) | A Indoor unit B Tie band (accessory) C Band fixing part D Insertion margin E Drain socket (accessory) F Drain pipe (O.D. ø32 PVC TUBE, field supply) G Insulating material (field supply) |
[Fig. 7.3.1]

A Insert pump’s end 2 to 4 cm.
B Remove the water supply port.
C About 2500 cc
D Water
E Filling port
F Screw
[Fig. 7.3.2]

[Fig. 8.0.1]

A Duct
B Air inlet
C Access door
D Canvas duct
E Ceiling surface
F Air outlet
G Leave distance enough to prevent short cycle
H Min. 200 mm
[Fig. 8.0.2]

[Fig. 8.0.3]

[Fig. 8.0.4]

C Nail for the bottom inlet
D Nail for the rear inlet
[Fig. 9.1.1]

A Ground-fault interrupter
B Local switch/Wiring breaker
C Indoor unit
D Pull box
[Fig. 9.2.1]

[Fig. 9.2.2]

A Terminal block for indoor transmission cable
B Terminal block for outdoor transmission cable
C Remote controller
[Fig. 9.2.3]

[Fig. 9.2.4]

A Non-polarized
B TB15
C Remote Controller
D TB5
[Fig. 9.3.1]

A Screw holding cover (1pc)
B Cover
[Fig. 9.3.2]

C Terminal box
D Knockout hole
E Remove
[Fig. 9.3.3]

F Use PG bushing to keep the weight of the cable and external force from being applied to the power supply terminal connector.
Use a cable tie to secure the cable.
G Power source wiring
H Use ordinary bushing
I Transmission wiring
[Fig. 9.3.4]

J Terminal block for power source
K Terminal block for indoor transmission
L Terminal block for remote controller
[Fig. 9.3.5]

A Terminal block
B Round terminal
C Shield wire
D The earth wire from two cables are connected together to the S terminal. (Dead-end connection)
E Insulation tape (To keep the earth wire of the shielded cable from coming in contact with the transmission terminal)
[Fig. 9.5.1]

Safety precautions
1.1. Before installation and electric work
- Before installing the unit, make sure you read all the “Safety precautions”.
- The “Safety precautions” provide very important points regarding safety. Make sure you follow them.
MEANINGS OF SYMBOLS ON THE UNIT
| WARNING (Risk of fire) This symbol is only for R32 refrigerant. The type of the refrigerant used is written on the nameplate on the outdoor unit. R32 refrigerant is flammable. If the refrigerant leaks, or comes in contact with fire or parts that generate heat, it may create harmful gas and pose a risk of fire. | |
| Read the OPERATION MANUAL carefully before operation. | |
| Service personnel are required to carefully read the OPERATION MANUAL and INSTALLATION MANUAL before operation. | |
![]() | Further information is available in the OPERATION MANUAL, INSTALLATION MANUAL, and the like. |
Symbols used in the text
Warning:
Describes precautions that should be observed to prevent danger of injury or death to the user.
Caution:
Describes precautions that should be observed to prevent damage to the unit.
Symbols used in the illustrations
: Indicates an action that must be avoided.
: Indicates that important instructions must be followed.
: Indicates a part which must be grounded.
: Indicates that caution should be taken with rotating parts. (This symbol is displayed on the main unit label.) <Color: yellow>
: Beware of electric shock (This symbol is displayed on the main unit label.)
<Color: yellow>
Warning:
Carefully read the labels affixed to the main unit.
Warning:
- Do not install it by yourself (customer).
Incomplete installation could cause injury due to fire, electric shock, the unit falling or leakage of water. Consult the dealer from whom you purchased the unit or special
installer. - Ask the dealer or an authorized technician to install the air conditioner.
– Improper installation by the user may result in water leakage, electric shock, or fire. - Install the unit at a place that can withstand its weight.
– Inadequate strength may cause the unit to fall down, resulting in injuries. - Use the specified cables for wiring. Make the connections securely so that the outside force of the cable is not applied to the terminals.
– Inadequate connection and fastening may generate heat and cause a fire. - Prepare for typhoons and other strong winds and earthquakes and install the unit at the specified place.
– Improper installation may cause the unit to topple and result in injury. - Always use an air cleaner, humidifier, electric heater, and other accessories specified by Mitsubishi Electric.
– Ask an authorized technician to install the accessories. Improper installation by the user may result in water leakage, electric shock, or fire. - Never repair the unit. If the air conditioner must be repaired, consult the dealer.
– If the unit is repaired improperly, water leakage, electric shock, or fire may result. - Do not touch the heat exchanger fins.
– Improper handling may result in injury. - When handling this product, always wear protective equipment.
EG: Gloves, full arm protection namely boiler suit, and safety glasses.
– Improper handling may result in injury. - If refrigerant gas leaks during installation work, ventilate the room.
– If the refrigerant gas comes into contact with a flame, poisonous gases will be released. - Install the air conditioner according to this Installation Manual.
– If the unit is installed improperly, water leakage, electric shock, or fire may result. - Have all electric work done by a licensed electrician according to “Electric Facility Engineering Standard” and “Interior Wire Regulations” and the instructions given in this manual and always use a special circuit.
– If the power source capacity is inadequate or electric work is performed improperly, electric shock and fire may result. - Be sure to use the part provided or specified parts for the installation work.
The use of defective parts could cause an injury or leakage of water due to a fire, an electric shock, the unit falling, etc. - Keep the electric parts away from water (washing water etc.).
– It might result in electric shock, catching fire or smoke. - When installing, relocating, or servicing the air conditioner, use only the specified refrigerant written on the outdoor unit to charge the refrigerant lines. Do not mix the refrigerant with any other refrigerant, and do not allow air to remain in the lines.
– If air is mixed with the refrigerant, then it may cause abnormal high pressure in the refrigerant lines, resulting in an explosion and other hazards.
– The use of any refrigerant other than that specified for the system will cause mechanical failure, system malfunction, or unit breakdown. In the worst case, this could lead to a serious impediment to securing product safety.
– It may also be in violation of applicable laws.
– MITSUBISHI ELECTRIC CORPORATION cannot be held responsible for malfunctions or accidents resulting from the use of the wrong type of refrigerant. - This indoor unit should be installed in a room which is equal to or larger than the floor space specified in the outdoor unit installation manual.
Refer to the outdoor unit installation manual. - Only use means recommended by the manufacturer to accelerate the defrosting process or to clean.
- This indoor unit shall be stored in a room that has no continuously-operating ignition device such as open flame, gas appliance, or electrical heater.
- Do not pierce a hole in or burn this indoor unit or refrigerant lines.
- Be aware that the refrigerant may be odour-free.
- Pipe-work shall be protected from physical damage.
- The installation of pipe-work shall be kept to a minimum.
- Compliance with national gas regulations shall be observed.
- Keep any required ventilation openings clear of obstruction.
- Do not use low temperature solder alloy when brazing the refrigerant pipes.
- When performing brazing work, be sure to ventilate the room sufficiently.
Make sure that there are no hazardous or flammable materials nearby.
When performing the work in a closed room, small room, or similar location, make sure that there are no refrigerant leaks before performing the work.
If refrigerant leaks and accumulates, it may ignite or poisonous gases may be released. - If the air conditioner is installed in a small room or closed room, measures must be taken to prevent the refrigerant concentration from exceeding the safety limit even if the refrigerant should leak.
– Consult the dealer regarding the appropriate measures to prevent the safety limit from being exceeded.
Should the refrigerant leak and cause the safety limit to be exceeded, hazards due to lack of oxygen in the room could result. - The appliance shall be stored so as to prevent mechanical damage from occurring.
- For installation and relocation work, follow the instructions in the installation manual and use tools and pipe components specifically made for using with refrigerant specified in the outdoor unit installation manual.
- When moving and reinstalling the air conditioner, consult the dealer or an authorized technician.
– If the air conditioner is installed improperly, water leakage, electric shock, or fire may result. - After completing installation work, make sure that refrigerant gas is not leaking.
– If the refrigerant gas leaks and is exposed to a fan heater, stove, oven, or other heat source, it may generate noxious gases. - Do not reconstruct or change the settings of the protection devices.
– If the pressure switch, thermal switch, or other protection device is shorted and operated forcibly, or parts other than those specified by Mitsubishi Electric are used, fire or explosion may result. - To dispose of this product, consult your dealer.
- Do not use a leak detection additive.
- If the supply cord is damaged, it must be replaced by the manufacturer, its service agent or similarly qualified persons in order to avoid a hazard.
- Servicing shall be performed only as recommended by the manufacturer.
- This appliance is not intended for use by persons (including children) with reduced physical, sensory or mental capabilities, or lack of experience and knowledge, unless they have been given supervision or instruction concerning use of the appliance by a person responsible for their safety.
- Children should be supervised to ensure that they do not play with the appliance.
- The installer and system specialist shall secure safety against leakage according to local regulation or standards.
– The instructions in this manual may be applicable if local regulation are not available. - Pay a special attention to the place, such as a basement, etc. where refrigeration gas can stay, since refrigeration is heavier than the air.
- This appliance is intended to be used by expert or trained users in shops, in light industry and on farms, or for commercial use by lay persons.
1.2. Precautions for devices that use R32 refrigerant
Caution:
- Do not use the existing refrigerant piping.
– The old refrigerant and refrigerator oil in the existing piping contains a large amount of chlorine which may cause the refrigerator oil of the new unit to deteriorate. - Use refrigerant piping made of C1220 (Cu-DHP) phosphorus deoxidized copper as specified in the JIS H3300 “Copper and copper alloy seamless pipes and tubes”. In addition, be sure that the inner and outer surfaces of the pipes are clean and free of hazardous sulphur, oxides, dust/dirt, shaving particles, oils, moisture, or any other contaminant.
– Contaminants on the inside of the refrigerant piping may cause the refrigerant residual oil to deteriorate. - Store the piping to be used during installation indoors and keep both ends of the piping sealed until just before brazing. (Store elbows and other joints in a plastic bag.)
– If dust, dirt, or water enters the refrigerant cycle, deterioration of the oil and compressor trouble may result. - Use liquid refrigerant to fill the system.
– If gas refrigerant is used to seal the system, the composition of the refrigerant in the cylinder will change and performance may drop. - Do not use a refrigerant other than R32.
– If another refrigerant (R22, etc.) is used, the chlorine in the refrigerant may cause the refrigerator oil to deteriorate. - Use a vacuum pump with a reverse flow check valve.
– The vacuum pump oil may flow back into the refrigerant cycle and cause the refrigerator oil to deteriorate. - Do not use the following tools that are used with conventional refrigerants.
(Gauge manifold, charge hose, gas leak detector, reverse flow check valve, refrigerant charge base, vacuum gauge, refrigerant recovery equipment)
– If the conventional refrigerant and refrigerator oil are mixed in the R32, the refrigerant may deteriorated.
– If water is mixed in the R32, the refrigerator oil may deteriorate.
– Since R32 does not contain any chlorine, gas leak detectors for conventional refrigerants will not react to it. - Do not use a charging cylinder.
– Using a charging cylinder may cause the refrigerant to deteriorate. - Be especially careful when managing the tools.
– If dust, dirt, or water gets in the refrigerant cycle, the refrigerant may deteriorate.
1.3. Before getting installed
Caution:
- Do not install the unit where combustible gas may leak.
– If the gas leaks and accumulates around the unit, an explosion may result. - Do not use the air conditioner where food, pets, plants, precision instruments, or artwork are kept.
– The quality of the food, etc. may deteriorate. - Do not use the air conditioner in special environments.
– Oil, steam, sulfuric smoke, etc. can significantly reduce the performance of the air conditioner or damage its parts. - When installing the unit in a hospital, communication station, or similar place, provide sufficient protection against electromagnetic noise.
– The inverter equipment, private power generator, high-frequency medical equipment, or radio communication equipment may cause the air conditioner to operate erroneously, or fail to operate. On the other hand, the air conditioner may affect such equipment by creating electromagnetic noise that disturbs medical treatment or image broadcasting. - Do not install the unit on a structure that may cause leakage.
– When the room humidity exceeds 80% or when the drain pipe is clogged, condensation may drip from the indoor unit. Perform collective drainage work together with the outdoor unit, as required. - The indoor models should be installed the ceiling over than 2.5 m from floor.
- Do not install the unit above the cooking or food processing area.
1.4. Before getting installed (moved) – electrical work
Caution:
- Ground the unit.
– Do not connect the ground wire to gas or water pipes, lightning rods, or telephone ground lines. Improper grounding may result in electric shock. - Install the power cable so that tension is not applied to the cable.
– Tension may cause the cable to break and generate heat and cause a fire. - Install a leak circuit breaker, as required.
– If a leak circuit breaker is not installed, electric shock may result. - Use power line cables of sufficient current carrying capacity and rating.
– Cables that are too small may leak, generate heat, and cause a fire. - Use only a circuit breaker and fuse of the specified capacity.
– A fuse or circuit breaker of a larger capacity or a steel or copper wire may result in a general unit failure or fire. - Do not wash the electrical parts of the air conditioner units.
– Washing them may cause an electric shock. - Be careful that the installation base is not damaged by long use.
– If the damage is left uncorrected, the unit may fall and cause personal injury or property damage. - Install the drain piping according to this Installation Manual to ensure proper drainage. Wrap thermal insulation around the pipes to prevent condensation.
– Improper drain piping may cause water leakage and damage to furniture and other possessions. - Be very careful about product transportation.
– Only one person should not carry the product if it weighs more than 20 kg.
– Some products use PP bands for packaging. Do not use any PP bands for a means of transportation. It is dangerous.
– Do not touch the heat exchanger fins. Doing so may cut your fingers. - Safely dispose of the packing materials.
– Packing materials, such as nails and other metal or wooden parts, may cause stabs or other injuries.
– Tear apart and throw away plastic packaging bags so that children will not play with them. If children play with a plastic bag which was not torn apart, they face the risk of suffocation.
1.5. Before starting the test run
Caution:
- Turn on the power at least 12 hours before starting operation.
– Starting operation immediately after turning on the main power switch can result in severe damage to internal parts. Keep the power switch turned on during the operational season. - Do not touch the switches with wet fingers.
– Touching a switch with wet fingers can cause electric shock. - Do not touch the refrigerant pipes during and immediately after operation.
– During and immediately after operation, the refrigerant pipes are may be hot and may be cold, depending on the condition of the refrigerant flowing through the refrigerant piping, compressor, and other refrigerant cycle parts. Your hands may suffer burns or frostbite if you touch the refrigerant pipes. - Do not operate the air conditioner with the panels and guards removed.
– Rotating, hot, or high-voltage parts can cause injuries. - Do not turn off the power immediately after stopping operation.
– Always wait at least five minutes before turning off the power. Otherwise, water leakage and trouble may occur.
Indoor unit accessories
The unit is provided with the following accessories:
Part No. | Accessories | Qty |
| 1 | Insulation pipe | 1 |
| 2 | Tie band | 3 |
| 3 | Drain socket | 1 |
| 4 | Washer | 8 |
| 5 | Installation manual | 1 |
| 6 | Operation manual | 1 |
Selecting an installation site
- Select a site with sturdy fixed surface sufficiently durable against the weight ounit.
- Before installing unit, the routing to carry in unit to the installation site should be determined.
- Select a site where the unit is not affected by entering air.
- Select a site where the flow of supply and return air is not blocked.
- Select a site where refrigerant piping can easily be led to the outside.
- Select a site which allows the supply air to be distributed fully in room.
- Do not install unit at a site with oil splashing or steam in much quantity.
- Do not install unit at a site where combustible gas may generate, flow instagnate or leak.
- Do not install unit at a site where equipment generating high frequency waves (a high frequency wave welder for example) is provided.
- Do not install unit at a site where fire detector is located at the supply air side(Fire detector may operate erroneously due to the heated air supplied during heating operation.)
- When special chemical product may scatter around such as site chemical plants and hospitals, full investigation is required before installing unit. (The plastic components may be damaged depending on the chemical product applied.)
- If the unit is run for long hours when the air above the ceiling is at high temperature/ high humidity (due point above 26 °C), due condensation may be produced in the indoor unit. When operating the units in this condition, add insulation material (10-20 mm) to the entire surface of the indoor unit to avoid due condensation.
3.1. Install the indoor unit on a ceiling strong enough to sustain its weight
Warning:
The unit must be securely installed on a structure that can sustain its weight. If the unit is mounted on an unstable structure, it may fall down causing injuries.
- This unit should be installed in rooms which exceed the floor space specified in outdoor unit installation manual. Refer to outdoor unit installation manual.
- Install the indoor unit at least 2.5 m above floor or ground level. The indoor unit should not be accessible to the general public.
- Refrigerant pipes connection shall be accessible for maintenance purpose.
3.2. Securing installation and service space
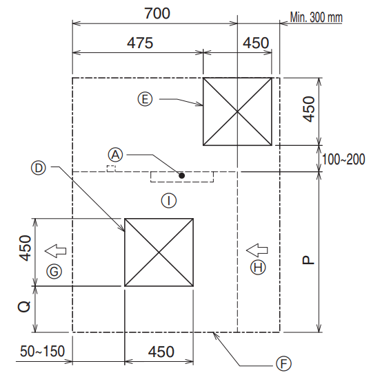
Secure enough access space to allow for the maintenance, inspection, and replacement of the motor, fan, drain pump, heat exchanger, and electric box in one of the following ways. Select an installation site for the indoor unit so that its maintenance access space will not be obstructed by beams or other objects.
- When a space of 300 mm or more is available below the unit between the unit and the ceiling (Fig. 3.2.1)
• Create access door 1 and 2 (450 x 450 mm each) as shown in Fig. 3.2.2.
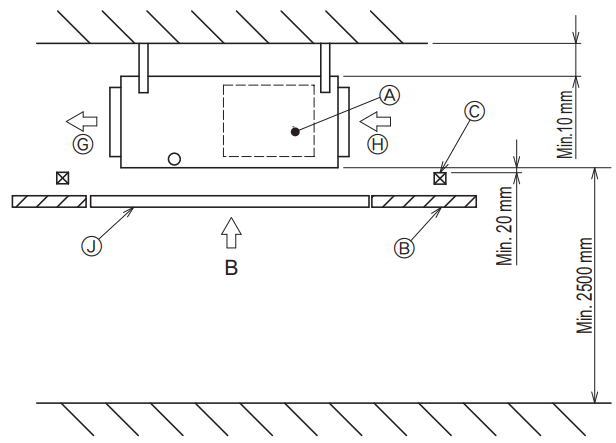
(Access door 2 is not required if enough space is available below the unit for a maintenance worker to work in.) - When a space of less than 300 mm is available below the unit between the unit and the ceiling (At least 20 mm of space should be left below the unit as shown in Fig. 3.2.3.)
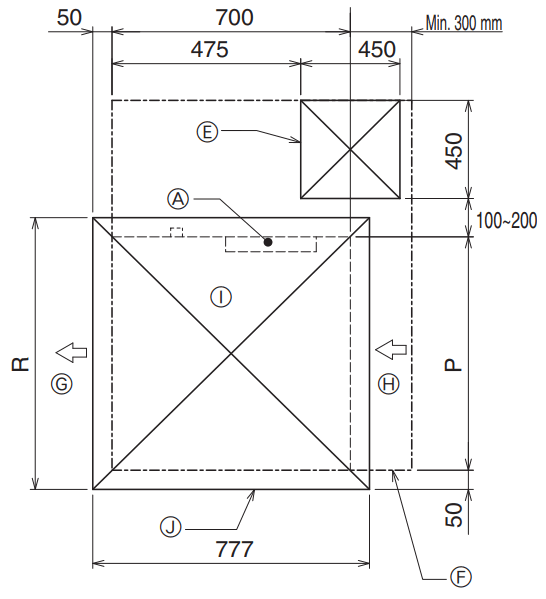
• Create access door 1 diagonally below the electric box and access door 3 below the unit as shown in Fig. 3.2.4. or
• Create access door 4 below the electric box and the unit as shown in Fig. 3.2.5.
[Fig. 3.2.1] (P.2)
[Fig. 3.2.2] (Viewed from the direction of the arrow A) (P.2)
[Fig. 3.2.3] (P.2)
[Fig. 3.2.4] (Viewed from the direction of the arrow B) (P.2)
[Fig. 3.2.5] (Viewed from the direction of the arrow B) (P.2)
| A Electric box C Ceiling beam E Access door 1 (450 mm x 450 mm) G Supply air I Bottom of indoor unit K Access door 4 | B Ceiling D Access door 2 (450 mm x 450 mm) F Maintenance access space H Intake air J Access door 3 |
3.3. Combining indoor units with outdoor units
For connecting indoor units with outdoor units, refer to the outdoor unit installation manual.
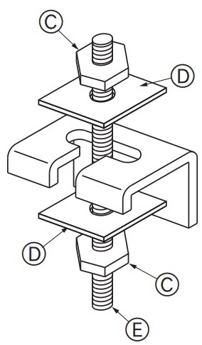
Fixing hanging bolts
4.1. Fixing hanging bolts
[Fig. 4.1.1] (P.3)
A Center of gravity
(Give site of suspension strong structure.)
Hanging structure
- Ceiling: The ceiling structure varies from building to one another. For detailed information, consult your construction company.
- If necessary, reinforce the hanging bolts with anti-quake supporting members as countermeasures against earthquakes.
* Use M10 for hanging bolts and anti-quake supporting members (field supply).
Center of gravity and Product Weight
| Model name | W | L | X | Y | Z | Product Weight (kg) |
| PEFY-M20VMA(L)-A1 | 643 | 754 | 330 | 300 | 130 | 21.0 (20.0) |
| PEFY-M25VMA(L)-A1 | 643 | 754 | 330 | 300 | 130 | 21.0 (20.0) |
| PEFY-M32VMA(L)-A1 | 643 | 754 | 330 | 300 | 130 | 21.0 (20.5) |
| PEFY-M40VMA(L)-A1 | 643 | 954 | 340 | 375 | 130 | 25.0 (24.5) |
| PEFY-M50VMA(L)-A1 | 643 | 1154 | 325 | 525 | 130 | 30.0 (29.0) |
| PEFY-M63VMA(L)-A1 | 643 | 1154 | 325 | 525 | 130 | 30.0 (29.0) |
| PEFY-M71VMA(L)-A1 | 643 | 1454 | 330 | 675 | 130 | 37 (36) |
| PEFY-M80VMA(L)-A1 | 643 | 1454 | 330 | 675 | 130 | 37 (36) |
| PEFY-M100VMA(L)-A1 | 643 | 1454 | 330 | 675 | 130 | 37 (36) |
| PEFY-M125VMA(L)-A1 | 643 | 1454 | 330 | 675 | 130 | 38 (37) |
| PEFY-M140VMA(L)-A1 | 643 | 1654 | 332 | 725 | 130 | 42 (41) |
The values in the parenthesis are for the PEFY-M·VMAL-A1 model.
Installing the unit
5.1. Hanging the unit body
Bring the indoor unit to an installation site as it is packed.
To hang the indoor unit, use a lifting machine to lift and pass through the hanging bolts.
[Fig. 5.1.1] (P.3)
A Unit body
B Lifting machine
[Fig. 5.1.2] (P.3)
C Nuts (field supply)
D Washers (field supply)
E M10 hanging bolt (field supply)
5.2. Confirming the unit’s position and fixing hanging bolts
Ensure that the hanging bolt nuts are tightened to fix the hanging bolts.
To ensure that drain is discharged, be sure to hang the unit at level using a level.
Caution:
Install the unit in horizontal position. If the side with drain port is installed higher, water leakage may be caused.
Refrigerant pipe and drain pipe specifications
To avoid dew drops, provide sufficient antisweating and insulating work to the refrigerant and drain pipes.
When using commercially available refrigerant pipes, be sure to wind commercially available insulating material (with a heat-resisting temperature of more than 100 °C and thickness given below) onto both liquid and gas pipes.
Insulate all indoor pipes with form polyethylene insulation with a minimum density of 0.03 and a thickness as specified in the table below.
- Select the thickness of insulating material by pipe size.
Pipe size Insulating material’s thickness 6.4 mm to 25.4 mm More than 10 mm 28.6 mm to 38.1 mm More than 15 mm - If the unit is used on the highest story of a building and under conditions of high temperature and humidity, it is necessary to use pipe size and insulating material’s thickness more than those given in the table above.
- If there are customer’s specifications, simply follow them.
6.1. Refrigerant pipe and drain pipe specifications
| Model/Item | PEFY-M·VMA(L)-A1 | ||
| 20·25·32·40·50 | 63·71·80·100·125·140 | ||
| Refrigerant pipe (Brazing connection) | Liquid pipe | ø 6.35 | ø 9.52 |
| Gas pipe | ø 12.7 | ø 15.88 | |
| Drain pipe | O.D. ø 32 | ||
6.2. Refrigerant pipe, drain pipe
[Fig. 6.2.1] (P.3)
A Refrigerant pipe (liquid pipe)
B Refrigerant pipe (gas pipe)
C Drain pipe (O.D. ø32)
D Drain pipe (O.D. ø32, spontaneous draining)
Connecting refrigerant pipes and drain pipes
7.1. Refrigerant piping work
This piping work must be done in accordance with the installation manuals for both outdoor unit and BC controller (simultaneous cooling and heating series R2).
- Series R2 is designed to operate in a system that the refrigerant pipe from an outdoor unit is received by BC controller and branches at the BC controller to connect between indoor units.
- For constraints on pipe length and allowable difference of elevation, refer to the outdoor unit manual.
- The method of pipe connection is brazing connection.
Caution:
• Install the refrigerant piping for the indoor unit in accordance with the following.
- Cut the tip of the indoor unit piping, remove the gas, and then remove the brazed cap.
[Fig. 7.1.1] (P.4)
A Cut here (only liquid pipe)
B Remove brazed cap - Pull out the thermal insulation on the site refrigerant piping, braze the unit piping, and replace the insulation in its original position.
Wrap the piping with insulating tape.
Note:
- When brazing the refrigerant pipes, be sure to blaze, after covering a wet cloth to the pipes of the units in order to prevent it from burning and shrinking by heat.
[Fig. 7.1.2] (P.4)
A Cool by a wet cloth - Pay strict attention when wrapping the copper piping since wrapping the piping may cause condensation instead of preventing it.
[Fig. 7.1.3] (P.4)
| A Thermal insulation C Wrap with damp cloth E Ensure that there is no gap here | B Pull out insulation D Return to original position F Wrap with insulating tape |
Cautions On Refrigerant Piping
- Be sure to use non-oxidative brazing for brazing to ensure that no foreign matter or moisture enter into the pipe.
- Be sure to apply refrigerating machine oil over the flare connection seating surface and tighten the connection using a double spanner.
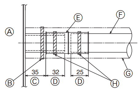
- Provide a metal brace to support the refrigerant pipe so that no load is imparted to the indoor unit end pipe. This metal brace should be provided 50 cm away from the indoor unit’s connection.
Warning:
Do not use refrigerant other than the type indicated in the manuals provided with the unit and on the nameplate.
– Doing so may cause the unit or pipes to burst, or result in explosion or fire during use, during repair, or at the time of disposal of the unit.
– It may also be in violation of applicable laws.
– MITSUBISHI ELECTRIC CORPORATION cannot be held responsible for malfunctions or accidents resulting from the use of the wrong type of refrigerant.
Caution:
- Use refrigerant piping made of C1220 (Cu-DHP) phosphorus deoxidized copper as specified in the JIS H3300 “Copper and copper alloy seamless pipes and tubes”. In addition, be sure that the inner and outer surfaces of the pipes are clean and free of hazardous sulphur, oxides, dust/dirt, shaving particles, oils, moisture, or any other contaminant.
- Never use existing refrigerant piping.
– The large amount of chlorine in conventional refrigerant and refrigerator oil in the existing piping will cause the new refrigerant to deteriorate. - Store the piping to be used during installation indoors and keep both ends of the piping sealed until just before brazing.
– If dust, dirt, or water gets into the refrigerant cycle, the oil will deteriorate and the compressor may fail.
– The refrigerant used in the unit is highly hygroscopic and mixes with water and will degrade the refrigerator oil.
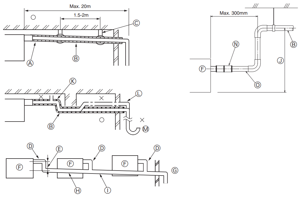
7.2. Drain piping work
- Ensure that the drain piping is downward (pitch of more than 1/100) to the outdoor (discharge) side. Do not provide any trap or irregularity on the way.
- Ensure that any cross-wise drain piping is less than 20 m (excluding the difference of elevation). If the drain piping is long, provide metal braces to prevent it from waving. Never provide any air vent pipe. Otherwise drain may be ejected.
- Use a hard vinyl chloride pipe VP-25 (with an external diameter of 32 mm) for drain piping.
- Ensure that collected pipes are 10 cm lower than the unit body’s drain port.
- Do not provide any odor trap at the drain discharge port.
- Put the end of the drain piping in a position where no odor is generated.
- Do not put the end of the drain piping in any drain where ionic gases are generated.
[Fig. 7.2.1] (P.4)
O Correct piping
× Wrong piping
A Insulation (9 mm or more)
B Downward slope (1/100 or more)
C Support metal
K Air bleeder
L Raised
M Odor trap
Grouped piping
D O. D. ø32 PVC TUBE
E Make it as large as possible. About 10 cm.
F Indoor unit
G Make the piping size large for grouped piping.
H Downward slope (1/100 or more)
I O. D. ø38 PVC TUBE for grouped piping. (9 mm or more insulation)
PEFY-M·VMA-A1 model
J Up to 700 mm
N Drain socket (accessory)
O Horizontal or slightly upgradient
[PEFY-M·VMA model]
- Insert the drain socket (accessory) into the drain port (insertion margin: 32mm).
(Attach the hose with glue, and fix it with the band (small, accessory).) - Attach the drain pipe (O.D. ø32 PVC TUBE PV-25, field supply).
(Attach the pipe with glue, and fix it with the band (small, accessory).) - Perform insulation work on the drain pipe (O.D. ø32 PVC TUBE PV-25) and on the socket (including elbow).
- Check the drainage. (Refer to [Fig. 7.3.1])
- Attach the insulating material, and fix it with the band (large, accessory) to insulate the drain port.
[Fig. 7.2.2] (P.4) *only on the PEFY-M·VMA-A1 model
A Indoor unit
B Tie band (accessory)
C Visible part
D Insertion margin
E Drain socket (accessory)
F Drain pipe (O.D. ø32 PVC TUBE, field supply)
G Insulating material (field supply)
H Tie band (accessory)
[PEFY-M·VMAL model]
- Insert the drain socket (accessory) into the drain port.
The connecting part between the indoor unit and the drain socket may be disconnected at the maintenance. Fix the part with the accessory band, not be adhered. - Attach the drain pipe (O.D. ø32 PVC TUBE, field supply).
(Attach the pipe with glue for the hard vinyl chloride pipe, and fix it with the band (small, accessory).) - Perform insulation work on the drain pipe (O.D. ø32 PVC TUBE) and on the socket (including elbow).
[Fig. 7.2.3] (P.4) *only on the PEFY-M·VMAL-A1 model
A Indoor unit
B Tie band (accessory)
C Band fixing part
D Insertion margin
E Drain socket (accessory)
F Drain pipe (O.D. ø32 PVC TUBE, field supply)
G Insulating material (field supply)
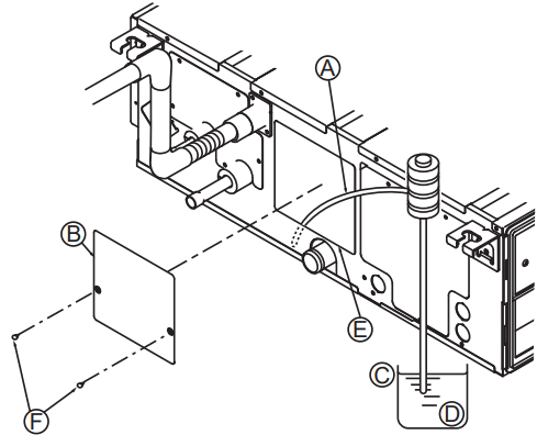
7.3. Confirming drain discharge
Make sure that the drain-up mechanism operates normally for discharge and that there is no water leakage from the connections.
• Be sure to confirm the above before ceiling work is done in the case of a new construction.
- Remove the water supply port cover on the same side as the indoor unit piping.
- Fill water into the feed water pump using a feed water tank. In filling, be sure to put the end of the pump or tank in a drain pan. (If the insertion is incomplete, water may flow over the machine.)
- Perform the test run in cooling mode, or connect the connector to the ON side of SWE on the Indoor controller board. (The drain pump and the fan are forced to operate without any remote controller operation.) Make sure using a transparent hose that drain is discharged.
Be sure to turn it back to the former state after work.
- After confirmation, cancel the test run mode, and turn off the main power. If the connector is connected to the ON side of SWE, disconnect it and connect it to the OFF side, and attach the water supply port cover into its original position.
[Fig. 7.3.1] (P.5)
A Insert pump’s end 2 to 4 cm.
B Remove the water supply port.
C About 2500 cc
D Water
E Filling port
F Screw
[Fig. 7.3.2] (P.5)
<Indoor controller board>
Duct work
- In connecting duct, insert canvas duct between unit and duct.
- Use incombustible material for duct parts.
- Provide full insulation to inlet duct flange and outlet duct to prevent condensation.
- Be sure to change the position of air filter to the position where it can be serviced.
[Fig. 8.0.1] (P.5)
<A> In case of rear inlet
<B> In case of bottom inlet
| A Duct C Access door E Ceiling surface G Leave distance enough to preventshort cycle | B Air inlet D Canvas duct F Air outlet H Min. 200 mm |
Caution:
When the duct is connected to the inlet at the bottom of the unit, the sound pressure level will be greater by approximately 10 dB than when the duct is connected to the inlet at the back of the unit.
For this reason, it is recommended to connect the duct to the back inlet.
When using the inlet at the bottom of the unit, offset the position of the inlet on the indoor unit relative to the inlet on the ceiling as shown in Figures <A> and <B> to minimize noise.
[Fig. 8.0.2] (P.5)
A Filter
B Bottom plate
- Remove air filter. (First remove filter lock screw.)
- Remove the bottom plate.
- Fit the bottom plate to the rear of the body. [Fig. 8.0.3] (P.5)
(Position of lug-holes on the plate are different from those for rear inlet.)
- Fit filter to the underside of the body.
(Be careful of which side of the filter to fit.) [Fig. 8.0.4] (P.5)
[Fig. 8.0.4] (P.5)
C Nail for the bottom inlet
D Nail for the rear inlet
Warning:
If one or more rooms are connected to the unit using a duct system, make sure:
- Install the unit in a space with at least a minimum floor area defined in the installation manual for the outdoor unit.
- no auxiliary devices, which may be a potential ignition source, are installed in the duct work;
- only auxiliary devices approved by the manufacturer are used in the duct work;
- an air inlet or outlet is connected directly with a room by ducting. Do NOT use spaces such as a false ceiling as a duct for the air inlet or outlet.
- Do NOT install operating ignition sources (example: open flames, an operating gas appliance or an operating electric heater) in the duct work.
Caution:
- Inlet duct of 850 mm or more should be constructed.
To connect the air conditioner main body and the duct for potential equalization. - To reduce the risk of injury from metal sheet edges, wear protective gloves.
- To connect the air conditioner main body and the duct for potential equalization.
- The noise from the intake will increase dramatically if intake is fitted directly beneath the main body. Intake should therefore be installed as far away from the main body as possible.
Particular care is required when using it with bottom inlet specifications. - Install sufficient thermal insulation to prevent condensation forming on outlet duct flanges and outlet ducts.
- Keep the distance between the inlet grille and the fan over 850 mm. If it is less than 850 mm, install a safety guard not to touch the fan.
- To avoid electrical noise interference, do not run transmission lines at the bottom of the unit.
Electrical wiring
Precautions on electrical wiring
Warning:
Electrical work should be done by qualified electrical engineers in accordance with “Engineering Standards For Electrical Installation” and supplied installation manuals. Special circuits should also be used. If the power circuit lacks capacity or has an installation failure, it may cause a risk of electric shock or fire.
- Be sure to install an earth leakage breaker to the power.
- Install the unit to prevent that any of the control circuit cables (remote controller, transmission cables) is brought in direct contact with the power cable outside the unit.
- Ensure that there is no slack on all wire connections.
- Some cables (power, remote controller, transmission cables) above the ceiling may be bitten by mouses. Use as many metal pipes as possible to insert the cables into them for protection.
- Never connect the power cable to leads for the transmission cables. Otherwise the cables would be broken.
- Be sure to connect control cables to the indoor unit, remote controller, and the outdoor unit.
- Put the unit to the ground on the outdoor unit side.
- Select control cables from the conditions given in page 13.
Caution:
- Be sure to put the unit to the ground on the outdoor unit side. Do not connect the earth cable to any gas pipe, water pipe, lightening rod, or telephone earth cable. Incomplete grounding may cause a risk of electric shock.
- If the supply cord is damaged, it must be replaced by the manufacturer, its service agent or similarly qualified persons in order to avoid a hazard.
Transmission cable specifications
| Transmission cables | ME Remote controller cables | MA Remote controller cables | |
| Type of cable | Shielding wire (2-core) CVVS, CPEVS or MVVS | Sheathed 2-core cable (unshielded) CVV | |
| Cable diameter | More than 1.25 mm2 | 0.3 ~ 1.25 mm2 (0.75 ~ 1.25 mm2)*1 | 0.3 ~ 1.25 mm2 (0.75 ~ 1.25 mm2)*1 |
|
Remarks | Max length: 200 m Maximum length of transmission lines for centralized control and indoor/ outdoor transmission lines (Maximum length via indoor units): 500 m MAX The maximum length of the wiring between power supply unit for transmission lines (on the transmission lines for centralized control) and each outdoor unit and system controller is 200 m. | When 10 m is exceeded, use cables with the same specification as transmission cables. | Max length: 200 m |
*1 Connected with simple remote controller.
CVVS, MVVS: PVC insulated PVC jacketed shielded control cable
CPEVS: PE insulated PVC jacketed shielded communication cable
CVV: PVC insulated PVC sheathed control cable
9.1. Power supply wiring
- Use dedicated power supplies for the outdoor unit and indoor unit.
- Bear in mind ambient conditions (ambient temperature, direct sunlight, rain water, etc.) when proceeding with the wiring and connections.
- The wire size is the minimum value for metal conduit wiring. If the voltage drops, use a wire that is one rank thicker in diameter. Make sure the power-supply voltage does not drop more than 10%.
- Specific wiring requirements should adhere to the wiring regulations of the region.
- Power supply cords of appliances shall not be lighter than design 60245 IEC 57, 60227 IEC 57, 60245 IEC 53 or 60227 IEC 53.
- A switch with at least 3 mm contact separation in each pole shall be provided by the Air conditioner installation.
[Fig. 9.1.1] (P.5)
A Ground-fault interrupter
B Local switch/Wiring breaker
C Indoor unit
D Pull box
| Total operating current of the Indoor unit | Minimum wire thickness (mm2) | Ground-fault interrupter *1 | Local switch (A) | Breaker for wiring (A) (Non-fuse breaker) | |||
| Main cable | Branch | Ground | Capacity | Fuse | |||
| F0 = 16 A or less *2 | 1.5 | 1.5 | 1.5 | 20 A current sensitivity *3 | 16 | 16 | 20 |
| F0 = 25 A or less *2 | 2.5 | 2.5 | 2.5 | 30 A current sensitivity *3 | 25 | 25 | 30 |
| F0 = 32 A or less *2 | 4.0 | 4.0 | 4.0 | 40 A current sensitivity *3 | 32 | 32 | 40 |
Apply to IEC61000-3-3 about Max. Permissive System Impedance.
*1 The Ground-fault interrupter should support Inverter circuit.
The Ground-fault interrupter should combine using of local switch or wiring breaker.
*2 Please take the larger of F1 or F2 as the value for F0.
F1 = Total operating maximum current of the indoor units × 1.2
F2 = {V1 × (Quantity of Type1)/C} + {V1 × (Quantity of Type2)/C} + {V1 × (Quantity of Type3)/C} + {V1 × (Quantity of Others)/C}
| Indoor unit | V1 | V2 | |
| Type1 | PEFY-VMA | 18.6 | 3.0 |

C : Multiple of tripping current at tripping time 0.01s
Please pick up “C” from the tripping characteristic of the breaker.
<Example of “F2” calculation>
*Condition PEFY-VMA × 3, C = 8 (refer to right sample chart) F2 = 18.6 × 3/8 = 6.975
× 16 A breaker (Tripping current = 8 × 16 A at 0.01s)
*3 Current sensitivity is calculated using the following formula.
G1 = (V2 × Quantity of Type1) + (V3 × Wire length [km])
| G1 | Current sensitivity |
| 30 or less | 30 mA 0.1 sec or less |
| 100 or less | 100 mA 0.1 sec or less |
| Wire thickness | V3 |
| 1.5 mm2 | 48 |
| 2.5 mm2 | 56 |
| 4.0 mm2 | 66 |
Warning:
- Be sure to use specified wires for connections and ensure no external force is imparted to terminal connections. If connections are not fixed firmly, heating or fire may result.
- Be sure to use the appropriate type of overcurrent protection switch. Note that generated overcurrent may include some amount of direct current.
Caution: - Some installation sites may require attachment of an earth leakage breaker for the inverter. If no earth leakage breaker is installed, there is a danger of electric shock.
- Do not use anything other than the correct capacity breaker and fuse. Using fuse, wire or copper wire with too large capacity may cause a risk of malfunction or fire.
Notes: - This device is intended for the connection to a power supply system with a maximum permissible system impedance (Refer to IEC61000-3-3.) at the interface point (power service box) of the user’s supply.
- The user must ensure that this device is connected only to a power supply system which fulfils the requirement above.
If necessary, the user can ask the public power supply company for the system impedance at the interface point.
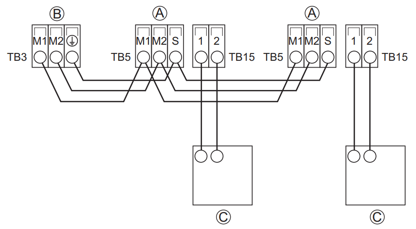
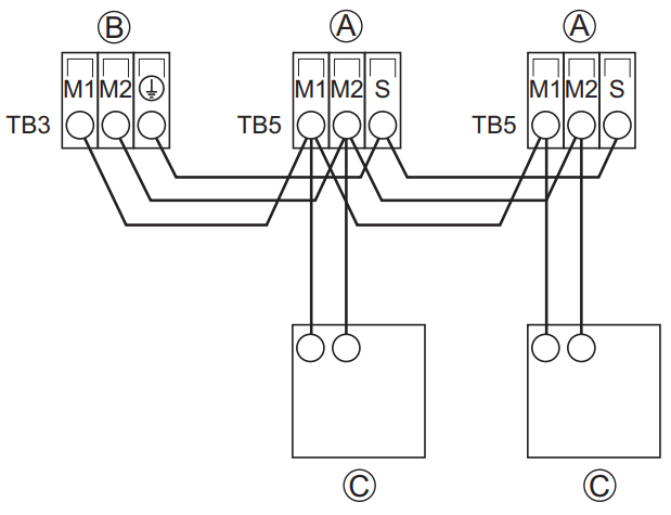
9.2. Connecting remote controller, indoor andoutdoor transmission cables
- Connect indoor unit TB5 and outdoor unit TB3. (Non-polarized 2-wire)
The “S” on indoor unit TB5 is a shielding wire connection. For specifications about the connecting cables, refer to the outdoor unit installation manual. - Install a remote controller following the manual supplied with the remote controller.
- Connect the “1” and “2” on indoor unit TB15 to a MA remote controller. (Nonpolarized 2-wire)
- Connect the “M1” and “M2” on indoor unit TB5 to a M-NET remote controller.
(Non-polarized 2-wire) - Connect the remote controller’s transmission cable within 10 m using a 0.75 mm2 junction cable. core cable. If the distance is more than 10 m, use a 1.25 mm2
[Fig. 9.2.1] (P.5) MA Remote controller
[Fig. 9.2.2] (P.5) M-NET Remote controller
A Terminal block for indoor transmission cable
B Terminal block for outdoor transmission cable
C Remote controller
- DC 9 to 13 V between 1 and 2 (MA remote controller)
- DC 24 to 30 V between M1 and M2 (M-NET remote controller)
[Fig. 9.2.3] (P.6) MA Remote controller
[Fig. 9.2.4] (P.6) M-NET Remote controller
| A Non-polarized C Remote Controller | B TB15 D TB5 |
- The MA remote controller and the M-NET remote controller cannot be used at the same time or interchangeably.
Caution:
Install wiring so that it is not tight and under tension. Wiring under tension may break, or overheat and burn.
9.3. Connecting electrical connections
Please identify the model name of the operation manual attached on the terminal box cover with that shown on the rating name plate.
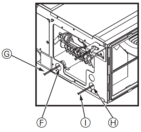
- Remove the screw (1pc) holding the cover to dismount the cover.
[Fig. 9.3.1] (P.6)A Screw holding cover (1pc B Cover - Open knockout holes
(Recommend to use a screwdriver or the like for this work.)
[Fig. 9.3.2] (P.6)C Ter min al b ox
E RemoveD Knockout hole - Fix power source wiring to terminal box by using buffer bushing for tensile force. (PG connection or the like.) Connect transmission wiring to transmission terminal block through the knockout hole of terminal box using ordinary bushing.
[Fig. 9.3.3] (P.6)
F Use PG bushing to keep the weight of the cable and external force from being applied to the power supply terminal connector. Use a cable tie to secure the cable.
G Power source wiring
H Use ordinary bushing
I Transmission wiring - Connect the power source, Earth, transmission and remote controller wiring.
The dismounting of the terminal box is not needed.
[Fig. 9.3.4] (P.6)
J Terminal block for power source
K Terminal block for indoor transmission
L Terminal block for remote controller
[Shield wire connection]
[Fig. 9.3.5] (P.6)
A Terminal block
B Round terminal
C Shield wire
D The earth wire from two cables are connected together to the S terminal. (Dead-end connection)
E Insulation tape (To keep the earth wire of the shielded cable from coming in contact with the transmission terminal) - After wiring is complete, make sure again that there is no slack on the connections, and attach the cover onto the terminal box in the reverse order of removal.
Notes:
- Do not pinch the cables or wires when attaching the terminal box cover.
Doing so may cause a risk of disconnection. - When accommodating the terminal box, make sure that the connectors on the box side are not removed. If removed, it cannot operate normally.
9.4. External I/O specifications
Caution:
- Wiring should be covered by insulation tube with supplementary insulation.
- Use relays or switches with IEC or equivalent standard.
- The electric strength between accessible parts and control circuit should have 2750 V or more.
9.5. Selecting the external static pressure
Five levels of external static pressure are available for selection.
Set the setting either by using the switches on the control board (SW21-1, SW21-2, and SW21-5) or from the function selection screen on the remote controller.
[Fig. 9.5.1] (P.6)
<Indoor controller board>
Notes:
- When the static pressure setting was set from the remote controller, the actual setting and the switch setting on the control board may not match because the
latest setting from the remote controller overrides the previous setting. To check the latest static pressure setting, check it on the remote controller, not on
the switch. - If the static pressure setting for the duct is lower than that for the unit, the fan of the unit may repeat start/stop, and the outdoor unit may remain in a stopped
state. Match the static pressure settings for the unit to that for the duct.
To set the external static pressure with the switches on the control board
| External static pressure | SW21-1 | SW21-2 | SW21-5 | Initial setting |
| M20–M63VMA-A1: 35 Pa M71–M140VMA-A1: 40 Pa | OFF | OFF | OFF | ○ only M20–M100VMA-A1 |
| 50 Pa | ON | OFF | OFF | ○ only M125,M140VMA-A1 |
| 70 Pa | OFF | ON | ON | |
| 100 Pa | OFF | OFF | ON | |
| 150 Pa | ON | OFF | ON |
To set the external static pressure from the function selection screen on the remote controller (PAR-33MAA, PAR-40MAA)
Follow the instructions below and the instructions detailed in the remote controller manual for how to set the switches.
- Set the function setting No. 32 (Switch setting/Function selection) to “2”.
- Set the function setting No. 8 and No. 10 to appropriate values, according to the external static pressure.
| Selection | Function setting No. | Initial setting | Current setting |
| No. 32 | |||
| Switch setting | 1 | ○ | |
| Function selection | 2 |
| External static pressure | Function setting No. | Initial setting | Current setting | |
| No. 8 | No. 10 | |||
| M20–M63VMA-A1: 35 Pa M71–M140VMA-A1: 40 Pa | 2 | 1 | ○ only M20–M100VMA-A1 | |
| 50 Pa | 3 | 1 | ○ only M125,M140VMA-A1 | |
| 70 Pa | 1 | 2 | ||
| 100 Pa | 2 | 2 | ||
| 150 Pa | 3 | 2 | ||
[Important]
Be sure to write down the settings for all functions in the “Current setting” row if any of the initial settings has been changed.
9.6. Setting addresses
(Be sure to operate with the main power turned OFF.)
[Fig. 9.5.1] (P.6)
<Indoor controller board>
- There are two types of rotary switch setting available: setting addresses 1 to 9 and over 10, and setting branch numbers.
1 How to set addresses
Example: If Address is “3”, remain SW12 (for over 10) at “0”, and match SW11 (for 1 to 9) with “3”.
2 How to set branch numbers SW14 (Series R2 only)
The branch number assigned to each indoor unit is the port number of the BC controller to which the indoor unit is connected.
Leave it to “0” on the non-R2 series of units. - The rotary switches are all set to “0” when shipped from the factory. These switches can be used to set unit addresses and branch numbers at will.
- The determination of indoor unit addresses varies with the system at site. Set them referring to the Data Book.
9.7. Sensing room temperature with the built-in sensor in a remote controller
If you want to sense room temperature with the built-in sensor in a remote controller, set SW1-1 on the control board to “ON”. The setting of SW1-7 and SW1-8 as necessary also makes it possible to adjust the air flow at a time when the heating thermometer is OFF.
9.8. Changing the power voltage setting
(Be sure to operate with the main power turned OFF.)
[Fig. 9.5.1] (P.6)
Please set the switch SW21 according to the power voltage.
- Set SW21-6 to OFF side when the power supply is 240 volts.
- When the power supply is 220 and 230 volts, set SW21-6 to ON side.
9.9. Electrical characteristics
Symbols : MCA : Max. Circuit Amps ( = 1.25 x FLA) FLA : Full Load Amps
IFM : Indoor Fan Motor
Output : Fan motor rated output
| Model name | Power supply | IFM | |||
| Volts / Hz | Range +-10% | MCA (A) | Output (kW) | FLA (A) | |
| PEFY-M20VMA(L)-A1 | 220-240 V / 50 Hz | Max.: 264 V Min.: 198 V | 0.93 | 0.085 | 0.74 |
| PEFY-M25VMA(L)-A1 | 0.93 | 0.085 | 0.74 | ||
| PEFY-M32VMA(L)-A1 | 1.19 | 0.085 | 0.95 | ||
| PEFY-M40VMA(L)-A1 | 1.53 | 0.121 | 1.22 | ||
| PEFY-M50VMA(L)-A1 | 2.13 | 0.121 | 1.70 | ||
| PEFY-M63VMA(L)-A1 | 2.20 | 0.121 | 1.76 | ||
| PEFY-M71VMA(L)-A1 | 2.35 | 0.300 | 1.88 | ||
| PEFY-M80VMA(L)-A1 | 2.35 | 0.300 | 1.88 | ||
| PEFY-M100VMA(L)-A1 | 2.81 | 0.300 | 2.25 | ||
| PEFY-M125VMA(L)-A1 | 2.93 | 0.300 | 2.34 | ||
| PEFY-M140VMA(L)-A1 | 3.29 | 0.300 | 2.63 | ||
Refer to Data Book for other models.

AIR CONDITIONER INDOOR UNIT
MODEL
SERVICE REF.
| OPERATE | COOLING | HEATING | ||||
| RATED VOLTAGE ~V | 220 | 230 | 240 | 220 | 230 | 240 |
| FREQUENCY Hz | 50 | 50 | 50 | 50 | 50 | 50 |
| CAPACITY kW | ||||||
| RATED INPUT kW | ||||||
| RATED CURRENT A | ||||||
ALLOWABLE VOLTAGE ±10%
CONTROL RATING DC30V
FAN MOTOR kW
REFRIGERANT R32/R410A
IP CODE IP20
WEIGHT kg
ALLOWABLE PRESSURE 4.15MPa
SERIAL NO.
YEAR OF MANUFACTURE
MITSUBISHI ELECTRIC CORPORATION
MANUFACTURER:MITSUBISHI ELECTRIC AIR CONDITIONING SYSTEMS EUROPE LTD.
NETTLEHILL ROAD HOUSTOUN INDUSTRIAL ESTATE
LIVINGSTON EH54 5EQ SCOTLAND, UNITED KINGDOM.
MADE IN UNITED KINGDOM
This product is designed and intended for use in the residential, commercial and light-industrial environment.
Please be sure to put the contact address/telephone number on this manual before handing it to the customer.
HEAD OFFICE: TOKYO BLDG., 2-7-3, MARUNOUCHI, CHIYODA-KU, TOKYO 100-8310, JAPAN




[Fig. 7.3.1] (P.5)

















