CITY MULTI
Air-Conditioners For Building Application
INDOOR UNIT
PMFY-P·VBM-E
For use with the R410A, R407C & R22
INSTALLATION MANUAL
For safe and correct use, please read this installation manual thoroughly before installing the air-conditioner unit.
Safety precautions
Before installing the unit, make sure you read all the “Safety precautions”.
Please report to your supply authority or obtain their consent before connecting this equipment to the power supply system.
Warning:
Describes precautions that must be observed to prevent the danger of injury or death to the user.
Caution:
Describes precautions that must be observed to prevent damage to the unit.
After installation work has been completed, explain the “Safety Precautions,” use, and maintenance of the unit to the customer according to the information in the Operation Manual and perform the test run to ensure normal operation. Both the Installation Manual and Operation Manual must be given to the user for keeping. These manuals must be passed on to subsequent users.
Warning:
- Ask the dealer or an authorized technician to install the air conditioner.
- Install the unit at a place that can withstand its weight.
- Use the specified cables for wiring.
- Use only accessories authorized by Mitsubishi Electric and ask the dealer or an authorized technician to install them.
- Do not touch the heat exchanger fins.
- Install the air conditioner according to this Installation Manual.
Caution:
- Do not use the existing refrigerant piping, when using R410A or R407C refrigerant.
- Use ester oil, either oil or alkylbenzene (small amount) as the refrigerator oil to coat flares and flange connections, when using R410A or R407C refrigerant.
- Do not use the air conditioner where food, pets, plants, precision instruments, or artwork are kept.
- Do not use the air conditioner in special environments.
![]() | : Indicates an action that must be avoided. |
![]() | : Indicates that important instructions must be followed. |
![]() | : Indicates a part which must be grounded. |
![]() | : Indicates that caution should be taken with rotating parts. |
| : Indicates that the main switch must be turned off before servicing. | |
![]() | : Beware of electric shock. |
| : Beware of the hot surfaces. |
Warning:
Carefully read the labels affixed to the main unit.
- Have all electric work done by a licensed electrician according to local regulations.
- If the air conditioner is installed in a small room, measures must be taken to prevent the refrigerant concentration from exceeding the safety limit even if the refrigerant should leak.
- The cut face punched parts may cause injury by cut, etc. The installers are requested to wear protective equipment such as gloves, etc.
- Ground the unit.
- Install a leak circuit breaker, as required.
- Use power line cables of sufficient current carrying capacity and rating.
- Use only a circuit breaker and fuse of the specified capacity.
- Do not touch the switches with wet fingers.
- Do not touch the refrigerant pipes during and immediately after operation.
- Do not operate the air conditioner with the panels and guards removed.
- Do not turn off the power immediately after stopping the operation.
Installing the indoor unit
2.1. Check the indoor unit accessories (Fig. 2-1)
The indoor unit should be supplied with the following spare parts and accessories (contained inside of the intake grille).
| Accessory name | Q’ty | |
| 1 | Washer | 4 pcs |
| 2 | Washer (with insulation) | 4 pcs |
| 3 | Pipe cover | 2 pcs |
| 4 | Band | 4 pcs |
| 5 | Screw | 4 pcs M5 x 0.8 x 30 |

2.2. Service space (Fig. 2-2)
• The dimensions of ceiling opening can be regulated within the range shown in the following diagram; so center the main unit against the opening of the ceiling, ensuring that the respective opposite sides on all sides of the clearance between them become identical.
A Air intake
B Air outlet
C Ceiling panel
D Min. 200 mm
E Suspension bolts W3/8 or M10
F Grille
2.3. Ceiling openings and suspension bolt installation locations (Fig. 2-3)
- Make an opening in the ceiling 430 mm × 960 mm in size. This functions as a check window and will be needed later during servicing.
- If the dimensions are not accurate, when the grille is installed there may be gaps between it and the indoor unit. This may result in dripping water or other problems.
- When deciding on a placement, consider carefully the space around the ceiling and make your measurements generous.
- Ceiling types and building construction differ. Therefore you should consult with the builder and decorator.
The centers of the ceiling opening and the indoor unit should be aligned.
- The outer side of the grille
- Ceiling opening
- Bolt pitch
- Electric box
- Using the installation template (top of the package) and the gauge (supplied as an accessory with the grille), make an opening in the ceiling so that the main unit can be installed as shown in the diagram. (The method for using the template and the gauge are shown.)
- Use M10 (3/8″) suspension bolts. * Suspension bolts are to be procured at the field.
- After suspending the indoor unit, you will have to connect the pipes and wiring above the ceiling. Once the location has been fixed and the direction of the pipes has been determined, place the refrigerant and drainage pipes, the wiring for the remote controller, and the wiring that connects the indoor and outdoor units in their desired locations before suspending the indoor unit. This is especially important in cases where the ceiling is already in existence.

Wooden structure (Fig. 2-4)
- Use tie beams (single storied houses) or second-floor beams (two-story houses) as reinforcing members.
- Wooden beams for suspending air conditioners must be sturdy and their sides must be at least 6 cm long if the beams are separated by not more than 90 cm and their sides must be at least 9 cm long if the beams are separated by as much as 180 cm. The size of the suspension bolts should be ø10 mm (3/8″). (The bolts do not come with the unit.)
- Use channel, duct, and other parts procured locally to suspend the indoor unit.

2 Ferro-concrete structures (Fig. 2-5)
Secure the suspension bolts using the method shown, or use steel or wooden hangers, etc. to install the suspension bolts.
D Ceiling panel
E Rafter
F Beam
G Roof beam
H Use inserts rated at 100-150 kg each (procure locally)
I Suspension bolts M10 (3/8″) (procure locally)
J Steel reinforcing rod
K C channel
L Channel suspension bracket
M M10 suspension bolt

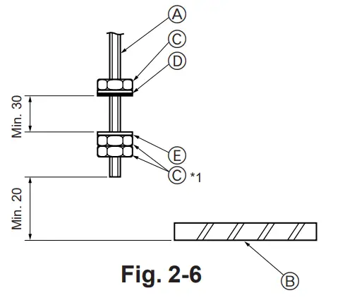
2.4. Unit suspension procedures (Fig. 2-6)
Procure 3/8″ bolts or M10 bolts locally.
• Adjust the length of the bolt’s protrusion from the ceiling surface beforehand.
*1. When using an extra upper nut in suspending the unit, in some cases you may have to add it later.
A Suspension bolt
B Ceiling panel
C Nut
D Washer (with insulation) 2
E Washer (without insulation) 1
Check the pitch of the suspension bolt. (340 mm × 811 mm) 
- Thread washers 1 2 (supplied) and their nuts (procured locally) onto the suspension bolt in advance. (Fig. 2-7) * Do this in the following order (from the top): nut, insulated washer 2, washer without insulation 1, two nuts. * Position insulated washer 2 with the insulated surface pointing down, as in the figure.
- Lift the unit into place, and aligned properly with the suspension bolt. Pass the bracket between washers 1 and 2, which are already in place, and secure it. Do the same in all four places. * Make sure the suspension bolt extends 20 mm or more from the surface of the ceiling. Otherwise, you will not be able to install the cover panel (sold separately).
- If the long opening in the bracket and opening in the ceiling do not align, adjust them until they do.
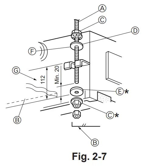
A Suspension bolt (3/8″ or M10)
B Ceiling surface
C Nut (3/8″ or M10)
D Washer 2 (with insulation)
E Washer 1
F (Install with insulation facing down) - G Measurement to the upper face of the bracket

- Check that the four corners are all level, using a spirit level or clear plastic tubing with water in it. (Fig. 2-8) * Make sure that any slant in the unit after installation is less than 0.5 degrees (approx. 6 mm on the long dimension of the unit).

5. Tighten all the nuts. (Fig. 2-9)
A Suspension bolt (3/8″ or M10)
B Clear plastic tubing
C Underside of the bracket
D Secure front panel here
E Make these surfaces flush with each other (0 – 3 mm)
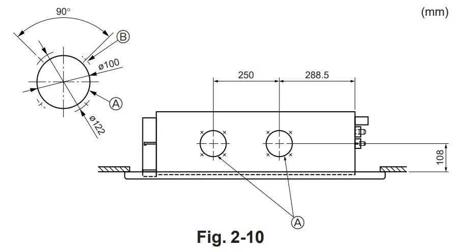
2.5. Fresh air intake hole (Fig. 2-10)
At the time of installation, use the hole (knock out) located at the positions shown in the following diagram, as and when required.
A Fresh air intake hole (Knock out)
B 4-ø2.8 burring hole
Note:
Make sure that the fresh air intake is no more than 20% of the entire air intake (when the airflow speed is set to its highest setting).
Caution:
Linkage of duct fan and air conditioner.
If a duct fan is used, be sure to link it with the air conditioner when the outside air is taken in.
Do not run just the duct fan. Otherwise, condensation may form.
Refrigerant pipe and drain pipe
3.1. Refrigerant and drainage piping locations
A Drain pipe (Use PVC pipe O.D. ø26)
B Ceiling panel (underside)
C Refrigerant pipe (gas)
D Refrigerant pipe (liquid)
E Electrical box
F Drain pan
G Make sure these surfaces are flush with each other.
3.2. Connecting pipes (Fig. 3-2)
- When commercially available copper pipes are used, wrap liquid and gas pipes with commercially available insulation materials (heat-resistant to 100 °C or more, the thickness of 12 mm or more).
- The indoor parts of the drain pipe should be wrapped with polyethylene foam insulation materials (specific gravity of 0.03, thickness of 9 mm or more).
- Apply a thin layer of refrigerant oil to the pipe and joint seating surface before tightening the flare nut.
- Use two wrenches to tighten piping connections.
- Use refrigerant piping insulation provided to insulate indoor unit connections. Insulate carefully.
A Flare cutting dimensions
| Copper pipe O.D. (mm) | Flare dimensions øA dimensions (mm) |
| ø6.35 | 8.7 – 9.1 |
| ø9.52 | 12.8 – 13.2 |
| ø12.7 | 16.2 – 16.6 |
| ø15.88 | 19.3 – 19.7 |
| ø19.05 | 22.9 – 23.3 |
B Refrigerant pipe sizes & Flare nut tightening torque
| R407C or R22 | R410A | Flare nut O.D. | ||||||||
| Liquid pipe | Gas pipe | Liquid pipe | Gas pipe | |||||||
| Pipe size (mm) | Tightening torque (N.m) | Pipe size (mm) | Tightening torque (N.m) | Pipe size (mm) | Tightening torque (N.m) | Pipe size (mm) | Tightening torque (N.m) | Liquid pipe (mm) | Gas pipe (mm) | |
| P20/25/32/40 | 0036.35 (1/4″) | 14 – 18 | 011312.7 (1/2″) | 49 – 61 | 01136.35 (1/4″) | 14 – 18 | 00012.7 (1/2″) | 49 – 61 | 17 | 26 |
| P50 | ODo9.52 (3/8″) | 34 – 42* | 011315.88 (5/8″) | 68 – 82* | 01136.35 (1/4″) | 34 – 42 | 00012.7 (1/2″) | 68 – 82 | 22 | 29 |
| P63/80 | ODo9.52 (3/8″) | 34 – 42 | 011315.88 (5/8″) | 68 – 82 | 01139.52 (3/8″) | 34 – 42 | 00015.88 (5/8″) | 68 – 82 | 22 | 29 |
| P100/125 | 0039.52 (3/8″) | 34 – 42 | 00019.05 (3/4″) | 100 – 120* | 01139.52 (3/8″) | 34 – 42 | 00015.88 (5/8″) | 100 – 120 | 22 | 36 |
* Use the provided flare nut for the following pipes: Liquid pipe of P50, P100 P125, and gas pipe of P50.
C Apply refrigerating machine oil over the entire flare seat surface.
Installing procedures (Fig. 3-3)
- Remove the flare nuts and caps from the indoor unit.
- Flare-cut the liquid and gas pipes then apply refrigerating machine oil (to be locally procured) over the flare-cut seat surface.
- Quickly connect the refrigerant piping.
∗ Remember to tighten the flare nuts with a double spanner. - Slide the supplied pipe cover 3 over the gas piping until it is pressed against the sheet metal inside the unit.
- Slide the provided pipe cover 3 over the liquid piping until it is pressed against the sheet metal inside the unit.
- Tighten the pipe cover 3 at both ends (15 – 20 mm) with the supplied bands 4.
A Gas piping
B Liquid piping
C Band 4
D Pipe cover 3
E Turn the seam upward.
F Press the pipe cover against the sheet metal.
G Refrigerant piping heat insulating material
H Wrap tightly
I Cut off the excess length of the band.
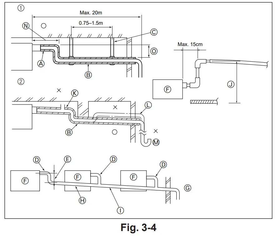
3.3. Drainage piping work (Fig. 3-4)
- Use O. D. ø26 mm PVC TUBE for drain piping and provide a 1/100 or more downward slope.
- Be sure to connect the piping joints using the adhesive of the polyvinyl chloride family.
- Observe the figure for piping work.
- Use attached drain hose to change the pipe extraction direction.
1 Correct piping
2 Wrong piping
An Insulation (9 mm or more)
B Downward slope (1/100 or more)
C Support metal
K Air bleeder
L Raised
M Odor trap
N Make as little as possible
O Make as great as possible (approx. 10 cm)
Grouped piping
D VP-20 (O. D. ø26 PVC TUBE)
E Make it as large as possible
F Indoor unit
G Make the piping size large for grouped pip- ing.
H Downward slope (1/100 or more)
I O. D. ø38 PVC TUBE for grouped piping. (9 mm or more insulation)
J Up to 50 cm
In cases of upward drainage (Fig. 3-5)
• The largest dimension possible for the vertical section at B is 60 cm from the lower surface of the ceiling. Make this vertical section as short as possible.
Water drainage check (Fig. 3-6)
- Fill the drainage pan with about 0.5 liters of water. (Don’t pour water directly into the drain pump.)
- Make a test run of the unit (in Cooling mode).
- Check for water drainage at the transparent check window and the outlet of the drainage pipe.
- Stop the test run. (Don’t forget to turn off the power.)
A Ceiling panel
B Max. 60 cm
C Position of the drain outlet
D Make as short as possible (Max. 15 cm)
E Make it as small as possible
F Downward slope (1/100 or more)
G Make as great as possible (Min. 10 cm)
H Drainage pipe vertical section
I Water bottle (procure locally)
Electrical work
A Cover
B Electrical box
C Terminal block for power supply
D Terminal block for transmission cable
E Control board
F Address board
G Secure with the wiring clamp
H Terminal block for MA Remote controller
4.1. Electric wiring (Fig. 4-1)
* Make sure all electrical wiring is complete before installing the cover panel.
- Remove the cover from the address board (two bolts).
- Remove the cover from the electrical box (one bolt).
- Remove the bolts securing the electrical box and lower the box (two bolts).
- Insert the wires into the electrical box.
- Connect the wires securely to the terminal block. * Be sure to make the various wires long enough so the box may be lowered from the unit during servicing.
- Secure the wires with the wiring clamp on the side of the electrical box.
- Replace the parts you have removed to their original locations. A means for the disconnection of the supply with an isolation switch, or similar device, in all active conductors, shall be incorporated in the fixed wiring.
Power supply wiring
• Power supply codes of the appliance shall not be lighter than design 245 IEC 53 or 227 IEC 53.
• A switch with at least 3 mm contact separation in each pole shall be provided by the air conditioner installation.
Power cable size: more than 1.5 mm
• Install earth longer and thicker than other cables.
4.2. Connecting remote controller, indoor and outdoor transmission cables (Fig. 4-2)
- Connect indoor unit TB5 and outdoor unit TB3. (Non-polarized 2-wire) The “S” on indoor unit TB5 is a shielding wire connection. For specifications about the connecting cables, refer to the outdoor unit installation manual.
- Install a remote controller following the manual supplied with the remote controller.
- Connect the remote controller’s transmission cable within 10 m using a 0.75 mm 2 core cable. If the distance is more than 10 m, use a 1.25 mm 2 junction cable. 1 MA Remote controller
- Connect the “1” and “2” on indoor unit TB15 to a MA remote controller. (Non-polarized 2-wire)
- DC 9 to 13 V between 1 and 2 (MA remote controller) 2 M-NET Remote controller
- Connect the “M1” and “M2” on indoor unit TB5 to an M-NET remote controller. (Nonpolarized 2-wire)
- DC 24 to 30 V between M1 and M2 (M-NET remote controller)
A Terminal block for indoor transmission cable
B Terminal block for outdoor transmission cable
C Remote controller
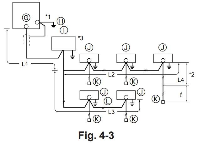
Constraints on transmission cable (Fig. 4-3)
Longest wiring length (L1+L2+L4 or L1+L3 or L2+L3+L4): less than 200 m
Length between indoor unit and remote controller (R): within 10 m
G Outdoor unit
H Earth
I BC controller
J Indoor unit
K M-NET Remote controller
L Non-polarized 2-wire
Note:
- Put the transmission cable earth via the outdoor unit’s earth terminal to the ground.
- If the remote controller cable exceeds 10 m, use a 1.25 mm diameter cable over the exceeded portion, and add that exceeded portion to within 200 m.
- The BC controller is required only for simultaneous cooling and heating series R2.
4.3. Setting addresses (Fig. 4-4)
(Be sure to operate with the main power turned OFF.)
- There are two types of rotary switch settings available: setting addresses 1 to 9 and over 10 and setting branch numbers.
Note:
Please set the switch SW5 according to the power supply voltage. - Set SW5 to 240 V side when the power supply is 230 and 240 volts.
- When the power supply is 220 volts, set SW5 to 220 V side. An Address board

4.4. Types of control cables
- Wiring transmission cables: Shielding wire CVVS or CPEVS
• Cable diameter: More than 1.25 mm - M-NET Remote control cables
| Kind of remote control cable | Shielding wire MVVS |
| Cable diameter | More than 0.5 to 1.25 mm2 |
| Remarks | When 10 m is exceeded, use a cable with the same specifications as transmission line wiring |
3. MA Remote control cables
| Kind of remote control cable | 2-core cable (unshielded) |
| Cable diameter | 0.3 to 1.25 mm2 |
Installing the grille
5.1. Checking the contents (Fig. 5-1)
• This kit contains the following parts.
| Accessory name | Q’ty | Remark | |
| 1 | Grille | 1 | |
| 2 | Screw | 6 | M5x0.8×16 |
| 3 | Screw | 1 | 4 x 16 |
A Points for securing the grille
B Points for securing the grille
C Indoor unit
D Ceiling surface
E Drainage pan
F Places for securing front grille
G Make sure these surfaces are flush with each other (0-3 mm).
5.2. Checks before setting in place (Fig. 5-2, 3)
- Before installing the front panel, make sure the indoor unit is square with the ceiling opening (or parallel to the angle between the wall and the ceiling).
- Check that the four points where the front panel will be secured are in contact with the ceiling surface.
- Check that the insulation for the refrigerant pipes, drainage pipes, etc. is in place and that wiring connections and arrangements are complete.

5.3. Installing the grille (Fig. 5-4)
- Open the intake grille by pressing on the place marked Push, and remove the air filter.
- Remove the screw cover in the middle of the blower.
- Open the upper and lower flaps on the indoor unit completely.
- Hook the temporary holding tabs on the front panel to the hooks on the indoor unit.
A Hooks
B Open the upper and lower flaps completely
C Temporary holding tab
D Temporary holding tab
E Screw cover

- Adjust the front panel so that it fits properly in the angle between the ceiling and the wall, and install the securing bolts 2 (supplied with this grille) in their four places at left and right, leaving them slightly loose. (Fig. 5-5)
- Next, tighten the securing bolts 2 and securing screws 3 in the center three places.
- Finally, tighten the securing bolts 2 in the four places on the left and right.
- At this point, make sure there are no gaps between the indoor unit and the front panel, and between the front panel and the ceiling surface. If there are gaps, the wind may come in and it may cause water to drip (Fig. 5-6). * Tighten the securing bolts 2 and securing screws 3 completely.
- Replace the air filter and screw cover, and press the intake grille on the place marked Push until you hear it snap into place. A Hook D Temporary securing tabs

5.4. Checks after installing
- Check that there are no gaps between the indoor unit and the front panel, and between the front panel and the ceiling surface. If there are gaps, the wind may come in and condensation may result.
- Check that the air filter is in place.
A Ceiling surface
B Indoor unit
C Grille
D No gaps here

- Press the [TEST RUN] button twice → display [TEST RUN] on the screen.
- Press the [Selecting operation] button. → Check that wind is blowing out.
- Press the [Fan speed adjustment] button. → Check that the wind speed is changed.
- Press the [Up/down airflow selection] button to change wind direction.
- Press the [ON/OFF] button to clear test run. → Test run stops.
A Lighting in operation
B Displaying inspection code
C Displaying the remaining test run time
D Displaying the indoor unit’s liquid pipe temperature
E Displaying test run
Note:
• The 2-hour-set timer is activated to automatically stop test run after two hours.
• The remote controller displays the temperature of the indoor unit’s liquid pipe on the temperature display section during test run.
This product is designed and intended for use in the residential,
commercial and light-industrial environment.
The product at hand is based on the following • Low Voltage Directive 73/23/ EEC
EU regulations: • Electromagnetic Compatibility Directive 89/ 336/ EEC
Please be sure to put the contact address/telephone number on this manual before handing it to the customer.
MITSUBISHI ELECTRIC CORPORATION
HEAD OFFICE: MITSUBISHI DENKI BLDG., 2-2-3, MARUNOUCHI, CHIYODA-KU, TOKYO 100-8310, JAPAN
BG79U328H02
Printed in Japan

























