MITSUBISHI ELECTRIC PEFY-P15 Indoor Air Conditioner
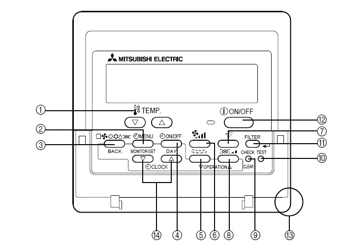
- Set Temperature] Button
- [Timer Menu] Button
[Monitor/Set] Button - [Mode] Button
[Back] Button - [Timer On/Off] Button
[Set Day] Button - [Louver] Button
[Operation] Button - [Fan Speed] Button
- [Vane Control] Button
- [Ventilation] Button
[Operation] Button - [Check/Clear] Button
- [Test Run] Button
- [Filter] Button
[
] Button - [ON/OFF] Button
- Position of built-in room temperature sensor
- [Set Time] Button
- Never expose the remote controller to direct sunlight. Doing so can result in the erroneous measurement of room temperature.
- Never place any obstacle around the lower right-hand section of the remote controller. Doing so can result in the erroneous measurement of room temperature
Remote controller-Display
A Current time/Timer time
B Centralized control indicator
C Timer OFF indicator
D Timer mode indicator
E Operation mode display:![]()
F Function mode indicator
G Preset temperature
H Power indicator
I Louver
J Ventilation
K Filter sign
L Sensor position
M Room temperature
N Vane setting
P Operation lamp
O Fan speed
[Fig. A]
<PEFY-P-VMS1(L)-E>
A. Filter: Air Flow
This product is designed and intended for use in the residential, commer-cial and light-industrial environment.
The product at hand is based on the following EU regulations:
- Low Voltage Directive 2006/95/EC
- Electromagnetic Compatibility Directive 2004/108/EC
HEAD OFFICE: TOKYO BLDG., 2-7-3, MARUNOUCHI, CHIYODA-KU, TOKYO 100-8310, JAPAN





















