MITSUBISHI PVA-A12 P-Series Air Conditioners Instruction Manual
Dimensions

Inspect shipment
These air handlers are completely factory assembled, and all components are performance tested. Each unit consists of a blower assembly, refrigerant coil and controls in an insulated, galvanized steel factory enclosure. Knockouts are provided for electrical wiring entrance. Check the unit rating plate to confirm specifications are as ordered. Upon receipt of equipment, carefully inspect it for possible damage. Take special care to examine the unit if the carton is damaged. If damage is found, it should be noted on the carrier’s freight bill. Damage claims should be filed with the carrier immediately. Claims of shortages should be filed with the seller within 5 days.
Safety precautions
Before installation and electric work
Before installing the unit, make sure you read all the “Safety precautions”.
The “Safety precautions” provide very important points regarding safety. Make sure you follow them.
Symbols used in the text
Warning:
Describes precautions that should be observed to prevent danger of injury or death to the user
Caution:
Describes precautions that should be observed to prevent damage to the unit
Warning:
Carefully read the labels affixed to the main unit.
Warning:- The unit must be installed by an authorized Dealer or properly trained technician.
- Improper installation by the user may result in water leakage, electric shock, or fire.
- Install the air unit in a place that can withstand its weight.
- Inadequate strength may cause the unit to fall down, resulting in injuries.
- Use the specified cables for wiring. Make the connections securely so that the outside force of the cable is not applied to the terminals.
- Inadequate connection and fastening may generate heat and cause a fire. Provide strain relief to wiring.
- Prepare for typhoons, hurricanes, earthquakes etc. and install the unit at the specified place.
- Improper installation may cause the unit to topple and result in injury.
- Never repair the unit. If the air conditioner must be repaired, consult the dealer.
- If the unit is repaired improperly, water leakage, electric shock, or fire may result.
- Do no touch the heat exchanger fins.
- Improper handling may result in injury.
- When handling the product, always wear protective equipment.
- EG: Gloves, full arm protection, and safety glasses.
- Improper handling may result in injury.
- Install the air conditioner according to this Installation Manual.
- If the unit is installed improperly, water leakage, electric shock, or fire may resul
- Have all electric work done by a licensed electrician according the “National Electrical code and local Electrical codes” and “Interior Wire Regulations” and the instructions given in this manual and always use a special circuit.
- If the power source capacity is inadequate or electric work is performed improperly, electric shock and fire may result.
- Keep the electric parts away from water (washing water etc.).
- It might result in electric shock, catching fire or smoke.
- When cleaning the Heat Exchanger and Drain Pan, ensure the Control Box, Motor and LEV remain dry, water proof covering.
- When installing and moving the air conditioner to another site, do not charge it with a refrigerant different from the refrigerant specified on the unit.
- If a different refrigerant or air is mixed with the original refrigerant, the refrigerant cycle may malfunction and the unit may be damaged.
- When moving and reinstalling the air conditioner, consult the dealer or an authorized technician.
- If the air conditioner is installed improperly, water leakage, electric shock, or fire may result.
- Do not reconstruct or change the settings of the protection devices.
- If the pressure switch, thermal switch, or other protection devices are shorted and operated forcibly, or parts other than those specified by Mitsubishi Electric are used, fire or explosion may result.
- To dispose of this product, consult your dealer.
- Do not use a leak detection additive.
- Always use an air cleaner, humidifier, electric heater, and other accessories specified by Mitsubishi Electric.
- Ask an authorized technician to install the accessories. Improper installation by the user may result in water leakage, electric shock, or fire.
- If refrigerant gas leaks during installation work, ventilate the room.
- If the refrigerant gas comes into contact with a flame, poisonous gases will be released.
- Securely install the outdoor unit terminal cover (panel).
- If the terminal cover (panel) is not installed properly, dust or water may enter the outdoor unit and fire or electric shock may result.
- If the air conditioner is installed in a small room, measures must be taken to prevent the refrigerant concentration from exceeding the safety limit even if the refrigerant should leak.
- Consult the dealer regarding the appropriate measures to prevent the safety limit from being exceeded. Should the refrigerant leak and cause the safety limit to be exceeded, hazards due to lack of oxygen in the room could result.
- After completing installation work, make sure that refrigerant gas is notleaking.
- If the refrigerant gas leaks and is exposed to a fan heater, stove, oven, or other heat source, it may generate noxious gases.
- Children should not be allowed around the air conditioning equipment
- The installer and system specialist shall ensure there is no refrigerant leakage according to local regulations and standards.
- Pay special attention to the location the unit is installed in. Refrigerant is heavier than air so locations such as basements or crawlspaces where refrigerant can accumulate can become dangerous.
- The appliance is intended for use by persons (including children) with reduced physical, sensory or mental capabilities, or lack of experience and knowledge, unless they have been given supervision or instruction concerning use of the appliance by a person responsible for their safety.
- If the supply cord is damaged, it must be replaced by the manufacturer, its service agent or similarly qualified persons in order to avoid a hazard.
- Do not use refrigerant other than the type indicated in the manuals provided with the unit and on the nameplate.
- Doing so may cause the unit or pipes to burst, or result in explosion of fire during use, during repair, or at the time of disposal of the unit.
- It may also be in violation of applicable laws.
- MITSUBISHI ELECTRIC CORPORATION cannot be held responsible for malfunctions or accidents resulting for the use of the wrong type of refrigerant.
Precautions for devices that use R410A refrigerant
Caution:
- Do not use the existing refrigerant piping.
- The old refrigerant and refrigeration oil in the existing piping contains a large amount of chlorine which may cause the refrigerator oil of the new unit to deteriorate.
- Use refrigerant piping made of C1220 (Cu-DHP) phosphorus deoxidized copper as specified in the JIS H3300 “Copper and copper alloy seamless pipes and tubes”. In addition, be sure that the inner and outer surfaces of the pipes are clean and free of hazardous sulphur, oxides, dust/dirt, shaving particles, oils, moisture, or any other contaminants.
- Contaminants on the inside of the refrigerant piping may cause the refrigerant residual oil to deteriorate
- Store the piping to be used during installation indoors and keep both ends of the piping sealed until just before brazing. (Store elbows and other joints in a plastic bag.)
- If dust, dirt, or water enters the refrigerant cycle, deterioration of the oil and compressor trouble may result.
- Use liquid refrigerant to fill the system.
- If gas refrigerant is used to seal the system, the composition of the refrigerant in the cylinder will change and performance may drop.
- Do not use a refrigerant other than R410A.
- If another refrigerant is used, the chlorine in the refrigerant may cause the refrigerator oil to deteriorate.
- Use a vacuum pump with a reverse flow check valve.
- The vacuum pump oil may flow back into the refrigerant cycle and cause the refrigerator oil to deteriorate.
- Do not use the following tools that are used with conventional refrigerants.
- (Gauge manifold, charge hose, gas leak detector, reverse flow check valve, refrigerant charge base, vacuum gauge, refrigerant recovery equipment).
- If the conventional refrigerant and refrigeration oil are mixed in the R410A, the refrigerant may deteriorate.
- If water is mixed in the R410A, the refrigeration oil may deteriorate.
- Since R410A does not contain any chlorine, gas leak detectors for conventional refrigerant will not react to it.
- Do not use a charging cylinder. May cause the refrigerant to deteriorate.
- Be especially careful when managing the tools.
- If dust, dirt, or water gets in the refrigeration system, the refrigerant may deteriorate.
Before getting started
Caution:
- Do not install the unit where combustible gas may leak.
- If the gas leaks and accumulates around the unit, an explosion may result.
- Do not use the air conditioner in special environments.
- Oil, steam, sulfuric smoke, etc. can significantly reduce the performance of the air conditioner or damage its parts.
- When installing the unit in a hospital, communication station, or similar place, provide sufficient protection against noise.
- The inverter equipment, private power generator, highfrequency medical equipment, or radio communication equipment may cause the air conditioner to operate erroneously, or fail to operate. On the other hand, the air conditioner may affect such equipment by creating noise that disturbs medical treatment of image broadcasting.
- Do not install the unit on a structure that may cause leakage.
- When the room humidity exceeds 80% or when the drain pipe is clogged, condensation may drip from the indoor unit. Perform collective drainage work together with the outdoor unit, as required.
- When the ambient dew point temperature exceeds 75 °F (24 °C), dew condensation may occur on the unit surface. Perform appropriate treatment to avoid dew condensation.
Before getting installed (moved)-electrical work
Caution:
- Ground the unit.
- Do not connect the ground wire to gas or water pipes, lightning rods, or telephone ground lines. Improper grounding may result in electric shock.
- Install the power cable so that tension is not applied to the cable.
- Tension may cause the cable to break and generate heat and cause a fire.
- Install a leak circuit breaker as required.
- If a leak circuit breaker is not installed, electric shock may result.
- Use power line cables of sufficient current carrying capacity and rating.
- Cables that are too small may leak, generate heat, and cause a fire
- Use only a circuit breaker and fuse of the specified capacity.
- A fuse or circuit breaker of a larger capacity or a steel or copper wire may result in a general unit failure or fire.
- Do not wash the air conditioner units.
- Washing them may cause an electric shock.
- Be careful that the installation base is not damaged by long use.
- If the damage is left uncorrected, the unit may fall and cause personal injury or property damage.
- Install the drain piping according to this Installation Manual to ensure proper drainage. Wrap thermal insulation around the pipes to prevent condensation.
- Improper drain piping may cause water leakage and damage to furniture and other possessions.
- Be very careful about product transportation.
- If the product weighs more than 20 kg [44 lb], then more than one person should carry the product.
- Some products use PP bands for packaging. Do not use any PP bands for a means of transportation; it is dangerous.
- Do not touch the heat exchanger fins. Doing so may cut your fingers.
- Safely dispose of the packing materials.
- Packing materials, such as nails and other metal or wooden parts, may cause stabs or other injuries.
- Tear apart and throw away plastic packaging bags so that children will not play with them. If children play with a plastic bag which was not torn apart, they face the risk of suffocation.
Before starting the test run
Caution:
- Turn on the power at least 12 hours before starting operation.
- Starting operation immediately after turning on the main power switch can result in severe damage to internal parts. Keep the power switch turned on during the operational season.
- Do not touch the switches with wet fingers.
- Touching a switch with wet fingers can cause electric shock.
- Do not touch the refrigerant pipes during and immediately after operation.
- During and immediately after operation, the refrigerant pipes may be hot or may be cold, depending on the condition of the refrigerant flowing through the refrigerant piping, compressor, and other refrigerant cycle parts. Your hands may suffer burns or frostbite if you touch the refrigerant pipes.
- Do not operate the air conditioner with the panels and guards removed.
- Rotating, hot, or high-voltage parts can cause injuries.
- Do not turn off the power immediately after stopping operation.
- Always wait at least five minutes before turning off the power. Otherwise, water leakage and trouble may occur.
Indoor unit accessories
| Part No. | Qty | |
| 1 | Plastic tie | 4 |
| 2 | Plastic tube | 2 |
| 3 | Installation Manual | 1 |
| 4 | Operation Manual | 1 |
| 5 | Drain pan seal | 2 |
Selecting an installation site
- Avoid locations exposed to outside air.
- Select a location free of obstructions to the airflow in and out of the unit.
- Avoid locations exposed to steam or vapor
- Avoid locations where combustible gas may leak, settle or be generated.
- Avoid installation near machines emitting high-frequency waves (high frequency welders, etc.).
- Avoid locations where the airflow is directed at a fire alarm sensor. (Hot air could trigger the alarm during operation)
- Avoid places where acidic solutions are frequently used.
- Avoid places where sulphur-based or other sprays are commonly used.
- When the air handler is installed in the horizontal position please install a drain pan under entire cabinet.
- Install sufficient thermal insulation to prevent condensation from forming on the outlet and inlet ducts.
Combining indoor units with outdoor units
For combining indoor units with outdoor units, refer to the outdoor unit’s installation manua
Installations the unit
The air handler can be installed in a vertical, horizontal (Right and Left) and Downflow configuration as shown in step 9.1. through 9.4. The units are designed for “0” zero clearance to combustibles. 24” is required for service access to the front of the unit. (See Installation Clearance) Regardless of mounting configuration, the air handler must be mounted level to facilitate proper condensate drainage.
Duct connection

- See the outline drawing for the size of the duct connection.
- Use flanged ducts for connections to return
- Do not use sheetmetal screws longer that 0.75” to secure any ductwork to the air handler
Mount positions
Vertical installations
The air handler must be supported on the bottom only and set on a solid floor with a return plenum below or field supplied supporting frame or plenum. Securely attach the air handler to the floor or supporting frame or plenum.
A single side return can be used for the PVA-A12 and PVA-A18 only. Dual side returns must be used on all other models to ensure proper air flow. If the side return is used it is the responsibility of the installer to ensure the ducts are properly sized and sealed to the cabinet. When cutting in to the side of the cabinet, use the provided dimples to avoid damaging any internal structure or wiring.
SIDE RETURN
DUAL SIDE RETURN SEAL BOTTOM OF AIR HANDLER ADD TWO FILTERS
SINGLE SIDE RETURN (PVA-A12, A18) SEAL BOTTOM OF AIR HANDLER ADD FILTER

Horizontal right installations
Refer to section 9.3. Step 1 to 4 & 12 for removing the entire coil assembly from the air handler cabinet. This will require removing the Filter, Blower, Electrical and Coil Panels along with the brackets that secure the coil assembly. Be sure to also route the thermistor wires out of the electrical portion of the air handler so the coil can be removed.
Once the coil is removed, the two clear plastic tubes included in the accessory bag will need to be attached to the top drain pan. First, remove the lower rubber plugs in the top drain pan. Next, install the clear plastic tubes which are included in the accessory bag. Ensure the plastic tubes drain into the pan. Also, be sure the clear plastic tubes do not have any restriction. Cutting of the plastic tube is required, please refer to the table for length. Finally, secure the clear plastic tubes to the top drain pan per Detail A. Then to the metal brackets supporting the coil to the top drain pan with the provided plastic ties as shown.


| Model | Tube Length |
| PVA-A12, A18 | 4.9 in. (125 mm) |
| PVA-A24, 30 | 6.9 in. (175 mm) |
| PVA-A36, 42 | *8.9 in. (225 mm) |
*Tube length provided.
Reinstall the coil assembly along with bracket(s) that secure(s) it. Failure to reinstall the brackets will result in capacity loss and condensation formation inside the cabinet. The wiring harness for the thermistor connector will also reroute into the electrical section and plug into CN44. Refer to 9.3. Step 1 to 4 in reverse order to reassemble the panels. Ensure the proper knockouts are removed for drainage and electrical connections.
Caution: For Horizontal installation an auxiliary drain pan must be installed.

Horizontal left installations
For horizontal left installation the drain pan will need to be moved to the opposite side of the coil. This can be done by moving the two brackets and drain pan to the left of the coil. This way, the condensate that formed on the coil will fall in the drain pan. Also, the appropriate knockouts for the drains will need to be removed once the drain pan is in its correct position.
In addition to relocating the side drain pan, the fan assembly will also need to be removed rotated 180° and reinstalled. The motor has to be closest to the ground. The two clear plastic tubes included in the accessory bag will also need to be attached to the top drain pan. See instructions below.
Directions for rotating fan for Horizontal Left Installation
Step. 1 Remove the panel marked “FILTER”.
Step. 2 DATE Remove the panel marked “BLOWER”
Step. 3 Remove the panel marked “ELECTRICAL”
Step. 4a Remove the screws securing the (3) panels to the COIL panel shown in the image above. Remove the “1st” panel and “2nd” panel marked “COIL”.
Step. 4b Next, remove the smaller panels covering the drain holes and refrigerant lines by first sliding in the direction indicated above
Step.5 Remove the electrical enclosure cover mounted on the fan assembly. Disconnect the motor connector along with the connector for the return air thermistor. Remove all of the harnesses from the electrical enclosure leaving only the return air thermistor attached to the electrical enclosure.
Step. 6 Remove the (4) screws indicated in the image along with the brackets that secure the coil.
Step. 7 Slide the entire fan assembly out from the cabinet
Step.8 Remove the electrical enclosure from the fan assembly
Step.9 Rotate the blower assembly 180°. The motor should now be on the opposite side.
Step.10 Reinstall the enclosure for the return air temperature sensor on the blower assembly on the opposite side from its original location.
Step.11 Reinsert the blower assembly with the motor now on the left into the air handler cabinet and reuse the (2) screws that secured the fan assembly in position. Reroute the (2) connectors for the motor back into the enclosure and reconnect.
NOTE: The wiring harness might have to be removed from the plastic retainers mounted to the motor bracket in order to have sufficient length to reach the electrical enclosure mounted to the fan assembly. Ensure wiring harness is secure so it cannot be pulled into the fan. Reroute the return air thermistor connector back into the electrical enclosure and reconnect.
Step.12
A. Unplug the Thermistor (CN44) from the control board and route the harness from control box area out through the rubber grommet.
B. Remove the brackets which secure the coil assembly if not already done.
C. Slide the coil assembly out of the air handler cabinet
Step.13 Remove the Plate Guide Rear (3 screws) and Side Drain Pan (4 screws) along with supporting brackets (4 screws) from the coil assembly.
Step.14a Install the (2) drain pan seals included in the accessory bag as shown above. These seals will cover the unused holes in the side drain pan to prevent leaks.
Step.14b Reinstall the brackets to the opposite side of the Side Drain Pan. The Side Drain Pan will be reinstalled on the opposite side of the Coil Assembly. Reattach the Plate Guide Rear on the opposite side of the coil assembly

Step.14c Remove the rubber plugs indicated in the image above.
Step.14d Next, install the clear plastic tubes which are included in the accessory bag. Ensure the plastic tubes drain into the pan. Also, be sure the clear plastic tubes do not have any restriction. Cutting of the plastic tube is required, please refer to the table for length. Finally, secure the clear plastic tubes to the top drain pan per Detail A. Then to the metal brackets supporting the coil to the top drain pan with the provided plastic ties as shown.
| Model | Tube Length |
| PVA-A12, A18 | 4.9 in. (125 mm) |
| PVA-A24, 30 | 6.9 in. (175 mm) |
| PVA-A36, 42 | *8.9 in. (225 mm) |
Tube length provide

Step.15 Reinstall the coil assembly along with bracket(s) that secure(s) it. Failure to reinstall the brackets will result in capacity loss and condensation formation inside the cabinet. The wiring harness for the thermistor connector will also reroute into the electrical section and plug into CN44. Refer to 9.3. Step 1 to 4 in reverse order to reassemble the panels. Ensure the proper knockouts are removed for drainage and electrical connections.
NOTE: For Horizontal installation an auxiliary drain pan must be Installed
Downflow installations
As a result of innovative multi-position design, the air handler may be converted from its original configuration to a downflow position without the need for a stability kit or other external fitting. Operation in the downflow position may result in excess condensate buildup. A Condensate Management Kit should be used to mitigate such water runoff.

Step. 1 Please refer to 9.3. Steps 1 to 4 for removing the panels which cover the Electrical, Coil Assembly, Blower and Filter.
Step.2
A. Unplug the Thermistor (CN44) from the control board and route the harness from control box area out through the rubber grommet.
B. Remove the brackets which secure the coil assembly if not already done.
C. Slide the coil assembly out of the air handler cabinet.
Step. 3 Rotate the cabinet so the Fan assembly is on top.
Step. 4a Reinsert the coil assembly back into the cabinet. The bracket(s) are not required to be reattached.


Step. 4b Cut the plastic ties that are securing the extra wiring for the Thermistor (CN44). Route the thermistor wires into the Electrical section of the air handler on the left side of the coil. -Use the metal tab in Detail A to secure the wires -The notch in the drain pan allows the wires to pass the drain pan, go through the sheetmetal shelf which now supports the Coil Assembly and enter the Electrical section of the Air Handler. Reconnect the Thermistor (CN44) to the control board.
Step. 4c In order to prevent water from running down the Thermistor wires into the electrical area, a Drip Loop MUST be installed to direct water into the drain pan. DIM.mm A
Step. 5 Reinstall the panels over the drains and refrigerant lines. Next, install the panels which cover the Coil (1st), Electrical (2nd), Blower (3rd) and Filter (4th). NOTE: The panel which covers the Coil Assembly will be installed upright as the original vertical orientation from the factory, while the other panels’ text will read upside down.
Horizontal Mounting
The unit can be installed on a platform or suspended from rails as shown below. The rails must run the length of the unit and be of sufficient strength to support the weight of the unit and connected ductwork. Vibration isolation is recommended for horizontal installations. Some jurisdictions may require an auxiliary drain pan be mounted under the unit. Always follow local or national code requirements.
Air filter
A washable (reusable) air filter is provided with the air handler unit. The filter can be installed once the unit has been removed from its packaging. It is recommended the air filter be cleaned once per month.
The pressure drop is to be determined by the installing contractor based on the overall static pressure performance of the system including supply and return ductwork sizing. The factory static pressure performance is 0.50” esp. A field selectable 0.30 and 0.80 esp. is available. See instructions for changing to 0.30 or 0.80 esp in the electrical section (13.4.).
Refrigerant piping work
For constraints on piping length and allowable difference of elevation, refer to the design section of the engineering manual.
The method of pipe connection on the air handler is flare connection.
Provide proper bracing for refrigerant piping so no load is imparted upon the connections at the air handler.
Warning:
When installing and moving the unit, do not charge it with refrigerant other than the refrigerant specified on the unit. Mixing of a different refrigerant, air, etc. may cause the refrigerant cycle to malfunction and result in severe damage.
Caution:
Use refrigerant piping made of C1220 (Cu-DHP) phosphorous deoxidized copper as specified in ASTM B280 Standard for copper and copper alloy seamless pipes and tubes. In addition, be sure that the inner and outer surfaces of the pipes are clean and free of hazardous sulphur, oxides, dust/dirt, shaving particles, oils, moisture, or any other contaminant. Never use existing refrigerant piping.
Caution: COIL UNDER PRESSURE
Always wear safety glasses when working around pressurized devices. The air handlers are shipped with a nitrogen holding charge in the coil. Carefully follow these instructions when releasing the charge.
Carefully remove the flare nut off the end of the pipe to release any gas.
Both refrigerant lines need to be insulated all the way up to the cabinet. Make sure the openings in the cabinet around the refrigerant lines are sealed. 3/8 in thick insulation is the minimum recommended thickness. Based on ambient conditions, local codes and line length, thicker insulation may be desired.
Do not put any oil on the threaded portion of the flare nuts. This may cause the flare nut to loosen and leak refrigerant.
Pipe diameter inch (mm) | Nut (mm) | A inch (mm) | Tightening torque | |
| Clutch type tool for R410A | N•m | lb•ft (kgf•cm) | ||
| 1/4 (6.35) | (17) | 0 to 0.02(0 to 0.5) | 13.7 to 17.7 | 10 to 13(140 to 180) |
| 3/8 (9.52) | (22) | 34.3 to 41.2 | 25 to 30(350 to 420) | |
| 1/2 (12.7) | (26) | 49.0 to 56.4 | 36 to 42(500 to 575) | |
| 5/8 (15.88) | (29) | 73.5 to 78.4 | 54 to 58(750 to 800) | |


- Never use existing refrigerant piping.
- The large amount of chlorine in conventional refrigerant and refrigerant oil in the existing piping will cause the new refrigerator to deteriorate.
- Store the piping to be used during the installation indoors and keep both ends of the piping sealed until just before brazing.
- If dust, dirt or water gets into the refrigerant cycle, the oil will deteriorate and the compressor may fail.
- Use ester oil, ether oil or alkylbenzene (small amount) as the refrigerant oil to coat flares and flange connections before connecting.
- The refrigerant used in the unit is highly hydroscopic and mixes with water which will degrade the refrigerant oil.
Insulation
To avoid dew drops, provide sufficient anti-sweating insulation to the refrigerant and drain pipes. When using commercially available refrigerant pipes, be sure to cover with available insulating material with heat-resistant temperature of more than 100 °C [212 °F] and thickness given below, on both liquid and gas pipes. Insulate all indoor pipes with polyethylene insulation with a minimum density of 0.03 and a thickness as specified in the table below.
| Pipe size | Insulation thickness |
| 6.4 mm to 25.4 mm [1/4 to 1 in.] | >10 mm [7/16 in.] |
| 28.6 mm to 38.1 mm [1-1/8 to 1-1/2 in.] | >15 mm [5/8 in.] |
- If the unit is used on the highest story of a building and under high temperature and high humidity, it is necessary to use thicker insulation than specified in the table above
- If there are customer’s specifications, please follow them.
Piping size
| Model | PVA-AA7 | ||
| 12-18 | 24-30-36-42 | ||
| Refrigerant pipe | Liquid pipe | 6.35 mm [1/4] | 9.52 mm [3/8] |
| Gas pipe | 12.7 mm [1/2] | 15.88 mm [5/8] | |
| Drain Pipe | O.D. 32 mm [1-1/4] | ||
Drain connections
IMPORTANT!
Over-tightening the drain connections could result in drain pan breakage and failure.
Please follow the following technique for attaching the drain pan adapter:
- Apply thread sealant approved for plastics.
- Torque the drain pan adapter to 2.5 Nm +/-0.5 [22 in-lb]

The air handler contains ¾” FPT drain connections. When the unit is used in the vertical position, there is one set. When the unit is mounted horizontally there is one set. Each set contains a primary drain and a secondary or auxiliary drain. The primary drain is the one that is lowest (even with the bottom of the pan). The secondary drain is at the higher level. They are labeled on the dimensional drawings above.
- These units operate with a positive pressure at the drain connections and although a P-trap is not required, it is recommended to prevent capacity loss. Always follow local codes and standards
- The trap needs to be installed as close to the unit as possible. Make sure the top of the trap is below the connection to the drain pan to allow complete drainage of the pan.
- Slope the drain line a minimum of ¼” per foot.
- Do not reduce the pipe size from ¾”, this could cause premature blockage in the lines
- Do not braze near the plastic drain piping

Note: Horizontal runs must also have an anti-siphon air vent (standpipe) install ahead of the horizontal run to eliminate air trapping. Horizontal drain lines must be pitched a minimum ¼” per foot. Rout
must be installed so they do not block service access to the front of
the unit. 24” clearance in the front is for routine maintenance or
service.
Note: Check local codes before connecting the drain line to an
existing drainage system.
Insulate the drain lines where sweating could cause water damage.
Upon completion of installation, it is the responsibility of the installer
to ensure the drain pan(s) captures all condensate, and all
condensate is draining properly and not getting into the
ductwork/system.
Route the drain lines outside or to an appropriate drain. Drain lines must be installed so they do not block service access to the front of the unit. 24” clearance in the front is for routine maintenance or
service.
Note: Check local codes before connecting the drain line to an existing drainage system. Insulate the drain lines where sweating could cause water damage. Upon completion of installation, it is the responsibility of the installer to ensure the drain pan(s) captures all condensate, and all condensate is draining properly and not getting into the ductwork/ system
Vertical Mounting:
When mounted vertically, the air handler’s primary drain connection is located in the center of the unit. The slightly higher drain to the left is the secondary drain. Attach the drain connector and tighten TO THE PROPER TORQUE SHOWN PREVIOUSLY with sealant and install the drain line
MPORTANT!
Over-tightening the drain connection could result in drain pan breakage and failure. The secondary connection should be connected to a separate drainage system. Run the secondary drain so the occupants will be able to notice water flowing through the secondary drain indicating a blockage in the primary drain. Optional use for the secondary is a primary drain line overflow switch (provided by others). This device will shut the cooling operation unit down in the event of a primary drain line blockage. See wiring section for connecting this device.
Horizontal (Left or Right):
If the unit is installed horizontally, remove the knockout in the front panel to gain access to the side drain pan connections. Attach the connector as described above and route drain line. Any vertical drain pan openings must be covered to eliminate air loss which will decrease the capacity of the unit.
IMPORTANT!
Over-tightening the drain connection could result in drain pan breakage and failure.
The secondary connection should be connected to a separate drainage system. Run the secondary drain so the occupants will be able to notice water flowing through the secondary drain indicating a blockage in the primary drain. Optional use for the secondary is a primary drain line overflow switch (provided by others). This device will shut the cooling operation unit down in the event of a primary drain line blockage. See wiring section for connecting this device
Electrical wiring
Warning:
Electrical work should be done by a qualified electrical contractor in accordance with “Engineering Standards for Electrical Installation” and supplied installation manuals. If the power circuit lacks capacity or has an installation failure, it may cause a risk of electrical shock or fire.
- Be sure to follow local and national code requirements when wiring these units
- Install the unit in a manner to prevent that any of the control circuit cables (remote controller, transmission cables) are brought in direct contact with the power cable outside the unit.
- Ensure that there is no tension on any wire connections
- Some cables (power, remote controller or transmission) above the ceiling may become damage by accident or by animals. Use conduit as much as possible to prevent this.
- Never connect the power cable to leads for the transmission cables. The cables will be broken.
- Be sure to connect control cables to the indoor unit, remote controller and the outdoor unit.
- Perform wiring in compliance with the safety regulations detailed in UL 1995.
- Be sure to install an earth leakage breaker to the power.
- Install the unit to prevent that any of the control circuit cables (remote controller, transmission cables) is brought in direct contact with the power cable outside the unit.
- Ensure that there is no slack on all wire connections.
- Some cables (power, remote controller, transmission cables) above the ceiling may be bitten by mouses. Use as many metal pipes as possible to insert the cables into them for protection.
Caution:
Be sure to ground the unit. Do not connect the grounding cable to any gas pipe, water pipe, lightening rod, or telephone earth cable. Incomplete grounding may cause a risk of electrical shock.
If the supply cord is damaged, it must be replaced by the manufacturer, its service agent or similarly qualified persons in order to avoid a hazard.
External I/O specifications
Caution:
Wiring should be covered by insulation tube with supplementary insulation.
Use relays or switches with IEC or equivalent standard. The electric strength between accessible parts and control circuit should have 2750 V or more.
Wiring
Electrical wiring to the air handler will come from the outdoor unit. Please refer to the installation instructions for the outdoor unit.
Caution:
DO NOT POWER THE ELECTRIC HEAT FROM THE
OUTDOOR UNIT. FOLLOW THE APPROPRIATE WIRING SCHEMATIC FOUND IN THE ELECTRIC HEATER INSTRUCTIONS.
Connecting remote controller, indoor and outdoor transmission cables
Connect the “1” and “2” on the indoor unit TB15 to a remote controller. (Non-polarized 2-wire)
Note:
Ensure that the wiring is not pinched when fitting the terminal box cover. Pinching the wiring may cut it.
Caution:
Install wiring so that it is not tight and under tension. Wiring under tension may break or overheat and burn. Fix power source wiring to control box by using buffer bushing or tensile force. (PG connection or the like.) Connect transmission wiring to transmission terminal block through the knockout hole of control box using ordinary bushing.
Caution:
Do not use anything other than the correct capacity breaker and fuse. Using fuse, wire or copper wire with too large capacity may cause a risk of malfunction or fire.
After wiring is complete, make sure again that there is no tension on the connections, and attach the cover onto the control box in the reverse order removal. Also, seal any openings created from wiring into the air handler. This will prevent air leakage.
Caution:
Wire the power supply so that no tension is imparted. Otherwise disconnection, heating or fire may result.
Important:
Attach shielding ground on the outdoor unit’s ground terminal.
If the remote controller cable exceeds 10 m [32 ft.], use a 1.25 mm2 [AWG16] diameter cable over the exceeded portion, and add that exceeded position to within 200 m [656 ft.].
Connecting line voltage
Make sure power supply is off. The unit should be installed by a licensed contractor/ electrician. If required by applicable national, state and local codes; a disconnect switch will need to be installed when the indoor unit is powered from the outdoor unit.
NOTE: If the air handler will be installed with electric heat package do not power the electric heat from the outdoor unit. All wiring must conform to National and Local codes
- Remove the desire knockout on the air handler.
- Attach a conduit pipe connector to the air handler and route the wiring as shown in the above diagram. Ensure conduit connection hole is air tight and add a sealant if necessary.
- Firmly tighten all of the terminal screws. After tightening, verify that the wires are tightly fastened.
Electrical Characteristics
Symbols : MCA : Max. Circuit Amps ( = 1.25 × FLA) FLA : Full Load Amps
IFM : Indoor Fan Motor Output : Fan motor rated output
| Model | Indoor Unit | |||||
| Hz | Volts | Voltage Range | MCA (A) | Output (kW) | FLA (A) | |
| A12 | 60 | 208/230V | 188 to 253V | 3.00/3.00 | 0.121 | 2.4 |
| A18 | 3.00/3.00 | 0.121 | 2.4 | |||
| A24 | 4.13/4.13 | 0.244 | 3.3 | |||
| A30 | 4.13/4.13 | 0.244 | 3.3 | |||
| A36 | 5.5/5.5 | 0.430 | 4.4 | |||
| A42 | 5.63/5.63 | 0.430 | 4.5 | |||
Function Table
| Mode | Settings | Mode (function) No. | Setting no. | Initial setting | Check |
| Wired remote controller (RF thermostat) | |||||
| Power failure auto restart | Not available | 01(101) | 1 | 1 | |
| Available | 2 | ||||
| Indoor temperature detecting | Indoor unit operating average | 02 ( – ) | 1 | 1 | |
| Set by indoor unit’s remote controller | 2 | ||||
| Remote controller’s internal sensor | 3 | ||||
| LOSSNAYconnectivity | Not Supported | 03(103) | 1 | 1 | |
| Supported (indoor unit is not equipped with outdoor air intake | 2 | ||||
| Supported (indoor unit is equipped with outdoor air intake | 3 | ||||
| Power voltage | 240V (230V) | 04(104) | 1 | 1 | |
| 220V (208V) | 2 | ||||
| Filter sign | 100 Hr | 07(107) | 1 | 3 | |
| 2500 Hr | 2 | ||||
| “No filter sign indicator” | 3 | ||||
| External static pressure | See Section 13.4 of the installation manual | 08(108) | 1 | 2 | |
| 2 | |||||
| 3 | |||||
| 10(110) | 1 | 1 | |||
| 2 | |||||
| Humidifier control | Heat operation & Thermo ON | 16(116) | 1 | 1 | |
| Heat operation | 2 | ||||
| Humidifier | Humidifier not present | 13(113) | 1 | 1 | |
| Humidifier present | 2 | ||||
| Heater Control | Heater Not Present | 11(111) | 1 | 1 | |
| Heater Present *1 | 2 | ||||
| Heater control during defrost and error | Disable heater during Defrost and Error | 23(123) | 1 | 1 | |
| Enable heater and fan during Defrost and Error *2 | 2 | ||||
| Fan speed thermooff heating | Extra low | 25(125) | 1 | 1 | |
| Stop | 2 | ||||
| RC setting | 3 | ||||
| Fan speed thermooff cooling | RC setting | 27(127) | 1 | 1 | |
| Stop | 2 |
1 While the heater is on, the fan will operate at high speed regardless of the fan setting on the remote controller *2 Heater will not operate during all error modes. Heater will only operate during a communication error between indoor unit and outdoor unit
Note: When CN4Y is used the fan is off when CN24 is energized which is only for use with supplemental heat that is not in the duct.
Please see section 13.4. of the installation manual for external static pressure settings.
If a heater is installed in the duct, do not use Panel heater connector. By doing so, the fan will turn off when the heater is on, which may result in fire.
Condensate overflow safety switch connection (CN4F)
The circuit board is equipped with a connection to attach a condensate safety float switch. The switch should be a normally closed low voltage rated switch. The switch should be installed in a location that it can sense a drain blockage causing a rise in water level. This resulting rise in level will cause it to open. The switch location is to be determined by the installing contractor. When the switch opens, it will cause the LEV to close, stopping the cooling operation. The fan will continue to run and a fault code will be shown at the controller. Correcting the problem and closing the switch will be required before normal operation can resume. See installation below
Changing blower external static pressure
The air handler is equipped with an adjustable static pressure setting. The available settings are shown in the table below.
| Model | Available ESP [in. WG] | ||
| PVA-A12 | 0.30 | 0.50 | 0.80 |
| PVA-A18 | 0.30 | 0.50 | 0.80 |
| PVA-A24 | 0.30 | 0.50 | 0.80 |
| PVA-A30 | 0.30 | 0.50 | 0.80 |
| PVA-A36 | 0.30 | 0.50 | 0.80 |
| PVA-A42 | 0.30 | 0.50 | 0.80* |
VA-A42 in Downflow External Static pressure: 0.70
The air handler will be set to 0.50 ESP from the factory.
The air handler’s static pressure can be changed through the mode/ function settings in the controller. Please refer to the installation manual for the controller on how to change this option. Depending on the controller used, the mode/function will be either 08 for mode (PAR-31 & Simple MA) or 108 for function (MHK1). Please notice there are different settings when installing the air handler in the downflow position.
Vertical, Horizontal Left, Horizontal Right External Static Pressure Setting
| External Static Pressure | Setting No. of Mode/Function 08/108 | Setting No. of Mode/ Function 10/110 (Factory Setting) |
| 0.3 in. WG [75Pa] | 1 | 1 |
| 0.5 in. WG [125Pa](Factory Setting) | 2 | 1 |
| 0.8 in. WG [200Pa] | 3 | 1 |
Downflow External Static Pressure Setting
| External Static Pressure | Setting No. of Mode/Function 08/108 | Setting No. of Mode/Function 10/110 |
| 0.3 in. WG [75Pa] | 1 | 2 |
| 0.5 in. WG [125Pa](Factory Setting) | 2 | 2 |
| 0.8 in. WG [200Pa]* | 3 | 2 |
*PVA-A42 in Downflow External Static pressure: 0.70
RV (energy recovery ventilation)

ERV Control
Sequence of operation:
- The ERV demand switch closes CNER
- 12VDC is provided to CN2C to turn on ERV
- If the unit goes into defrost, CN2C stops 12VDC output
ERV Switch:
Non-Voltage a-contact input
Contact rating voltage >= 15VDC
Contact rating current >= 0.1 A
Minimum applicable load <= 1mA at DC
| ERV output | Function Mode26 | Condition | Fan speed | CN2C output (=Fan output) |
| CNER input | ||||
| OFF | – | Cool/Heat/Fan operation | RC setting | ON |
| Defrost | STOP | OFF | ||
| STOP | STOP | OFF | ||
| ON | “1”1 | Cool/Heat/Fan operation | RC setting | ON |
| Defrost | STOP | OFF | ||
| STOP | STOP | OFF | ||
| “2” | Cool/Heat/Fan operation | RC setting | ON | |
| Defrost | STOP | OFF | ||
| STOP | RC setting2, 3 | ON |
- Factory setting.
- When fan speed setting by RC is “Auto”, Fan speed is fixed to “HIGH”.
- If ERV control is effective when STOP, IDU doesn’t report fan status or PB error (Fan motor error).
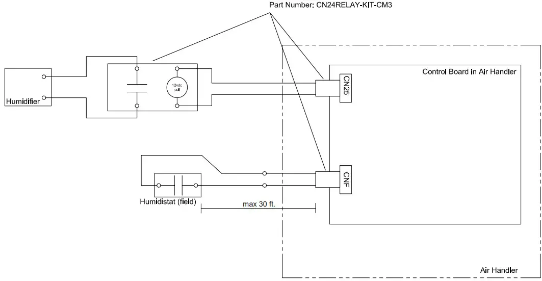
Humidifier

Humidifier Control
Sequence of operation:
- The humidistat closes CNF
- The fan starts on high
- CN25 provides 12VDC to turn on the Humidifier (do not exceed 1 Watt draw per relay)
- When the Humidistat opens, the fan continues to run for 30 seconds to clear the ductwork of moist air
- If defrost starts during humidifier operation CN25 de-energizes
Humidistat:
Non-Voltage a-contact input
Contact rating voltage >=15VDC
Contact Rating Current > = 0.1 A
Minimum Applicable Load =< 1mA at DC
| Mode (function) No. | Humidistat Output | Condition(No Defrost/No Error) | CN25 Output | Fan Speed | |
| Wired remote controller ( RF thermostat) | |||||
| 13 (113) | 16 (116) | CNF Input | |||
| 2 | 1* | OFF | Heat operation & Thermo OFF | OFF | RC setting |
| Heat operation & Thermo ON | |||||
| ON | Heat operation & Thermo OFF | OFF | RC setting | ||
| Heat operation & Thermo ON | ON | High | |||
| 2 | OFF | Heat operation & Thermo OFF | OFF | RC setting | |
| Heat operation & Thermo ON | |||||
| ON | Heat operation & Thermo OFF | ON | High | ||
| Heat operation & Thermo ON | |||||
| 1 | – | – | No humidifier operation | OFF | RC setting |
RC: Remote controller
The fan continues to run for 30 seconds after the humidifier stops.
*Factory Setting
Test run
Before test run
After completing installation and the wiring and piping of the indoor and outdoor units, check for refrigerant leakage, looseness in the power supply or control wiring, wrong polarity, and no disconnection of one phase in the supply.
Use a 500-volt megohmmeter to check that the resistance between the power supply terminals and ground is at least 1.0 MΩ.
Do not carry out this test on the control wiring (low voltage circuit) terminals.
Warning:
Do not use the air conditioner if the insulation resistance is less than 1.0 MΩ.
After installation or after the power source to the unit has been cut for an extended period, the insulation resistance will drop below 1 MΩ due to refrigerant accumulating in the compressor. This is not a malfunction. Perform the following procedures.
- Remove the wires from the compressor and insulation resistance of the compressor.
- If the insulation resistance is below 1 MΩ, the compressor is faulty or the resistance dropped due the accumulation of refrigerant in the compressor.
- After connecting the wires to the compressor, the compressor will start to warm up after power is supplied. After supplying power for the times indicated below, measure the insulation resistance again.
- The insulation resistance drops due to accumulation of refrigerant in the compressor. The resistance will rise above 1 MΩ after the compressor is warmed up for two to three hours. (The time necessary to warm up the compressor varies according to atmospheric conditions and refrigerant accumulation.)
- To operate the compressor with refrigerant accumulated in the compressor, the compressor must be warmed up at least 12 hours to prevent breakdown.
- If the insulation resistance rises above 1 MΩ, the compressor is not faulty=
Caution:
- The compressor will not operate unless the power supply phase connection is correct.
- Turn on the power at least 12 hours before starting operation.
- Starting operation immediately after turning on the main power switch can result in severe damage to internal parts. Keep the power switch turned on during the operational season.
Test run
Refer to the installation manual that comes with each remote controller for details.
Self-check
Refer to the installation manual that comes with each remote controller for details. RF thermostat is not established.
[Output pattern A] Errors detected by indoor unit
| IR wireless remote controller | Wired remote controller RF thermostat | Symptom | Remark |
| Beeper sounds/OPERATION INDICATOR lamp flashes (Number of times) | Check code | ||
| 1 | P1 | Intake sensor error | |
| 2 | P2, P9 | Pipe (Liquid or 2-phase pipe) sensor error | |
| 3 | E6, E7 | Indoor/outdoor unit communication error | |
| 4 | P4 | Drain sensor error | |
| 5 | P5 | Drain pump error | |
| 6 | P6 | Freezing/Overheating safeguard operation | |
| 7 | EE | Communication error between indoor and outdoor units | |
| 8 | P8 | Pipe temperature error | |
| 9 | E4 | Remote controller signal receiving error | |
| 10 | – | – | |
| 11 | Pb | Fan motor error | |
| 12 | Fb | Indoor unit control system error (memory error, etc.) | |
| No sound | – – | No corresponding |
[Output pattern B] Errors detected by unit other than indoor unit (outdoor unit, etc.)
| IR wireless remote controller | Wired remote controller RF thermostat | Symptom | Remark |
| Beeper sounds/OPERATION INDICATOR lamp flashes (Number of times) | Check code | ||
| 1 | E9 | Indoor/outdoor unit communication error (Transmitting error) (Outdoor unit) | |
| 2 | UP | Compressor overcurrent interruption | |
| 3 | U3, U4 | Open/short of outdoor unit thermistors | |
| 4 | UF | Compressor overcurrent interruption (When compressor locked) | |
| 5 | U2 | Abnormal high discharging temperature/49C worked/ insufficient refriger- ant | |
| 6 | U1, Ud | Abnormal high pressure (63H worked)/ Overheating safeguard operation | |
| 7 | U5 | Abnormal temperature of heat sink | |
| 8 | U8 | Outdoor unit fan protection stop | |
| 9 | U6 | Compressor overcurrent interruption/Abnormal of power module | |
| 10 | U7 | Abnormality of super heat due to low discharge temperature | |
| 11 | U9, UH | Abnormality such as overvoltage or voltage shortage and abnormal and synchronous signal to main circuit/Current sensor error | |
| 12 | – | – | |
| 13 | – | – | |
| 14 | Others | Other errors (Refer to the technical manual for the outdoor unit.) |
- 1 If the beeper does not sound again after the initial two beeps to confirm the self check start signal was received and the OPERATION INDICATOR lamp does not come on, there are no error records.
- 2 If the beeper sounds three times continuously “beep, beep, beep (0.4 + 0.4 + 0.4 sec.)” after the initial two beeps to confirm the self-check start signal was received, the specified refrigerant address is incorrect.
- On IR wireless remote controller The continuous buzzer sounds from receiving section of indoor unit. Blink of operation lamp
- On wired remote controller Check code displayed on the LCD.
If the unit cannot be operated properly after the above test run has been performed, refer to the following table to remove the cause
| Symptom | Cause | ||
| Wired remote controller | LED 1, 2 (PCB in outdoor unit) | ||
| PLEASE WAIT | For about 2 minutes following power-on | After LED 1, 2 are lighted, LED 2 is turned off, then only LED 1 is lighted. (Correct operation) | • For about 2 minutes after power-on, operation of the remote controller is not possible due to system start-up. (Correct operation) |
| PLEASE WAIT → Error code | After about 2 minutes has expiredfollowing power-on | Only LED 1 is lighted. → LED 1, 2 blink. | • Connector for the outdoor unit’s protection device is not connected.• Reverse or open phase wiring for the outdoor unit’s powerterminal block (L1, L2, L3) |
| Display messages do not appear even when operation switch is turned ON (operation lamp does not light up). | Only LED 1 is lighted. → LED 1, 2 blinkstwice, LED 2 blinks once. |
| |
Note:
Operation is not possible for about 30 seconds after cancellation of function selection. (Correct operation)
For description of each LED (LED1, 2, 3) provided on the indoor controller, refer to the following table
| LED 1 (power for microcomputer) | Indicates whether control power is supplied. Make sure that this LED is always lit. |
| LED 2 (power for remote controller) | Indicates whether power is supplied to the remote controller. This LED lights only in the case of the indoor unit which is connected to the outdoor unit refrigerant address “0”. |
| LED 3 (communication between indoor and outdoor units) | Indicates state of communication between the indoor and outdoor units. Make sure that this LED is always blinking. |
AUTO RESTART FUNCTION
Indoor controller board
This model is equipped with the AUTO RESTART FUNCTION.
When the indoor unit is controlled with the remote controller, the operation mode, set temperature, and the fan speed are memorized by the indoor controller board. The auto restart function sets to work the moment the power has restored after power failure, then, the unit will restart automatically.
Set the AUTO RESTART FUNCTION using the remote controller. (Mode no.01)
This product is designed and intended for use in the residential,
commercial and light-industrial environment.
Please be sure to put the contact address/telephone number on
this manual before handing it to the customer.
MEUS DOC# MD-1404-K024 Ver. 3
PA79D213H09 January 2022
Specifications are subject to change without notice.
www.mitsubishielectric-usa.com
Toll Free: 800-433-482


















