MITSUBISHI ELECTRIC PUZ-A·NHA7-KA7 Wall Mounted Heat Pump Air Conditioners

For safe and correct use, read this manual and the indoor unit installation manual thoroughly before installing the air-conditioner unit.
Safety precautions
- Before installing the unit, make sure you read all the “Safety precautions”.
- Please report to or take consent by the supply authority before connection to the system
Warning:
Describes precautions that must be observed to prevent danger of injury or death to the user.
Caution:
Describes precautions that must be observed to prevent damage to the unit
Warning:
- The unit must not be installed by the user. Ask a dealer or an authorized technician to install the unit. If the unit is installed incorrectly, water leakage, electric shock, or fire may result.
- For installation work, follow the instructions in the Installation Manual and use tools and pipe components specifically made for use with R410A refrigerant.
The R410A refrigerant in the HFC system is pressurized 1.6 times the pressure of usual refrigerants. If pipe components not designed for R410A refrigerant are used and the unit is not installed correctly, the pipes may burst and cause damage or injuries. In addition, water leakage, electric shock, or fire may result. - The unit must be installed according to the instructions in order to minimize the risk of damage from earthquakes, typhoons, or strong winds. An incorrectly installed unit may fall down and cause damage or injuries.
- The unit must be securely installed on a structure that can sustain its weight.
If the unit is mounted on an unstable structure, it may fall down and cause damage or injuries. - If the air conditioner is installed in a small room, measures must be taken to prevent the refrigerant concentration in the room from exceeding the safety limit in the event of refrigerant leakage. Consult a dealer regarding the appropriate measures to prevent the allowable concentration from being exceeded.
Should the refrigerant leak and cause the concentration limit to be exceeded, hazards due to lack of oxygen in the room may result. - Ventilate the room if refrigerant leaks during operation. If refrigerant comes into contact with a flame, poisonous gases will be released.
- All electric work must be performed by a qualified technician according to local regulations and the instructions given in this manual. The units must be powered by dedicated power lines and the correct voltage and circuit breakers must be used. Power lines with insufficient capacity or incorrect electrical work may result in electric shock or fire.
- Use C1220 copper phosphorus, for copper and copper alloy seamless pipes, to connect the refrigerant pipes. If the pipes are not connected correctly, the unit will not be properly grounded and electric shock may result.
- Use only specified cables for wiring. The wiring connections must be made securely with no tension applied on the terminal connections. Also, never splice the cables for wiring (unless otherwise indicated in this document). Failure to observe these instructions may result in overheating or a fire.
Before installation
Caution:
- Do not use the unit in an unusual environment. If the air conditioner is installed in areas exposed to steam, volatile oil (including machine oil), or sulfuric gas, areas exposed to high salt content such as the seaside, or areas where the unit will be covered by snow, the performance can be significantly reduced and the internal parts can be damaged.
- Do not install the unit where combustible gases may leak, be produced, flow, or accumulate. If combustible gas accumulates around the unit, fire or explosion may result.
- The outdoor unit produces condensation during the heating operation. Make sure to provide drainage around the outdoor unit if such condensation is likely to cause damage.
After installation work has been completed, explain the “Safety precautions,” use,and maintenance of the unit to the customer according to the information in the
Operation Manual and perform the test run to ensure normal operation. Both the Installation Manual and Operation Manual must be given to the user for keeping.
These manuals must be passed on to subsequent users.
: Indicates a part which must be grounded.
Warning:
Carefully read the labels affixed to the main unit.
- The terminal block cover panel of the outdoor unit must be firmly attached. If the cover panel is mounted incorrectly and dust and moisture enter the unit, electric shock or fire may result.
- When installing or relocating, or servicing the air conditioner, use only the specified refrigerant (R410A) to charge the refrigerant lines. Do not mix it with any other refrigerant and do not allow air to remain in the lines.
- If air is mixed with the refrigerant, then it can be the cause of abnormal high pressure in the refrigerant line, and may result in an explosion and other hazards.
The use of any refrigerant other than that specified for the system will cause mechanical failure or system malfunction or unit breakdown. In the worst case, this could lead to a serious impediment to securing product safety. - Use only accessories authorized by Mitsubishi Electric and ask a dealer or an authorized technician to install them. If accessories are incorrectly installed, water leakage, electric shock, or fire may result.
- Do not alter the unit. Consult a dealer for repairs. If alterations or repairs are not performed correctly, water leakage, electric shock, or fire may result.
- The user should never attempt to repair the unit or transfer it to another location.
If the unit is installed incorrectly, water leakage, electric shock, or fire may result. If the air conditioner must be repaired or moved, ask a dealer or an authorized technician. - After installation has been completed, check for refrigerant leaks. If refrigerant leaks into the room and comes into contact with the flame of a heater or portable cooking range, poisonous gases will be released.
- When opening or closing the valve below freezing temperatures, refrigerant may spurt out from the gap between the valve stem and the valve body, resulting in injuries.
- Do not perform pump down work when there is a gas leak. The intake of air or other gases causes abnormally high pressure in the refrigeration cycle, which may cause explosion or injury.
- When installing the unit in a hospital or communications office, be prepared for noise and electronic interference. Inverters, home appliances, highfrequency medical equipment, and radio communications equipment can cause the air conditioner to malfunction or breakdown. The air conditioner may also affect medical equipment, disturbing medical care, and communien cations equipment, harming the screen display quality.
Before installation (relocation)
Caution:
- Be extremely careful when transporting the units. 2 or more persons are needed to handle the unit, as it weighs 20 kg, 44 Ibs or more. Do not grasp the packaging bands. Wear protective gloves to remove the unit from the packaging and to move it, as you can injure your hands on the fins or the edge of other parts.
- Be sure to safely dispose of the packaging materials. Packaging materials, such as nails and other metal or wooden parts may cause stabs or other injuries.
Before electric work
Caution:
- Be sure to install circuit breakers. If not installed, electric shock may result.
- For the power lines, use standard cables of sufficient capacity. Otherwise, a short circuit, overheating, or fire may result.
- When installing the power lines, do not apply tension to the cables. If the connections are loosened, the cables can snap or break and overheating or fire may result.
Before starting the test run
Caution:
- Turn on the main power switch more than 12 hours before starting operation. Starting operation just after turning on the power switch can severely\ damage the internal parts. Keep the main power switch turned on during the operation season.
- Before starting operation, check that all panels, guards and other protective parts are correctly installed. Rotating, hot, or high voltage parts can cause injuries.
Using R410A refrigerant air conditioners
Caution:
- Use C1220 copper phosphorus, for copper and copper alloy seamless pipes, to connect the refrigerant pipes. Make sure the insides of the pipes are clean and do not contain any harmful contaminants such as sulfuric compounds, oxidants, debris, or dust. Use pipes with the specified thickness. (Refer to page 5) Note the following if reusing existing pipes that carried R22 refrigerant.
- Replace the existing flare nuts and flare the flared sections again.
- Do not use thin pipes. (Refer to page 5)
- Store the pipes to be used during installation indoors and keep both ends of the pipes sealed until just before brazing. (Leave elbow joints, etc. in their packaging.) If dust, debris, or moisture enters the refrigerant lines, oil deterioration or compressor breakdown may result.
- Use ester oil, ether oil, alkylbenzene oil (small amount) as the refrigeration oil applied to the flared sections. If mineral oil is mixed in the refrigeration oil, oil deterioration may result.
- Do not use refrigerant other than R410A refrigerant. If another refrigerant is used, the chlorine will cause the oil to deteriorate.
- The base and attachments of the outdoor unit must be periodically checked for looseness, cracks or other damage. If such defects are left uncorrected, the unit may fall down and cause damage or injuries.
- Do not clean the air conditioner unit with water. Electric shock may result.
- Tighten all flare nuts to specification using a torque wrench. If tightened too much, the flare nut can break after an extended period and refrigerant can leak out
- Be sure to ground the unit. Do not connect the ground wire to gas or water pipes, lighting rods, or telephone grounding lines. If the unit is not properly grounded, electric shock may result.
- Use circuit breakers (ground fault interrupter, isolating switch (+B fuse), and molded case circuit breaker) with the specified capacity. If the circuit breaker capacity is larger than the specified capacity, breakdown or fire may result
- Do not touch any switch with wet hands. Electric shock may result.
- Do not touch the refrigerant pipes with bare hands during operation. The refrigerant pipes are hot or cold depending on the condition of the flowing refrigerant. If you touch the pipes, burns or frostbite may result.
- After stopping operation, be sure to wait at least five minutes before turning\ off the main power switch. Otherwise, water leakage or breakdown may result.
- Use the following tools specifically designed for use with R410A refrigerant.
- The following tools are necessary to use R410A refrigerant. Contact your nearest dealer for any questions.
Tools (for R410A) Gauge manifold Flare tool Charge hose Size adjustment gauge Gas leak detector Vacuum pump adapter Torque wrench Electronic refrigerant charging scale - Be sure to use the correct tools. If dust, debris, or moisture enters the refrigerant lines, refrigeration oil deterioration may result.
- Do not use a charging cylinder. If a charging cylinder is used, the composition of the refrigerant will change and the efficiency will be lowered.
Installation location
Refrigerant pipe (Fig. 2-1)
Check that the difference between the heights of the indoor and outdoor units, the length of refrigerant pipe, and the number of bends in the pipe are within the limits shown below.
| Models | APipe length (one way) | BHeight difference | CNumber of bends (one way) |
| PUZ-A12, A18 | Max. 30 m, 100 ft | Max. 30 m, 100 ft | Max. 15 |
| PUZ-A24, A30, A36, A42 | Max. 50 m, 165 ft *1 | Max. 30 m, 100 ft | Max. 15 |
| PUY-A12, A18 | Max. 50 m, 165 ft | Max. 30 m, 100 ft | Max. 15 |
| PUY-A24, A30, A36, A42 | Max. 69 m, 225 ft *1 | Max. 30 m, 100 ft | Max. 15 |
*1. If outdoor unit is connected to the A-COIL indoor unit (PAA-A18, 24, 30, 36, 42),
pipe length is “Max. 30 m, 100 ft”.
• Height difference limitations are binding regardless of which unit, indoor or outdoor,
is positioned higher.
D Indoor unit
E Outdoor unit

Choosing the outdoor unit installation location
- Avoid locations exposed to direct sunlight or other sources of heat.
- Select a location from which noise emitted by the unit will not inconvenience neighbors.
- Select a location permitting easy wiring and pipe access to the power source and indoor unit.
- Avoid locations where combustible gases may leak, be produced, flow, or accumulate.
- Note that water may drain from the unit during operation.
- Select a level location that can bear the weight and vibration of the unit.
- Avoid locations where the unit can be covered by snow. In areas where heavy snow fall is anticipated, special precautions such as raising the installation location or installing a hood on the air intake must be taken to prevent the snow from blocking the air intake or blowing directly against it. This can reduce the airflow and a malfunction may result.
- Avoid locations exposed to oil, steam, or sulfuric gas.
- Use the transportation handles of the outdoor unit to transport the unit. If the unit is carried from the bottom, hands or fingers may be pinched.
Outline dimensions (Outdoor unit) (Fig. 2-2)

Windy location installation
When installing the outdoor unit on a rooftop or other location unprotected from the wind, situate the air outlet of the unit so that it is not directly exposed to strong winds.
Strong wind entering the air outlet may impede the normal airflow and a malfunction may result.
The following shows three examples of precautions against strong winds.
- Face the air outlet towards the nearest available wall about 500 mm, 19-11/16 inch away from the wall. (Fig. 2-3)
- Install an optional air outlet guide and air guide if the unit is installed in a location where strong winds from a typhoon, etc. may directly enter the air outlet. (Fig. 2-4)
A Air outlet guide - Position the unit so that the air outlet blows perpendicularly to the seasonal wind direction, if possible. (Fig. 2-5) B Wind direction

When installing a single outdoor unit (Refer to the last page) Minimum dimensions are as follows, except for Max., meaning Maximum dimensions, indicated.
The figures in parentheses are for A36, A42 models.
Refer to the figures for each case.
- Obstacles at rear only (Fig. 2-6)
- Obstacles at rear and above only (Fig. 2-7)
- Obstacles at rear and sides only (Fig. 2-8)
* 350 mm, 13-25/32 inch for A12, A18 - Obstacles at front only (Fig. 2-9)
* When using an optional air outlet guide, the clearance for A42 models is 500 mm, 19-11/16 inch or more. - Obstacles at front and rear only (Fig. 2-10)
* When using an optional air outlet guide, the clearance for A42 models is 500 mm, c19-11/16 inch or more. - Obstacles at rear, sides, and above only (Fig. 2-11)
* 350 mm, 13-25/32 inch for A12, A18
• Do not install the optional air outlet guides for upward airflow.
When installing multiple outdoor units (Refer to the last page)
Leave 350 mm, 13-25/32 inch for A12, A18 and 10 mm, 13/32 inch for A24-A42 space or more between the units.
- Obstacles at rear only (Fig. 2-12)
- Obstacles at rear and above only (Fig. 2-13)
- No more than three units must be installed side by side. In addition, leave space as shown.
- Do not install the optional air outlet guides for upward airflow.
- Obstacles at front only (Fig. 2-14)
* When using an optional air outlet guide, the clearance for A36, A42 models is 1000 mm, 39-3/8 inch or more. - Obstacles at front and rear only (Fig. 2-15)
* When using an optional air outlet guide, the clearance for A36, A42 models is 1000 mm, 39-3/8 inch or more. - Single parallel unit arrangement (Fig. 2-16)
* When using an optional air outlet guide installed for upward airflow, the clearance is 500 (1000) mm, 19-11/16 (39-3/8) inch or more. - Multiple parallel unit arrangement (Fig. 2-17)
* When using an optional air outlet guide installed for upward airflow, the clearance is 1000 (1500) mm, 39-3/8 (59-1/16) inch or more. - Stacked unit arrangement (Fig. 2-18)
- The units can be stacked up to 2 units high.
- No more than two stacked units must be installed side by side. In addition, leave space as shown.
Installing the outdoor unit


• Be sure to install the unit in a sturdy, level surface to prevent rattling noises during peration. (Fig. 3-1)
Foundation specifications
| Foundation bolt | M10 (3/8″) |
| Thickness of concrete | 120 mm, 4-23/32 inch |
| Length of bolt | 70 mm, 2-3/4 inch |
| Weight-bearing capacity | 320 kg, 264 lbs |
- Make sure that the length of the foundation bolt is within 30 mm, 1-3/16 inch of the bottom surface of the base.
- Secure the base of the unit firmly with four-M10 foundation bolts in sturdy locations.
Installing the outdoor unit
- Do not block the vent. If the vent is blocked, operation will be hindered and breakdown may result.
- In addition to the unit base, use the installation holes on the back of the unit to attach wires, etc., if necessary to install the unit. Use self-tapping screws (ø5 × 15 mm, ø13/16 × 19/32 inch or less) and install on site.
Warning:
- The unit must be securely installed on a structure that can sustain its weight.
If the unit is mounted on an unstable structure, it may fall down and cause damage or injuries. - The unit must be installed according to the instructions in order to minimize the risk of damage from earthquakes, typhoons, or strong winds. An incorrectly installed unit may fall down and cause damage or injuries
Precautions for devices that use R410A refrigerant
- Refer to page 2 for precautions not included below on using air conditioners with R410A refrigerant.
- Use ester oil, ether oil, alkylbenzene oil (small amount) as the refrigeration oil applied to the flared sections.
- Use C1220 copper phosphorus, for copper and copper alloy seamless pipes, to connect the refrigerant pipes. Use refrigerant pipes with the thicknesses specified in the table to the below. Make sure the insides of the pipes are clean and do not contain any harmful contaminants such as sulfuric compounds, oxidants, debris, or dust.
Warning:
- When installing or relocating, or servicing the air conditioner, use only the specified refrigerant (R410A) to charge the refrigerant lines. Do not mix it with any other refrigerant and do not allow air to remain in the lines.
- If air is mixed with the refrigerant, then it can be the cause of abnormal high pressure in the refrigerant line, and may result in an explosion and other hazards.
- The use of any refrigerant other than that specified for the system will cause mechanical failure or system malfunction or unit breakdown. In the worst case, this could lead to a serious impediment to securing product safety
A12, A18 A24-A42 Liquid pipe ø6.35 mm, 1/4inch thickness 0.8 mm, 1/32 inch
ø9.52 mm, 3/8 inch thickness 0.8 mm, 1/32 inch
Gas pipe ø12.7 mm, 1/2 inch thickness 0.8 mm, 1/32 inch
ø15.88 mm, 5/8 inch thickness 1.0 mm, 3/64 inch
- Do not use pipes thinner than those specified above
Connecting pipes (Fig. 4-1) (Fig. 4-2)

| A12, A18 | A24 – A42 | ||
| Gas side | Pipe size (mm, inch) | ø12.7, 1/2” | ø15.88, 5/8” |
| Liquid side | Pipe size (mm, inch) | ø6.35, 1/4” | ø9.52, 3/8” |
| Copper pipe O.D. | Flare dimensions øA dimensions | ||
| (mm) | (inch) | (mm) | (inch) |
| ø6.35 | 1/4” | 8.7 – 9.1 | 11/32 – 23/64 |
| ø9.52 | 3/8” | 12.8 – 13.2 | 1/2 – 33/64 |
| ø12.7 | 1/2” | 16.2 – 16.6 | 41/64 – 21/32 |
| ø15.88 | 5/8” | 19.3 – 19.7 | 49/64 – 25/32 |
| Copper pipe O.D. | Flare nut O.D. | Tightening torque | |||
| (mm) | (inch) | (mm) | (inch) | (N·m) | (ft·lbs) |
| ø6.35 | 1/4” | 17 | 43/64 | 14 – 18 | 10 – 13 |
| ø9.52 | 3/8” | 22 | 7/8 | 34 – 42 | 25 – 30 |
| ø12.7 | 1/2” | 26 | 1 – 3/64 | 49 – 61 | 35 – 44 |
| ø15.88 | 5/8” | 29 | 1 – 9/64 | 68 – 82 | 49 – 59 |
When commercially available copper pipes are used, inslate both the liquid and gas pipes separately with commercially available insulation materials (heat-resistant to 100 °C, 212 °F or more, thickness of 12 mm, 1/2 inch or more). (Fig. 4-1)
- • The indoor parts of the drain pipe should be wrapped with polyethylene foam insulation materials (specific gravity of 0.03, thickness of 9 mm, 23/64 inch or more). [Fig. 4-2]
- Apply thin layer of refrigerant oil to pipe and joint seating surface before tightening flare nut. A
- Use 2 wrenches to tighten piping connections. B
- Use leak detector or soapy water to check for gas leaks after connections are completed.
- Apply refrigerating machine oil over the entire flare seat surface. C
- Use the flare nuts for the following pipe size. D
Notes:
- The flare nut is attached to its pipe.
- The flare nut is in the outdoor unit accessory.
Do not use the flare nut attached. If it is used, a gas leakage or even a pipe extraction may occur.
When bending the pipes, be careful not to break them. Bend radii of 100 mm, 3-15/16 inch to 150 mm, 5-27/32 inch are sufficient. - Make sure the pipes do not contact the compressor. Abnormal noise or vibration may result.
- Pipes must be connected starting from the indoor unit.
Flare nuts must be tightened with a torque wrench. - Flare the liquid pipes and gas pipes and apply a thin layer of refrigeration oil (Applied on site).
Warning:
When installing the unit, securely connect the refrigerant pipes before starting the compressor.
- Pipes must be connected starting from the indoor unit.
Refrigerant piping (Fig. 4-3)

For A12, A18
Remove the service panel D (2 screws).
For A24-A42
Remove the service panel D (3 screws) and the front piping cover A (2 screws) and rear piping cover B (2 screws:PUZ(Y)-A24, A30NHA7) (4 screws:PUZ(Y)-A36, A42NKA7).
- Perform refrigerant piping connections for the indoor/outdoor unit when the outdoor unit’s stop valve is completely closed.
- Vacuum-purge air from the indoor unit and the connection piping.
- After connecting the refrigerant pipes, check the connected pipes and the indoor unit for gas leaks. (Refer to 4.4 Refrigerant pipe airtight testing method)
- Vacuumize the refrigerant lines through the service port of the liquid stop valve and then open the stop valves completely (for both the liquid and gas stop valves).
This will completely connect the refrigerant lines of the indoor and outdoor units.• If the stop valves are left closed and the unit is operated, the compressor and control valves will be damaged.
Use a leak detector or soapy water to check for gas leaks at the pipe connection sections of the outdoor unit.
Do not use the refrigerant from the unit to purge air from the refrigerant lines.
After the valve work is completed, tighten the valve caps to the correct torque: 20 to 25 N·m, 14 to 18 ft·lbs (200 to 250 kgf·cm).
Failure to replace and tighten the caps may result in refrigerant leakage. In addition, do not damage the insides of the valve caps as they act as a seal to prevent refrigerant leakage. - Use sealant to seal the ends of the thermal insulation around the pipe connection sections to prevent water from entering the thermal insulation
Refrigerant pipe airtight testing method
Connect the testing tools.- Make sure the stop valves A B are closed and do not open them.
- Add pressure to the refrigerant lines through the service port C of the liquid stop valve D.
- Do not add pressure to the specified pressure all at once; add pressure little by little.
- Pressurize to 0.5 MPa (5 kgf/cm2G), wait 5 minutes, and make sure the pressure does not decrease.
- Pressurize to 1.5 MPa (15 kgf/cm2G), wait 5 minutes, and make sure the pressure does not decrease.
- Pressurize to 4.15 MPa (41.5 kgf/cm2G) and measure the surrounding temperature and refrigerant pressure.
- If the specified pressure holds for about one day and does not decrease, the pipes have passed the test and there are no leaks.
• If the surrounding temperature changes by 1 °C, the pressure will change by about 0.03 MPa (0.3 kgf/cm2G). Make the necessary corrections.
(4) If the pressure decreases in steps (2) or (3), there is a gas leak. Look for the source of the gas leak
Stop valve opening method (Fig. 4-5)

- Remove the cap and turn the valve rod counterclockwise as far as it will go with the use of a 4 mm, 5/32 inch hexagonal wrench. Stop turning when it hits the stopper. (ø6.35, 1/4 inch: Approximately 4.5 revolutions) (ø9.52, 3/8 inch: Approximately 10 revolutions)
- Make sure that the stop valve is open completely, push in the handle and rotate he cap back to its original position
- A Valve
- B Unit side
- C Operation section
- D Cap
- E Local pipe side
- F Pipe cover
- G Service port
- H Wrench hole
- Double spanner section
(Do not apply a spanner other than to this section.
Doing so would cause refrigerant leaks.) - Seal section
(Seal the end of the heat insulation material at the pipe connection section with whatever seal material you have on hand so that water does not infiltrate the heat insulation material.) - Handle
Refrigerant pipes are protectively wrapped for A24-A42
• The pipes can be protectively wrapped up to a diameter of ø90 mm, 3-35/64 inch before or after connecting the pipes. Cut out the knockout in the pipe cover following the groove and wrap the pipes.
Pipe inlet gap for A24-A42
• Use putty or sealant to seal the pipe inlet around the pipes so that no gaps remain.
(If the gaps are not closed, noise may be emitted or water and dust will enter the unit and breakdown may result.)
Precautions when using the charge valve (Fig. 4-6)
Do not tighten the service port too much when installing it, otherwise, the valve core could be deformed and become loose, causing a gas leak.
After positioning section B in the desired direction, turn section A only and tighten it.
Do not further tighten sections A and B together after tightening section A.
Warning:
When opening or closing the valve below freezing temperatures, refrigerant may spurt out from the gap between the valve stem and the valve body, resulting in injuries.
Addition of refrigerant
- Additional charging is not necessary if the pipe length does not exceed 21 m, 70 ft for A12-A30, 30 m 100 ft for A36, A42.
- Especially, additional charging is not necessary if the pipe length does not exceed 30 m 100 ft for A24, 30, 36, A42 connected to the A-COIL indoor unit (PAA-A18, 24, 30, 36, 42).
- If the pipe length exceeds the specified length above, charge the unit with additional R410A refrigerant according to the permitted pipe lengths in the chart below.

Notes:
- When the unit is stopped, charge the unit with the additional refrigerant through the liquid stop valve after the pipe extensions and indoor unit have been vacuumized.
When the unit is operating, add refrigerant to the gas check valve using a safety charger. Do not add liquid refrigerant directly to the check valve. - After charging the unit with refrigerant, note the added refrigerant amount on the service label (attached to the unit).
Refer to the “1.5. Using R410A refrigerant air conditioners” for more information.
Be careful when installing multiple units. Connecting to an incorrect indoor unit can lead to abnormally high pressure and have a serious effect on operation performanceModel
Max pipe length Max height difference Additional refrigerant charging amount (kg/oz) *2 21 m 70 ft
24 m 80 ft
27 m 90 ft
30 m 100 ft
34 m 110 ft
37 m 120 ft
40 m 130 ft
43 m 140 ft
46 m 150 ft
49 m 160 ft
50 m 165 ft
52 m 170 ft
55 m 180 ft
58 m 190 ft
61 m 200 ft
64 m 210 ft
67 m 220 ft
69 m 225 ft
PUZ-A12, 18 30 m, 100 ft 30 m, 100 ft 0 0.06 kg 2 oz
0.11 kg 4 oz
0.17 kg 6 oz
– – – – – – – – – – – – – – PUZ-A24, 30 50 m, 165 ft *1 30 m, 100 ft 0 0.20 kg 7 oz
0.40 kg 14 oz
0.60 kg 21 oz
0.79 kg 28 oz
0.99 kg 35 oz
1.19 kg 42 oz
1.39 kg 49 oz
1.59 kg 56 oz
1.79 kg 63 oz
1.89 kg 67 oz
– – – – – – – PUZ-A36, 42 50 m, 165 ft *1 30 m, 100 ft 0 0 0 0 0.20 kg 7 oz
0.40 kg 14 oz
0.26 kg 21 oz
0.79 kg 28 oz
0.99 kg 35 oz
1.19 kg 42 oz
1.29 kg 46 oz
– – – – – – – PUY-A12, 18 50 m, 165 ft 30 m, 100 ft 0 0.03 kg 1 oz
0.06 kg 2 oz
0.09 kg 3 oz
0.11 kg 4 oz
0.14 kg 5 oz
0.17 kg 6 oz
0.20 kg 7 oz
0.23 kg 8 oz
0.26 kg 9 oz
0.27 kg 10 oz
– – – – – – – PUY-A24, 30 69 m, 225 ft *1 30 m, 100 ft 0 0.09 kg 3 oz
0.17 kg 6 oz
0.26 kg 9 oz
0.34 kg 12 oz
0.43 kg 15 oz
0.51 kg 18 oz
0.60 kg 21 oz
0.68 kg 24 oz
0.77 kg 27 oz
0.81 kg 29 oz
0.85 kg 30 oz
0.94 kg 33 oz
1.02 kg 36 oz
1.11 kg 39 oz
1.19 kg 42 oz
1.28 kg 45 oz
1.32 kg 47 oz
PUY-A36, 42 69 m, 225 ft *1 30 m, 100 ft 0 0 0 0 0.09 kg 3 oz
0.17 kg 6 oz
0.26 kg 9 oz
0.34 kg 12 oz
0.43 kg 15 oz
0.51 kg 18 oz
0.55 kg 20 oz
0.60 kg 21 oz
0.68 kg 24 oz
0.77 kg 27 oz
0.85 kg 30 oz
0.94 kg 33 oz
1.02 kg 36 oz
1.06 kg 38 oz
*1. If outdoor unit is connected to the A-COIL indoor unit (PAA-A18, 24, 30, 36, 42), pipe length is “Max. 30 m, 100 ft”.
*2. This additional refrigerant chart is used only when connected to an indoor unit other than A-COIL indoor unit (PAA-A18, 24, 30, 36, 42). Additional charging is not necessary
if the pipe length does not exceed 30 m 100 ft for A24, 30, 36, A42 connected to the A-COIL indoor unit (PAA-A18, 24, 30, 36, 42).
Drainage piping work
Outdoor unit drainage pipe connection
When drain piping is necessary, use the drain socket or the drain pan (option).
| A12, A18 | A24, A30 | A36, A42 | |
| Drain socket | PAC-SJ08DS-E | PAC-SG61DS-E | |
| Drain pan | PAC-SG63DP-E | PAC-SG64DP-E | PAC-SH97DP-E |
Electrical work
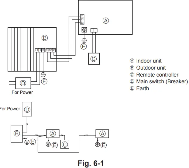
Outdoor unit (Fig. 6-1, Fig. 6-2)
- Remove the service panel.
- Wire the cables referring to the Fig. 6-1 and the Fig. 6-2.




Field electrical wiring
| Outdoor unit model | A12 | A18 | A24 | A30 | A36 | A42 | |
| Outdoor unit power supply | ~/N (single), 60Hz, 208/230 V | ~/N (single), 60Hz, 208/230 V | ~/N (single), 60Hz, 208/230 V | ~/N (single), 60Hz, 208/230 V | ~/N (single), 60Hz, 208/230 V | ~/N (single), 60Hz, 208/230 V | |
| Outdoor unit input capacity Main switch (Breaker) *1 | 15 A | 15 A | 25 A | 25 A | 30 A | 30 A | |
| Wiring Wire No. x size (mm2) | Outdoor unit power supply | 2 x Min. AWG 14 | 2 × Min. AWG 14 | 2 × Min. AWG 12 | 2 × Min. AWG 12 | 2 × Min. AWG 10 | 2 × Min. AWG 10 |
| Indoor unit-Outdoor unit *2 | 3 x AWG 14 (polar) | 3 x AWG 14 (polar) | 3 x AWG 14 (polar) | 3 x AWG 14 (polar) | 3 x AWG 14 (polar) | 3 x AWG 14 (polar) | |
| Indoor unit-Outdoor unit earth *2 | 1 x Min. AWG 14 (polar) | 1 x Min. AWG 14 (polar) | 1 x Min. AWG 14 (polar) | 1 x Min. AWG 14 (polar) | 1 x Min. AWG 14 (polar) | 1 x Min. AWG 14 (polar) | |
| Remote controller-Indoor unit *3 | 2 × AWG 22 (Non-polar) | 2 x AWG 22 (Non-polar) | 2 x AWG 22 (Non-polar) | 2 x AWG 22 (Non-polar) | 2 x AWG 22 (Non-polar) | 2 x AWG 22 (Non-polar) | |
| Circuit rating | Outdoor unit L1-L2 (single) *4 | 208/230 V AC | 208/230 V AC | 208/230 V AC | 208/230 V AC | 208/230 V AC | 208/230 V AC |
| Indoor unit-Outdoor unit S1-S2 (single) *4 | 208/230 V AC | 208/230 V AC | 208/230 V AC | 208/230 V AC | 208/230 V AC | 208/230 V AC | |
| Indoor unit-Outdoor unit S2-S3 (single) *4 | 24 V DC | 24 V DC | 24 V DC | 24 V DC | 24 V DC | 24 V DC | |
| Remote controller-Indoor unit *4 | 12 V DC | 12 V DC | 12 V DC | 12 V DC | 12 V DC | 12 V DC | |
- Please follow applicable federal, state, or local codes to prevent potential leakage/electric shock. Or install a ground fault interrupt for the prevention of leakage and electric
shock. - Max. 50 m, 164 ft S3 separated, Max. 80 m, 262 ft
- The 10 m, 30 ft wire is attached in the remote controller accessory.
- The figures are NOT always against the ground. S3 terminal has DC 24 V against S2 terminal. However between S3 and S1, these terminals are NOT electrically insulated by the transformer or other device.
Notes:
- Wiring size must comply with the applicable local and national code.
- Power supply cords, the Indoor-Outdoor connecting cable and the water heater-Outdoor connecting cable shall not be lighter than polychloroprene
sheathed flexible cord. (Design 60245 IEC 57) - Use an earth wire which is longer than the other cords so that it will not become disconnected when tension is applied.

Warning:
In case of A-control wiring, there is high voltage potential on the S3 terminal caused by electrical circuit design that has no electrical insulation between power
line and communication signal line. Therefore, please turn off the main power supply when servicing. And do not touch the S1, S2, S3 terminals when the power
is energized. If isolator should be used between indoor unit and outdoor unit, please use 3-pole type.
Test run
Before test run
After completing installation and the wiring and piping of the indoor and outdoor units, check for refrigerant leakage, looseness in the power supply or control wiring, wrong polarity, and no disconnection of one phase in the supply.
Use a 500-volt megohmmeter to check that the resistance between the power supply terminals and ground is at least 1 MΩ.
Do not carry out this test on the control wiring (low voltage circuit) terminals.
Warning:
Do not use the air conditioner if the insulation resistance is less than 1 MΩ.
Insulation resistance
After installation or after the power source to the unit has been cut for an extended period, the insulation resistance will drop below 1 MΩ due to refrigerant accumulating in the compressor. This is not a malfunction. Perform the following procedures.
- Remove the wires from the compressor and measure the insulation resistance of the compressor.
- If the insulation resistance is below 1 MΩ, the compressor is faulty or the resistance dropped due the accumulation of refrigerant in the compressor.
- After connecting the wires to the compressor, the compressor will start to warm up after power is supplied. After supplying power for the times indicated below, measure the insulation resistance again.
- The insulation resistance drops due to accumulation of refrigerant in the compressor.
The resistance will rise above 1 MΩ after the compressor is warmed up for 12 hours.
(The time necessary to warm up the compressor varies according to atmospheric conditions and refrigerant accumulation.) - To operate the compressor with refrigerant accumulated in the compressor, the compressor must be warmed up at least 12 hours to prevent breakdown.
- The insulation resistance drops due to accumulation of refrigerant in the compressor.
- If the insulation resistance rises above 1 MΩ, the compressor is not faulty.
Caution:
The compressor will not operate unless the power supply phase connection is correct.
Turn on the power at least 12 hours before starting operation.
Starting operation immediately after turning on the main power switch can result in severe damage to internal parts. Keep the power switch turned on during the operational season.
The followings must be checked as well.
- The outdoor unit is not faulty. LED1 and LED2 on the control board of the outdoor unit flash when the outdoor unit is faulty.
- Both the gas and liquid stop valves are completely open.
- A protective sheet covers the surface of the DIP switch panel on the control board of the outdoor unit. Remove the protective sheet to operate the DIP switches easily
- Make sure that the all of the SW5 DIP switches for function changes on the control board of the outdoor unit are set to OFF. If all of the SW5 switches are not set to
OFF, record the settings and then set all of the switches to OFF. Begin recovering the refrigerant. After moving the unit to a new location and completing the test run,
set the SW5 switches to the previously recorded settings.
Test run
Using SW4 in outdoor unit
PUZ Type
| SW4-1 | ON | Cooling operation |
| SW4-2 | OFF | |
| SW4-1 | ON | Heating operation |
| SW4-2 | ON |
PUY Type
| SW4-1 | ON | Cooling operation |
| SW4-2 | ON or OFF |
After performing the test run, set SW4-1 to OFF.
• After power is supplied, a small clicking noise may be heard from the inside of the outdoor unit. The electronic expansion valve is opening and closing. The unit is not faulty.
A few seconds after the compressor starts, a clanging noise may be heard from the inside of the outdoor unit. The noise is coming from the check valve due to the small difference in pressure in the pipes. The unit is not faulty. The test run operation mode cannot be changed by DIP switch SW4-2 during the test run. (To change the test run operation mode during the test run, stop the test run by DIP switch SW4-1. After changing the test run operation mode, resume the test run by switch SW4-1.)
Using remote controller
Refer to the indoor unit installation manual
Special functions
Low noise mode (on-site modification) (Fig. 8-1)
By performing the following modification, operation noise of the outdoor unit can be reduced by about 3-4 dB.
The low noise mode will be activated when a commercially available timer or the contact input of an ON/OFF switch is added to the CNDM connector (option) on the control board of the outdoor unit.
• The ability varies according to the outdoor temperature and conditions, etc.
- Complete the circuit as shown when using the external input adapter (PAC-SC36NA-E). (Option)
- SW7-1 (Outdoor unit control board): OFF
- SW1 ON: Low noise mode
SW1 OFF: Normal operation

- A Circuit diagram example (low noise mode)
- B On-site arrangement
- C External input adapter (PAC-SC36NA-E)
- D Outdoor unit control board
- E Max. 10 m, 33 ft
- F Power supply for relay
Demand function (on-site modification) (Fig. 8-2)
By performing the following modification, energy consumption can be reduced to 0–100% of the normal consumption.
The demand function will be activated when a commercially available timer or the contact input of an ON/OFF switch is added to the CNDM connector (option) on the control board of the outdoor unit.
1 Complete the circuit as shown when using the external input adapter (PAC-SC36NA-E). (Option)
2 By setting SW7-1 on the control board of the outdoor unit, the energy consumption (compared to the normal consumption) can be limited as shown below.

- A Circuit diagram example (Demand function)
- B On-site arrangement X, Y: Relay
- C External input adapter (PAC-SC36NA-E)
- D Outdoor unit control board
- E Max. 10 m, 33 ft
- F Power supply for relay
Refrigerant collecting (pump down)
Perform the following procedures to collect the refrigerant when moving the indoor unit or the outdoor unit.
- Supply power (circuit breaker).
- When power is supplied, make sure that “CENTRALLY CONTROLLED” is not displayed on the remote controller. If “CENTRALLY CONTROLLED” is displayed, the refrigerant collecting (pump down) cannot be completed normally.
- Start-up of the indoor-outdoor communication takes about 3 minutes after the power (circuit breaker) is turned on. Start the pump-down operation 3 to 4 minutes
after the power (circuit breaker) is turned ON.
- After the liquid stop valve is closed, set the SWP switch on the control board of the outdoor unit to ON. The compressor (outdoor unit) and fans (indoor and outdoor
units) start operating and refrigerant collecting operation begins. LED1 and LED2 on the control board of the outdoor unit are lit.- Only set the SWP switch (push-button type) to ON if the unit is stopped. However, even if the unit is stopped and the SWP switch is set to ON less than 3 minutes after the compressor stops, the refrigerant collecting operation cannot be performed. Wait until compressor has been stopped for 3 minutes and then set the SWP switch to ON again
- Because the unit automatically stops in about 2 to 3 minutes when the refrigerant collecting operation is completed (LED1 off, LED2 lit), be sure to quickly close the gas stop valve. If LED1 is lit and LED 2 is off and the outdoor unit is stopped, refrigerant collection is not properly performed. Open the liquid stop valve completely, and then repeat step 2 after 3 minutes have passed.
If the refrigerant collecting operation has been completed normally (LED1 off, LED2 lit), the unit will remain stopped until the power supply is turned off. - Turn off the power supply (circuit breaker).
Note that when the extension piping is very long with large refrigerant amount, it may not be possible to perform a pump-down operation. When performing the pump-down operation, make sure that the low pressure is lowered to near 0 MPa (gauge).
Warning:
When pumping down the refrigerant, stop the compressor before disconnecting the refrigerant pipes. The compressor may burst if air etc. get into it.
Do not perform pump down work when there is a gas leak. The intake of air or other gases causes abnormally high pressure in the refrigeration cycle, which may cause explosion or injury.
System control (Fig. 9-1)

Set the refrigerant address using the DIP switch of the outdoor unit.
1 Wiring from the Remote Control
This wire is connected to TB5 (terminal board for remote controller) of the indoor unit (non-polar).
2 When a Different Refrigerant System Grouping is Used.
Up to 16 refrigerant systems can be controlled as one group using the slim MA remote controller
Note:
In single refrigerant system (twin), there is no need of wiring 2.

Low ambient cooling
Precautions for low ambient cooling
- If the outdoor temperature is 23 °F or lower during cooling operation, install an optional air guide to prevent wind from blowing into the outdoor unit.
- Install the outdoor unit in a location where wind will not blow onto the back of the unit.
- To prevent damage to the parts, be sure to install the unit, turn on the main power, and perform service in an environment where the ambient temperature is 0 °F or higher.
- In order to protect the compressor and electrical components, do not turn off the circuit breaker if the unit is installed in an environment where the ambient temperature is 0
°F or lower. - It needs at least 12hr standby to operation in order to warm the electrical parts.
This product is designed and intended for use in the residential, commercial and light-industrial environment
Please be sure to put the contact address/telephone number on this manual before handing it to the customer
HEAD OFFICE: TOKYO BUILDING, 2-7-3, MARUNOUCHI, CHIYODA-KU, TOKYO 100-8310, JAPAN



Connect the testing tools.




















