REPLACEMENT PARTS MANUAL
Wall Mounted
Packaged Heat Pump
Manual: 2110-1555C
Supersedes: 2110-1555B
Date: 4-19-21
Models:
| J30HB-A | J36HB-A |
| J30HB-B | J36HB-B |
| J30HB-C | J36HB-C |
General Notes
- Revised and/or additional pages may be issued from time to time.
- A complete and current manual consists of pages shown in the following contents section.
Important
Contact the installing and/or local distributor for all parts requirements. Make sure you have the complete model and serial number available from the unit rating plates.
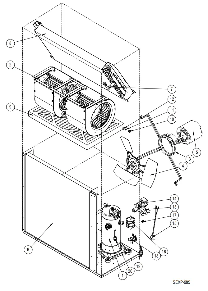
CABINET COMPONENTS

| Dwg No. | Part Number | Description | J30HB-A, B | J30HB-C | J36HB-A, B | J36HB-C |
| 1 | S127-471 | Lower Base | X | X | X | X |
| 2 | 125-081 | Fan Shroud | X | X | X | X |
| 3 | S501-933-X | Right Side | X | X | X | X |
| 4 | S501-934-X | Left Side | X | X | X | X |
| 5 | S533-228-X | Control Panel Cover (Outer) | X | X | X | X |
| 6 | S521X527 | Condenser Partition | X | X | X | X |
| 8 | 121X467 | Blower Partition | X | X | X | X |
| 9 | S507-308-X | Top | X | X | X | X |
| 10 | S111X030 | Outlet Air Frame Assembly | X | X | X | X |
| 11 | S509-451 | Upper Back | X | X | X | X |
| 12 | 113X480 | Filter Bracket | 2 | 2 | 2 | 2 |
| 13 | S132-104 | Control Panel Cover (Inner) | X | X | X | X |
| 13 | S132-172 | Control Panel Cover (Inner) | 2 | 2 | 2 | 2 |
| 14 | 118-124-X | Side Grille | X | X | X | X |
| 15 | 118-103-X | Condenser Grille | X | X | X | X |
| 16 | BFAD-3 | Fresh Air Damper Assembly | X | X | X | X |
| 17 | S553-523-X | Vent Option Door | X | X | X | X |
| 18 | S514-241-X | Upper Front | X | X | X | X |
| 19 | 105X850 | Side Support | X | X | X | X |
| 20 | S543-175-X | Right Side Cover Plate (Outer) | X | X | X | X |
| 21 | S123-127 | Drain Pan | X | X | X | X |
| 22 | 147-044 | Evaporator Support | X | X | X | X |
| 24 | Control Panel Assembly | See Control Panel Assy. Drawing & Parts List Assy. | X | X | X | X |
| 25 | 113-140 | Bottom Mounting Bracket | X | X | X | X |
| 26 | 135X123 | Heat Shield | X | X | X | X |
| 27 | S153-218-X | Disconnect Access Door | X | X | X | X |
| 28 | 137-259 | Fill Plate | X | X | X | X |
| 29 | 113-149-X | Top Rain Flashing | X | X | X | X |
| 30 | S553-524-X | Filter Door | X | X | X | X |
| 31 | S536-498 | Cond. Partition Block Off Plate | X | X | X | X |
| 32 | 105-1302 | Grommet Retainer | X | X | X | X |
| 33 | 135-329 | Air Baffle | X | X | X | X |
| 35 | 109-450 | Lower Back | X | X | X | X |
FUNCTIONAL COMPONENTS

| Dwg No.+GA1:H33 | Part Number | Description | J30HB-A | J30HB-B | J30HB-C | J36HB-A | J36HB-B |
| 1 | 8000-277 | Compressor | X | X | X | X | X |
| 1 | 8000-365 | Compressor | X | X | X | X | X |
| 1 | 8000-366 | Compressor | X | X | X | X | X |
| 1 | 8000-278 | Compressor | X | X | X | X | X |
| 1 | 8000-283 | Compressor | X | X | X | X | X |
| 1 | 8000-342 | Compressor | X | X | X | X | X |
| NS | 3000-1224 | Molded Compressor Wire Harness (1-PH) | X | X | X | X | X |
| NS | 3000-1231 | Molded Compressor Wire Harness (3-PH) | X | X | X | X | X |
| 2 | 900-360-003 | Blower Assembly | X | X | X | X | X |
| 2 | 900-361-003 | Blower Assembly | X | X | X | X | X |
| 2 | 900-360-004 | Blower Assembly | X | X | X | X | X |
| 2 | 900-361-004 | Blower Assembly | X | X | X | X | X |
| 3 | 8200-001 | Fan Motor Mount | X | X | X | X | X |
| 4 | 5151-045 | Fan Blade | X | X | X | X | X |
| 5 | 8103-029 | Outdoor Fan Motor | X | X | X | X | X |
| 5 | 8103-030 | Outdoor Fan Motor | X | X | X | X | X |
| 6 | 917-0320BX | Outdoor Coil (Includes Distributor) | X | X | X | X | X |
| 6 | 917-0387BX | Outdoor Coil (Includes Distributor) | X | X | X | X | X |
| 7 | 800-0486 | Cooling Distributor Assembly | X | X | X | X | X |
| 7 | 800-0426 | Cooling Distributor Assembly | X | X | X | X | X |
| 8 | 917-0389BX | Indoor Coil (Includes Cooling Distributor) | X | X | X | X | X |
| 8 | 917-0401BX | Indoor Coil (Includes Cooling Distributor) | X | X | X | X | X |
| 9 | 7004-026 | Air Filter 2″ Pleated Disposable | 2 | 2 | X | X | X |
| 10 | 1171-022 | urn Fastener | X | X | X | X | X |
| 11 | 1171-024 | urn Retainer | X | X | X | X | X |
| 12 | 1171-023 | urn Receptacle | X | X | X | X | X |
| 13 | 5650-039 | Reversing Valve w/24V Solenoid Coil | X | X | X | X | X |
| 14 | 5650-046 | Reversing Valve 24V Solenoid | X | X | X | X | X |
| 15 | 5650-044 | Molded Plug 53″ Lead | X | X | X | X | X |
| 16 | 5201-019 | Filter Drier, Bi-Directional, 3/8″ Connections | X | X | X | X | X |
| 17 | 8620-224 | Defrost Sensor Kit | X | X | X | X | X |
| 18 | 5651-200 | Heating Expansion Valve | X | X | X | X | X |
| 18 | 5651-231 | Heating Expansion Valve | X | X | X | X | X |
| 19 | 8406-142 | High-Pressure Switch (650#) Screw On | X | X | X | X | X |
| 20 | 5625-023 | Heating Distributor | X | X | X | X | X |
| 20 | 5625-127 | Heating Distributor | X | X | X | X | X |
| NS | 8406-135 | Low-Pressure Switch (14#) Screw On | X | X | X | X | X |
| NS | 6031-009 | Carmax Valve Core (Service Port) | 2 | X | X | X | X |
| NS | S8406-105 | Low Ambient Fan Cycling Control (350#/225#) | X | X | X | X | X |
| NS | 1171-028 | Filter Door Clip | X | X | X | X | X |
| NS | 1171-057 | Filter Door Screw | X | X | X | X | X |
| NS | 1171-027 | Filter Door Screw Retainer | X | X | X | X | X |
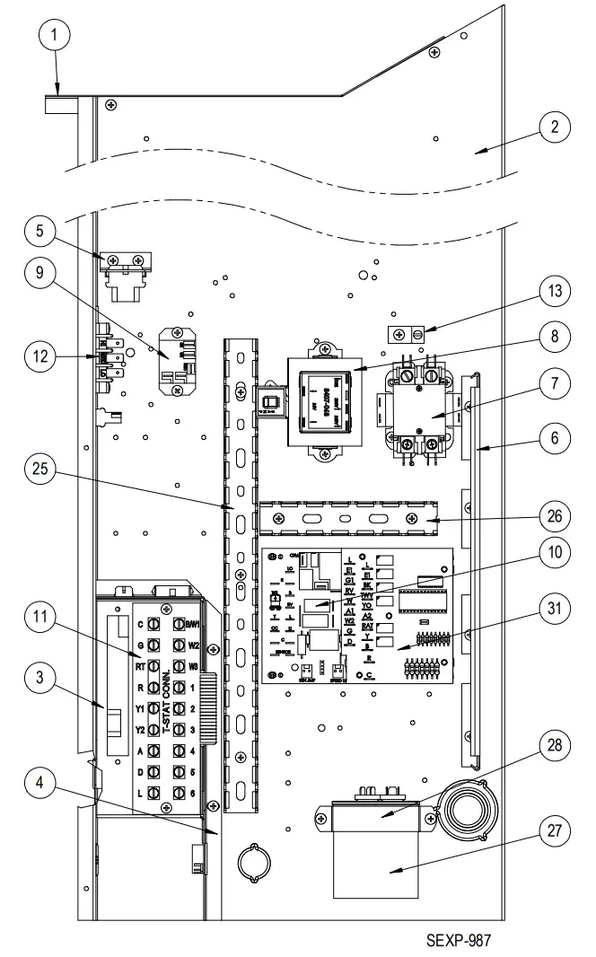
CONTROL PANEL – 230 VOLT 1 PHASE UNITS

| Dwg No. | Part Number | Description | J30HB-A | J36HB-A |
| 1 | 117X137 | Control Panel Top – RH (Sheet Metal Only) | X | X |
| 2 | 117X374 | Control Panel – RH (Sheet Metal Only) | X | X |
| 3 | 117X375 | Low Voltage Box – RH (Sheet Metal Only) | X | X |
| 4 | 117X385 | Low Voltage Partition – RH (Sheet Metal Only) | X | X |
| NS | 3000-1494 | Low Voltage Wire Harness (behind LVTS) | X | X |
| NS | S910-2047 | Complete Low Voltage Box Assembly | X | X |
| 5 | 141-188 | (Sheet Metal, LVTS & Wire Harness) | X | X |
| 6 | 135-122 | Plug Support Bracket (Sheet Metal) | X | X |
| 7 | 8401-033 | Wire Shield (Sheet Metal) | X | X |
| 8 | 8407-068 | Contactor 2-Pole | X | X |
| 9 | 8201-130 | Transformer 208/240-24, 50VA | X | X |
| 10 | 8620-223 | Relay, SPDT | X | X |
| 11 | 8607-044 | Defrost Board Replacement Kit w/Sensor | X | X |
| 12 | 8607-042 | Blower Speed Strip | X | X |
| 13 | 8611-006 | Blower Speed Terminal | X | X |
| 25 | 8611-140-1400 | Ground Lug | X | X |
| 26 | 8611-140-0500 | 14″ Cable Duct | X | X |
| 27 | 8552-052 | 5″ Cable Duct | X | X |
| 28 | 8550-008 | Capacitor 45+5/370V, 2-1/2″ Round | X | X |
| NS | 3003-058 | Capacitor Strap, 2-1/2″ Round | X | X |
| NS | 8201-086 | Main Control Panel Wire Harness | X | X |
| NS | 3000-1598 | LAC Relay | X | X |
| NS | 3000-1599 | Blower Power Plug | X | X |
| NS | 4096-168 | Blower Speed Plug | X | X |
| NS | 4096-168 | Wiring Diagram | X | X |
CONTROL PANEL – 230 VOLT 3 PHASE UNITS

| Dwg No. | Part Number | Description | J30HB-B | J36HB-B |
| 1 | 117X137 | Control Panel Top – RH (Sheet Metal Only) | X | X |
| 2 | 117X374 | Control Panel – RH (Sheet Metal Only) | X | X |
| 3 | 117X375 | Low Voltage Box – RH (Sheet Metal Only) | X | X |
| 4 | 117X385 | Low Voltage Partition – RH (Sheet Metal Only) | X | X |
| NS | 3000-1494 | Low Voltage Wire Harness (behind LVTS) | X | X |
| NS | S910-2047 | Complete Low Voltage Box Assembly | X | X |
| 5 | 141-188 | (Sheet Metal, LVTS & Wire Harness) | X | X |
| 6 | 135-122 | Plug Support Bracket (Sheet Metal) | X | X |
| 7 | 8401-035 | Wire Shield (Sheet Metal) | X | X |
| 8 | 8407-068 | Contactor 3-Pole | X | X |
| 9 | 8201-130 | Transformer 208/240-24, 50VA | X | X |
| 10 | 8620-223 | Relay, SPDT | X | X |
| 11 | 8607-044 | Defrost Board Replacement Kit w/Sensor | X | X |
| 12 | 8607-042 | Terminal Strip | X | X |
| 13 | 8611-006 | Blower Speed Terminal | X | X |
| 25 | 8611-140-1400 | Ground Lug | X | X |
| 26 | 8611-140-0500 | 14″ Cable Duct | X | X |
| 27 | 8552-002 | 5″ Cable Duct | X | X |
| 28 | 8550-003 | Capacitor 5/370V, 1-1/4″ Oval | X | X |
| 29 | 8201-126 | Capacitor Strap, 1-1/4″ Oval | X | X |
| NS | 3003-059 | 3 Phase Line Monitor | X | X |
| NS | 8201-086 | Main Control Panel Wire Harness | X | X |
| NS | 3000-1598 | LAC Relay | X | X |
| NS | 3000-1599 | Blower Power Plug | X | X |
| NS | 4096-270 | Blower Speed Plug | X | X |
| NS | 4096-271 | Wiring Diagram | X | X |
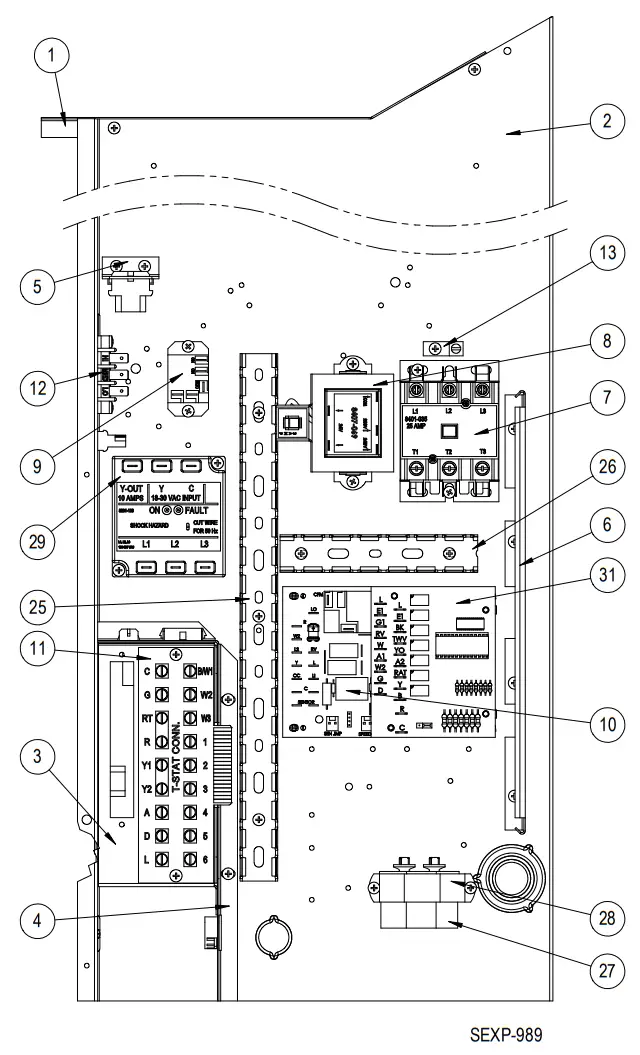
CONTROL PANEL – 460 VOLT 3 PHASE UNITS

| Dwg No. | Part Number | Description | J30HB-C | J36HB-C |
| 1 | 117X137 | Control Panel Top – RH (Sheet Metal Only) | X | X |
| 2 | 117X374 | Control Panel – RH (Sheet Metal Only) | X | X |
| 3 | 117X375 | Low Voltage Box – RH (Sheet Metal Only) | X | X |
| 4 | 117X385 | Low Voltage Partition – RH (Sheet Metal Only) | X | X |
| NS | 3000-1494 | Low Voltage Wire Harness (behind L | X | X |
| NS | S910-2047 | Complete Low Voltage Box Assembly | X | X |
| 5 | 141-188 | (Sheet Metal, LVTS & Wire Harness) | X | X |
| 6 | 135-122 | Plug Support Bracket (Sheet Metal) | X | X |
| 7 | 8401-035 | Wire Shield (Sheet Metal) | X | X |
| 8 | 8407-069 | Contactor 3-Pole | X | X |
| 9 | 8201-032 | transformer 460-24, 50VA | X | X |
| 10 | 8620-223 | Relay, SPDT, 3 FLA@480V | X | X |
| 11 | 8607-044 | Defrost Board Replacement Kit w/Sensor | X | X |
| 12 | 8607-042 | erminal Strip | X | X |
| 13 | 8611-006 | Blower Speed Terminal | X | X |
| 25 | 8611-140-1400 | Ground Lug | X | X |
| 26 | 8611-140-0500 | 14″ Cable Duct | X | X |
| 27 | 8552-002 | 5″ Cable Duct | X | X |
| 28 | 8550-003 | Capacitor 5/370V, 1-1/4″ Oval | X | X |
| 29 | 8201-126 | Capacitor Strap, 1-1/4″ Oval | X | X |
| NS | 3003-060 | 3 Phase Line Monitor | X | X |
| NS | 8201-086 | Main Control Panel Wire Harness | X | X |
| NS | 3000-1598 | LAC Relay | X | X |
| NS | 3000-1599 | Blower Power Plug | X | X |
| NS | 4096-368 | Blower Speed Plug | X | X |
BLOWER ASSEMBLY

| Dwg No. | Part Number | Description | |||
| 1 | S8106-068-0171 | Blower Motor & Control (230/208V) | X | X | X |
| 1 | S8106-069-0172 | Blower Motor & Control (460V) | O | O | O |
| 1 | S8106-068-0173 | Blower Motor & Control (230/208V) | 2 | 2 | 2 |
| 1 | S8106-069-0174 | Blower Motor & Control (460V) | X | X | X |
| 1 | C8106-068-0171 | Programmed Control Only (230/208V) | X | X | X |
| 1 | C8106-069-0172 | Programmed Control Only (460V) | X | X | X |
| 1 | C8106-068-0173 | Programmed Control Only (230/208V) | X | X | X |
| 1 | C8106-069-0174 | Programmed Control Only (460V) | 6 | 6 | 6 |
| 2 | 151-111 | Housing | X | X | X |
| 3 | 144-174 | Diffuser | X | X | X |
| 4 | 5152-090 | Wheel CW | X | X | X |
| 5 | 5152-091 | Wheel CCW | X | X | X |
| 6 | 105-870 | Back Brace | X | X | X |
| 7 | 5451-011 | Grommets | 6 | 6 | 6 |
| 8 | 8200-031 | Motor Mount | X | X | X |
| 9 | 103-401 | Front Brace | X | X | X |
| 10 | 113-721 | Motor Control Bracket | X | X | X |














