51688 Shower Arm
Instruction Manual
51688 Shower Arm
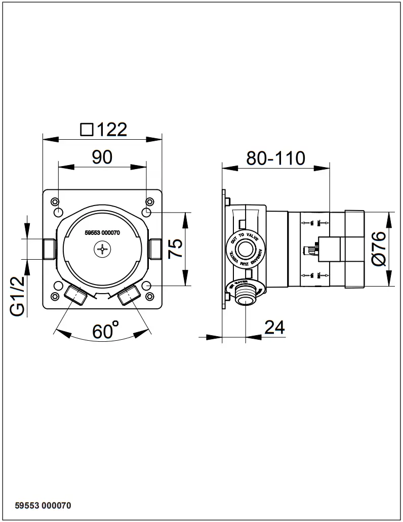
Mounting dimensions

KEUCO UK Ltd
Amersham House
Mill Street
GB-Berkhamsted HP4 2DT
Phone: +44 10442865220
E-Mail: [email protected]
Mounting instruction
Mounting dimensions
Important information, please read!
Symbols and explanations
![]() | Attention! Warning against bodily injury or damage to property. |
![]() | Attention Warning against electric shock. |
| Attention! Warning against water damage. | |
| Note, tip or reference | |
| Correct installation/test of functionality | |
| Incorrect installation | |
| Cold water | |
| Water fl ow | |
| Optional/accessories | |
| Hot water | |
| No water fl ow |
Intended use
| Thermostatic mixer tap for use in bathrooms and WCs. Operation possible with pressure tanks and thermally and hydraulically controlled instantaneous water heaters. Operation only with potable water. | |
| Product is only suitable for installation indoors! | |
| Attention! Only install in frost-free places. |
Technical specifi cations
– Flow at 3 bar pressure: approx. 22 l/min
– Pressure: min. 0,5 bar/recommended 1-5 bar
– Operating pressure: max. 10 bar Prüfdruck: 16
– Test pressure: 16 bar
– Recommended hot water inlet temperature: min 45° – max 65° C
– Water connection: cold = blue marking hot = red marking
Avoid pressure diff erences between the cold and hot water feeds.
Install a pressure reducer for static pressures above 5 bar.
Installation dimensions, refer to page 2
Installation, refer to picture 1 on page 9
Flush potable water pipes thoroughly before and after installation (observe EN 806 and 1717).
Test connections for leaks with water pressure.
For spare parts with order numbers, refer to page 15.
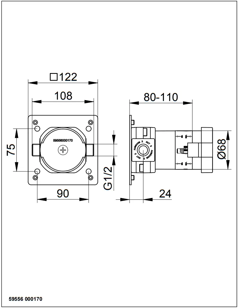
Mounting dimensions





Spare parts

KEUCO UK Ltd
Amersham House
Mill Street
GB-Berkhamsted HP4 2DT
Phone: +44 10442865220
E-Mail: [email protected]
Mounting instruction
Mounting dimensions
Important information, please read!
These instructions are for both the installer for installation and the user for operation and maintenance of the product. After installation, please hand them over to the user to keep.
Symbols and explanations
![]() | Attention! Warning against bodily injury or damage to property. |
| Observe the description! | |
| Note, tip or reference | |
| Correct installation/test of functionality | |
| Incorrect installation | |
| Observe installation details | |
| Cold water | |
| Water fl ow | |
| Optional/accessories | |
| Hot water | |
| No water fl ow |
Intended use
Thermostat mixer for use in bathrooms.
Technical specifi cations
– Flow at 3 bar pressure: approx. 22 l/min
Installation dimensions, refer to page 2
Installation, refer to picture 1 on page 8
Use only neutrally netting silicone.
– For water connection, refer to pictures 6 to 9.
If the water lines are swapped during installation, mount mirror-inversed.
– The grey adjustment sleeve is used when the diff erence between hot and cold water is a minimum of 45° C.
If this is not the case, for example because of a low supply temperature, the green adjustment sleeve is used; refer to picture 12 on page 9.
–A The standard installation of the handle is done with the button facing upwards; refer to picture 14 on page 10.
– B If the handle is installed with the button facing downwards, the adjustment sleeve must be turned 180°.
Operation, refer to picture 16 on page 10
Servicing, refer to picture 17 and 18 on page 10
Assemble in reverse order.
For spare parts with order numbers, refer to page 11
For warranty and care information please refer to the attached warranty and care instructions.


Spare parts
KEUCO UK Ltd
Amersham House
Mill Street
GB-Berkhamsted HP4 2DT
Phone: +44 10442865220
E-Mail: [email protected]
Mounting instruction
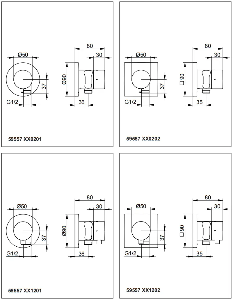
Mounting dimensions
Important information, please read!
![]() | Attention! Warning against bodily injury or damage to property. |
![]() | Attention Warning against electric shock. |
| Attention! Warning against water damage. | |
| Note, tip or reference | |
| Correct installation/test of functionality | |
| Incorrect installation | |
| Cold water | |
| Water fl ow | |
| Optional/accessories | |
| Hot water | |
| No water fl ow |
Technical specifi cations
– Flow at 3 bar pressure: approx. 24 l/min
– Wall outlet for shower hose: ca. 16 l/min
– Pressure: min. 0,5 bar/recommended 1-5 bar
– Operating pressure: max. 10 bar
– Test pressure: 16 bar
– Recommended hot water inlet temperature: max. 65° C
– Water connection: cold = blue marking hot = red marking
Installation dimensions, refer to page 2
Installation, refer to picture 1 on page 9
![]() | Flush potable water pipes thoroughly before and after installation (observe EN 806 and 1717). Test connections for leaks with water pressure. |
| Operation only with potable water. | |
| Product is only suitable for installation indoors! | |
| Attention! Only install in frost-free places. |
For spare parts with order numbers, refer to page 11.
Combinations



Spare parts
KEUCO UK Ltd
Amersham House
Mill Street
GB-Berkhamsted HP4 2DT
Phone: +44 10442865220
E-Mail: [email protected]
Mounting instruction
Mounting dimensions
Important information, please read!
These instructions are for both the installer for installation and the user for operation and maintenance of the product. After installation, please hand them over to the user to keep.
Symbols and explanations
Attention! Warning against bodily injury or damage to property.
![]() | Attention! Warning against bodily injury or damage to property. |
| Note, tip or reference | |
| Correct installation/test of functionality | |
| Incorrect installation | |
| Observe installation details | |
| Cold water | |
| Water fl ow | |
| Optional/accessories | |
| Hot water | |
| No water fl ow |
Technical specifi cations
Flow at 3 bar pressure
– Diverter valve: approx. 22 l/min
– Wall outlet for shower hose: approx. 13 l/min
Installation dimensions, refer to page 2
Installation, refer to picture 1 on page 8
Use only neutrally netting silicone.
Operation, refer to picture 11 on page 10
Servicing, refer to picture 12 on page 10
Assemble in reverse order.
– Cartridge nut torque: 20-30 Nm
For spare parts with order numbers, refer to page 11
For warranty and care information please refer to the attached warranty and care instruc- tions.


Spare parts
KEUCO UK Ltd
Amersham House
Mill Street
GB-Berkhamsted HP4 2DT
Phone: +44 10442865220
E-Mail: [email protected]
Mounting instruction
Mounting dimensions

KEUCO UK Ltd
Amersham House
Mill Street
GB-Berkhamsted HP4 2DT
Phone: +44 10442865220
E-Mail: [email protected]




















