Mounting instruction
IXMO
IXMO Shower System
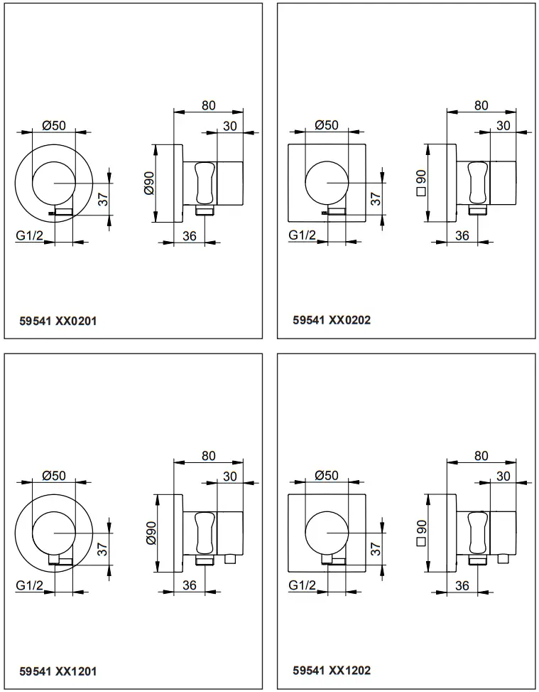
Mounting dimensions

Important information, please read!
These instructions are for both the installer for installation and the user for the operation and maintenance of the product. After installation, please hand them over to the user to keep.
Symbols and explanations
| Attention! Warning against bodily injury or damage to property. | |||
| Note, tip, or reference | |||
| Correct installation/test of functionality | |||
| Incorrect installation | |||
| Observe installation details | |||
| Cold water | Hot water | ||
| Water fl ow | No water fl ow | ||
| Optional/accessories | |||
Technical specifications
Flow at 3 bar pressure: approx. 12 l/min
Installation dimensions, refer to page 2
For installation, refer to picture 1 on page 8
Use only neutrally netting silicone.
For the operation, refer to picture 9 on page 10
For servicing, refer to picture 10 on page 10
Assemble in reverse order.
– Cartridge nut torque: 20-30 Nm
For spare parts with order numbers, refer to page 11
For warranty and care information please refer to the attached warranty and care instructions.






Spare parts

www.keuco.com
KEUCO UK Ltd
Amersham House
Mill Street
GB-Berkhamsted HP4 2DT
Phone: +44 10442865220
E-Mail: [email protected]

















