SARGENT 1130-HU Series Non-Handed Door Closer

Product Information
The 1130-HU Series Non-Handed Door Closer Arm Model 1131-HU Installation Instructions includes a hold open arm model that is adjustable from size 1-6. The product comes with a regular arm, top jamb mount, parallel arm, and is suitable for both left-hand and right-hand doors. The product also includes various components such as Closer, Shoe Dial Screw, Dial, Set Screw, Main Arm Pinion Screw, Main Arm, Pinion Cap, Hold Open Arm, 1/8 Hex Wrench, Screw Pack, and Optional Components such as 60-0535 Cover, 6-32 x 5/16 Pan Head Self Tapping Screw, and Soffit Adapter Plate Used with Parallel Arm. The product is designed to determine the hand of the door and identify the model for proper installation. The product is supplied with mounting hardware such as Closer, Holder Shoe, Holder, PA Bracket: 1/4-14 x 1-1/2 Oval Flat Head Self Drilling. Screw, Closer, Holder Shoe, Holder, PA Bracket: 1/4-20 x 3/4 Oval Flat Head Mach. Screw, H/O Shoe to Holder, PA Bracket: 1/4-20 x 1/2 Oval Flat Head Mach. Screw, Closer: Sleeve Nut and Bolt (SNB) (optional) with 1/4-20 x 3/4 Oval Flat Head Mach. Screw (recommended), and Closer: Thru Bolt and Grommet Nut (TBGN) (optional). The product requires a 3/16 (4.8mm) drill for wood, Drill #7 (.201 dia. or 5.1mm) Tap 1/4-20 for metal, and 9/32 (7.0mm) thru 3/8 (9.5mm) drill for all hollow metal and aluminum or wood. Closer adjustments can be made using the provided hex wrench to turn valves. The door must be open to adjust spring closing power, and the use of a power drill will void the warranty. The product’s installation instructions include a warning that it can expose you to lead which is known to the state of California to cause cancer and birth defects or other reproductive harm. It also advises users to read and follow all instructions and save them.
Product Usage Instructions
- Determine the hand of the door using the installation instructions provided.
- Identify the model of the product using the installation instructions provided.
- Use the supplied mounting hardware to install the product on the door or frame following the installation sequence provided in the instructions.
- Adjust the spring closing power of the product using the provided hex wrench to turn valves. The door must be open to adjust spring closing power.
- Do not use a power drill to adjust the product as it will void the warranty.
Arm Model 1131-HU
Installation Instructions
Hold Open arm model, adjustable size 1-6 ( )
WARNING
This product can expose you to lead which is known to the state of California to cause cancer and birth defects or other reproductive harm.
For more information go to: www.P65warnings.ca.gov.
READ AND FOLLOW ALL INSTRUCTIONS.
SAVE THESE INSTRUCTIONS.

Included Components


Tools Needed

ATTENTION:
An incorrectly installed or improperly adjusted door closer can cause property damage or personal injury. These installation instructions should be followed to avoid the possibility of misapplication or misadjustment.
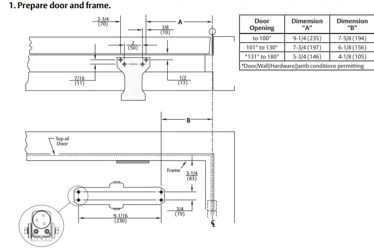
- For special applications, a separate door and frame preparation template is packed with these instructions. Use this instruction sheet for installation sequence and closer adjustments only.
- Doors should be hung on ball bearing or anti-friction hinges.
- A separate door stop is recommended.
- Always consult door/frame manufacturer for fastener compatibility.
- Door and frame must be properly reinforced.
- Adjust closing time speed between 3 and 7 seconds from 90° to 0°.
- These door closers should NOT be installed on exposed side (weather side) of exterior doors.
- Dimensions are given in inches (millimeters).
Supplied Hardware
Closer Adjustments
WARNING
Use provided hex wrench to turn valves. NEVER force valves out of closer. NEVER completely close backcheck valve.
Door must be open to adjust spring closing power. Refer to the chart.
Use of a power drill will void the Warranty.
Pinion Cap or Cover 
1130-HU Regular Arm Installation (Right Hand Shown)

The 1130-HU Hold Open Closer – Regular Arm has now been installed.
🛑 Go to page 2 for closer adjustments and decorative cap or cover installation.
1130-HU Top Jamb Arm Installation
(Right Hand Shown)

The 1130-HU Hold Open Closer – Top Jamb Mount has now been installed.
🛑 Go to page 2 for closer adjustments and decorative cap or cover installation.
1130-HU Parallel Arm Installation
(Right Hand Shown)




The 1130-HU Hold Open Closer – Parallel Arm Mount has now been installed.
🛑 Go to page 2 for closer adjustments and decorative cap or cover installation.
The ASSA ABLOY Group is the global leader in access solutions. Every day we help people feel safe, secure and experience a more open world.
WARNING
This product can expose you to lead which is known to the state of California to cause cancer and birth defects or other reproductive harm. For more information go to www.P65warnings.ca.gov.
WARNING
Attention Installer: Improper installation may result in damage to the product and void the factory warranty
1-800-727-5477 • www.sargentlock.com
Copyright © 2016, 2019, 2023, SARGENT Manufacturing Company. All rights reserved. Reproduction in whole or in part without the express written permission of SARGENT Manufacturing Company is prohibited. Patent pending and/or patent www.assaabloydss.com/patents.























