CAL-ROYAL 300 Series Surface Mounted Door Closer

Installation Instructions for TOP JAMB(PUSH SIDE) Mounting

| OPENING | DIM.A |
| TO 100° | 140mm(5-1/2) |
| 100°-120° | 130mm(5-1/8) |
| OVER 180° | 90mm(3-17/32) |
- Left hand door shown
- Right hand door opposite
- Dimensions are in inches
- Drawing not to scale
- Closer projection and location may restrict door swing if door must open against wall or other barrier.
INSTALLATION INSTRUCTIONS
- Select degree of opening from table and use template dimensions shown in above mark 4 HOLES ON FRAME for close and TWO (2) HOLES ON DOOR for arm shoe.
- Drill pilot holes in door and frame for #14 all-purpose screws or drill and tap for 1 /4-20 machine screws.
- Install adjustable forearm/arm shoe assembly to door using screws provided.
- Install main arm to top pinion shaft using screw provided.
- Mount closer body on frame using screws provided. SPRING POWER ADJUSTING NUT MUST BE POSITIONED AWAY FROM HINGE EDGE.
- Adjust length of adjustable forearm so that adjustable forearm is perpendicular to door when assembled to preloaded main arm (Illustration below.) Secure forearm to main arm with screw provided.
- Snap pinion cap over shaft on top of closer. (When using full cover, pinion cap is not necessary).
- Adjust closing speed, back check control and spring power of door, following instructions as shown page 4.
Top View Typical Installation

Installation Instructions for PARALLEL ARM(PUSH SIDE) Mounting

| OPENING | DIM.A | DIM.B |
| TO 100° | 200mm(7-7/8) | 150mm(5-29/32) |
| 120°-180° | 170mm(6-11/16) | 120mm(4-23/32) |
- Left hand door shown
- Right hand door opposite
- Dimensions are in inches
- Drawing not to scale
INSTALLATION INSTRUCTIONS
- Select degree of opening from table and use template dimensions shown in above mark 4 holes on door for door close and four (4) underside of frame for bracket.
- Drill pilot holes in door and frame for #14 all-purpose screws or drill and tap for 1/4-20 machine screws.
- Mount closer on door using screws provided, SPRING POWER ADJUSTING NUT MUST BE POSITIONED TOWARD HINGE EDGE.
- Install Parallel Armed Bracket to Frame Using screw provided.
- Using a wrench on the square shaft at bottom of closer, rotate shaft approximately 45° toward hinge edge of door. Hold and place main arm of shaft on top of closer at proper index mark as illustrated, FOR LEFT HAND DOOR “L” (illustration “A”). FOR RIGHT HAND DOOR “R”(illustration “B”). Tighten arm screw with lockwasher securely.
- Remove arm shoe from the forearm and discard(arm shoe is not used for parallel installation) and tighten screw securely.
- Adjust length of adjustable forearm so that adjustable forearm is parallel to frame.
- Snap pinion cap over shaft at bottom of closer. {When using full cover, pinion cap is not necessary).
- Adjust closing speed, back check control and spring power of door, following instructions as shown page 4.
Top View Typical Installation
CLOSER ADJUSTMENT
CLOSING CYCLE
NOTE: Closing arcs (“CLOSE” and “LATCH”) are controlled by two(2)separate speed adjusting valves, adjust the CLOSING speed first, then adjust the LATCHING speed.
- “CLOSING” speed adjustment is accomplished by full rotations of the speed adjusting valve.
– Turn the speed adjusting valve CLOCKWISE for a SLOWER closing speed.
– Turn the speed adjusting valve COUNTER-CLOCKWISE for a FASTER closing speed. - “LATCH” speed adjustment is accomplished by full rotation of the speed adjusting valve.
– Turn the speed adjusting screw CLOCKWISE for a SLOWER latching speed.
– Turn the speed adjusting screw COUNTER-CLOCKWISE for a FASTER latching speed.
CAUTION!! Do not turn speed adjusting valve more than two (2) full turns counter-clockwise from its factory set position, as two speed adjusting valves could become dislodged from the door closer body resulting in the loss of internal fluid and failure of the device.

BACK CHECK CONTROL

- To increase back check intensity turn, back check control valve clockwise.
- To decrease back check intensity, turn back check valve anticlockwise.
SPRING POWER CONTROL
- To increase opening force and closing force, turn the spring adjusting nut clockwise.
- To decrease opening force and closing force, turn the spring adjusting nut anticlockwise.
FULLY ADJUSTABLE SPRING
(800 SERIES CLOSERS ARE SHIPPED AS SIZE 2 ON BF (BARRIER FREE) MODELS, AND SIZE 3 ON NON BF MODEL.)ROTATE SPRING ADJUSTMENT SCREW COUNTER – CLOCKWISE TO REDUCE THE SIZE, ROTATE SPRING ADJUSTMENT SCREW CLOCKWISE TO INCREASE SPRING POWER.
ADJUSTABLE SPRING MODELS

| CLOSER SIZE | CLOCKWISE | |
| STANDARD | BF![]() | TURNS OF ADJUSTING SCREW |
| 3 | 0 | |
| 4 | 2 | 6 |
| 5 | 3 | 12 |
| 6 | 4 | 18 |
NOTE: MAXIMUM ADJUSTMENT IS APPROXIMATELY 18 TURNS FROM MINIMUM SETTING
DO NOT FORCIBLY EXTEND ADJUSTMENT BEYOND LIMITS
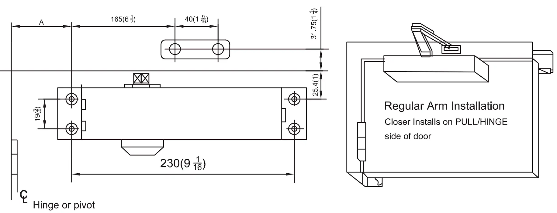
Installation Instructions for REGULAR ARM(PULL SIDE) Mounting

| OPENING | DIN.A |
| TO 100′ | 120mm(4-23/32) |
| 100′-120′ | 120mm(4-23/32) |
| OVER 180′ | 80mm(5-5/32) |
- Right hand door shown
- Left hand door opposite
- Dimensions are in inches
- Drawing not to scale
- Closer projection and location may restrict door swing if door must open against wall or other barrier
INSTALLATION INSTRUCTIONS
- Select degree of opening from table and use template dimensions shown in above mark 4 holes on door for door closer and two (2) holes on frame for arm shoe.
- Drill pilot holes in door and frame for #14 all-purpose screws or drill and tap for 1/4-20 machine screws.
- Install adjustable forearm/arm shoe assembly to frame using screws provided.
- Install main arm to top pinion shaft using screw provided.
- Mount closer on door using screws provided, SPRING POWER ADJUSTING NUT MUST BE POSITIONED AWAY FROM HINGE EDGE.
- Adjust length of adjustable forearm so that adjustable forearm is perpendicular to frame when assembled to preloaded main arm (illustration below). Secure forearm to main arm with screw provided.
- Snap pinion cap over shaft at bottom of closer, (When using full cover, pinion cap is not necessary).
- Adjust closing speed, back check control and spring power of door, following instructions as shown page 4.
Top View Typical Installation



















