DRAPER DC25 Door Closer

INSTALLATION INSTRUCTIONS FOR TOP JAMB (PUSH SIDE) MOUNTING
This installation process covers regular arm installations up to 180° openings.
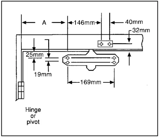
- Select the door opening angle and use the dimensions shown opposite. Mark four holes on the door for the door closer and two holes on the frame for the arm shoe.
- Drill 4mmØ pilot holes in the door and frame for the fixings suppied.
- Fix the forearm/arm shoe assembly to the door frame using the fixings supplied.
- Attach the closer to the door using the fixings supplied.
Note: The speed adjusting valve must be positioned towards the hinged edge of the door. - Install the main arm onto the top pinion shaft, perpendicular to the door as illustrated below. Tightly secure it in place using the screw/washerassembly supplied.
- Adjust the length of the forearm so that it is perpendicular to the door frame when assembled to preloaded main arm (see ‘top view’ illustration below). Secure the forearm to the main arm using the screw/washer assembly provided.
- Snap the pinion cap over the pinion shaft at the bottom of the closer unit.
- Adjust the closing speed of the door using the procedure detailed on page 5.




This installation process covers top jamb installations up to 180° openings.
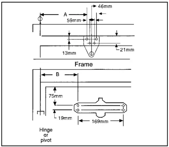
- Select the door opening angle and use the dimensions shown opposite. Mark four holes on the frame for the door closer and two holes on the door for the arm shoe.
- Drill 4mmØ pilot holes in the door and frame for the fixings supplied.
- Fix the forearm/arm shoe assembly to the door using the fixings supplied.
- Attach the closer to the door frame using the fixings supplied.
Note: The speed adjusting valve must be positioned towards the hinged edge of the door. - Install the main arm onto the top pinion shaft, perpendicular to the door as illustrated below. Tightly secure it in place using the screw/washer assembly supplied.
- Adjust the length of the forearm so that it is perpendicular to the door frame when preloaded with the main arm (see ‘top view’ illustration below). Secure the forearm to the main arm using the screw/washer assembly provided.
- Snap the pinion cap over the pinion shaft at the bottom of the closer unit.
- Adjust the closing speed of the door using the procedure detailed on page 5.




This installation process covers parallel arm installations up to 180° openings
- Select the door opening angle and use the dimensions shown opposite. Mark four holes on the door for the door closer and four holes on the underside of the frame for the parallel bracket.
- Drill 4mmØ pilot holes in the door and frame for the fixings supplied.
- Attach the closer to door using screws provided, speed adjusting valve must be positioned away from hinge edge.
- Fix parallel arm bracket to the frame using screws provided.
- Using a wrench on the square shaft at the bottom of the closer, rotate the shaft 100mm to 125mm towards the hinged edge of door. Hold and place the main arm of the shaft on top of the closer at the index mark, as on “top view” illustration below.
For left hand door illustration A
For right hand door illustration B
Tighten arm screw with lockwasher securely. - Remove arm shoe from forearm and discard. Install rod end of forearm to bracket using the screw/washer assembly provided.
- Adjust forearm length so that adjustable forearm is parallel to the frame.
- Adjust the closing speed of the door using the procedure detailed on page 5




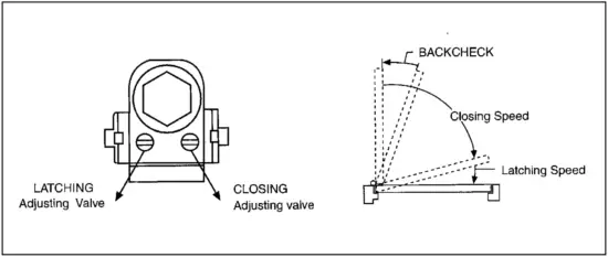
DOOR CLOSING CYCLE
CLOSING SPEED
Closing arcs are controlled by two separate speed adjusting valves. Adjust the closing speed first then adjust the latching speed.
Turn the speed adjusting valve a full rotation clockwise for a slower closing speed.
Turn the speed adjusting valve a full rotation anticlockwise for a faster closing speed.
LATCHING SPEED
Turn the speed adjusting screw a full rotation clockwise for a slower latching speed.
Turn the speed adjusting screw a full rotation anticlockwise for a faster latching speed.
CAUTION: Do not turn speed adjusting valve more than two full turns anticlockwise from its factory set position, as two speed adjusting valves could become dislodged from the door closer body, resulting with the loss of internal fluid and failure of the devic


DRAPER TOOLS LIMITED,
Hursley Road, Chandler’s Ford, Eastleigh, Hants. SO53 1YF. U.K.
Helpline: (023) 8049 4344.
Sales Desk: (023) 8049 4333.
General Enquiries: (023) 8026 6355.
Fax: (023) 8026 0784.
www.draper.co.uk
e-mail: [email protected]
YOUR DRAPER STOCKIST
©Published by Draper Tools Ltd.
No part of this publication may be reproduced, stored in a retrieval system or transmitted in any form or by any means, electronic, mechanical photocopying, recording or otherwise without prior permission in writing from Draper Tools Ltd.






























