
MonoFlat LIN-X 600
Instruction Manual
PAT.P
LIN-X 600 Lateral Door Opening System
Thank you for purchasing this MonoFlat LIN-X hinge by SUGATSUNE. Before proceeding with the installation, please read this instruction manual carefully for the best possible result and ensure your safety.
WARNING
- Failure to observe the following precautions may result in injury and/or lead to damage to surrounding cabinets or fittings.
- Choose suitable screws to ensure proper installation of the cabinet and door.
- Ensure that door size, weight and material correspond to the specifications in this manual.
- Do not disassemble or modify the system.
Product Specification
| Door Width | 550~650 mm |
| Door Height | 600~900 mm |
| Door Thickness | 15~24 mm |
| Door Weight | Max. 9 kg (per door) |
Parts List
- LIN-X Body…..2 pcs.

- Mounting Plate…..2 pcs.

- Connecting Plate…..1 pc.
L=540mm
- Connecting Plate Cover 2 pcs.

- Cup Cover…..2 pcs.

- Countersunk Head Tapping Screw…..3.5×15…..6 pcs.

- Binding & Tapping Screw 3.5×15…..8 pcs.

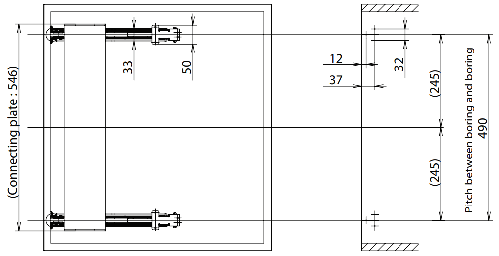
Overall (unit : mm)
- Picture shows the left hand door use. (Right hand door use is symmetrical.)

Overlay Distance
- Side overlay as shown in Fig.1 is:
19mm for mounting plate 230-P4W-32T: 0mm (Standard)
14mm for mounting plate 230-P4W-32T: 5mm - An opening clearance of 2mm is required on both sides of the door.

Installation Position for Door

Installation of Mounting Plate for Cabinet Side Board

Installation
- Mounting Plate Installation:

- Cup Cover Installation:

Ensure that the two are pointing toward the edge of the door. - LIN-X Body Installation:

Ensure that the two LIN-X bodies are parallel by measuring both the base and mounting plate distances. - Connecting Plate Installation:

- Door Installation:

Ensure that the two LIN-X body is securely attached to the mounting plates.
Adjustments
![]() | ![]() |
Individual Parts for Tall / Heavy Doors
Door Preparation

Cabinet Preparation

Please note handle position on other doors before installation, so that hinges will not interfere with the handles.
Product Specification
| Door Width | 550~650 mm |
| Door Height | 600~2400 mm |
| Door Thickness | 15~24 mm |
| Door Weight | Max. 24 kg (per door) |
■ Hinge Distance A
| # of Hinges | Length of Connecting Bar (mm) | |||||
| 540 | 840 | 1140 | 1440 | 1740 | 2040 | |
| 2 pcs | 490 | 790 | — | – | – | – |
| 3 pcs | 245 | 395 | 545 | 695 | 845 | – |
| 4 pcs | – | – | 363.3 | 463.3 | 563.3 | 663.3 |
| 5 pcs | — | – | – | 347.5 | 422.5 | 497.5 |
| SUGATSUNE KOGYO CO.,LTD. Phone: +81 (0)3 3866 2260 Fax: +81 (0)3 3866 4447 E-mail: [email protected] Website: www.sugatsune-intl.com | SUGATSUNE KOGYO (UK) LTD. Phone: +44 (0)1491 680737 Fax: +44 (0)1491 60762 E-mail: [email protected] Website: www.sugatsune.co.uk |
| SUGATSUNE AMERICA, INC. Phone: +1 310 3296373 Fax: +1 310 3290819 E-mail: [email protected] Website: www.sugatsune.com | SUGATSUNE SHANGHAI CO., LTD. Phone: +86 (0)21 3632 1858 Fax: +86 (0)21 3632 1868 Website: www.sugatsune.com.cn E-mail: [email protected] |
2009.05 PRINTED IN JAPAN 0445-1































