VIMAR 62K4 ELVOX Door Entry System

Installation instructions
Open the interphone, split the cover from the bottom making pressure on the lower side of the cover.

Additional single push-button 6152 (available in boxes of 8 pcs).

Split the keys corresponding to push-button

Surface-wall mount or box installation. Can be fitted to the wall with plugs or a 3 modules (Vimar V71303, V71703).

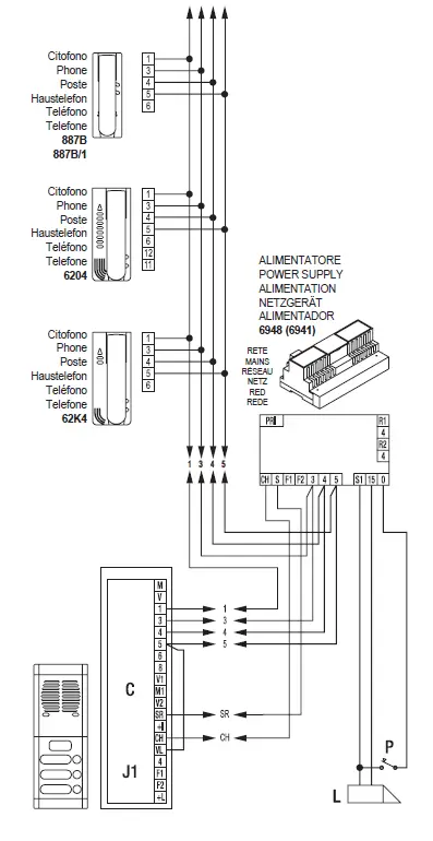
Wiring diagram of electric door opener “Digibus”

The instruction manual is downloadable from the site www.vimar.com
Installation rules
Installation should be carried out by qualified personnel in compliance with the current regulations regarding the installation of electrical equipment in the country where the products are installed
Conformity
- EMC directive
- Standards
WEEE – Information for users
If the crossed-out bin symbol appears on the equipment or packaging, this means the product must not be included with other general waste at the end of its working life. The user must take the worn product to a sorted waste center, or return it to the retailer when purchasing a new one. Products for disposal can be consigned free of charge (without any new purchase obligation) to retailers with a sales area of at least 400m2, if they measure less than 25cm. An efficient sorted waste collection for the environmentally friendly disposal of the used device, or its subsequent recycling, helps avoid the potential negative effects on the environment and people’s health, and encourages the re-use and/or recycling of the construction materials
Viale Vicenza, 14
36063 Marostica VI – Italy www.vimar.com




















