AVENTICS SPM Smart Pneumatics Monitor Gateway Instruction Manual

About this Documentation
Documentation validity
This documentation applies to the Smart Pneumatics Monitor (SPM, R419801689).
The documentation is intended for installers, programmers, electrical engineers, service personnel, and system owners.
- Read this documentation completely, especially the chapter 2 “Notes on safety” before working with the product.
Required and supplementary documentation
- Only commission the product once you have obtained the following documentation and understood and complied with its contents.
♦ System manual for the bus coupler (only on CD)
♦ System documentation
If the valve system contains pneumatic components:
♦ Documentation for the pneumatic components
If the unit contains input or output modules:
♦ System manual for the I/O modules (only on CD)
You can also find all instructions for the AV valve system and the AES components on the CD R412018133. All instructions for the SPM can be found on the USB stick.
Presentation of information
Warnings
In this documentation, there are warnings before the steps whenever there is a risk of personal injury or damage to equipment. The measures described to avoid these hazards must be followed.
Safety instructions are set out as follows:

Symbols
Operation may be impaired if this information is disregarded.
Notes on safety
About this chapter
The product has been manufactured according to the accepted rules of current technology. Even so, there is risk of injury and damage to equipment if the following chapter and warnings in this documentation are not followed.
- Read these instructions completely before working with the product.
- Keep this documentation in a location where it is accessible to all users at all times.
- Always include the documentation when you pass the product on to third parties.
Intended use
The Smart Pneumatics Monitor (SPM) is used to connect an AV valve system to an IT system and has the function of a gateway. The serial interface of the SPM (RS422 interface) may only be connected to the SPM interface of the AV valve system. Only one Ethernet connection in accordance with IEEE 802 may be connected to the system’s two Ethernet interfaces.
The Smart Pneumatics Monitor is intended for professional use only.
The Smart Pneumatics Monitor may only be used for industrial applications (class A). An individual license must be obtained from the authorities or an inspection center for systems that are to be used in a residential area (residential, business, and commercial areas). In Germany, these individual licenses are issued by the Regulating Agency for Telecommunications and Post (Regulierungsbehörde für Telekommunikation und Post, Reg TP).
Improper use
Improper use of the product includes:
- Using the gateway in explosive areas
- Using the gateway as a safety component
The user is responsible for improper use of the product.
Personnel qualifications
The work described in this documentation requires basic mechanical, electrical, and pneumatic knowledge, as well as knowledge of the appropriate technical terms. In order to ensure safe use, these activities may therefore only be carried out by qualified technical personnel or an instructed person under the direction and supervision of qualified personnel.
Qualified personnel are those who can recognize possible hazards and institute the appropriate safety measures, due to their professional training, knowledge, and experience, as well as their understanding of the relevant regulations pertaining to the work to be done. Qualified personnel must observe rules relevant to the subject matter.
General safety instructions
- Note regulations for accident prevention and environmental protection.
- Observe the regulations for explosive areas.
- Observe the safety instructions and regulations of the country in which the product is used or operated.
- Only use AVENTICS products that are in perfect working order.
- Follow all the instructions on the product.
- Use only accessories and spare parts approved by the manufacturer.
- Comply with technical data and ambient conditions listed in the product documentation.
- You may only commission the product if you have determined that the end product (such as a machine or system) in which the AVENTICS products are installed meets the country specific provisions, safety regulations, and standards for the specific application.
Safety instructions related to the product and technology

Responsibilities of the system owner
As the owner of a system that will be equipped with modules from the SPM series, you are responsible for
- ensuring intended use,
- ensuring that operating employees receive regular instruction,
- ensuring that the operating conditions are in line with the requirements for the safe use of the product,
- ensuring that cleaning intervals are determined and complied with according to environmental stress factors at the operating site,
- ensuring that ignition hazards that develop due to the installation of system equipment are observed,
- ensuring that no unauthorized repairs are attempted if there is a malfunction.
General Notices on Equipment and Product Damage
NOTICE
Mechanical loads!
Damage to the module!
♦ Make sure that the module is securely fastened mechanically, e.g. by mounting it on a rail.
Damage due to foreign bodies and water!
♦ Make sure that the module is operated in an environment that complies with protection class IP20.
♦ If protection class IP20 is not sufficient, protect the module with appropriate housing.
Delivery Contents
- 1 Smart Pneumatics Monitor
- 1 set of operating instructions
About This Product

Fig. 1: Product overview
- Connection for power supply and serial interface
- LED for power supply
- LED, user-defined
- USB 2.0 host connection
- DVI/HDMI connection
- Ethernet interfaces
- Assembly for rail (on the back side)
- Name plate (on the side)
Product identification
Information for product identification can be found on the name plate.
Information on the IP address can be found on the name plate.
Commissioning and Operation
NOTICE
Damage to the module!
Do not disconnect plugs when power is on.
- Only switch on the 24 V DC supply voltage after the module has been wired.
♦ Use a twisted cable for the connection.
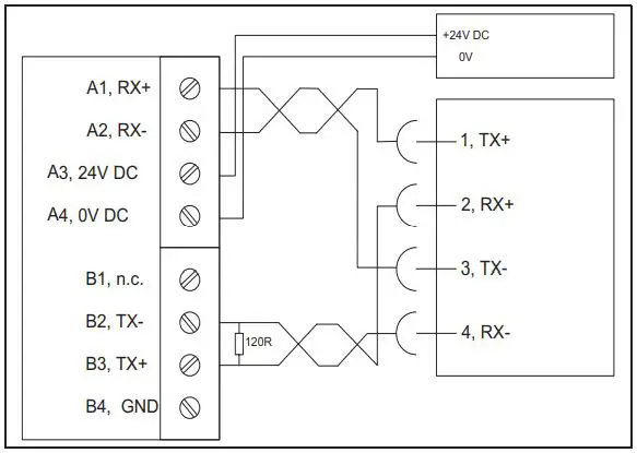
♦ Connect the SPM as shown in Fig. 2.

Fig. 2: SPM electrical connection
A3, A4 Power supply
A1, A2, B2, B3 Serial connection between SPM and SPM interface in the AV valve system
B2, B3 Terminating resistor 120 Ω between B2 and B3
- Connect the Ethernet interface as follows:
LAN1 Ethernet connection to a local computer
or
LAN2 Ethernet connection to a network - Switch on the supply voltage for the SPM. Start the WebUI of the module to configure the module.
- Connect the LAN1 plug with a computer and access the module with a web browser.
To directly connect the SPM with a computer, use a crossover cable.
If you connect the SPM to a computer via a switch, this special cable type is not required.
The IP address of the module in the delivery state is indicated on the name plate. The address is 192.168.0.126.
- Enter the following address in the address bar of the web browser: http://192.168.0.126:7777
- Enter the user name “admin”.
- Enter the password “admin”.
- Click on “OK” to confirm your entry.

Fig. 3: Login with user name and password
You can configure the SPM in the following settings menu (see Fig. 4).
Details can be found on the enclosed USB stick in the file “SPM_Accessing_Configuration”.

Fig. 4: Settings menu
Disposal
- Dispose of the module in accordance with the currently applicable regulations in your country.
Technical Data

AVENTICS GmbH
Ulmer Straße 4
30880 Laatzen, GERMANY
Phone +49 (0) 5 11-21 36-0
Fax: +49 (0) 511-21 36-2 69
www.aventics.com
[email protected]
Further addresses:
www.aventics.com/contact
The data specified above only serve to describe the product. No statements concerning a certain condition or suitability for a certain application can be derived from our information. The given information does not release the user from the obligation of own judgement and verification. It must be remembered that our products are subject to a natural process of wear and aging.
An example configuration is depicted on the title page. The delivered product may thus vary from that in the illustration.
Translation of the original operating instructions. The original operating instructions were created in the German language.
R412026734-BAL-001-AB/2019-07 Subject to modifications. © All rights reserved by AVENTICS GmbH, even and especially in cases of proprietary rights applications. It may not be reproduced or given to third parties without its consent.

















